IEC 60947-4-1, EN 60947-4-1,
Для условий в соответствии МЭК 60077-1 и МЭК 60077-2.
Контакторы имеют защиту от прикосновения к токоведущим частям в соответствии с EN 50274. Контакторы имеют пружинные и винтовые типы зажимов. Типоразмеры S00 и S0 контакторов имеют зажимы пружинного типа для всех терминалов.
Допустимая температура окружающей среды во время работы контакторов (для всего рабочего диапазона напряжений катушки) от -40 °C до +70 °C.
Непрерывный режим работы при температуре > +60 °C снижает механический ресурс, пропускную способность проводящих частей для тока и частоту включений.
Катушки электромагнитов контакторов имеют расширенный рабочий диапазон напряжений - от 0.7 до 1.25 или 1.3 x Us стандартно оснащаются устройствами помехоподавления. Задержка срабатывания, следовательно, больше на 2 ... 5 мс, чем для стандартных контакторов.
Для работы на объектах, которые подвержены значительным колебаниям напряжения управления и высокой температуре окружающей среды, например, применение на железных дорогах в экстремальных климатических условиях, на прокатных станах и т.д.
Кроме того, для контроля напряжения питания резервных аккумуляторных батарей с целью продления времени работы, если не удается осуществить их зарядку.
Цепи управления и вспомогательные
Эти контакторы имеют расширенный рабочий диапазон напряжения от 0.7 до 1.25 x Us; в типоразмере S00 катушка снабжена помежоподавляющим диодом, в типоразмере S0 - варисторами. Дополнительный резистор не требуется.
Примечание:
Дополнительный блок вспомогательных контактов не требуется.
Монтаж
При температуре окружающей среды > 60 °C ≤ 70 °C и установке контакторов рядом друг с другом необходимо обеспечить расстояние между ним не менее 10 мм.
Цепи управления и вспомогательные
Катушки электромагнита контактора имеют расширенный рабочий диапазон напряжения от 0.7 до 1.25 x Us и стандартно снабжаются помехоподавляющим диодом для защиты от коммутационных перенапряжений.
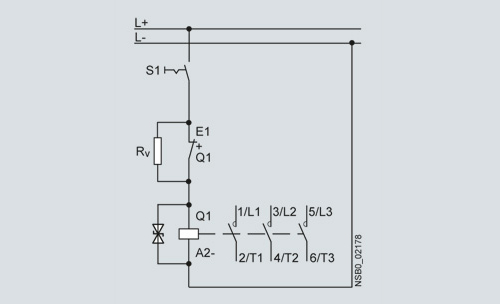
Магнитные системы постоянного тока контакторов модифицированы (для создания возбуждения удержания) посредством последовательного резистора.
Контакторы типоразмера S00 поставляются готовыми к подключению с втычным модулем, содержащим последовательный резистор. Помехоподавляющий диод интегрирован. 4-полюсный блок вспомогательных контактов (в соответствии с EN 50005) может быть установлен дополнительно.
Принципиальная электрическая схема показывает назначение зажимов на каждом контакторе. Один НЗ вспомогательный контакт необходим для функционирования последовательного резистора. Данные для выбора и заказа отображают количество дополнительных незадействованных вспомогательных контактов. Контакторы типоразмера S00 допускают расширение количества вспомогательных контактов.
Монтаж рядом друг с другом
Контакторы типоразмера S00 при температуре окружающей среды до 70°C допускают установку вплотную друг к другу.
Цепи управления и вспомогательные
Катушки электромагнитов контакторов имеют расширенный рабочий диапазон напряжений - от 0.7 до 1.3 x Us и стандартно снабжены варисторами для обеспечения защиты от коммутационных перенапряжений.
Напряжение на катушки контакторов подается через предвключенный электронный блок, который обеспечивает рабочий диапазон напряжений катушки от 0.7 до 1.3 x Us при температуре окружающей среды 70 °C. Контакторы являются комплектными устройствами с интегрированным электронным блоком катушки. Встроенный варистор служит для гашения коммутационный перенапряжений в катушке.
Возможна установка блоков вспомогательных контактов так же как на обычные контакторы для коммутации двигателей соответствующего типоразмера.
Установка рядом друг с другом
Установка бок о бок контакторов этого исполнения типоразмера S0 допускается при температуре окружающей среды до 70°C.
Цена на сайте указана розничная в ЕВРО без учета НДС.Для уточнения цены и размера предоставляемой скидки - звоните или присылайте заявки
| Заказной номер | PG | Описание продукта | Цена |
| 3RT2015-2KA42 | 41B | COUPLING RELAY, 3 ПОЛ., AC-3, 3KW/400V, 1NC, DC 12V, РАСШИРЕННЫЙ ДИАПАЗОН УПРАВЛЯЮЩЕГО НАПРЯЖЕНИЯ 0.7... 1.25*US, W. PLUGGED-ON VARISTOR 3-ПОЛ. ТИПОРАЗМЕР S00, ПРУЖИННЫЕ КЛЕММЫ | 44.05 |
| 3RT2016-2KA42 | 41B | COUPLING RELAY, 3 ПОЛ., AC-3, 4KW/400V, 1NC, DC 12V, РАСШИРЕННЫЙ ДИАПАЗОН УПРАВЛЯЮЩЕГО НАПРЯЖЕНИЯ 0.7... 1.25*US, W. INTEGR. SUPPRESSORDIODE, ТИПОРАЗМЕР S00, ПРУЖИННЫЕ КЛЕММЫ | 46.58 |
| 3RT2017-2KA42 | 41B | CONT. F. RAILW. A., 3 ПОЛ., AC-3, 5.5KW AC-3, 5.5KW/400V, 1NC, DC 12V, РАСШИРЕННЫЙ ДИАПАЗОН УПРАВЛЯЮЩЕГО НАПРЯЖЕНИЯ 0.7...1.25*US, W. INTEGRA. SUPPRESSOR DIODE, 3POLE, SIZE S00, ПРУЖИННЫЕ КЛЕММЫ | 55.66 |
| 3RT2017-2KB41 | 41B | ВСПОМОГАТЕЛЬНЫЙ КОНТАКТОР, 3 ПОЛ., AC-3, 5.5КВТ/ 400В, БЛОК-КОНТАКТ 1НО, НОМ. НАПРЯЖЕНИЕ УПРАВЛЕНИЯ 24В DC, РАСШИРЕННЫЙ ДИАПАЗОН УПРАВЛЯЮЩЕГО НАПРЯЖЕНИЯ 0.7... 1.25*US, С ВАРИСТОРОМ, 3-ПОЛ. ТИПОРАЗМЕР S00, ПРУЖИННЫЕ КЛЕММЫ | 55.66 |
| 3RT2017-2KB42 | 41B | ВСПОМОГАТЕЛЬНЫЙ КОНТАКТОР, 3 ПОЛ., AC-3, 5.5КВТ/ 400В, БЛОК-КОНТАКТ 1НО, НОМ. НАПРЯЖЕНИЕ УПРАВЛЕНИЯ 24В DC, РАСШИРЕННЫЙ ДИАПАЗОН УПРАВЛЯЮЩЕГО НАПРЯЖЕНИЯ 0.7... 1.25*US, С ВАРИСТОРОМ, 3-ПОЛ. ТИПОРАЗМЕР S00, ПРУЖИННЫЕ КЛЕММЫ | 55.66 |
| 3RT2017-2KB42-0LA0 | 41B | КОНТАКТОР ДЛЯ ПРИМЕНЕНИЯ НА Ж. Д., 3 ПОЛ., AC-3, 5.5КВТ 400В, НОМ. НАПРЯЖЕНИЕ УПРАВЛЕНИЯ 24В DC, 0,7...1,25*US,С ОГР. ДИОДОМ, ТИПОРАЗМЕР S00, ПРУЖ. КЛЕММЫ | 77.05 |
| 3RT2017-2KB42-1LA0 | 41B | КОНТАКТОР ДЛЯ ПРИМЕНЕНИЯ НА Ж. Д., 3 ПОЛ., AC-3, 5.5КВТ 400В, НОМ. НАПРЯЖЕНИЕ УПРАВЛЕНИЯ 24В DC, 0,7...1,25*US,С ОГР. ДИОДОМ, ТИПОРАЗМЕР S00, ПРУЖ. КЛЕММЫ | 77.05 |
| 3RT2017-2KF41 | 41B | ВСПОМОГАТЕЛЬНЫЙ КОНТАКТОР, 3 ПОЛ., AC-3, 5.5КВТ/ 400В, БЛОК-КОНТАКТ 1НО, НОМ. НАПРЯЖЕНИЕ УПРАВЛЕНИЯ DC 110V, РАСШИРЕННЫЙ ДИАПАЗОН УПРАВЛЯЮЩЕГО НАПРЯЖЕНИЯ 0.7... 1.25*US, С ВАРИСТОРОМ, 3-ПОЛ. ТИПОРАЗМЕР S00, ПРУЖИННЫЕ КЛЕММЫ | 55.66 |
| 3RT2017-2KF42 | 41B | ВСПОМОГАТЕЛЬНЫЙ КОНТАКТОР, 3 ПОЛ., AC-3, 5.5КВТ/ 400В, БЛОК-КОНТАКТ 1НО, НОМ. НАПРЯЖЕНИЕ УПРАВЛЕНИЯ DC 110V, РАСШИРЕННЫЙ ДИАПАЗОН УПРАВЛЯЮЩЕГО НАПРЯЖЕНИЯ 0.7... 1.25*US, С ВАРИСТОРОМ, 3-ПОЛ. ТИПОРАЗМЕР S00, ПРУЖИННЫЕ КЛЕММЫ | 55.66 |
| 3RT2017-2KF42-0LA0 | 41B | КОНТАКТОР ДЛЯ ПРИМЕНЕНИЯ НА Ж. Д., 3 ПОЛ., AC-3, 5.5КВТ 400В, НОМ. НАПРЯЖЕНИЕ УПРАВЛЕНИЯ DC 110V, 0,7...1,25*US,С ОГР. ДИОДОМ, ТИПОРАЗМЕР S00, ПРУЖ. КЛЕММЫ | 77.05 |
| 3RT2017-2KF42-1LA0 | 41B | КОНТАКТОР ДЛЯ ПРИМЕНЕНИЯ НА Ж. Д., 3 ПОЛ., AC-3, 5.5КВТ 400В, НОМ. НАПРЯЖЕНИЕ УПРАВЛЕНИЯ DC 110V, 0,7...1,25*US,С ОГР. ДИОДОМ, ТИПОРАЗМЕР S00, ПРУЖ. КЛЕММЫ | 77.05 |
| 3RT2017-2KG41 | 41B | CONT. F. RAILW. A., 3 ПОЛ., AC-3, 5.5KW 400V , 1NO, DC 125V, РАСШИРЕННЫЙ ДИАПАЗОН УПРАВЛЯЮЩЕГО НАПРЯЖЕНИЯ 0.7... 1.25*US, W. INTEGRATED SUPPRESSOR DIODE, 3POLE, SZ. S00, ПРУЖИННЫЕ КЛЕММЫ | 55.66 |
| 3RT2017-2KG42 | 41B | CONT. F. RAILW. A., 3 ПОЛ., AC-3, 5.5KW 400V , 1NC, DC 125V, РАСШИРЕННЫЙ ДИАПАЗОН УПРАВЛЯЮЩЕГО НАПРЯЖЕНИЯ 0.7... 1.25*US, W. INTEGRATED SUPPRESSOR DIODE, 3POLE, SZ. S00, ПРУЖИННЫЕ КЛЕММЫ | 55.66 |
| 3RT2017-2KG42-0LA0 | 41B | CONT. F. RAILW. A., 3 ПОЛ., AC-3, 5.5KW 5.5KW/400V,DC125V, РАСШИРЕННЫЙ ДИАПАЗОН УПРАВЛЯЮЩЕГО НАПРЯЖЕНИЯ 0.7... 1.25*US W.SUPPRESSORDIODE INTEGRATED, SZ. S00, ПРУЖИННЫЕ КЛЕММЫ | 77.05 |
| 3RT2017-2LB41 | 41B | ВСПОМОГАТЕЛЬНЫЙ КОНТАКТОР, 3 ПОЛ., AC-3, 5.5КВТ/ 400В, БЛОК-КОНТАКТ 1НО, НОМ. НАПРЯЖЕНИЕ УПРАВЛЕНИЯ 24В DC, РАСШИРЕННЫЙ ДИАПАЗОН УПРАВЛЯЮЩЕГО НАПРЯЖЕНИЯ 0.7... 1.25*US, С ВАРИСТОРОМ, 3-ПОЛ. ТИПОРАЗМЕР S00, ПРУЖИННЫЕ КЛЕММЫ | 55.66 |
| 3RT2017-2LB42 | 41B | ВСПОМОГАТЕЛЬНЫЙ КОНТАКТОР, 3 ПОЛ., AC-3, 5.5КВТ/ 400В, БЛОК-КОНТАКТ 1НО, НОМ. НАПРЯЖЕНИЕ УПРАВЛЕНИЯ 24В DC, РАСШИРЕННЫЙ ДИАПАЗОН УПРАВЛЯЮЩЕГО НАПРЯЖЕНИЯ 0.7... 1.25*US, С ВАРИСТОРОМ, 3-ПОЛ. ТИПОРАЗМЕР S00, ПРУЖИННЫЕ КЛЕММЫ | 55.66 |
| 3RT2017-2LB42-0LA0 | 41B | КОНТАКТОР ДЛЯ ПРИМЕНЕНИЯ НА Ж. Д., 3 ПОЛ., AC-3, 5.5КВТ 400В, НОМ. НАПРЯЖЕНИЕ УПРАВЛЕНИЯ 24В DC, 0,7...1,25*US,С ОГР. ДИОДОМ, ТИПОРАЗМЕР S00, ПРУЖ. КЛЕММЫ | 77.05 |
| 3RT2017-2LF41 | 41B | ВСПОМОГАТЕЛЬНЫЙ КОНТАКТОР, 3 ПОЛ., AC-3, 5.5КВТ/ 400В, БЛОК-КОНТАКТ 1НО, НОМ. НАПРЯЖЕНИЕ УПРАВЛЕНИЯ DC 110V, РАСШИРЕННЫЙ ДИАПАЗОН УПРАВЛЯЮЩЕГО НАПРЯЖЕНИЯ 0.7... 1.25*US, С ВАРИСТОРОМ, 3-ПОЛ. ТИПОРАЗМЕР S00, ПРУЖИННЫЕ КЛЕММЫ | 55.66 |
| 3RT2017-2LF42 | 41B | ВСПОМОГАТЕЛЬНЫЙ КОНТАКТОР, 3 ПОЛ., AC-3, 5.5КВТ/ 400В, БЛОК-КОНТАКТ 1НО, НОМ. НАПРЯЖЕНИЕ УПРАВЛЕНИЯ DC 110V, РАСШИРЕННЫЙ ДИАПАЗОН УПРАВЛЯЮЩЕГО НАПРЯЖЕНИЯ 0.7... 1.25*US, С ВАРИСТОРОМ, 3-ПОЛ. ТИПОРАЗМЕР S00, ПРУЖИННЫЕ КЛЕММЫ | 55.66 |
| 3RT2017-2LF42-0LA0 | 41B | КОНТАКТОР ДЛЯ ПРИМЕНЕНИЯ НА Ж. Д., 3 ПОЛ., AC-3, 5.5КВТ 400В, НОМ. НАПРЯЖЕНИЕ УПРАВЛЕНИЯ DC 110V, 0,7...1,25*US,С ОГР. ДИОДОМ, ТИПОРАЗМЕР S00, ПРУЖ. КЛЕММЫ | 77.05 |
| 3RT2017-2LF42-1LA0 | 41B | CONT. F. RAILW. A., 3 ПОЛ., AC-3, 5.5KW 400V, DC 110V, 0,7. ..1,25*US, VARISTOR INTEGRATED, 3POL,ТИПОРАЗМЕР S00, STANDING BUILT-IN ПРУЖИННЫЕ КЛЕММЫ | 86.60 |
| 3RT2017-4KB41 | 41B | KOPPELSCHUETZ, 3 ПОЛ., AC-3, 5,5KW/400V , 1S, DC 24V, 0,7... 1,25*US, M. SUPPRESSORDIODE INTEGRIERT, 3POL, BGR. S00, RINGKABELSCHUHANSCHLUSS | 55.43 |
| 3RT2017-4KB42 | 41B | KOPPELSCHUETZ, 3 ПОЛ., AC-3, 5,5KW/400V , 1OE, DC 24V, 0,7.. .1,25*US, M. SUPPRESSORDIODE INTEGRIERT, 3POL, BGR. S00, RINGKABELSCHUHANSCHLUSS | 55.43 |
| 3RT2017-4KB42-0LA0 | 41B | SCHUETZ FUER BAHN, 3 ПОЛ., AC-3, 5,5KW 400V, DC 24V, 0,7.. .1,25*US, M. SUPPRESSORDIODE INTEGRIERT, 3POL, BGR. S00, FEDERZUGANSCHLUSS | 79.01 |
| 3RT2017-4LB41 | 41B | COUPLING RELAY, 3 ПОЛ., AC-3, 5.5KW/400V, 1NO, DC 24V, РАСШИРЕННЫЙ ДИАПАЗОН УПРАВЛЯЮЩЕГО НАПРЯЖЕНИЯ 0.7... 1.25*US, W. INTEGRATED VARISTOR 3POLE SZ. S00, RING CABLE LUG CONNECTION | 57.04 |
| 3RT2017-4LB42 | 41B | COUPL. RELAY, 3 ПОЛ., AC-3, 5.5KW 400V , 1NC, DC 24V, РАСШИРЕННЫЙ ДИАПАЗОН УПРАВЛЯЮЩЕГО НАПРЯЖЕНИЯ 0.7... 1.25*US, W.VARISTOR INTEGRATED, 3-ПОЛ. ТИПОРАЗМЕР S00,RING CABLE LUG CONNEC. | 57.04 |
| 3RT2017-4LB42-0LA0 | 41B | CONT. F. RAILW. A., 3 ПОЛ., AC-3, 5.5KW 400V, DC 24V, 0,7.. .1,25*US, . ТИПОРАЗМЕР S0 RING CABLE LUG CONNECTION | 79.01 |
| 3RT2018-2KB42-0LA0 | 41B | КОНТАКТОР ДЛЯ ПРИМЕНЕНИЯ НА Ж. Д., 3 ПОЛ., AC-3, 7.5КВТ 400В, НОМ. НАПРЯЖЕНИЕ УПРАВЛЕНИЯ 24В DC, 0,7...1,25*US,С ОГР. ДИОДОМ, ТИПОРАЗМЕР S00, ПРУЖ. КЛЕММЫ | 97.75 |
| 3RT2018-2KF42-0LA0 | 41B | КОНТАКТОР ДЛЯ ПРИМЕНЕНИЯ НА Ж. Д., 3 ПОЛ., AC-3, 7.5КВТ 400В, НОМ. НАПРЯЖЕНИЕ УПРАВЛЕНИЯ DC 110V, 0,7...1,25*US,С ОГР. ДИОДОМ, ТИПОРАЗМЕР S00, ПРУЖ. КЛЕММЫ | 97.75 |
| 3RT2018-2KG42-0LA0 | 41B | CONT. F. RAILW. A., 3 ПОЛ., AC-3, 7.5KW 7.5KW/400V,DC125V, 0,7...1,25*US W. SUPPRESSORDIODE INTEGRATED, SZ. S00, ПРУЖИННЫЕ КЛЕММЫ | 97.75 |
| 3RT2018-2LB42-0LA0 | 41B | КОНТАКТОР ДЛЯ ПРИМЕНЕНИЯ НА Ж. Д., 3 ПОЛ., AC-3, 7.5КВТ 400В, НОМ. НАПРЯЖЕНИЕ УПРАВЛЕНИЯ 24В DC, 0,7...1,25*US,С ОГР. ДИОДОМ, ТИПОРАЗМЕР S00, ПРУЖ. КЛЕММЫ | 97.75 |
| 3RT2018-2LF42-0LA0 | 41B | КОНТАКТОР ДЛЯ ПРИМЕНЕНИЯ НА Ж. Д., 3 ПОЛ., AC-3, 7.5КВТ 400В, НОМ. НАПРЯЖЕНИЕ УПРАВЛЕНИЯ DC 110V, 0,7...1,25*US,С ОГР. ДИОДОМ, ТИПОРАЗМЕР S00, ПРУЖ. КЛЕММЫ | 97.75 |
| 3RT2018-2LJ82-0LA0 | 41B | CONT. F. RAILW. A., 3 ПОЛ., AC-3, 7.5KW 400V, DC 72V, 0,7.. .1,25*US, W.VARISTOR INTEGRATED, ТИПОРАЗМЕР S00 ПРУЖИННЫЕ КЛЕММЫ | 97.75 |
| 3RT2018-4KB42-0LA0 | 41B | SCHUETZ FUER BAHN, 3 ПОЛ., AC-3, 7,5KW 400V, DC 24V, 0,7.. .1,25*US, M. SUPPRESSORDIODE INTEGRIERT, 3POL, BGR. S00, FEDERZUGANSCHLUSS | 100.17 |
| 3RT2018-4KJ82-0LA0 | 41B | CONT. F. RAILW. A., 3 ПОЛ., AC-3, 7.5KW 400V, DC72V W. SUPPRESSORDIODE INTEGRATED, ТИПОРАЗМЕР S0 ПРУЖИННЫЕ КЛЕММЫ | 100.17 |
| 3RT2018-4LB42-0LA0 | 41B | CONT. F. RAILW. A., 3 ПОЛ., AC-3, 7.5KW 400V, DC 24V, 0,7.. .1,25*US, . ТИПОРАЗМЕР S0 RING CABLE LUG CONNECTION | 100.17 |
| 3RT2023-2KB40 | 41B | COUPLING RELAY, 3 ПОЛ., AC-3, | 92.12 |
| 3RT2024-2KB40 | 41B | ВСПОМОГАТЕЛЬНЫЙ КОНТАКТОР, 3 ПОЛ., AC-3, 5.5КВТ/400В, БЛОК-КОНТАКТЫ 1НО+1НЗ, НОМ. НАПРЯЖЕНИЕ УПРАВЛЕНИЯ 24В DC, ТИПОРАЗМЕР S0, ПРУЖИННЫЕ КЛЕММЫ | 98.33 |
| 3RT2025-2KB40 | 41B | ВСПОМОГАТЕЛЬНЫЙ КОНТАКТОР, 3 ПОЛ., AC-3, 7.5КВТ/400В, БЛОК-КОНТАКТЫ 1НО+1НЗ, НОМ. НАПРЯЖЕНИЕ УПРАВЛЕНИЯ 24В DC, ТИПОРАЗМЕР S0, ПРУЖИННЫЕ КЛЕММЫ | 116.15 |
| 3RT2025-2KF40 | 41B | ВСПОМОГАТЕЛЬНЫЙ КОНТАКТОР, 3 ПОЛ., AC-3, 7.5КВТ/400В, БЛОК-КОНТАКТЫ 1НО+1НЗ, НОМ. НАПРЯЖЕНИЕ УПРАВЛЕНИЯ DC 110V, ТИПОРАЗМЕР S0, ПРУЖИННЫЕ КЛЕММЫ | 116.15 |
| 3RT2025-2KG40 | 41B | COUPLING RELAY, 3 ПОЛ., AC-3, 7.5KW/400V, 1NO+1NC, DC 125V, W. PLUGGED-IN VARISTOR ТИПОРАЗМЕР S0 ПРУЖИННЫЕ КЛЕММЫ | 116.15 |
| 3RT2025-2XB40-0LA2 | 41B | КОНТАКТОР ДЛЯ ПРИМЕНЕНИЯ НА Ж. Д., 3 ПОЛ., AC-3, 7.5КВТ/400В, БЛОК-КОНТАКТЫ 1НО+1НЗ, AC (40-60ГЦ)/DC-OPERATED, UC 24В, 0,7...1,25*US, С ВАРИСТОРОМ, 3-ПОЛ. ТИПОРАЗМЕР S0, ПРУЖ. КЛЕММЫ | 143.75 |
| 3RT2025-2XF40-0LA2 | 41B | КОНТАКТОР ДЛЯ ПРИМЕНЕНИЯ НА Ж. Д., 3 ПОЛ., AC-3, 7.5КВТ/400В, БЛОК-КОНТАКТЫ 1НО+1НЗ, AC (40-60ГЦ)/DC-OPERATED, UC 110V, 0,7...1,25*US, С ВАРИСТОРОМ, 3-ПОЛ. ТИПОРАЗМЕР S0, ПРУЖ. КЛЕММЫ | 143.75 |
| 3RT2025-2XG40-0LA2 | 41B | CONT. F. RAILW. A., 3 ПОЛ., AC-3, 7.5KW/400V, 1S+1OE, AC (40-60HZ)/DC-OPERATED, UC 125V, 0,7...1,25*US, W. VARISTOR INTEGRATED, 3-ПОЛ. SIZE S0, SPRING-TYPE TERM. | 143.75 |
| 3RT2025-4KB40 | 41B | COUPLING RELAY, 3 ПОЛ., AC-3, 7.5KW/400V, 1NO+1NC, DC 24V, W. PLUGGED-IN VARISTOR ТИПОРАЗМЕР S0 RING CABLE LUG CONNECTION | 116.15 |
| 3RT2025-4KJ40 | 41B | COUPLING RELAY, 3 ПОЛ., AC-3, 7.5KW/400V, 1NO+1NC, DC 72V, W. PLUGGED-IN VARISTOR ТИПОРАЗМЕР S0 RING CABLE LUG CONNECTION | 119.60 |
| 3RT2025-4XB40-0LA2 | 41B | CONT. F. RAILW. A., 3 ПОЛ., AC-3, 7.5KW/400V, 1NO+1NC, AC (40-60HZ)/DC-OPERATED, UC 24V, 0,7...1,25*US, M. VARISTOR INTEGRATED, 3-ПОЛ. SIZE S0, RING-LUG CONN | 147.20 |
| 3RT2025-4XJ40-0LA2 | 41B | CONT. F. RAILW. A., 3 ПОЛ., AC-3, 7.5KW/400V, 1NO+1NC, AC (40-60HZ)/DC-OPERATED, UC 72V, 0,7...1,25*US, M. VARISTOR INTEGRATED, 3-ПОЛ. SIZE S0, RING-LUG CONN | 147.20 |
| 3RT2026-2KA40 | 41B | COUPLING RELAY, 3 ПОЛ., AC-3, 11KW/400V, 1NO+1NC, DC 12V, W. PLUGGED-IN VARISTOR ТИПОРАЗМЕР S0 ПРУЖИННЫЕ КЛЕММЫ | 138.00 |
| 3RT2026-2KB40 | 41B | ВСПОМОГАТЕЛЬНЫЙ КОНТАКТОР, 3 ПОЛ., AC-3, 11КВТ/400В, БЛОК-КОНТАКТЫ 1НО+1НЗ, НОМ. НАПРЯЖЕНИЕ УПРАВЛЕНИЯ 24В DC, ТИПОРАЗМЕР S0, ПРУЖИННЫЕ КЛЕММЫ | 138.00 |
| 3RT2026-2KF40 | 41B | ВСПОМОГАТЕЛЬНЫЙ КОНТАКТОР, 3 ПОЛ., AC-3, 11КВТ/400В, БЛОК-КОНТАКТЫ 1НО+1НЗ, НОМ. НАПРЯЖЕНИЕ УПРАВЛЕНИЯ DC 110V, ТИПОРАЗМЕР S0, ПРУЖИННЫЕ КЛЕММЫ | 138.00 |
| 3RT2026-2KG40 | 41B | COUPLING RELAY, 3 ПОЛ., AC-3, 11KW/400V, 1NO+1NC, DC 125V, W. PLUGGED-IN VARISTOR ТИПОРАЗМЕР S0 ПРУЖИННЫЕ КЛЕММЫ | 138.00 |
| 3RT2026-2XB40-0LA2 | 41B | КОНТАКТОР ДЛЯ ПРИМЕНЕНИЯ НА Ж. Д., 3 ПОЛ., AC-3, 11КВТ/400В, БЛОК-КОНТАКТЫ 1НО+1НЗ, AC (40-60ГЦ)/DC-OPERATED, UC 24В, 0,7...1,25*US, С ВАРИСТОРОМ, 3-ПОЛ. ТИПОРАЗМЕР S0, ПРУЖ. КЛЕММЫ | 169.05 |
| 3RT2026-2XF40-0LA2 | 41B | КОНТАКТОР ДЛЯ ПРИМЕНЕНИЯ НА Ж. Д., 3 ПОЛ., AC-3, 11КВТ/400В, БЛОК-КОНТАКТЫ 1НО+1НЗ, AC (40-60ГЦ)/DC-OPERATED, UC 110V, 0,7...1,25*US, С ВАРИСТОРОМ, 3-ПОЛ. ТИПОРАЗМЕР S0, ПРУЖ. КЛЕММЫ | 169.05 |
| 3RT2026-2XG40-0LA2 | 41B | CONT. F. RAILW. A., 3 ПОЛ., AC-3, 11KW/400V, 1S+1OE, AC (40-60HZ)/DC-OPERATED, UC 125V, 0,7...1,25*US, W. VARISTOR INTEGRATED, 3-ПОЛ. SIZE S0, SPRING-TYPE TERM. | 169.05 |
| 3RT2026-2XJ40-0LA2 | 41B | CONT. F. RAILW. A., 3 ПОЛ., AC-3, 11KW/400V, 1NO+1NC, AC (40-60HZ)/DC-OPERATED, UC 72V, РАСШИРЕННЫЙ ДИАПАЗОН УПРАВЛЯЮЩЕГО НАПРЯЖЕНИЯ 0.7... 1.25*US, M. VARISTOR INTEGRATED, 3-ПОЛ. SIZE S0, SPRING-TYPE TERM. | 169.05 |
| 3RT2026-4KB40 | 41B | COUPLING RELAY, 3 ПОЛ., AC-3, 11KW/400V, 1NO+1NC, DC 24V, W. PLUGGED-IN VARISTOR DC 0,7... 1,25 US, ТИПОРАЗМЕР S0 RING LUG TERMINAL | 136.85 |
| 3RT2026-4XB40-0LA2 | 41B | CONT. F. RAILW. A., 3 ПОЛ., AC-3, 11KW/400V, 1NO+1NC, AC (40-60HZ)/DC-OPERATED, UC 24V, 0,7...1,25*US, M. VARISTOR INTEGRATED, 3-ПОЛ. SIZE S0, RING LUG TERM. | 173.65 |
| 3RT2027-2KA40 | 41B | COUPLING RELAY, 3 ПОЛ., AC-3, 15KW/400V, 1NO+1NC, DC 12V, W. PLUGGED-IN VARISTOR ТИПОРАЗМЕР S0 ПРУЖИННЫЕ КЛЕММЫ | 185.15 |
| 3RT2027-2KB40 | 41B | ВСПОМОГАТЕЛЬНЫЙ КОНТАКТОР, 3 ПОЛ., AC-3, 15КВТ/400В, БЛОК-КОНТАКТЫ 1НО+1НЗ, НОМ. НАПРЯЖЕНИЕ УПРАВЛЕНИЯ 24В DC, ТИПОРАЗМЕР S0, ПРУЖИННЫЕ КЛЕММЫ | 185.15 |
| 3RT2027-2KF40 | 41B | ВСПОМОГАТЕЛЬНЫЙ КОНТАКТОР, 3 ПОЛ., AC-3, 15КВТ/400В, БЛОК-КОНТАКТЫ 1НО+1НЗ, НОМ. НАПРЯЖЕНИЕ УПРАВЛЕНИЯ DC 110V, ТИПОРАЗМЕР S0, ПРУЖИННЫЕ КЛЕММЫ | 185.15 |
| 3RT2027-2KG40 | 41B | COUPLING RELAY, 3 ПОЛ., AC-3, 15KW/400V, 1NO+1NC, DC 125V, W. PLUGGED-IN VARISTOR ТИПОРАЗМЕР S0 ПРУЖИННЫЕ КЛЕММЫ | 185.15 |
| 3RT2027-2XB40-0LA2 | 41B | КОНТАКТОР ДЛЯ ПРИМЕНЕНИЯ НА Ж. Д., 3 ПОЛ., AC-3, 15КВТ/400В, БЛОК-КОНТАКТЫ 1НО+1НЗ, AC (40-60ГЦ)/DC-OPERATED, UC 24В, 0,7...1,25*US, С ВАРИСТОРОМ, 3-ПОЛ. ТИПОРАЗМЕР S0, ПРУЖ. КЛЕММЫ | 231.15 |
| 3RT2027-2XF40-0LA2 | 41B | КОНТАКТОР ДЛЯ ПРИМЕНЕНИЯ НА Ж. Д., 3 ПОЛ., AC-3, 15КВТ/400В, БЛОК-КОНТАКТЫ 1НО+1НЗ, AC (40-60ГЦ)/DC-OPERATED, UC 110V, 0,7...1,25*US, С ВАРИСТОРОМ, 3-ПОЛ. ТИПОРАЗМЕР S0, ПРУЖ. КЛЕММЫ | 231.15 |
| 3RT2027-2XG40-0LA2 | 41B | CONT. F. RAILW. A., 3 ПОЛ., AC-3, 15KW/400V, 1S+1OE, AC (40-60HZ)/DC-OPERATED, UC 125V, 0,7...1,25*US, W. VARISTOR INTEGRATED, 3-ПОЛ. SIZE S0, SPRING-TYPE TERM. | 231.15 |
| 3RT2027-4KB40 | 41B | COUPLING RELAY, 3 ПОЛ., AC-3, 15KW/400V, 1NO+1NC, DC 24V, W. PLUGGED-IN VARISTOR ТИПОРАЗМЕР S0 RING CABLE LUG CONNECTION | 180.55 |
| 3RT2027-4XB40-0LA2 | 41B | CONT. F. RAILW. A., 3 ПОЛ., AC-3, 15KW/400V, 1NO+1NC, AC (40-60HZ)/DC-OPERATED, UC 24V, 0,7...1,25*US, M. VARISTOR INTEGRATED, 3-ПОЛ. SIZE S0, RING LUG TERMINAL | 236.90 |
| 3RT2028-2XB40-0LA2 | 41B | КОНТАКТОР ДЛЯ ПРИМЕНЕНИЯ НА Ж. Д., 3 ПОЛ., AC-3, 18.5КВТ/400В, БЛОК-КОНТАКТЫ 1НО+1НЗ, AC (40-60ГЦ)/DC-OPERATED, UC 24В, 0,7...1,25*US, С ВАРИСТОРОМ, 3-ПОЛ. ТИПОРАЗМЕР S0, ПРУЖ. КЛЕММЫ | 253.00 |
| 3RT2028-2XF40-0LA2 | 41B | КОНТАКТОР ДЛЯ ПРИМЕНЕНИЯ НА Ж. Д., 3 ПОЛ., AC-3, 18.5КВТ/400В, БЛОК-КОНТАКТЫ 1НО+1НЗ, AC (40-60ГЦ)/DC-OPERATED, UC 110V, 0,7...1,25*US, С ВАРИСТОРОМ, 3-ПОЛ. ТИПОРАЗМЕР S0, ПРУЖ. КЛЕММЫ | 253.00 |
| 3RT2028-2XG40-0LA2 | 41B | CONT. F. RAILW. A., 3 ПОЛ., AC-3, 18.5KW/400V, 1S+1OE, AC (40-60HZ)/DC-OPERATED, UC 125V, 0,7...1,25*US, W. VARISTOR INTEGRATED, 3-ПОЛ. SIZE S0, SPRING-TYPE TERM. | 253.00 |
| 3RT2028-4XB40-0LA2 | 41B | SCHUETZ FUER BAHN, 3 ПОЛ., AC-3, 18,5KW/400V, 1S+1OE, AC (40-60HZ)/DC-BETAETIGT, UC 24V, 0,7...1,25*US, M. VARISTOR INTEGRIERT, 3POL BGR. S0, FEDERZUGANSCHLUSS | 259.90 |