0

Разделы

Комбинации безопасности со вспом.контакторами - Комбинации безопасности SIGUARD

Комбинации безопасности со вспом.контакторами - Комбинации безопасности SIGUARD

Загрузить PDF-файл.

Для просмотра информации в формате PDF необходимо установить Adobe Acrobat Reader.
Adobe Acrobat Reader

Электронные комбинации безопасности 3TK28 5  с вспомогательными контакторами для Аварийной Остановки (EMERGENCY STOP) и защитных дверей

  • Базовый блок 
    • с 3 разрешающими цепями 
    • с 2 разрешающими цепями и 1 сигнальной цепью
    • с 6 разрешающими цепями и 1 сигнальной цепью
    • с 4 разрешающими цепями (из которых 3 плавающие и 1 полупроводниковая)
  • Модули расширения с 1 разрешающей цепью (электронной) и 1 сигнальной цепью
  • Модули расширения, тип tv, с 4 разрешающими цепями (из которых 3 плавающие и с задержкой на отключение и  1 полупроводниковая)

Дизайн [PDF]

Загрузить PDF-файл.

Для просмотра информации в формате PDF необходимо установить Adobe Acrobat Reader.
Adobe Acrobat Reader

Дизайн

Полупроводниковые реле безопасности могут быть использованы в устройствах Аварийной Остановки (EMERGENCY-STOP) по EN 418 и в цепях безопасности по EN 60204-1 (11.98), например, для перемещения покрытий и защитных дверей. Может быть достигнута категория 4 в соответствии с EN 954-1 или SIL 3 в соответствии с IEC 61508, в зависимости от устройств и внешних цепей. 

С этими устройствами полупроводниковые реле безопасности могут соединяться с вспомогательными контакторами.

Комбинации поставляются как отдельные полностью собранные и проверенные устройства, для установки на стандартной монтажной рейке. Эти устройства объединяют преимущества полупроводниковых реле безопасности и вспомогательных контакторов с позитивными контактами  в отдельном сигнальном устройстве. Они были сертифицированы как комплектное устройство.

Базовые устройства, Категория 3

Полупроводниковые реле безопасности 3TK28 50, 51 и 52 имеют два вспомогательных контактора, защелкнутых на полупроводниковом устройстве как съемные коммутирующие блоки. Три светодиодных индикатора для отображения рабочего состояния и функций. В процессе работы все внутренние элементы цепей циклически контролируются на наличие неисправностей. В зависимости от внешних цепей достигаемая категория безопасности до Категории 3 согласно EN 954-1

Базовые устройства, Категория 4

Полупроводниковые реле безопасности 3TK28 53 имеют два вспомогательных контактора, защелкнутых на полупроводниковом устройстве как съемные коммутирующие блоки, так же как безопасные полупроводниковые выходы, безопасный вход  для каскадирования  и один вход для нормальных условий коммутации. Три светодиодных индикатора для отображения рабочего состояния и функций.

В течение запуска устройство проводит контроль своей внутренней электроники на предмет правильного функционирования.

В течение работы все внутренние элементы цепей  циклически контролируются на наличие неисправностей.

Безопасные полупроводниковые выходы (клеммник 2) могут быть использованы для коммутации блоков расширения, а именно  3TK28 30, 3TK28 56/57 и 3RA711, 12, 13, 14, а также внешних приводов или нагрузок. Каскадирование с комбинациями безопасности  3TK284 1/42/45/53  как и с фидерами нагрузки 3RA711 так же возможный вариант использования безопасных полупроводниковых выходов (клеммник  2).

Установка

Устройства предназначены для установки на стандартную 35 мм монтажную рейку согласно EN 50022. Крепление винтами также возможно для устройств посредством двух дополнительных принадлежностей 3RP19 03.

 

Функции

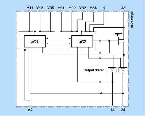
Электроника (использование примера с 3TK28 41)

  • Внутренние цепи конфигурируются с избыточностью и разнообразием. Процессоры постоянно контролируют друг друга.
  • Драйверы выходов также избыточны и разнообразны. Они циклически самопроверяются.
  • Все сигналы датчиков постоянно проверяются. Это позволяет обнаруживать неисправности  датчиков, проводов (цепей обмена данными) и т.д. 
  • Полевой транзистор (FET) коммутирует оба процессора. Выход может быть активирован мгновенно одним из этих двух процессоров. Только затем напряжение источника питания подается от зажима A1 на выходные зажимы 14 + 24.
  • Все полупроводниковые коммутаторы (FET + драйвер выхода) постоянно проверяются процессорами.
  • Требуемые функциональные возможности (1-канальные или 2-канальные ) контролируют пуск или автозапуск, Аварийную остановку (EMERGENCY-STOP), защитные двери и каскадирование, устанaвливаемые посредством штекеров на соединительных зажимах.

 

Функции [PDF]

Загрузить PDF-файл.

Для просмотра информации в формате PDF необходимо установить Adobe Acrobat Reader.
Adobe Acrobat Reader

Технические данные [PDF]

Загрузить PDF-файл.

Для просмотра информации в формате PDF необходимо установить Adobe Acrobat Reader.
Adobe Acrobat Reader

Технические данные

Дополнительную информацию Вы можете получить, нажав кнопку с этим символом.

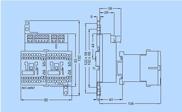
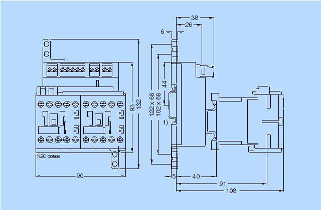
Чертеж

3TK28 с разрешающими контактами, с разрешающими контактами вспомогательного контактора 

3TK28 50, 3TK28 51, 3TK28 53, 3TK28 57 с винтовым подключением

3TK28 50, 3TK28 51, 3TK28 53, 3TK28 57 с пружинными зажимами

3TK28 52, 3TK28 56 с винтовыми зажимами

3TK28 52, 3TK28 56 с пружинными зажимами

 

Заказные данные

Заказной №ОписаниеВес (кг)ДоставкаМин. зак. (шт)
3TK2850-1AJ20SIGUARD БЕЗОПАСНЫЕ КОНТАКТОРНЫЕ КОМБИНАЦИИ ЭЛЕКТРОННЫЕ СО ВСПОМОГАТЕЛЬНЫМИ КОНТАКТОРАМИ ОСНОВНОЕ УСТРОЙСТВО 90 MM 3РК БЕЗ ЗАДЕРЖКИ ВИНТОВЫЕ ЗАЖИМЫ, 115 V AC0.7654 - 6 недель (B)1
3TK2850-1AL20SIGUARD БЕЗОПАСНЫЕ КОНТАКТОРНЫЕ КОМБИНАЦИИ ЭЛЕКТРОННЫЕ СО ВСПОМОГАТЕЛЬНЫМИ КОНТАКТОРАМИ ОСНОВНОЕ УСТРОЙСТВО 90 MM 3РК БЕЗ ЗАДЕРЖКИ ВИНТОВЫЕ ЗАЖИМЫ, 230 V AC0.774 - 6 недель (B)1
3TK2850-1BB40SIGUARD БЕЗОПАСНЫЕ КОНТАКТОРНЫЕ КОМБИНАЦИИ ЭЛЕКТРОННЫЕ СО ВСПОМОГАТЕЛЬНЫМИ КОНТАКТОРАМИ ОСНОВНОЕ УСТРОЙСТВО 90 MM 3РК БЕЗ ЗАДЕРЖКИ ВИНТОВЫЕ ЗАЖИМЫ, 24 V DC0.8193 - 5 недель (A)1
3TK2850-2AJ20SIGUARD БЕЗОПАСНЫЕ КОНТАКТОРНЫЕ КОМБИНАЦИИ ЭЛЕКТРОННЫЕ СО ВСПОМОГАТЕЛЬНЫМИ КОНТАКТОРАМИ ОСНОВНОЕ УСТРОЙСТВО 90 MM 3РК БЕЗ ЗАДЕРЖКИ CAGE CLAMP ЗАЖИМЫ 115 V AC0.654 - 6 недель (B)1
3TK2850-2AL20SIGUARD БЕЗОПАСНЫЕ КОНТАКТОРНЫЕ КОМБИНАЦИИ ЭЛЕКТРОННЫЕ СО ВСПОМОГАТЕЛЬНЫМИ КОНТАКТОРАМИ ОСНОВНОЕ УСТРОЙСТВО 90 MM 3РК БЕЗ ЗАДЕРЖКИ CAGE CLAMP ЗАЖИМЫ 230 V AC0.7614 - 6 недель (B)1
3TK2850-2BB40SIGUARD БЕЗОПАСНЫЕ КОНТАКТОРНЫЕ КОМБИНАЦИИ ЭЛЕКТРОННЫЕ СО ВСПОМОГАТЕЛЬНЫМИ КОНТАКТОРАМИ ОСНОВНОЕ УСТРОЙСТВО 90 MM 3РК БЕЗ ЗАДЕРЖКИ CAGE CLAMP ЗАЖИМЫ 24 V DC0.824 - 6 недель (B)1
3TK2851-1AJ20SIGUARD БЕЗОПАСНЫЕ КОНТАКТОРНЫЕ КОМБИНАЦИИ ЭЛЕКТРОННЫЕ СО ВСПОМОГАТЕЛЬНЫМИ КОНТАКТОРАМИ ОСНОВНОЕ УСТРОЙСТВО 90 MM 2 РАЗРЕШ. КОНТАКТА БЕЗ ЗАДЕРЖКИ, 1СK ВИНТОВЫЕ ЗАЖИМЫ, 115 V AC0.774 - 6 недель (B)1
3TK2851-1AL20SIGUARD БЕЗОПАСНЫЕ КОНТАКТОРНЫЕ КОМБИНАЦИИ ЭЛЕКТРОННЫЕ СО ВСПОМОГАТЕЛЬНЫМИ КОНТАКТОРАМИ ОСНОВНОЕ УСТРОЙСТВО 90 MM 2 РАЗРЕШ. КОНТАКТА БЕЗ ЗАДЕРЖКИ, 1СK ВИНТОВЫЕ ЗАЖИМЫ, 230 V AC0.7674 - 6 недель (B)1
3TK2851-1BB40SIGUARD БЕЗОПАСНЫЕ КОНТАКТОРНЫЕ КОМБИНАЦИИ ЭЛЕКТРОННЫЕ СО ВСПОМОГАТЕЛЬНЫМИ КОНТАКТОРАМИ ОСНОВНОЕ УСТРОЙСТВО 90 MM 2 РАЗРЕШ. КОНТАКТА БЕЗ ЗАДЕРЖКИ, 1СK ВИНТОВЫЕ ЗАЖИМЫ, 24 V DC0.8214 - 6 недель (B)1
3TK2851-2AJ20SIGUARD БЕЗОПАСНЫЕ КОНТАКТОРНЫЕ КОМБИНАЦИИ ЭЛЕКТРОННЫЕ СО ВСПОМОГАТЕЛЬНЫМИ КОНТАКТОРАМИ ОСНОВНОЕ УСТРОЙСТВО 90 MM 2 РАЗРЕШ. КОНТАКТА БЕЗ ЗАДЕРЖКИ, 1СK CAGE CLAMP ЗАЖИМЫ 115 V AC0.654 - 6 недель (B)1
3TK2851-2AL20SIGUARD БЕЗОПАСНЫЕ КОНТАКТОРНЫЕ КОМБИНАЦИИ ЭЛЕКТРОННЫЕ СО ВСПОМОГАТЕЛЬНЫМИ КОНТАКТОРАМИ ОСНОВНОЕ УСТРОЙСТВО 90 MM 2 РАЗРЕШ. КОНТАКТА БЕЗ ЗАДЕРЖКИ, 1СK CAGE CLAMP ЗАЖИМЫ 230 V AC0.7684 - 6 недель (B)1
3TK2851-2BB40SIGUARD БЕЗОПАСНЫЕ КОНТАКТОРНЫЕ КОМБИНАЦИИ ЭЛЕКТРОННЫЕ СО ВСПОМОГАТЕЛЬНЫМИ КОНТАКТОРАМИ ОСНОВНОЕ УСТРОЙСТВО 90 MM 2 РАЗРЕШ. КОНТАКТА БЕЗ ЗАДЕРЖКИ, 1СK CAGE CLAMP ЗАЖИМЫ 24 V DC0.654 - 6 недель (B)1
3TK2852-1AL20SIGUARD БЕЗОПАСНЫЕ КОНТАКТОРНЫЕ КОМБИНАЦИИ ЭЛЕКТРОННЫЕ СО ВСПОМОГАТЕЛЬНЫМИ КОНТАКТОРАМИ ОСНОВНОЕ УСТРОЙСТВО 90 MM 6РK БЕЗ ЗАДЕРЖКИ, 1СK ВИНТОВЫЕ ЗАЖИМЫ, 230 V AC0.874 - 6 недель (B)1
3TK2852-1BB40SIGUARD БЕЗОПАСНЫЕ КОНТАКТОРНЫЕ КОМБИНАЦИИ ЭЛЕКТРОННЫЕ СО ВСПОМОГАТЕЛЬНЫМИ КОНТАКТОРАМИ ОСНОВНОЕ УСТРОЙСТВО 90 MM 6РK БЕЗ ЗАДЕРЖКИ, 1СK ВИНТОВЫЕ ЗАЖИМЫ, 24 V DC0.9193 - 5 недель (A)1
3TK2852-2AL20SIGUARD БЕЗОПАСНЫЕ КОНТАКТОРНЫЕ КОМБИНАЦИИ ЭЛЕКТРОННЫЕ СО ВСПОМОГАТЕЛЬНЫМИ КОНТАКТОРАМИ ОСНОВНОЕ УСТРОЙСТВО 90 MM 6РK БЕЗ ЗАДЕРЖКИ, 1СK CAGE CLAMP ЗАЖИМЫ 230 V AC0.8784 - 6 недель (B)1
3TK2852-2BB40SIGUARD БЕЗОПАСНЫЕ КОНТАКТОРНЫЕ КОМБИНАЦИИ ЭЛЕКТРОННЫЕ СО ВСПОМОГАТЕЛЬНЫМИ КОНТАКТОРАМИ ОСНОВНОЕ УСТРОЙСТВО 90 MM 6РK БЕЗ ЗАДЕРЖКИ, 1СK CAGE CLAMP ЗАЖИМЫ 24 V DC0.9354 - 6 недель (B)1
3TK2853-1BB40SIGUARD БЕЗОПАСНЫЕ КОНТАКТОРНЫЕ КОМБИНАЦИИ ЭЛЕКТРОННЫЕ СО ВСПОМОГАТЕЛЬНЫМИ КОНТАКТОРАМИ ОСНОВНОЕ УСТРОЙСТВО 90 MM 3РК БЕЗ ЗАДЕРЖКИ, 1РК ЭЛЕКТРОННОЕ ВИНТОВЫЕ ЗАЖИМЫ, 24 V DC0.7143 - 5 недель (A)1
3TK2853-2BB40SIGUARD БЕЗОПАСНЫЕ КОНТАКТОРНЫЕ КОМБИНАЦИИ ЭЛЕКТРОННЫЕ СО ВСПОМОГАТЕЛЬНЫМИ КОНТАКТОРАМИ ОСНОВНОЕ УСТРОЙСТВО 90 MM 3РК БЕЗ ЗАДЕРЖКИ, 1РК ЭЛЕКТРОННОЕ CAGE CLAMP ЗАЖИМЫ 24 V DC0.7054 - 6 недель (B)1
3TK2856-1BB40SIGUARD БЕЗОПАСНЫЕ КОНТАКТОРНЫЕ КОМБИНАЦИИ ЭЛЕКТРОННЫЕ СО ВСПОМОГАТЕЛЬНЫМИ КОНТАКТОРАМИ УСТРОЙСТВО РАСШИРЕНИЯ 90 MM 6РK UNVERZ 1MK, 1РК ЭЛЕКТРОННОЕ ВИНТОВЫЕ ЗАЖИМЫ, 24 V DC0.7854 - 6 недель (B)1
3TK2856-2BB40SIGUARD БЕЗОПАСНЫЕ КОНТАКТОРНЫЕ КОМБИНАЦИИ ЭЛЕКТРОННЫЕ СО ВСПОМОГАТЕЛЬНЫМИ КОНТАКТОРАМИ УСТРОЙСТВО РАСШИРЕНИЯ 90 MM 6РK UNVERZ 1MK, 1РК ЭЛЕКТРОННОЕ CAGE CLAMP ЗАЖИМЫ 24 V DC0.754 - 6 недель (B)1
3TK2857-1BB41SIGUARD БЕЗОПАСНЫЕ КОНТАКТОРНЫЕ КОМБИНАЦИИ ЭЛЕКТРОННЫЕ СО ВСПОМОГАТЕЛЬНЫМИ КОНТАКТОРАМИ УСТРОЙСТВО РАСШИРЕНИЯ 90 MM 3РК VERZ. 1РК ЭЛЕКТРОННОЕ ВИНТОВЫЕ ЗАЖИМЫ, 24 V DC, С ЗАДЕРЖКОЙ ОТКЛ.=3 SEC.0.6824 - 6 недель (B)1
3TK2857-1BB42SIGUARD БЕЗОПАСНЫЕ КОНТАКТОРНЫЕ КОМБИНАЦИИ ЭЛЕКТРОННЫЕ СО ВСПОМОГАТЕЛЬНЫМИ КОНТАКТОРАМИ УСТРОЙСТВО РАСШИРЕНИЯ 90 MM 3РК VERZ. 1РК ЭЛЕКТРОННОЕ ВИНТОВЫЕ ЗАЖИМЫ, 24 V DC, С ЗАДЕРЖКОЙ ОТКЛ.=30 SEC.0.6794 - 6 недель (B)1
3TK2857-1BB44SIRIUS SAFETY RELAY WITH AUX. CONT. RELEASE CIRCUIT (RC), DC 24V, 90.0MM, SCREW CONNECTION, RC INSTAN.: 0, RC DELA.: 3S 5...300, MK: 0, ADD-ON UNIT, MAX. CAT. EN954-1: AS GG, MAX. SIL TO IEC61508: 3,0.6844 - 6 недель (B)1
3TK2857-2BB41SIGUARD БЕЗОПАСНЫЕ КОНТАКТОРНЫЕ КОМБИНАЦИИ ЭЛЕКТРОННЫЕ СО ВСПОМОГАТЕЛЬНЫМИ КОНТАКТОРАМИ УСТРОЙСТВО РАСШИРЕНИЯ 90 MM 3РК VERZ. 1РК ЭЛЕКТРОННОЕ CAGE CLAMP ЗАЖИМЫ 24 V DC, С ЗАДЕРЖКОЙ ОТКЛ.=3 SEC.0.654 - 6 недель (B)1
3TK2857-2BB42SIGUARD БЕЗОПАСНЫЕ КОНТАКТОРНЫЕ КОМБИНАЦИИ ЭЛЕКТРОННЫЕ СО ВСПОМОГАТЕЛЬНЫМИ КОНТАКТОРАМИ УСТРОЙСТВО РАСШИРЕНИЯ 90 MM 3РК VERZ. 1РК ЭЛЕКТРОННОЕ CAGE CLAMP ЗАЖИМЫ 24 V DC, С ЗАДЕРЖКОЙ ОТКЛ.=30 SEC.0.6774 - 6 недель (B)1
3TK2857-2BB44SIRIUS SAFETY RELAY WITH AUX. CONTACTOR RELEASE CIRCUIT (R.C.) 24V DC, 90.0MM, SPRING-LOADED TERMINAL, RC INSTANT.: 0, RC DELAYED: 3NO 5...300, S.C.: 0, EXPANSION UNIT, MAX.CAT. EN954-1:AS BASIC UNIT, MAX.SIL TO IEC61508: 3,0.6844 - 6 недель (B)1

Аксессуары

Заказной №ОписаниеВес (кг)ДоставкаМин. зак. (шт)
8WA2803ОТВЕРТКА ДЛИННАЯ ЗЕЛЕНАЯ 3,5Х0,50.0246 - 8 недель (C)1
8WA2880ОТВЕРТКА ДЛИННАЯ ЧАСТИЧНО ИЗОЛИРОВАННАЯ ЗЕЛЕНАЯ 3,5X0,50.0346 - 8 недель (C)1