0

Кольцевые счётчики SITRANS F R - Расходомеры

Кольцевые счётчики SITRANS F R - Расходомеры

Кольцевой счетчик DN 15 (½“) с простым стелочным механизмом типа 01, без дополнительных модулей

Кольцевой счетчик DN 25 (1“) с двойным стрелочным механизмом типа 13 без дополнительнх модулей

Кольцевой счетчик DN 50 (2“) с двойным стрелочным механизмом типа 01, сдополнительны модулем (здесь теплоизоляционная вставка и импульсный датчик) 

Кольцевой счетчик DN 80 (3“) с простым стелочным механизмом типа 01, с дополнительным модулем (здесь импульсный датчик) 

Кислостойкий кольцевой счетчик DN 25 (1“) с двойным стрелочным механизмом типа 01, без дополнительных модулей

Дозатор DN 50 (2“), состоящий из кольцевого счетчика, установочного механизма подачи и запорного вентиля

Особенности

  • высокая точность измерения (допуск для использования в коммерческом учете)
  • для расходов до 1000л/мин
  • большой диапазон расходов
  • небольшая зависимость от вязкости
  • малая потеря давления
  • простая, компактная конструкция
  • высокая эксплуатационная безопасность
  • преимущества при очень высокой вязкости, так как допускается потеря давления до 3 бар
  • преимущества при очень низкой вязкости (например, сжиженный газ), т.к. благодаря легким компонентам измерительного механизма с хорошими антифрикционными свойствами возникает лишь небольшая потеря давления
  • широкое предложение материалов, например, внутреннее покрытие для особенно агрессивных измеряемых веществ
  • легкий сервис, т.е. простая конструкция
  • температуры измеряемого вещества до 300 °C
  • поставляется с внешним подогревом
  • измерение и дозировка без внешнего питания
  • не требуется входных и выходных участков
  • независимость от профиля протока, от проводимоси и демпфирования

Кольцевые счётчики характеризуются:

  • Точностью
  • Надёжостью
  • Прочной конструкцией 

Область применения

Для использования в замкнутом цикле жидкости при рабочих давлениях до PN 63 и температуре изм. вещества до макс. 300 °C.

  • для всех жидких измеряемых веществ от смазочных масел до агрессивных кислот, вязкость ≤ 0,2 mPa · s (ср), а также для пастообразных вязкотекучих измеряемых веществ (например оффсетные краски с 350 000 mPa · s (ср))
  • для измерений, при которых точность измерения требуется в сферах, регулируемых законодательством.

Предпосылкой для точного измерения является однородность измеряемого вещества без грубых механических загрязнений и без примесей газов.

Кольцевые счетчики применяются в основном в промышленности минеральных масел, промышленности основных материалов, в химической промышленности, в пищевой и вкусовой промышленности, а также на электростанциях и в котельных, а именно:

В стандартном исполнении (измерительный механизм и устройство индикации) для измерения количеств при производстве, распределении и расходе жидкостей

  • С установочным механизмом количества и механическим запорням вентилем в качестве дозатора без внешнего питания
  • С дополнительными модулями (импульсный датчик и т.д.) для измерения расхода, дистанционного подсчета и цифровой обработки измеряемой величины

Они могут дооснащаться в зависимости от диапазона протока, но кроме этого предоставляют также специфические преимущества, которые определяются требованиями к определенным случаям использования.

Кольцевые счётчики сертифицированы в ЕС и многих других странах

Кольцевые счётчики

Кольцевые счётчики

Промышленная конструкция
DN 15 (½") и DN 25 (1")

Промышленная конструкция
DN 50 (2") и DN 80 (3")

Кислостойкая конструкция

Кольцевой счётчик с механическим запорным вентилем

 

 

 

 

Для промышленных жидкостей, например: спирта, битума, дисперсий, красок, смазок, сжиженных газов, клея, лаков, щелочей, растворителей, минеральных масел, кислот и т.д.

Для промышленных жидкостей, например: спирта, битума, дисперсий, красок, смазок, сжиженных газов, клея, лаков, щелочей, растворителей, минеральных масел, кислот и т.д.

Для особо агрессивных жидкостей, например: фосфорной кислоты, соляной кислоты, серной кислоты в низких концентрациях и т.д.

Для промышленных жидкостей, например: спирта, битума, дисперсий, красок, смазок, сжиженных газов, клея, лаков, щелочей, растворителей, минеральных масел, кислот и т.д.

Ном. расход

Диа-метр

DN

Заказной номер

Стр.

Ном. расход

Диа-метр

DN

Заказной номер

Стр.

Ном. расход

Диа-метр

DN

Заказной номер

Стр.

Ном. расход

Диа-метр

DN

Заказной номер

 

Стр.

л/мин (USgpm)

мм

(дюйм)

 

 

л/мин(USgpm)

мм(inch)

 

 

л/мин (USgpm)

мм

(дюйм)

 

 

л/мин (USgpm)

мм

(дюйм)

 

 

20 (5.3)

15 (½")

7MR1020 7MR1030

 

500 (132)

50 (2")

7MR1410 7MR1420 7MR1430 7MR1440

 

100 (26)

25 (1)

7MR1111

 

100 (26)

25 (1)

7MR1112 7MR1113

 

100 (26.4)

25 (1")

7MR1110 7MR1120 7MR1130 7MR1140

 

1000 (264)

80 (3")

7MR1610 7MR1620 7MR1630 7MR1640

 

 

 

 

 

500 (132)

50 (2)

7MR1412 7MR1413

 


 

Дизайн

Измерительный механизм кольцевого счетчика DN 25/PN 10 (промышленная конструкция)

При ступенях номинального давления PN 25, PN 40 и PN 63 измерительная камера вставлена в корпус. У счетчиков для PN 4, PN 6, PN 10 и PN 16 измерительная камера вставлена в нижнюю часть корпуса.

Все детали счетчика изготовлены из износостойких материалов. Для деталей, соприкасающихся с продуктом измерения, имеется множество материалов на выбор (см. Заказные параметры). С учетом стойкости к коррозии по отношению к измеряемому веществу, а также антифирикционных свойств и допустимых температур можно выбрать наиболее подходящую комбинацию; см. обзор на стр. 3/282.

Возможные комбинации кольцевых счетчиков и дозаторов с механизмами индикации и установки количества, дополнительными модулями и измерительными механизмами

Прикладные примеры для дистанционного подсчета и измерения расхода

Функции

Принципы измерения

Для измерения текущих жидкостей фиксируется либо объем V за определенное время t, либо вычисляется моментальный проток q в единицу времени.

Между данными величинами меется соотношение V = q ⋅ t.

В соответствии с этими двумя принципами измерения различают:

  • прямые счетчики объема, также называемые счетчиками вытеснения (positive displacement meter). К ним относятся кольцевые счетчики.
  • косвенные счетчики объема как то, например, измерители скорости, у которых скорость притока v в соответствии с соотношением q = v · F является прямой мерой для протока q при данном поперечном сечении F. К ним относятся, например, магнитно-индуктивные расходомеры и расходомеры, рабатающие по методу измерения перепада давления.

Кольцевые счетчики являются прямыми счетчиками объема. Они работают по вытиснительному принципу. Их работа основывается на последовательном ограничении определенных частичных объемов количественного протока в измерительном механизме благодаря последовательному наполнению и опорожнению измерительного пространства. Оно состоит из стенок измерительных камер и подвижной части, кольцевого поршня.

Кольцевой поршень приводится в движение разницей давления между стороной входа и выхода измеряемого вещества. Счетчики принципиально являются чисто механическими, работающими без внешнего питания приборами.

Двойной Т-образный в поперечном сечении кольцевой поршень (6) направляется своими поршневыми или напраляющими цапфами (3) в кольцевой камере на дне измерительной камеры и кроме этого своим шлицом на разделительной стенке (1).

На обеих сторонах стенки находятся входное (2) и выходное (7) отверстия. Они постоянно герметичны благодаря кольцевому поршню и разделительной стенке.

Втекающее измеряемое вещество наполняет серповидные пространства, хочет их увеличить и вращает при этом кольцевой поршень, пока друг за другом не достигаются объемы V1 и V2. При последующем движении поршня это заполненное пространство соединяется с выходом и опорожняется. Так как оба серповидных пространства - внутреннее и внешнее - смешены друг по отношению к другу, при движении поршня не возникает мертвой точки. Поршень далее двигается постоянно в соответствии с протоком измеряемого вещества.

Вращательное движение поршневой цапфы фиксируются поводком и передаются безсальниковым соединением (только промышленная конструкция) через постоянную электромагнитную муфту на механизм индикации. Оборот поршневой цапфы соответствует проходу содержания измерительной камеры (V1+V2). Встроенный редуктор уменьшает обороты до десятичной величины, например 10 л, 100 л, 1 м3 или галлоны.

Процесс измерения в кольцевом счетчике

Конфигурация

Планирование измерительной установки кол-ва жидкости

Для планирования установки измерения количества сначала необходимо определить рабочие и измерительно-технические требования:

  • цель использования установки, например, эксплуатационный контроль, техническое регулирование, управление процессом, или измерения для расчета
  • обозначение, состав и вязкость измеряемого вещества; проток, рабочее давление и рабочая температура
  • наибольшее и наименьшее измеряемое количество
  • расстояние между резервуарами для харанения, местом измерения и местом ограничения количества.

 

Цель использования установки

Из этого следуют способы эксплуатации, как то непрерывный режим или периодический режим.

  • Непрерывный режим
    Расход измеряемого вещества зависит от потребности жидкости производственной установкой. Примером является измерения протока топлива в установке для сжигания топлива. Решающее значение имеет достижение определенной теплопроизводительности. Измеряемые величины служат для производственного контроля или используются как служебные величины в регулировочной установке.
  • Периодический режим
    До 4 часов ежедневно или 1500 часов в год при заранее известном количестве измеряемого вещества, при измерениях для расчета, например, по объему транспортировочного резервуара; в технологии производственных процессов, например, при дозировке растворителей для изготовления лаков, через рецептуру. Измерение таким образом определяет ход процесса.

В соответствии с целью использования установки определяется конструкция используемого счетчика объема и конструкция измерительной установки.

  • Конструкция и размер счетчика объема необходимо также определить уже в начале планирования. В дальнейшем мы более подробно остановимся на их основных связях с изготовлением установок.

У установок с непрерывным режимом размер объема чисел в общем задан большим, поэтому механизмы индикации для этого режима работы могут быть более простыми.

Также и при изготовлении установок при непрерывном режиме действуют определенные льготные условия. Так при этом не нужно беспокоится о проблеме ограничения количества, что имеет место в установках с периодическим режимом. В последних установках самой важной предпосылкой для точности измерения является надежное отделение оставшегося в измерительной
установке измеряемого вещества от измеряемого количества -ограничение количества.

Расстояния между резервуарами для хранения, местом измерения и местом ограничения количества

В большинстве случаев определяются через неизменные местные условия и принимаются как данность. Здесь часто приходится искать средства, которые помогают найти приемлимый компромис между промышленным оборудованием и эксплуатационной ситуацией.

Конструкция установки измерения количества жидкости

Установка измерения количества жидкости может состоять из:

  • Фильра
  • газоуловителя 
  • счетчик объема 

Как и фильтр с газоуловителем, так счетчик должен быть установлен в трубопровод таким образом, чтобы он всегда оставался заполненным жидкостью. Тем самым предотвращаются ошибки измерения и коррозия из-за попадания воздуха.

  • Кольцевой счетчик
    Данные счетчики объема в основной конструкции состоят из измерительного механизма и механизма индикации. Они оба собраны в один блок. Измерительный механизм выбирается в соответствии с условиями эксплуатации. Для выбора механизма индикации решающими являются формы, в которых должны быть представлены измеряемые величины. Возможные дополнительные усройства определяются в соотвествии с целями использования измерительной установки.
  • Измерительный механизм
    При определении условного прохода счетчика решающую роль играют требуемый для эксплуатации установки проток, вязкость измеряемого вещества и допустимая потеря давления в счетчике. Эти три величины зависят друг от друга. При выборе условного прохода счетчика они должны учитываться совместно и в случае необходимости согласованы друг с другом. При выборе не нужно ориентироваться на условный проход имеющегося трубопровода.
    Для выбора материалов решающим является вид и температура измеряемого вещества.
  • Механизмы индикации
    В качестве механизмов индикации поставляются стрелочные механизмы, валиковые счетные механизмы (с или без
    печатающего устройства) и механизмы установки количеств. Они могут комбинироваться со всеми измерительными механизмами (за исключением малых счетчиков для минеральных масел).
    Кроме этих механизмов индикации имеются также специальные конструкции. Но они всегда являются по конструкции единым блоком с определенным измерительным механизмом, например, ручные счетчики для смазочных масел и других измеряемых веществ.
  • Дополнительные модули
    С помощью дополнительных модулей можно расширить сферу применения кольцевых счетчиков. например, поставляются:
    • электрические датчики для дистанционного счета,
    • электрические и электронные приборы для измерения протока,
    • изоляционные вставки.

Все измерительные механизмы, механизмы индикации и дополнительные приборы сконструированы по модульному принципу, т.е. имеют одинаковые соединительные фланцы.

Отсечные клапаны

С помощью этих приборов - вентилей, заслонок, кранов и т.п. - осуществляется прерывание протока в том случае, если заполнено количество, необходимое для задачи измерения.

Во избежание гидравлических ударов (ударов жидкости) и больших инерционных выбегов, необходимо перед окончательной отсечкой осуществлять постоянное или поступенчатое дросселирование. Наш установочный механизм количества с механическим запорным вентилем работает с четырьмя ступенями отключения (ср. стр. 3/332).

С помощью установочного механизма количества могут управляться также и отдельно установленные пневматические или электрические запорные вентили. Управление в этом случае осуществляется через пневматический или электрический сигнальный датчик на установленном расходомере.

Ограничение количества

После прохождения измерительной установки измеряемое вещество попадает либо в потребляющее устройство, либо в резервуар для дальнейшей транспортировки. Место перехода из измерительной установки является важной с измерительно- технической точки зрения, его называют ограничителем количества. Для достижения точных измерений измерительная установка - от газоуловителя до ограничителя количества - должна быть постоянно заполнена измеряемым веществом. В зависимости от позиции ограничителя количества различаются:

  • установки с опорожнением трубопроводов
  • установки с заполненными трубопроводами.

Наименьшие количества выдачи и величина

При планировании измерительных установок для периодического режима важно предусмотреть “наименьшее количество выдачи”, которое может быть измерено и показано выбранным механизмом индикации с достаточной точностью. В качестве рекомендаций действуют предписания для стандартизированных измерительных установок:

Наименьшим количеством выдачи является наименьшее количество, которое может быть измерено за один рабочий такт с допустимой погрешностью измерения.

Оно также зависит от величины обращения наиболее быстро двигающегося элемента механизма индикации. Величина обращения соответствует тому количеству, которая показывается за один полный цикл этого элемента (стрелка или счетный валик).

В общем и целом наименьшие количества выдачи имеют следующее соотношение к величинам обращения:

  • у стрелочного механизма тип 01: 1 x величина обращения.
  • у остальных стрелочных механизмов: 0,5 x величинаобращения. 
  • у всех валиковых счетных мех-ов: 1 x величина обращения.

К каждому условному проходу отдельных конструкций счетчиков относятся определенные величины обращения или определенные величины наименьшего количества выдачи.Эти величины выбираются таким образом, что с их помощью почти всегда можно найти оптимальные решения для задач измерения.Если при планировании установки выяснится, что с указанной в каталоге величиной обращения получаемое наименьшее количество выдачи не соответсвует эксплуатационным требованиям, просьба направить нам запрос.

 

Вязкость, плотность

Вязкость в физической системе мер

Вязкость является мерой внутреннего трения жидкости. Различаются динамическая и кинематическая вязкость. Для использования счетчиков объема решающую роль играет динамическая вязкость. Обычные вискозиметры вычисляют кинематическую вязкость. Из неё можно получить динамическую вязкость следующим образом:

Динамическая вязкость

= кинематическая вязкость

x плотность

1 mPa·s

= 1 мм²/сек

x 1 g/cm³


 

Условные единицы измерения вязкости

На практике унифицированные расчеты осуществляются с условными единицами измерения, которые основываются на вычислении времени истечения жидкости из калиброванных форсунок. Наиболее употребительными из этих единиц измерения являются

  • в Германии градусы Энглера° E
  • Великобритании секунды Редвуда R
  • в СШАсекунды Сейболта S

На рис. справа эти условные единицы сопоставлены в сравнении с величинами мм2/сек кинематической вязкости физической системы мер.

 

Внимание! Для каждой величины вязкости необходимо указать температуру, к которой относится данная величина.

 

Пересчет кинематическиой единицы вязкости мм2/сек в другие единицы

Пересчет кинематической вязкости в условные единицы измерения, вода при 17 °C имеет динамическую вязкость η = 1,09 mPa · s (cp)

Пересчет единицы плотности g/cm3 в другие единицы

Потеря давления

Потеря давления в зависимости от протока и вязкости измеряемого вещества у кольцевого счетчика DN 15

Потеря давления Dp у сжиженного газа с 0,25 mPa · s, около 16 °C и PN 16

(допустимые стандартные величины: 100, 400 и 800 л/мин (26,4, 106 и 211

 USgpm))

Рабочие диапазоны для кольцевых счетчиков DN 25 (1”), 50 (2”) и 80 (3”);
потеря давления в зависимости от протока и вязкости измеряемого

вещества

Внимание!

Для дозатора из-за высокого сопротивления протока вследствии запорного вентиля действует следующее правило:

  • при равном q Δp увеличивается на приблизительно 30%;
  • при равном Δp q уменьшается приблизительно на 20%.

 

Рекомендации по материалу для кольцевых счетчиков и дозаторов

Для кольцевых счетчиков со страницы 3/299 для деталей, соприкасающихся с измеряемым веществом, имеется множетсов материалов, которые должны комбинироваться с учетом стойкости к коррозии по отношению к измеряемому веществу.

таблице „Рекомендации по материалам“  мы составили комбинации материалов для измеряемых веществ.

Для возможно более простого оформления обзора приводится только соотвествующее минимальное оснащение. Для большинств измеряемых веществ могут также использоваться более высококачественные материалы. Если это желаемо клиентом, например, по причине универсальности использования счетчика, просим спросить нас в случае возникновения сомнения.

Данные в основном основываются на нашем многолетнем опыте. Из-за многослойности проблеммы коррозии эти данные могут рассматриваться только в качестве рекомендации. Гарантия на них не распространяется.

 

Ограничение сферы применения рекомендаций по материалам   уплотнением корпуса

Кольцевой счетчик

Уплотнение корпуса

Доп диапазон температур

Заказной номер

Диаметр (DIN)

Но. давление (DIN)

Диаметр (ASME)

ASME B16.51)

Форма

Макс.

°C

°F

7MR1020

DN 15

PN 25

(½”)

(300 … 600)

Плосокое уплотнение

AFM 34 2)

-10 ... +250, кратковременно до 300

(14 ... 482, кратковременно до 572)

7MR1030

PN 40

7MR1110

DN 25

PN 10/PN 16

(1”)

(150)

7MR1120

PN 25

(300 … 600)

7MR1140

PN 63

(900 … 1500)

7MR1410

DN 50

PN 6/PN 10

(2”)

(150)

7MR1420

PN 25

(300 … 600)

7MR1440

PN 63

(900 … 1500)

7MR1610

DN 80

PN 4/PN 6

(3”)

(150)

7MR1620

PN 25

(300 … 600)

7MR1640

PN 63

(900 … 1500)

7MR1130

DN 25

PN 40

(1”)

(300 … 600)

O-Кольцо

FPM 3)

-10 … +260

(14 … 500)

7MR1130

O-Кольцо

FEP-FPM 4)

-10 … +200

(14 … 392)

7MR1430

DN 50

PN 40

(2”)

(300 … 600)

O-Кольцо

FPM 3)

-10 … +260

(14 … 500)

7MR1430

O-Кольцо

FEP-FPM 4)

-10 … +200

(14 … 392)

7MR1630

DN 80

PN 40

(3”)

(300 … 600)

O-Кольцо

FPM 3)

-10 … +260

(14 … 500)

7MR1630

O-Кольцо

FEP-FPM 4)

-10 … +200

(14 … 392)


1) Отверстия фланцев по ASME B16.5. Данные давления по DIN это макс. допустимые давления до около 100 °C. При более высоких температурах макс. допустимое давление уменьшается. При заказе указать текстом данные класификации давления ASME.

2) AFM 34: Арамидные волокна с неорганическими наполнителями и синтетическими эластомерами

3) FPM: фторкаучук (Viton)

4) FEP-FPM: фторкаучук (FEP-Viton), с обшивкой из тетрафторэтилена-гексафтор-пропилен

Руководство по использованию таблицы „Рекомендации по материалам”.

Рекомендуемые комбинации материалов отмечены „•“. Если для одного измеряемого вещества названы несколько материалов, то речь идет в случае корпуса и измерительной камеры об альтернативном предложении, так как для минимального оснащения могут действовать ограничения (см. сноски).

В случае рекомендации различных веществ для кольцевых поршней учитываются антифирикционные свойства и допустимые температуры. Выбор осуществляется в соотвествии с желанием клиента.
В остальном данные в обзоре относятся к температуре измеряемого вещества 20 °C. Исключение составляют вещества, измерение которых может осуществляться только в нагретом состоянии, например битум и какао-масса.
Дополнение “раствор” всегда относится к водяным растворам.

 

Материалы

Корпус и измерительная камера

Кольцевые поршни

Уплотнение корпуса

 

 

 

Измеряемые вещества

Серый чугун или
стальное литье

Сталь CrNiMo

с внутренней
эмалировкой

Серый чугун

Ni-сталь

Уголь
(синт.)

Эбонит, до
40 °C

PCTFE, до
40 °C

PTFE/графит до
90 °C

PN 4/6/10/25/63
AFM 34

 

PN

40

FPM

FEP-FPM

Ацетальдегид

 

 

 

 

 

 

 

Ацетон

1)

 

 

 

 

 

 

 

Акрилнитрил

 

 

 

 

 

 

 

 

Раствор сульфата алюминия

 

 

 

 

 

 

Муравьиная кислота

 

 

 

 

 

 

 

 

 

Аммиачная вода

 

 

 

 

 

 

 

 

 

 

 

 

  • возм.изменение цвета

 

 

 

 

 

 

  • без изменения цвета

 

 

 

 

 

 

 

 

Раствор хлорида аммония

 

 

 

 

 

 

Амилацетат

 

 

 

 

 

 

 

 

Амиловый спирт

 

 

 

 

 

Анилин

1)

 

 

 

 

 

 

 

Раствор хлорида бария

 

 

 

 

 

Бензальдегид

1)

 

 

 

 

 

 

 

Бензин

1)

 

 

 

 

 

 

 

Бензол

1)

 

 

 

 

 

 

 

Битум (нагрев счетчика)

 

 

 

 

 

 

 

Раствор ацетата свинца

 

 

 

 

 

Раствор хлорида свинца

 

 

 

 

 

 

 

 

Борная кислота ≤ 5 %, ≤ 50 °C

 

 

 

 

 

Бутан

1)

 

 

 

 

 

 

 

Масляная кислота

 

 

 

 

 

Бутилацетат

1)

 

 

 

 

 

 

 

 

Раствор кальция хлорида

 

2)

 

 

 

Капролактам

 

 

 

 

 

 

 

 

Целлобзольв (Cellosolves)

1)

 

 

 

 

 

 

Хлорбензол (безвод.)

1)

 

 

 

 

 

 

 

Хлороформ

 

 

 

 

 

 

 

 

Раствор холинхлорида

 

 

 

 

 

 

 

Раствор сульфата хрома <50 °C

 

 

 

 

Циклогексанол (анол)

1)

 

1)

 

 

 

Диацетоновый спирт

1)

 

 

 

 

 

 

 

Дибутилфталат

 

 

 

 

Дизельное масло

 

 

 

 

 

 

Диметиланилин

 

 

 

 

 

 

Раствор хлорида железа

 

 

 

 

 

 

 

Уксусная кислота

 

 

 

 

 

 

 

Этилацетат

1)

 

 

 

 

 

 

 

 

Этиловый спирт (этанол)

1)

 

 

 

 

 

 

Этиламин

 

 

 

 

 

 

 

 

 

Этиленхлорид сухой

 

 

 

 

 

 

 

Этиленгликоль безводный

1)

 

 

 

Жирные кислоты

 

 

 

 

 

Жидкий газ 6)

 

 

 

 

 

 

 

 

Жидкий воск

 

 

 

 

 

 

 

Формалин

 

 

 

 

 

Фреон

 

 

 

 

 

 

 

4)

 

Фурфурал

 

 

 

 

 

 

Раствор глюкозы

 

 

 

 

 

 

 

Глизантин

1)

 

1)

 

 

Глицерин

 

 

 

 

 

 

 

 

 

 

 

  • чистый

 

 

 

 

 

  • сырой

 

 

 

 

 

 

Раствор карбомида (водн.)

 

 

 

 

 

Жидкое топливо S

 

 

 

 

 

 

 

Гидравлическое масло

 

 

 

 

 

 

 

Какао-масло

 

 

 

 

 

Какао-масса (нагретая)

 

 

 

 

 

 

Калийный щёлок

 

 

 

 

 

5)

 

Двухромный раствор калия

 

 

 

 

 

 

Раствор хлорида калия

 

2)

 

 

 

Раствор хлорида магния

 

2)

 

 

 

 

Солод

 

 

 

 

 

 

 

 

Мазут

 

 

 

 

 

 

 

 

 

Меласса (щелочная)

 

 

Меласса (кислая)

 

 

 

 

 

Метанол (метиловый спирт)

1)3)

 

 

 

 

 

 

Метилхлорид

3)

3)

6)

 

 

 

 

Метиленхлорид

 

 

 

 

 

 

 

 

Нафталин

 

 

 

 

Раствор ацетата натрия

 

 

 

 

 

Раствор хлорида натрия (кис)

 

 

 

 

 

Раствор хлорида натрия (осн)

 

 

 

 

 

 

 

 

 

 

 

Раствор нитрита натрия

 

 

Раствор едкого натра, например 30%, 20 °C

 

 

 

например 50%, 50 °C

 

 

 

 

 

 

Нитробензол

1)

 

 

 

 

 

 

 

Олеум ≤ 40%, 60 ... 70%

 

 

 

 

 

 

 

 

 

Вазелиновое масло

 

 

 

 

 

 

 

 

Пермутиров. вода

 

 

 

 

 

 

 

Керосин

 

 

 

 

 

 

 

Растительное масло

 

 

 

 

 

 

 

 

 

 

 

 

  • нейтрализованное

 

 

 

 

 

  • сырое

 

 

 

 

 

 

 

Фенол

 

 

 

 

 

 

Фосфорная кислота

 

7)

6)7)

 

 

 

 

Фосфортрихлорид

 

 

6)

 

 

 

 

 

Касторовое масло

 

 

 

 

 

 

Сажное масло

 

 

 

 

 

 

 

 

Азотная кислота
макс. 65%, 40 °C

 

 

 

 

 

 

 

 

 

Соляная кислота

 

 

 

 

 

 

 

 

 

Шоколадная масса

 

 

 

 

 

 

Сера (жидкая)

 

 

 

 

 

 

 

 

 

Сероуглерод

1)

 

 

 

 

 

Серная кислота

 

 

 

 

 

 

 

  • до 80%, макс. 80 °C

 

 


 

 


 



 


 

  • 80 до 85%, макс. 40 °C

 


 

 

 


 



 


 

  • 86 до 97%, макс. 25 °C


 

 

 

 


 



 


 

  • 98 до 100%, макс. 50 °C

 


 

 

 


 


 

 


 

Морская вода

 

2)

 

 

 

 

Мыло (жидкое)

 

 

 

 

 

 

 

 

Мыльный раствор

 

 

 

 

 

 

Тетрахлорид кремния

 

2)

 

 

 

 

 

Раствор крахмала

 

 

 

 

 

 

Четыреххлористый углерод

1)

2)

 

 

 

 

 

 

Толуол

1)

 

 

 

 

 

 

 

Трансформаторное масло

 

 

 

 

 

 

 

 

Трихлорэтилен

2)

 

 

 

 

 

 

 

Винилхлорид

 

 

 

 

 

 

 

 

Вода, опресненная

 

 

 

 

 

 

Пероксид водорода

 

8)

 

 

 

 

 

 

 

 

Мягчитель

 

 

 

 

 

 

 

Вино

 

 

 

 

 

 

Ксилол

1)

 

 

 

 

 

 

 

Раствор хлорида цинка

 

2)

 

 

 

 

 

Раствор сахара

 

 

 

 

 

 

 

Сахарный сироп

 

 

 

 

 

 

 


1) У измеряемых веществ с сильными обезжиривающими свойствами при простое измерительного механизма из-за влажности воздуха может возникать коррозия.

2) Возможна сквозная коррозия

3)  Не стойкая к фреону 21, 22, 31 и 32

4) Стойкость < 30%

5) Конструкция дуропласт/тантал

6) Без примесей хлора и фтора

7) Травление и пассивация

Нагревательные устройства

Измеряемые вещества с низкой температурой застывания, а также такие, которые являются очень вязкотекучими при нормальной температуре и даже переходят в твердое агрегатное состояние, должны быть нагреты для подачи через трубопровод.

Для того, чтобы такие вещества, как тяжелое котельное топливо, смолы, битум, расплавленная сера, шоколадная масса и т.п. не охлаждались в счетчике, необходимо осушествить подачу тепла к измерительному механизму.Для этого есть несколько возможностей:

Нагрев через нагревательный змеевик в нижней части корпуса

Кольцевой счетчик DN 15/PN 63 с нагревательным змеевиком

Нагревательное устройство состоит из расположенного в корпусе под измерительной камерой трубчатого змеевика или камеры с водяным, масляным или паровым нагревом. Нагревательное устройство предусмотрено для счетчиков DN 25, DN 50 и DN 80 для ном. давлений PN 25 и PN 63 (1“, 2“ и 3“). Диаметр DN 15 (1/2”) имеет только 2 резьбовых соединения для возможной подачи тепла.
Данные вид нагрева гарантирует с большой надежность сохранение жидкой фазы во всем измерительном механизме только при высокой подаче тепла - что переносят не все измеряемые вещества.

 

Нагрев через внешние нагревательные трубы или электрический нагревательный кабель

Кольцевой счетчик с нагревом через внешние нагревательные трубы

Данные вид обеспечивает лучшее из возможных распределение и дозировку необходимого для нагрева тепла В обоих случаях - при использовании труб с паровым или масляным нагревом или электрического нагревательно кабеля - поверхность нагрева и тем самым передача тепла значительно увеличивается благодаря использованию теплопередающей пасты. Весь измерительный механизм должен быть снаружи изолирован. Благодаря разъемному соединению на нагревательных петлях тем не менее воможен демонтаж измерительного механизма.

Указание
Во многих случаях для сохранения жидкой фазы в измерительном механизме достаточно теплопередачи от имеющегося нарева труб в том случае, если измерительный механизм счетчика достаточно изолирован.

Определения

Поток

qmin это наименьший проток, который должен иметь место, когда при данных эксплуатационных условиях должны быть получены величины измерения, которые находятся в пределах указанных границ погрешности. Величина qmin первую очередь зависит от вязкости измеряемого вещества.
Кроме этого свою роль играют вес и материал (антифрикционные свойства) подвижных деталей измерительного механизма. Данные по qmin в зависимости от вышеназванных факторов приведены в технических параметрах соответствующих измерительных механизмов

qmax ограничивается через

  • наибольшее допустимое число оборотов, при котором могут работать подвижные детали измерительного механизма(кольцевые поршни), без сокрашения при этом срока службы (измерительной долговечности) счетчика. По этой причине для
    непрерывного режима допустимая qmax ограничивается приблизительно половиной qmax для периодического режима около 1500 часов/год).
  • потеря давления, т.е разница давлений, которая возникает в измерительном механизме через потери протока. Максимально допускается 3 бар. Эта величина достигается только при очень высокой вязкости и больших протоках. Для действительно имеющей место потери давления решающее значение имеют размер счетчика и вязкость измеряемого вещества.

Величины для qmax непрерывный. и qmax периодический приведены, в зависимости от вязкости, в технических параметрах.

Теория кривой погрешности для счетчиков объема

В приложении к немецким правилам стандартизации и проверки (также EG- и OIML-руководства) ошибка измерения, т.е. разница между индицируемым количеством (А, действительное показание) и действительным количеством (N, заданное показание), у счетчиков объема определяется следующим образом: плюсовая ошибка означает слишком большую, минусовая ошибка слишком маленькую индикацию по отношению к эффективному количеству. Относительная ошибка базируется на действительно протекшем количестве (N). Для вычисления ошибки в процентах действует правило:

f = (A - N)/N · 100 в % от заданной величины

Ответственной за ошибки измерения в первую очередь, несмотря на высокую точность, у деталей измерительного механизма является утечка через зазор, которую невозможно целиком избежать, то есть течение, которое не вызывает в измерительном механизме соответствующего вращательного движения и тем самым не фиксируется.

 

Диаграмма по теории кривой погрешности для счетчиков объема

Если исходить из того, что прочие внешние паразитические влияния, например, примеси газа в измеряемом веществе, исключены благодаря соотвествующим мерам, то упрощенно о ходе кривой можно сообщить следующее:

Утечки в зазоре в общем и целом ведут к минусовым ошибкам (плюсовая отдача соотвествует минусовой индикации).

Общая потеря состоит из двух частей:

  • одной части с гиперболическим ходом, которая является результатом различного влияния механического трения (после преодоления трения покоя с увеличением протока это влияние уменьшается), и
  • линейно увеличивающейся с протоком части потери, которая вызывается растущим сопротивлением протока и тем самым высокой разницей давления в измерительном механизме.

Из этих двух влияний образуется суммарная кривая. Она  характерна для всех счетчиков вытеснения. Представление на в “Теории кривой погрешности счетчиков объема” для лучшего понимания сильно увеличено.

Кривые погрешности кольцевых счетчиков

На ход кривой погрешности кроме этого еще влияет вязкость измеряемого вещества. При этом с уменьшением вязкости увеличивается погрешность измерения, особенно в начале и конце диапазона протока.
Позиция кривой погрешности может быть смещена параллельно нулевой линии с помощью соответствующего регулирования, что означает, изменение кинематической пары зубчатых колес (сменные шестерни) между измерительным механизмом и механизмом индикации, и при этом счетчик может быть оптимально отрегулирован. Соответствующие кинематические пары сменных шестерен приведены в таблице.
Рис. „Кривые погрешности счетчиков объема“ показывает кривые погрешности без регулирования.

 

Кривые погрешности счетчиков объема, по форме и позиции зависимые от
протока и вязкости измеряемого вещества

Указание: 1 mPa·s = 1 cp

Точность измерения

Кольцевые счетчики в ЕС и многих других странах официально сертифицированы.
Границы погрешности находятся между 0,2% и 0,5% от заданной величины (в зависимости от измеряемого вещества, диапазона измерения и соответствующих правил проверки).Указанные границы погрешности в % от заданной величины действительны для всего диапазона протока и для любого количества розлива, большего чем наименьшее допустимое.

 

Это является важным отличием от других измерительных приборов, чья погрешность относится к конечной величине диапазона измерения и чья указанная точность измерения достигается только в одной точке - при полной амплитуде. Для того, чтобы оставаться с точность в указанных границах, минимальный проток не должен опускаться ниже 10% от максимального протока. Этим объясняется то, почему для счетчиков объема обычный диапазон протока составляет 1:10.

Внимание: Для достижения высокой точности механизм кольцевого счетчика должен быть полностью заполнен измеряемым веществом.                            

Срок службы (измерительная долговечность)

Срок службы счетчика объема, т.е. время эксплуатации до необходимого ремонта или дорегулирования, определяется механическим износом подвижных деталей измерительного механизма, который возникает из-за свойств измеряемого вещества.
Кроме вида используемого измеряемого вещества (антифрикционные свойства) срок службы также зависит от смазочных свойств измеряемого вещества, времени ежедневной эксплуатации и от третьей степени протока (число оборотов).

Последнее является причиной того, почему при непрерывном режиме допускается только половина установленного для режима забора максимального протока.
Так ка при обычной эксплуатации счетчика в.у. величины воздействия вряд ли могут быть определены точно, однозначные данные касательно срока службы (измерительной долговечности) невозможны.
Для счетчиков, которые работают на коммерческом учете, законодательно установлена поверка каждые два года. В приложении к этому руководству рекомендуется, проводить контроль и поверку счетчиков, работающих в несертифицированной сфере, каждые два-три года. Эта рекомендация также основывается на средних “нормальных” условиях эксплуатации. Для счетчика, с помощью которого, например, осуществляется измерение смазочных масел в режиме забора, временной промежуток в три года является слишком коротким, даже через пять и более лет он будет функционировать в пределах указанной границы погрешности.

 

Технические данные

Диаметр DN, ном. давление PN и доп. протоки q для кольцевых счетчиков и дозаторов

Конструкция

DN

PN

Ном. проток

Доп. проток

 

 

 

 

при вязкости

мин. 1) при непрер. режиме 2)

макс. при период. режиме 3)4)

макс. при непрер. режиме  8)

 

мм

(дюйм)

бар

(psi)

л/мин

(USgpm)

mPa·s (cp)

л/мин

(USgpm)

л/мин

(USgpm)

л/мин

(USgpm)

Кольцевые счетчики для промышленного использования

 

15 5)

(½) 5)

25
40

(363)
(580)

20

(5.3)

≤ 1
< 5
800
2000
5000
10000 7)

1,5
1,0  
0,2
0,2
0,2
0,2

(0.26)
(0.2)
(0.05)
(0.03)
(0.03)
(0.03)

10 6)
20
20
10
4
1 

(5.3)
(5.3)
(5.3)
(1.3)
(0.53)
(0.26)

10
10
10
5
2
1

(2.6)
(2.6)
(2.6)
(1.3)
(0.53)
(0.26)

25

(1)

10
16
25
40
63

(145)
(232)
(363)
(580)
(914)

100

(26.4)

0,3
0,6
1
5
800
5000
10000
20000 7)

12
6
5
3
1
1
1
1

(3.2)
(1.6)
(1.3)
(0.8)
(0.26)
(0.26)
(0.26)
(0.26)

100
100
100
100
100
80
70
50

(26)
(26)
(26)
(26)
(26)
(13)
(5.3)
(2.6)

80
80
80
80
80
60
50
30

(13)
(13)
(13)
(13)
(13)
(13)
(5.3)
(2.6)

50

(2)

6
10 8)
25
40
63

(87)
(145) 8)
(363)
(580)
(914)

500

(132)

0,3
0,6
1
5
800
5000
10000
20000

40
20
18
10
2
2
2
2

(11)
(5.3)
(4.8)
(2.6)
(0.53)
(0.53)
(0.53)
(0.53)

500
500
500
500
500
350
300
150

(106)
(132)
(132)
(132)
(106)
(53)
(21)
(11)

350
350
350
350
350
250
180
100

(44)
(44)
(44)
(44)
(44)
(44)
(21)
(11)

80

(3)

6 8)
25
40
63

(58)
(87) 8)
(363)
(580)
(914)

1000

(264)

0,3
0,6
1
5
800
5000
10000
20000 7)

60
35
25
10
5
5
5
5

(16)
(9.3)
(6.6)
(2.6)
(1.3)
(1.3)
(1.3)
(1.3)

1000
1000
1000
1000
1000
700
600
300

(211)
(264)
(264)
(264)
(211)
(93)
(40)
(20)

700
700
700
700
500
350
250
150

(93)
(93)
(93)
(93)
(93)
(93)
(40)
(20)

Кольцевые счетчики с кислотостойкой конструкцией

 

25

(1)

10

(145)

100

(26.4)

0,6
1
5

10
8
4

(2.6)
(2.1)
(1.0)

100
100
100

(26)
(26)
(26)

50
50
50

(13)
(13)
(13)

Дозатор (кольцевой счетчик с установочным механизмом количества и механическим запорным вентилем)

 

25

(1)

10

(145)

100

(26.4)

0,3
0,6
1
5
800 9)

12
6
5
3
1

(3.2)
(1.6)
(1.3)
(0.8)
(0.26)

100
100
100
100
100

(26)
(26)
(26)
(26)
(26)

50

(2)

6
10 8)

(87)
(145) 8)

500

132

0,3
0,6
1
5
800 9)

40
20
18
10
2

(11)
(5.3)
(4.8)
(2.6)
(0.53)

500
500
500
500
400

(106)
(132)
(132)
(132)
(106)


1) У кольцевых поршней из металла увеличить на коэффициент 2, из PCTFE и PTFE-графитным наполнителем на коэффициент 3.

2) Непрерывный режим: до 8 часов ежедневно

3) У металлических поршней: для поддержания срока службы уменьшить на коэфф. ≈ 0,8.

4) Периодический режим: до 4 часов ежедневно

5) Замечание: У угольных поршней повышенная вероятность поломки при толчках давления

6) При использовании угольных поршней

7) Величины протока для большей вязкости по запросу; имеется опыт до 350 000 mPa · s (ср).

8) Значения в скобках для корпуса из стали CrNiMo

9) Макс. доп. вязкость для точного закрывания запорного вентиля и точной дозировки; возможны вязкости до приблизительно 4 000 mPa · s (ср).

Материал поршней

Материал поршней

Конструкция

Доп. температура измеряемого вещества

Макс. доп. динамическая вязкость

Обозначение в заказном номере

°C

°F

mPa·s (cp)

Уголь

 

-10 ... 300

14 ... 572

25

K

Серый чугун (мат. No. GG 25)
Серый чугун (мат. No. GG 25)


с пазами

-10 ... 300
-10 ... 300

14 ... 572
14 ... 572

 

E
B

Ni-сталь (мат. No. 0.6660)
Ni-сталь (мат. No. 0.6660)


с пазами

-10 ... 300
-10 ... 300

14 ... 572
14 ... 572

 

N
C

Эбонит
Эбонит


с пазами

-10 ... 40 1)
-10 ... 40 1)

14 ... 104 1)
14 ... 104 1)

50
50

G
D

PTFE/ графитный наполнитель
PTFE/ графитный наполнитель
PTFE/ графитный наполнитель
PTFE/ графитный наполнитель


с пазами

с пазами

0 ... 40 2)
0 ... 40 2)
0 ... 90 2)
0 ... 90 2)

32 ... 104 2)
32 ... 104 2)
32 ... 194 2)
32 ... 194 2)

120
120
120
120

F
L
R
M

PCTFE
PCTFE


с пазами

-10 ... +40 2)
-10 ... +40 2)

14 ... 104 2)
14 ... 104 2)

120
120

H
J

Gni сталь с угловой рабочей поверхностью (только DN 25 (1“))
Gni сталь с рабочей поверхностью PTFE (только DN 25 (1“))

Манжетные поршни

-10 ... +200
-10 ... +40

14 ... 392
14 ... 104

> 10
> 10

S
T


1) На 120 мин макс. 65 °C (149 °F); на 20 мин макс. 90 °C (194 °F), например для чистки

2) Погрешность макс. 1%; при 90°C (194 °F) макс. 2 %

Прочие технические параметры

Материалы и макс. доп. температуры измеряемого вещества

 

Корпус (у кислотостойких счетчиков также и обшивка) и измер. камера

Температурный диапазон

  • Серый чугун, чугун с шаровидным графитом, стальное литье, CrNiMo-сталь

-30 ... +300 °C (-22 ... +572 °F)

  • Серый чугун/эмаль, изм.камера из Duroplast

-20 ... +80 °C (-4 ... +176 °F)

Общие параметры

 

Граници погрешности

Между 0,2% и 0,5% от заданной величины (в зависимости от измеряемого вещества, диапазона измерения и соотвествующих предписаний), за исключением кольцевых счетчиков DN 15 (½“) и счетчиков с кислотостойкой конструкцией с PCTFE-поршнями; здесь 1% от факт.величины

Воспроизводимость

В пределах 0.05%

Регулируемость

Поступенчатая от 0.01%

0.01%

Потеря давления

Макс. доп. 3 бар (43.5 psi), у кислотостойких счетчиков макс. 0.5 бар (7.25 psi)

Передача вращения

Плавная, через постоянную электромагнитную муфту

Позиция установки (ось измерительного мех-ма)

 

  • Кольцевой счетчик для промышленного примения

 

  • Кислотостойкий

Любая

  • Дозатор

Вертикальная

  • Спецконструкции

 

  • Кольцевой счетчик для сжигания топлива

Любая

  • Кольцевой счетчик для жидкого газа

Ось измерительного механизма вертикально

Особые входные и выходные участки

Не требуются

Подсоединение линии

Фланец с отверстием по DIN 2501, DIN 2547 (только PN 63)

DIN 2501, DIN 2547 (только PN 63)

Размер фильтра (размер ячеек сита)

0.8 мм (0.031 дюймов) для кольцевых счетчиков


Указания

Решающим для макс. доп. температуры измеряемого вещества является “самое слабое звено” соответствующей комбинации (у счетчика из CrNiMo-стали, например, кольцевые поршни из PCTFE или уплотнение).

Дозатор

У этого счетчика макс. доп. температура измеряемого вещества ограничена удобством обслуживания и конструкцией запорного вентиля.

Допускается: для вентилей с безобслуживаемым

  • Сальниковым уплотнением: -10 ... +200 °C (14 ... 392 °F)
  • Сильфонным уплотнением: -10 ... + 40 °C, макс. 3 бар (14 ... 104 °F, макс. 43.5 psi)

Конструкции для более высоких температур по запросу. Установка теплоизоляционных вставок обуславливает соотвествующее удлинение механического запорного вентиля.

Для дозатора, из-за высокого проточного сопротивления через соответствующий запорный вентиль, действуют следующие ограничения:

  • при равном q ∆p увеличивается приблизительно на 30%;
  • при равном ∆p q уменьшается приблизительно на 20%.

Если динамическая вязкость составляет более 60 mPa ⋅ s (cp), необходимо изменить конструкцию шарика запорного вентиля.

Кроме этого, от 800 mPa⋅s (cp) монтаж сита не требуется.

Импульсные частоты для DN 15 (½“)

Расход q

Частота f

При измер. расхода импульсный датчик1) без редукторного механизма на измерительном механизме (прямой монтаж)

При измерении количества редукторный механизм между измерительным механизмом и импульсным датчиком1) (непрямой монтаж)

л/мин

(USgpm)

Гц

Гц

bei DN 15 (½“)

(при 10 импульсах/цикл)

(при 100 импульсах/цикл)

3

(0.80)

14,52

5,0

5

(1.33)

24,2

8,33

10

(2.65)

48,40

16,66

15

(3.98)

72,60

25,0

20

(5.30)

96,80

33,33


1) Pulser with 10 pulses per revolution. The decimal points in the frequency data in this table must be shifted by one position to the right with 100 pulses per revolution.

Указание: Макс. частота 350 Гц с учетом срока службы импульсного датчика; мин. частота 1 Гц при наименьшем индицируемом протоке.

Импульсные частоты для DN 25 (1“)

Расход q

Частота f

f

При измер. расхода импульсный датчик1) без редукторного механизма на измерительном механизме (прямой монтаж)

При измерении количества редукторный механизм между измерительным механизмом и импульсным датчиком1) (непрямой монтаж)

л/мин

(USgpm)

Гц

Гц

12

(3.18)

10,71

2,0

15

(3.98)

13,38

2,5

20

(5.30)

17,85

3,33

25

(6.63)

22,31

4,16

30

(7.95)

26,77

5,0

35

(9.28)

31,23

5,83

40

(10.60)

35,69

6,66

45

(11.93)

40,15

7,5

50

(13.25)

44,62

8,33 1)

55

(14.58)

49,08

9,16 2)

60

(15.90)

53,54

10,0

65

(17.23)

58,00

10,8

70

(18.55)

62,42

11,66

75

(19.88)

66,92

12,5

80

(21.20)

71,38

13,33

85

(22.53)

75,85

14,16

90

(23.85)

80,31

15,0

95

(25.18)

84,77

15,83

100

(26.50)

89,23

16,66


1) Pulser with 10 pulses per revolution. The decimal points in the frequency data in this table must be shifted by one position to the right with 100 pulses per revolution.

2) Reduction gear: 1 l (0.26 USg)/pointer revolution

Указание: Макс. частота 350 Гц с учетом срока службы импульсного датчика; мин. частота 1 Гц при наименьшем индицируемом протоке.

Импульсные частоты для DN 50 (2“)

Расход q

Частота f

При измер. расхода импульсный датчик1) без редукторного механизма на измерительном механизме (прямой монтаж)

При измерении количества редукторный механизм между измерительным механизмом и импульсным датчиком1) (непрямой монтаж)

л/мин

(USgpm)

Гц

Гц

60

(15.90)

6,38

1,0

70

(18.55)

7,45

1,16

80

(21.20)

8,52

1,3

90

(23.85)

9,58

1,5

100

(26.50)

10,65

1,66

110

(29.15)

11,71

1,83

120

(31.80)

12,78

2,0

130

(34.45)

13,84

2,16

140

(37.10)

14,91

2,33

150

(39.75)

15,09

2,5

160

(42.40)

17,04

2,66

170

(45.05)

18,10

2,83

180

(47.70)

19,17

3,0

190

(50.35)

20,03

3,16

200

(53.00)

21,30

3,33

210

(55.65)

22,36

3,5

220

(58.30)

23,43

3,66

230

(60.95)

24,49

3,83

240

(63.60)

25,56

4,0

250

(66.25)

26,62

4,16

260

(68.90)

27,69

4,33

270

(71.55)

28,75

4,5

280

(74.20)

29,82

4,66

290

(76.85)

30,88

4,83

300

(79.50)

31,94

5,0

310

(82.15)

33,01

5,16

320

(84,80)

34,07

5,33

330

(87,45)

35,14

5,5

340

(90,10)

36,20

5,66

350

(92,75)

37,27

5,83

360

(95,40)

38,33

6,0

370

(98,05)

39,40

6,16

380

(100,7)

40,46

6,33

390

(103,4)

41,53

6,5

400

(106,0)

42,49

6,66

410

(108,7)

43,66

6,83

420

(111,3)

44,72

7,0

430

(114,0)

45,79

7,16

440

(116,6)

46,85

7,33

450

(119,3)

47,92

7,5

460

(121,9)

48,98

7,66

470

(124,6)

50,05

7,83

480

(127,2)

51,11

8,0

490

(129,9)

52,18

8,16

500

(132,5)

53,24

8,33


1) Pulser with 10 pulses per revolution. The decimal points in the frequency data in this table must be shifted by one position to the right with 100 pulses per revolution.

2) Reduction gear: 10 l (2.64 USg)/pointer revolution

Указание: Макс. частота 350 Гц с учетом срока службы импульсного датчика; мин. частота 1 Гц при наименьшем индицируемом протоке.

DN 80 (3“)

     

170

(40,1)

6,29

2,83

180

(47,7)

6,65

3,0

190

(50,4)

7,02

3,17

200

(53,0)

7,40

3,33

210

(55,7)

7,76

3,5

220

(58,3)

8,13

3,67

230

(61,0)

8,5

3,83

240

(63,6)

8,87

4,0

250

(66,3)

9,24

4,17

260

(68,9)

9,61

4,33

270

(71,6)

9,98

4,5

280

(74,2)

10,35

4,66

290

(76,9)

10,72

4,83

300

(79,5)

11,09

5,0

310

(82,2)

11,46

5,16

320

(84,8)

11,83

5,33 1)

330

(87,5)

12,20

5,5 4)

340

(90,1)

12,57

5,66

350

(92,8)

12,94

5,83

360

(95,4)

13,31

6,0

370

(98,1)

13,68

6,16

380

(100,7)

14,05

6,33

390

(103,4)

14,42

6,5

400

(106,0)

14,79

6,66

410

(108,7)

15,16

6,83

420

(111,3)

15,53

7,0

430

(114,0)

15,90

7,16

440

(116,6)

16,27

7,33

450

(119,3)

16,64

7,5

460

(121,9)

17,01

7,66

470

(124,6)

17,38

7,83

480

(127,2)

17,75

8,0

490

(129,9)

18,12

8,16

500

(132,5)

18,49

8,33

510

(135,2)

18,86

8,5

520

(137,8)

19,23

8,66

530

(140,5)

19,60

8,83

540

(143,1)

19,97

9,0

550

(145,8)

20,34

91,6

560

(148,4)

20,71

9,33

570

(151,1)

21,08

9,5

580

(153,7)

21,44

9,66

590

(156,4)

21,81

9,83

600

(159,0)

22,18

10,0

610

(161,7)

22,5

10,16

620

(164,3)

22,92

10,33

630

(167,0)

23,29

10,5

640

(169,6)

23,66

10,66

650

(172,3)

24,03

10,83

660

(174,9)

24,40

11,0

670

(177,6)

24,77

11,16

680

(180,2)

25,14

11,33

690

(182,9)

25,51

11,5

700

(185,5)

25,88

11,66

710

(188,2)

26,25

11,83

720

(190,8)

26,62

12,0

730

(193,5)

26,99

12,16

740

(196,1)

27,36

12,33 1)

750

(198,8)

27,73

12,5 4)

760

(201,4)

28,10

12,66

770

(204,1)

28,47

12,83

780

(206,7)

28,84

13,0

790

(209,4)

29,21

13,16

800

(212,0)

29,58

13,33

810

(214,7)

29,95

13,5

820

(217,3)

30,32

13,66

830

(220,0)

30,69

13,83

840

(222,6)

31,06

14,0

850

(225,3)

31,43

14,16

860

(227,9)

31,80

14,33

870

(230,6)

32,17

14,5

880

(233,2)

32,54

14,66

890

(235,9)

32,19

14,83

900

(238,5)

33,28

15,0

910

(241,2)

33,65

15,16

920

(243,8)

34,02

15,33

930

(246,5)

34,3

15,5

940

(249,1)

34,75

15,66

950

(251,8)

35,12

15,83

960

(254,4)

35,49

16,0

970

(257,1)

35,85

16,16

980

(259,7)

36,23

16,33

990

(262,4)

36,60

16,5

1000

(265,0)

36,97

16,66


1) Pulser with 10 pulses per revolution. The decimal points in the frequency data in this table must be shifted by one position to the right with 100 pulses per revolution.

2) Reduction gear: 100 l (26.4 USg)/pointer revolution

Указание: Макс. частота 350 Гц с учетом срока службы импульсного датчика; мин. частота 1 Гц при наименьшем индицируемом протоке.

Чертеж

Размеры фланца

Размеры фланца

Размеры для фланцев с отверстиями по EN

 

Размеры для фланцев с ровной поверхностью уплотнения

Доп. размеры для фланцев с уплотнительной планкой

Заказной номер

Материал

Номинальный диаметр DN

Ступень давления PN

Ø D

Ø k

Кол-во отверстий

Ø d2

b

Ø d4

f

 

 

мм

мм

мм

мм

 

мм

мм

мм

мм

7MR1020

E/D/S

15

25

95

65

4

14

16

45

2

7MR1030

E/D

40

7MR1110/111•

E/D/S

25

10

115

85

4

14

16

68

2

7MR1120

E/D

25

18

7MR1130

E/D

40

7MR1140

E/D

63

140

100

4

18

24

68

2

7MR1410/141•

E/D

50

6

165

125

4

18

17

102

3

7MR1410/141•

S

16

7MR1420

E/D/C

25

20

7MR1430

E/D

40

7MR1440

E

63

180

135

4

22

26

7MR1610/161•

E/D

80

4

190

150

4

18

18

128

3

7MR1610/161•

S

6

7MR1620

E/D

25

200

160

8

18

22

138

3

7MR1630

E/D

40

7MR1640

E

63

215

170

8

22

28

138

3


Размеры для фланцев с отверстиями по ASME

 

Размеры для фланцев с ровной поверхностью уплотнения

Доп. размеры для фланцев с уплотнительной планкой

Заказной номер

Материал

Номинальный диаметр

Ступень давления MWP

Ø D

Ø k

Кол-во отверстий

Ø d2

b

Ø d4

f

 

 

дюймов

дюймов

дюймов

дюймов

 

дюймов

дюймов

дюймов

дюймов

7MR1020

E/D/S

1/2

300 … 600

33/4

25/8

4

5/8

16

13/8

1/16

7MR1030

E/D

7MR1110/111•

E/D/S

1

150

41/4

31/8

4

5/8

16

2

1/16

7MR1120

E/D

300 … 600

47/8

31/2

4

3/4

18

2

1/16

7MR1130

E/D

7MR1140

E/D

900 … 1500

57/8

4

4

1

24

2

1/4

7MR1410/141•

E/D/S

2

150

6

43/4

4

3/4

17

35/8

1/16

7MR1420

E/D/C

300 … 600

61/2

5

8

3/4

20

35/8

1/16

7MR1430

E/D

7MR1440

E

900 … 1500

81/2

61/2

8

1

26

35/8

1/4

7MR1610/161•

E/D/S

3

150

71/2

6

4

3/4

18

5

1/16

7MR1620

E/D

300 … 600

81/4

65/8

8

7/8

22

5

1/16

7MR1630

E/D

7MR1640

E

900 … 1500

101/2

8

8

11/4

28

5

1/4


Кольцевой счетчик DN 15 (½“)

Кольцевой счетчик DN 15 (½“) без доп. модулей

Кольцевой счетчик DN 15 (½“) с простым стрелочным механизмом типа 01, без нагревательного устройства, размеры в мм (дюймах)

Кольцевой счетчик DN 15 (½“) с простым стрелочным механизмом типа 01, без нагревательного устройства, размеры в мм (дюймах)

Кольцевой счетчик с простым стрелочным механизмом типа 01, (PN 25 (MWP 363 psi))

Размеры

Нагревательное устройство

с

без

PN 25 (MWP 363 psi)

PN 25 (MWP 363 psi)

PN 40 (MWP 580 psi)

мм (дюймов)

мм (дюймов)

мм (дюймов)

a1

224 (8.82)

247 (9.72)

249 (9.80)

a2

177 (6.97)

200 (7.87)

202 (7.95)

a3

140 (5.51)

163 (6.42)

165 (6.50)

c1

50 (1.97)

66 (2.60)

68 (2.68)

c2

83,5 (3.29)

106 (4.17)

108 (4.25)

g

-

100 (3.94)

92 (3.62)

h

-

G3/8

hA

37 (1.46)

37 (1.46)

37 (1.46)

l

-

22 (0.87)

26 (1.02)

Размеры фланцев см. выше


Кольцевой счетчик DN 15 (½“) с двойным стрелочным механизмом, размеры в мм (дюймах)

Кольцевой счетчик с дополнительными модулями

Кольцевой счетчик DN 15 (½“) с дополнительными модулями

Модель

01

02

03

04

05

06

07

 

Размер a для кольцевого счетчика с 1 теплоизоляционной вставкой, размеры в мм (дюймах)

Без нагревательного уст-ва

 

  • PN 25 (MWP 363 psi)

336 (13:23)

259 (10.20)

418 (16:46)

259 (10.20)

418 (16.46)

341 (13.43)

500 (19.68)

С нагревательным уст-вом

 

  • PN 25 (MWP 363 psi)

359 (14.13)

282 (11.10)

441 (17.36)

282 (11.10)

441 (17.36)

364 (14.33)

523 (20.59)

  • PN 40 (MWP 580 psi)

361 (14.21)

284 (11.18)

443 (17.44)

284 (11.18)

443 (17.44)

366 (14.41)

525 (20.67)

 

Размер a для кольцевого счетчика с 2 теплоизоляционными вставками, размеры в мм (дюймах)

Без нагревательного уст-ва

 

  • PN 25 (MWP 363 psi)

495 (19.49)

-

577 (22.72)

-

577 (22.72)

-

569 (25.94)

С нагревательным уст-вом

 

  • PN 25 (MWP 363 psi)

518 (20.39)

-

600 (23.62)

-

600 (23.62)

-

682 (26.85)

  • PN 40 (MWP 580 psi)

520 (20.47)

-

602 (23.70)

-

602 (23.70)

-

684 (26.93)


Кольцевой счетчик DN 25 (1“)

Кольцевой счетчик DN 25 (1“) без дополнительных модулей

Для PN 10 и PN 16 (MWP 145 psi и 232 psi)

Кольцевой счетчик DN 25 (1') для PN 10 и PN 16 (MWP 145 psi и 232 psi) с простым стрелочным механизмом. С установочным механизмом кол-ва, размеры в мм (дюймах)

Кольцевой счетчик DN 25 (1“) для PN 10 и PN 16 (MWP 145 psi и 232 psi) с двойным стрелочным механизмом, размеры в мм (дюймах)

Кольцевой счетчик DN 25 (1“) для PN 10 и PN 16 (MWP 145 psi и 232 psi) без доп. модулей, размеры в мм (дюймах)

С простым стрелочным механизмом типа 01 или с двойным стрелочным механизмом

a1

a2

a3

c

d1

e

g

h

hA

L

237 (9.33)

190 (7.48)

153 (6.02)

90 (3.54)

14 (0.55)

115 (4.53)

155 (6.10)

140 (5.51)

48 (1.89)

210 (8.27)

С установочным механизмом кол-ва тип 54

a2

a3

a5

c

g

h

hA

L

z

190 (7.48)

153 (6.02)

440 (17.32)

90 (3.54)

155 (6.10)

140 (5.51)

48 (1.89)

210 (8.27)

54 (2.10) для электрического выключателя

Размеры фланцев см. выше


Для ступени давления PN 25, PN 40 и PN 63 (MWP 363 psi, 580 psi и 914 psi)

Кольцевой счетчик DN 25 (1“) для PN 25, PN 40 и PN 63 (MWP 363 psi, 580 psi и 914 psi) с простым стрелочным механизмом или с установочным механизмом кол-ва, размеры в мм (дюймах)

Кольцевой счетчик DN 25 (1“) для PN 25, PN 40 и PN 63 (MWP 363 psi, 580 psi и 914 psi) с двойным стрелочным механизмом, размеры в мм (дюймах)

Кольцевой счетчик DN 25 (1“) для PN 25, PN 40 и PN 63 (MWP 363 psi, 580 psi and 914 psi) без доп. модулей, размеры в мм (дюймах)

С простым стрелочным механизмом тип 01 или двойным стрелочным механизмом

 

a1

a2

a3

c1

c2

g

L

 

  • PN 25, PN 40
    (MWP 363 psi, 580 psi)

292 (11.50)

245 (9.65)

208 (8.19)

80 (3.15)

144 (5.67)

205 (8.07)

270 (10.63)

  • PN 63 (MWP 914 psi)

308 (12.13)

261 (10.28)

224 (8.82)

82 (3.23)

157 (6.18)

230 (9.06)

300 (11.81)

С установочным механизмом кол-ва тип 54

 

a2

a3

a5

c1

c2

g

L

z

  • PN 25, PN 40
    (MWP 363 psi, 580 psi)

245 (9.65)

208 (8.19)

495 (19.48)

80 (3.15)

144 (5.67)

205 (8.07)

270 (10.63)

54 (2.10) for electric switch

  • PN 63 (MWP 914 psi)

261 (10.28)

224 (8.82)

511 (20.12)

82 (3.23)

157 (6.18)

230 (9.06)

300 (11.81)

54 (2.10) for electric switch

Размеры фланцев смотри выше


Кольцевой счетчик DN 25 (1“) с доп. модулем

Для ступени давления PN 10 и PN 16 (MWP 145 psi и 232 psi)

Кольцевой счетчик DN 25 для PN 10 и PN 16 (MWP 145 psi и 232 psi) с доп. модулями, размеры в мм (дюймах)

Кольцевой счетчик DN 25 для PN 10 и PN 16 (MWP 145 psi and 232 psi) с доп. модулями, размеры в мм (дюймах)

Тип

01

02

03

04

05

06

07

Размер a для кольцевого счетчика с 1 теплоизоляционной вставкой

 

349 (13.74)

272 (10.71)

430 (16.93)

272 (10.71)

430 (16.93)

354 (13.94)

513 (20.20)

Размер a для кольцевого счетчика с 2 теплоизоляционными вставками

 

508 (20.00)

-

590 (23.23)

-

590 (23.23)

-

672 (23.78)


Для ступени давления PN 25, 40 и 63 (MWP 363 psi, 580 psi и 914 psi)

Кольцевой счетчик DN 25 для PN 25, PN 40 и PN 63 (MWP 363 psi, 580 psi и 914 psi) с доп. модулями, размеры в мм (дюймах)

Кольцевой счетчик DN 25 для PN 25, PN 40 и PN 63 (MWP 363 psi, 580 psi and 914 psi) с доп. модулями, размеры в мм (дюймах)

Тип

01

02

03

04

05

06

07

Размер a для кольцевого счетчика с 1 теплоизоляционной вставкой

  • PN 25, PN 40
    (MWP 363 psi, 580 psi)

404 (15.91)

327 (12.87)

486 (19.13)

327 (12.87)

486 (19.13)

409 (16.10)

568 (22.36)

  • PN 63
    (MWP 914 psi)

420 (16.54)

343 (13.50)

502 (19.76)

343 (13.50)

502 (19.76)

425 (29.25)

584 (18.19)

Размер a для кольцевого счетчика с 2 теплоизоляционными вставками

  • PN 25, PN 40
    (MWP 363 psi, 580 psi)

563 (22.17)

-

645 (25.39)

-

645 (25.39)

-

727 (28.62)

  • PN 63
    (MWP 914 psi)

579 (22.80)

-

661 (26.02)

-

661 (26.02)

-

743 (24.45)


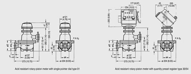
Кислотостойкий кольцевой счетчик DN 25 (1“)

Кислотостойкий кольцевой счетчик DN 25 (1“) без доп. модулей

Кислотостойкий кольцевой счетчик DN 25 для PN 10 с простым стрелочным механизмом или с установочным механизмом кол-ва, размеры в мм (дюймах), размеры фланцев см. выше

Кислотостойкий кольцевой счетчик DN 25 для PN 10 с двойным стрелочным механизмом, размеры в мм (дюймов), размеры фланцев см. выше

Кислотостойкий кольцевой счетчик DN 25 (1“) с доп. модулями

Кислотостойкий кольцевой счетчик DN 25 для PN 10 (MWP 145 psi) с доп. модулями, размеры в мм (дюймах)

Кислотостойкий кольцевой счетчик DN 25 для PN 10 (MWP 145 psi) с доп. модулями, размеры в мм (дюймах)

Тип

01

02

03

04

05

06

07

Размер a для кольцевого счетчика с 1 теплоизоляционной вставкой

 

442 (17.40)

365 (14.37)

524 (20.63)

365 (14.37)

524 (20.63)

447 (17.60)

606 (23.86)

Размер a для кольцевого счетчика с 2 теплоизоляционными вставками

 

601 (23.66)

-

683 (26.89)

-

683 (26.89)

-

765 (30.12)


Кольцевой счетчик DN 50 (2“)

Кольцевой счетчик DN 50 (2“) без доп. модулей

Для сиупени давления PN 6 и PN 16 (MWP 87 psi и 232 psi)

Кольцевой счетчик DN 50 (2“) для PN 6 и PN 16 (MWP 87 psi и 232 psi) с простым стрелочным механизмом. С установочным механизмом кол-ва, размеры в мм (дюймах)

Кольцевой счетчик DN 50 (2“) для PN 6 и PN 16 (MWP 87 psi и 232 psi) с двойным стрелочным механизмом, размеры в мм (дюймах)

Кольцевой счетчик DN 50 (2“) for PN 6 и PN 16 (MWP 87 psi и 232 psi) без доп. модулей, размеры в мм (дюймах)

с простым стрелочным механизмом типа 01 или с двойным стрелочным механизмом

a1

a2

a3

c

d1

e

g

h

hA

L

289 (11.38)

242 (9.53)

205 (8.07)

147 (5.79)

18 (0.71)

165 (6.50)

275 (10.83)

250 (9.84)

75 (2.95)

325 (12.80)

с установочным механизмом кол-ва тип 54

a2

a3

a5

c

g

h

hA

L

z

242 (9.53)

205 (8.07)

492 (19.37)

147 (5.79)

275 (10.83)

250 (9.84)

75 (2.95)

325 (12.80)

54 (2.10) для электрического выключателя

Размеры фланцев см. выше


Для ступени PN 25, PN 40 и PN 63 (MWP 363 psi, 580 psi и 914 psi)

Кольцевой счетчик DN 50 (2“) для PN 25, PN 40 и PN 63 (MWP 363 psi, 580 psi и 914 psi) с простым стрелочным механизмом или с установочным механизмом кол-ва, размеры в мм (дюймах)

Кольцевой счетчик DN 50 (2“) для PN 25, PN 40 и PN 63 (MWP 363 psi, 580 psi и 914 psi) с двойным стрелочным механизмом, размеры в мм (дюймах)

Кольцевой счетчик 50 (2“) для PN 25, PN 40 и PN 63 (MWP 363 psi, 580 psi и 914 psi) без доп. модулей, размеры в мм

с простым стрелочным механизмом тип 01 или двойным стрелочным механизмом

 

a1

a2

a3

c1

c2

g

L

 

  • PN 25, PN 40
    (MWP 363 psi, 580 psi)

347 (13.66)

300 (11.81)

263 (10.35)

120 (4.7)

205 (8.1)

330 (12.99)

400 (15.75)

  • PN 63 (MWP 914 psi)

369 (14.53)

322 (12.68)

285 (11.22)

120 (4.7)

230 (9.1)

385 (15.16)

470 (18.50)

с установочным механизмом кол-ва тип 54

 

a2

a3

a5

c1

c2

g

L

z

  • PN 25, PN 40
    (MWP 363 psi, 580 psi)

300 (11.8)

263 (10.4)

550 (21.7)

120 (4.7)

205 (8.1)

330 (12.99)

400 (15.8)

54 (2.10) для электрического выключателя

  • PN 63 (MWP 914 psi)

332 (12.7)

285 (11.2)

572 (22.5)

120 (4.7)

230 (9.1)

385 (15.2)

400 (15.8)

54 (2.10) для электрического выключателя

Размеры фланцев см. выше


Кольцевой счетчик DN 50 с доп. модулями

Для ступени давления PN 6 и PN 16 (MWP 87 psi и 232 psi)

Кольцевой счетчик DN 50 для PN 6 и PN 16 (MWP 87 psi and 232 psi) с доп. модулями, размеры в мм (дюймах)

Кольцевой счетчик DN 50 для PN 6 и PN 16 (MWP 87 psi и 232 psi) , размеры в мм

Тип

01

02

03

04

05

06

07

Размер a для кольцевого счетчика с 1 теплоизоляционной вставкой

 

401 (15.79)

324 (12.76)

483 (19.02)

324 (12.76)

483 (19.02)

406 (15.98)

565 (22.24)

Размер a для кольцевого счетчика с 2 теплоизоляционными вставками

 

560 (22.05)

-

 

-

642 (25.28)

-

724 (28.50)


Для ступени давления PN 25, 40 и 63 (MWP 363 psi, 580 psi и 914 psi)

Кольцевой счетчик DN 50 для PN 25, PN 40 и PN 63 (MWP 363 psi, 580 psi и 914 psi) с доп. модулями, размеры в мм (дюймах)

Кольцевой счетчик DN 50 для PN 25, PN 40 и PN 63 (MWP 363 psi, 580 psi and 914 psi) с доп. модулями, размеры в мм

Тип

01

02

03

04

05

06

07

Размер a для кольцевого счетчика с 1 теплоизоляционной вставкой

  • PN 25, PN 40
    (MWP 363 psi, 580 psi)

459 (18.07)

382 (15.04)

541 (21.30)

382 (15.04)

541 (21.30)

464 (18.27)

623 (24.53)

  • PN 63
    (MWP 914 psi)

481 (18.94)

404 (15.91)

563 (22.17)

404 (15.91)

563 (22.17)

486 (19.13)

645 (22.39)

Размер a для кольцевого счетчика с 2 теплоизоляционными вставками

  • PN 25, PN 40
    (MWP 363 psi, 580 psi)

618 (24.33)

-

700 (27.56)

-

700 (27.56)

-

782 (30.79)

  • PN 63
    (MWP 914 psi)

640 (25.20)

-

722 (28.43)

-

722 (28.43)

-

804 (31.65)


Кольцевой счетчик DN 80 (3“) без доп. модулей

Для ступени давления PN 6 (MWP 58 psi и 87 psi)

Кольцевой счетчик DN 80 для PN 6 (MWP 58 psi и 87 psi) с простым стрелочным механизмом или с установочным механизмом кол-ва, размеры в мм (дюймах)

Кольцевой счетчик DN 80 (3“) для PN 6 (MWP 58 psi and 87 psi) с двойным стрелочным механизмом, размеры в мм (дюймах)

Кольцевой счетчик DN 80 для PN 6 (MWP 58 psi и 87 psi) без доп. модулей, размеры в мм (дюймах)

с простым стрелочным механизмом тип 01 или с двойным стрелочным механизмом

a1

a2

a3

c

d1

e

g

h

L

328 (12.91)

281 (11.06)

244 (9.61)

185 (7.28)

18 (0.71)

190 (7.48)

365 (14.37)

340 (13.39)

410 (16.14)

с установочным механизмом кол-ва тип 54

a2

a3

a5

c

e

g

h

L

z

281 (11.06)

244 (9.61)

531 (20.91)

185 (7.28)

190 (7.48)

365 (14.37)

340 (13.39)

410 (16.14)

54 (2.10) для электрического выключателя

Размеры фланцев см. выше


Для ступени давления  PN 25, PN 40 и PN 63 (MWP 363 psi, 580 psi и 914 psi)

Кольцевой счетчик DN 80 для PN 25, PN 40 и PN 63 (MWP 363 psi, 580 psi и 914 psi) с простым стрелочным механизмом или с установочным механизмом кол-ва, размеры в мм (дюймах)

Кольцевой счетчик DN 80 (3“) для PN 25, PN 40 и PN 63 (MWP 363 psi, 580 psi и 914 psi) с двойным стрелочным механизмом, размеры в мм (дюймах)

Кольцевой счетчик DN 80 (3“) для PN 25, PN 40 и PN 63 (MWP 363 psi, 580 psi и 914 psi) без доп. модулей, размеры в мм

с простым стрелочным механизмом тип 01 или с двойным стрелочным механизмом

 

a1

a2

a3

c1

c2

g

L

 

  • PN 25, PN 40
    (MWP 363 psi, 580 psi)

415 (16.34)

368 (14.49)

331 (13.03)

155 (6.10)

271 (10.67)

450 (17.72)

540 (21.26)

  • PN 63 (MWP 914 psi)

471 (18.54)

424 (16.69)

387 (15.24)

177 (6.97)

312 (12.28)

515 (20.28)

600 (23.62)

с установочным механизмомкол-ва тип 54

 

a2

a3

a5

c1

c2

g

L

z

  • PN 25, PN 40
    (MWP 363 psi, 580 psi)

368 (14.48)

331 (13.03)

618 (24.33)

155 (6.10)

271 (10.67)

450 (17.72)

540 (21.26)

54 (2.10) для электрического выключателя

  • PN 63 (MWP 914 psi)

424 (16.69)

387 (15.24)

674 (26.54)

177 (6.97)

312 (12.28)

515 (20.28)

600 (23.62)

54 (2.10) для электрического выключателя

Размеры фланцев см. выше


Кольцевой счетчик DN 80 (3“) с доп. модулями

Для ступени давления  PN 4 и PN 6 (MWP 58 psi и 87 psi)

Кольцевой счетчик DN 80 (3“) для PN 6 и PN 16 (MWP 87 psi and 232 psi) с доп. модулями, размеры в мм (дюймах)

Кольцевой счетчик DN 80 (3“) для PN 4 и PN 6 (MWP 58 psi и 87 psi) с доп. модулями, размеры в мм (дюймах)

Тип

01

02

03

04

05

06

07

Размер a для кольцевого счетчика с 1 теплоизоляционной вставкой

 

440 (17.32)

363 (14.29)

522 (20.55)

363 (14.29)

522 (20.55)

445 (17.52)

604 (23.78)

Размер a для кольцевого счетчика с 2 теплоизоляционными вставками

 

599 (23.58)

-

781 (30.75)

-

781 (30.75)

-

763 (30.04)


Для ступени давления  PN 25, 40 и 63 (MWP 363 psi, 580 psi и 914 psi)

Кольцевой счетчик DN 80 (3“) для PN 25, PN 40 и PN 63 (MWP 363 psi, 580 psi и 914 psi) с доп. модулями, размеры в мм (дюймах)

Кольцевой счетчик DN 80 (3“) для PN 25, PN 40 и PN 63 (MWP 363 psi, 580 psi и 914 psi) с доп. модулями, размеры в мм

Тип

01

02

03

04

05

06

07

Размер a для кольцевого счетчика с 1 теплоизоляционной вставкой

  • PN 25, PN 40
    (MWP 363 psi, 580 psi)

527 (20.75)

450 (17.72)

609 (23.98)

450 (17.72)

609 (23.98)

532 (20.94)

691 (27.20)

  • PN 63
    (MWP 914 psi)

583 (22.95)

506 (19.92)

665 (26.18)

506 (19.92)

665 (26.18)

588 (35.67)

747 (24.61)

Размер a для кольцевого счетчика с 2 теплоизоляционными вставками

  • PN 25, PN 40
    (MWP 363 psi, 580 psi)

686 (27.01)

-

768 (30.24)

-

768 (30.24)

-

850 (33.46)

  • PN 63
    (MWP 914 psi)

742 (29.21)

-

824 (32.44)

-

824 (32.44)

-

906 (30.87)