
Rotary-piston meter with single pointer dial The rotary-piston meter is designed for applications other than for custody transfer and can be employed for flow rates up to 50 l/min (13.2 USgpm) depending on the viscosity of the metered liquid. The tolerance is 2% of the actual value. |
Область применения - Fuels for internal combustion engines, diesel, lubricating oils, paraffin oil, hydraulic oils
- Silicone fluids, flushing oils, cutting oils etc.
|
ДизайнThe rotary-piston meter has a single-pointer dial and is a fitted meter for mounting in pipelines - Metering mechanism
- Rotary-piston mechanism
- casing and measuring chamber made of zinc die-cast alloy,
- Rotary piston made of light alloy
- Registers
- Resettable double-pointer dial with non-resettable, 4-digit totalizer
- Scale diameter 80 mm
|
Технические данные | Rotary-piston meter with single pointer dial | | Liquids | Lubricating oils or other liquids with a viscosity range from 0.4 to 2000 mPa s, excluding liquid food | | | 2 l/min (0.53 USgpm) | | | 50 l/min (13.2 USgpm) | | Flow rate ratio (qmin : qmax) | 1 : 20 or 1 : 25 | | Minimum delivery quantity | 5.0 l (1.32 USg) | | Error limits | 2% of the actual value | | Nom. press. | PN 10 (MWP 145 psi) | | Max. permissible pressure loss | 3 bar (43.5 psi); at qmax and 100 mPa s (cp) the pressure loss is approx. 1 bar (14.5 psi) | | Max. permissible liquid temperature | 60 °C (140 °F) | | Permissible ambient temperature | 10 ... 60 °C (50 ... 140 °F) | | Mounting position | Any | | Pipe connection for liquid | Female thread G¾ DIN ISO 228/1 | | Single-pointer dial | | | | 100 l | | | 1.0 l | | Totalizer | | | | 9,999 l | | | 1 l | | Certificate and approvals | | | Classification according to pressure equipment directive (DRGL 97/23/EC) | For liquids of fluid group 1; complies with requirements of article 3, paragraph 3 (sound engineering practice SEP). | |
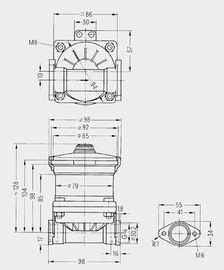
Чертеж Rotary-piston meter with single-pointer dial, dimensions in mm (inch) |
Заказные данные | Заказной № | Описание | Вес (кг) | Доставка | Мин. зак. (шт) | | 7MS1122-3A | КОЛЬЦЕВОЙ МЕХАНИЧЕСКИЙ СЧЕТЧИК МАКС. РАСХОД 50 L/MIN ОБОРОТ СЧЕТЧИКА 100 L | 1.2 | по запросу (D) | 1 | |
Заказные данные [PDF] |
Аксессуары | Заказной № | Описание | Вес (кг) | Доставка | Мин. зак. (шт) | | C73000-B5174-C21 | РУКОВОДСТВО, GERMAN/ENGLISH FOR PISTOL-GRIP METERS | 0.1 | по запросу (D) | 1 | |
|