
Кольцевой счетчик с электронным импульсным датчиком и суммирующим устройством Кольцевой счетчик имеет электронный импульсный датчик и суммирующий механизм. Кольцевой счетчик допущен для официальной калибровки в ЕС (допуск ЕС). В режиме обязательной калибровки макс. расход составляет 15 л/мин (3.96 USgpm). Без обязательной калибровки счетчик – в зависимости о вязкости измеряемого вещества – может использоватьсядо макс. 50 л/мин (13.2 USgpm). Граница погрешности составляет 1% от фактического значения. |
Область применения - Спирты (безводные), ароматические углеводороды, алифатические углеводороды (производные минерального масла), хлористые углеводороды (безводные)
- Дизельное и бензиновое топливо, котельное топливо EL, керосин, парафиновое масло, гидравлические масла
- Силиконосодержащие вещества, промывочные масла, масла для охлаждения и смазки режущего инструмента и подобные вещества.
|
ДизайнКольцевой счетчик имеет электронный импульсный датчик и суммирующий механизм. Кольцевой счетчик это стационарный счетчик для установки в трубопроводы. - измерительный механизм:
- Измерительный механизм с кольцевыми поршнями;
- Корпус и измерительные камеры из цинкового литья под давлением,
- Кольцевые поршни из легкого сплава
- Электронный импульсный датчик с двойным ползунком
- ЖКД
|
Технические данные | Кольцевой счетчик с электронным импульсным датчиком и суммирующим устройством | | Измеряемые вещества | Смазочное масло или прочие измеряемые вещества в диапазоне вязкости от 20 до 2000 mPa · s, за исключением жидких продуктов питания | | Мин. предел расхода | 1 или 1.5 л/мин (0.26 или 0.4 USgpm) | | Макс. предел расхода | 15 л/мин (4 USgpm) | | Соотношение расхода(qмин : qмакс) | 1 : 10 | | Наименьшее количество измерения | 0.5 л (0.13 USg) | | Границы погрешности | | - для официальной проверки в ЕС
| 3% от факт. значения | | | В соответствии с действующими правилами | | Ном. давление | PN 10 (MWP 145 psi) | | Max. permissible pressure loss | 3 бар (43.5 psi); при qмакс и 100 mPa s (cp) th потеря давления составляет около 0.3 бар (4.35 psi) | | Макс. доп. температура измеряемого вещества | 40 °C (104 °F) | | Доп. внешняя температура | 0 ... 60 °C (32 ... 140 °F) | | Позиция монтажа | Любая | | Подключение трубопровода для измеряемого вещества | Внутреняя резьба G¾ DIN ISO 228/1 | | Импульсный датчик | | | Кол-во двойных импульсов | 100 имп./л | | Смещение импульсов | 90° ± 30° | | Напряжение | 8 ... 30 В | | Расход тока | <30 мА | | Макс. частота | 400 Гц | | Импульсные выходы | макс. 30 мА | | Индикация | ЖКД | | | 6-значная | | | 6-значная | | Десятичная точка | xxx.xxx | | Разрешение | 5 ml | | Сертификаты и допуски | | | Подразделение согласно Руководству по приборам давления (DRGL 97/23/EC) | Для жидкостей флюидной группы 1; отвечает требованиям по статье 3, абзац 3 (хорошая инженерная практика SEP) | |
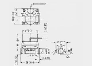
Чертеж Кольцевой счетчик с электронным импульсным датчиком и суммирующим механизмом, размеры в мм (дюймах) |
Схема подключения Схема соединения |
Заказные данные [PDF] |
Заказные данные | Заказной № | Описание | Вес (кг) | Доставка | Мин. зак. (шт) | | 7MS1214-1D | КОЛЬЦЕВОЙ МЕХАНИЧЕСКИЙ СЧЕТЧИК С ОПТОЭЛЕКТРОННЫМ ИСТОЧНИКОМ ИМПУЛЬСОВ И СЧЕТЧИКОМ , МАКС. РАСХОД 15 L/MIN, ПРОТОК СЛЕВА НАПРАВО | 2.9 | по запросу (D) | 1 | | 7MS1214-1E | КОЛЬЦЕВОЙ МЕХАНИЧЕСКИЙ СЧЕТЧИК С ОПТОЭЛЕКТРОННЫМ ИСТОЧНИКОМ ИМПУЛЬСОВ И СЧЕТЧИКОМ , МАКС. РАСХОД 10 L/MIN, ПРОТОК СЛЕВА НАПРАВО | 2.9 | по запросу (D) | 1 | | 7MS1214-1F | КОЛЬЦЕВОЙ МЕХАНИЧЕСКИЙ СЧЕТЧИК С ОПТОЭЛЕКТРОННЫМ ИСТОЧНИКОМ ИМПУЛЬСОВ И СЧЕТЧИКОМ , МАКС. РАСХОД 50 L/MIN, ПР | 2.9 | 6 - 8 недель (C) | 1 | | 7MS1214-2D | КОЛЬЦЕВОЙ МЕХАНИЧЕСКИЙ СЧЕТЧИК С ОПТОЭЛЕКТРОННЫМ ИСТОЧНИКОМ ИМПУЛЬСОВ И СЧЕТЧИКОМ МАКС. РАСХОД 15 L/MIN ПРОТОК СПРАВА НАЛЕВО | 2.9 | по запросу (D) | 1 | | 7MS1214-2E | КОЛЬЦЕВОЙ МЕХАНИЧЕСКИЙ СЧЕТЧИК С ОПТОЭЛЕКТРОННЫМ ИСТОЧНИКОМ ИМПУЛЬСОВ И СЧЕТЧИКОМ МАКС. РАСХОД 10 L/MIN ПРОТОК СПРАВА НАЛЕВО | 2.98 | по запросу (D) | 1 | | 7MS1214-2F | КОЛЬЦЕВОЙ МЕХАНИЧЕСКИЙ СЧЕТЧИК С ОПТОЭЛЕКТРОННЫМ ИСТОЧНИКОМ ИМПУЛЬСОВ И СЧЕТЧИКОМ МАКС. РАСХОД 50 L/MIN ПРОТОК СПРАВА НАЛЕВО | 2.9 | по запросу (D) | 1 | | 7MS1214-3D | КОЛЬЦЕВОЙ МЕХАНИЧЕСКИЙ СЧЕТЧИК 20/20 С ОПТОЭЛЕКТРОННЫМ ИСТОЧНИКОМ ИМПУЛЬСОВ И СЧЕТЧИКОМ МАКС. РАСХОД 15 L/MIN ПРОТОК СНИЗУ ВВЕРХ | 2.9 | по запросу (D) | 1 | | 7MS1214-3E | КОЛЬЦЕВОЙ МЕХАНИЧЕСКИЙ СЧЕТЧИК С ОПТОЭЛЕКТРОННЫМ ИСТОЧНИКОМ ИМПУЛЬСОВ И СЧЕТЧИКОМ МАКС. РАСХОД 10 L/MIN ПРОТОК СНИЗУ ВВЕРХ | 2.9 | по запросу (D) | 1 | | 7MS1214-3F | КОЛЬЦЕВОЙ МЕХАНИЧЕСКИЙ СЧЕТЧИК С ОПТОЭЛЕКТРОННЫМ ИСТОЧНИКОМ ИМПУЛЬСОВ И СЧЕТЧИКОМ МАКС. РАСХОД 50 L/MIN ПРОТОК СНИЗУ ВВЕРХ | 2.9 | по запросу (D) | 1 | | 7MS1214-4D | КОЛЬЦЕВОЙ МЕХАНИЧЕСКИЙ СЧЕТЧИК С ОПТОЭЛЕКТРОННЫМ ИСТОЧНИКОМ ИМПУЛЬСОВ И СЧЕТЧИКОМ МАКС. РАСХОД 15 L/MIN ПРОТОК СВЕРХУ ВНИЗ | 2.9 | по запросу (D) | 1 | | 7MS1214-4E | КОЛЬЦЕВОЙ МЕХАНИЧЕСКИЙ СЧЕТЧИК С ОПТОЭЛЕКТРОННЫМ ИСТОЧНИКОМ ИМПУЛЬСОВ И СЧЕТЧИКОМ МАКС. РАСХОД 10 L/MIN ПРОТОК СВЕРХУ ВНИЗ | 2.9 | по запросу (D) | 1 | | 7MS1214-4F | КОЛЬЦЕВОЙ МЕХАНИЧЕСКИЙ СЧЕТЧИК С ОПТОЭЛЕКТРОННЫМ ИСТОЧНИКОМ ИМПУЛЬСОВ И СЧЕТЧИКОМ МАКС. РАСХОД 50 L/MIN ПРОТОК СВЕРХУ ВНИЗ | 2.9 | по запросу (D) | 1 | |
Аксессуары | Заказной № | Описание | Вес (кг) | Доставка | Мин. зак. (шт) | | L22910-E151-U20 | РУКОВОДСТВО ДЛЯ КОЛЬЦЕВОГО СЧЕТЧИКА SCHMIER- OELZAEHLER MIT IMPULSAUSGANG | 2 | по запросу (D) | 1 | |
|