0

Разделы

Скачать Заказные данные 
Изолирующий источник питания SITRANS I100 с HART

Аналоговый вход 0/4 … 20 мАИзолирующий источник питания используется для искробезопасной работы 2-ух и 3-проводных преобразователей и для соединения с искробезопасными источниками тока.Двух и 3-проводные преобразователи питаются от блока питания передатчика.Для 2-проводных преобразователей изоляторы осуществляют двунаправленную передачу сигнала по HART коммуникациям.

 


Особенности

Скачать Заказные данные 
Изолирующий источник питания SITRANS I100 с HART

Активный выход 0/4 … 20 мАПодходит для 2-, 3-проводных преобразователей, 2-проводных HART передатчиков и источников тока.Искробезопасный вход [Ex ia] IICГальваническая развязка между входным, выходным и дополнительным питанием.Определение тока холостого хода и тока короткого замыкания, а также сообщения по входу и выходу (может быть отключено).Установка возможна в Зоне 2, Div. 2.Может использоваться до SIL 2 (IEC 61508)

 

Зоны

 

0

1

2

20

21

22

Ex i - интерфейс

X

X

X

X

X

X

Установка без Ех

 

 

X

 

 

X

 

 


Дизайн

Скачать Заказные данные 
Изолирующий источник питания SITRANS I100 с HART

Изолирующий источник питания для HART имеет пластиковый корпус (IP30) и оборудован винтовыми клеммами.На передней панели находятся зеленый светодиод для индикации напряжения питания и красный светодиод для оповещения об ошибках.Дополнительный источник питания может быть подключен отдельно при помощи винтовых клемм или совместно для питания до 40 устройств при использовании pac-Bus.

Изолирующий источник питания SITRANS I100, функциональная блок-схема.

 


Технические данные

Скачать Заказные данные 
Изолирующий источник питания SITRANS I100 с HART

SITRANS I100 Изолирующий источник питания с HART

Ex i вход

 

Входной сигнал

0/4 ... 20 мА c HART

Функциональный диапазон

0 ... 24 мА

Макс. входной ток для источников тока

50 мА

Напряжение питания преобразователя

≥ 16 В при 20 мА (для 2-, 3-проводных)

Остаточные пульсации напряжения питания

≤ 25 мВeff

Напряжение холостого хода

≤ 26 В

Ток короткого замыкания

≤ 35 мА

Входное сопротивление (Импеданс HART)

≈ 500 Ом

Входное сопротивление для источников тока

30 Ом

Сигнал коммуникации (для 2-проводных преобразователей)

Двунаправленная HART передача, 0.5 кГц … 30 кГц

Выход

 

Выходной сигнал

0/4 ... 20 мА с HART

Сопротивление нагрузки RL

0 ... 600 Ом (клеммы 1+/2-)

0 ... 379 Ом (клеммы 3+/2)

(с внутренним сопротивлением 221 Ом для HART)

Остаточные пульсации

≤ 40 мкАeff

Напряжение холостого хода

≤ 15.5 В

Коммуникационный сигнал

Двунаправленная HART передача, 0.5 кГц … 30 кГц

Время отклика (10 % ... 90 %)

≤ 25 мс

Точность измерения

Точность, типовые данные выраженные в % от откалиброванной шкалы при UN, 23 °C

 

Ошибка линеаризации

≤ 0.1 %

Ошибка сдвига

≤ 0.1 %

Влияние температуры

≤ 0.1 %/10 K

Влияние напряжения питания

≤ 0.01 %

Влияние сопротивления нагрузки

≤ 0.02 %

Рабочие условия

 

Степень защиты корпуса

IP30

Степень защиты клемм

IP20

Окружающие условия

 

• Температура окружающей среды

-20 °C ... +60 °C/+70 °C (-4 ... +140/+158 °F)(см. инструкцию по эксплуатации)

• Температура хранения

-40 °C ... +80 °C (-40 ... +176 °F)

• Относительная влажность (без конденсации)

≤ 95 %

Электромагнитная совместимость

Протестировано в соответствии с нормами и требованиями: EN 61326-1 Использование в промышленных условиях 

Механические характеристики

 

Винтовые клеммы

 

• Однопроводное подключение

 

  • Жесткое

0.2 ... 2.5 мм2

  • Гибкое

0.2 ... 2.5 мм2

  • Гибкие с наконечниками (без/с пластиковым наконечником)

0.25 ... 2.5 мм2

• Двухпроводное соединение

 

  • Жесткое

0.2 ... 1 мм2

  • Гибкое

0.2 ... 1.5 мм2

  • Гибкое с наконечниками

0.25 ... 1 мм2

Масса

Приблизительно 160 гр.

Тип установки

На DIN рейку в соответствии с EN 50022 (NS35/15; NS35/7.5)

Позиция установки

Вертикальная или горизонтальная

Материал корпуса

PA 6.6

 Класс противопожарной защиты (UL-94)

V0

Вспомогательное питание

 

Номинальное напряжение  UN

24 В пост. тока

Диапазон напряжений

18 ... 31.2 В

Пульсации напряжения

≤ 3.6 ВSS

Номинальный ток (UN, 20 mA)

70 мА

Потребляемая мощность (UN, 20 mA)

1.7 Вт

Потери (at UN, RL = 250 O)

1.3 Вт

Индикатор работы

Зеленый светодиод «PWR»

Защита от обратной полярности

Есть

Контроль понижения напряжения

Есть (не для неисправного модуля/выходных состояний)

Гальваническая развязка

 

  • Тестовое напряжение согласно EN 60079-11

 

  • Ex i вход - выход

1.5 кВ перем. тока

  • Ex i вход – вспом. питание

1.5 кВ перем. тока

  • Ex i вход – контакт ошибки

1.5 кВ перем. тока

  • Тестовое напряжение согласно EN 50178

 

  • Выход – вспом. питание

350 В перем. тока

  • Контакт ошибки – вспом. питание и выход

350 В перем. тока

Обнаружение ошибки Ex i входа

 

  • Холостой ход

< 2 мА

  • Короткое замыкание

> 22 мА

  • Состояние выхода

= Входной сигнал

  • Выходной ток при IE = 0

IA = 0 мА

Выход обнаружения ошибки

 

  • Холостой ход

< 2 мА

Неправильное соединение Ex i входа/выхода

 

  • Настройки (переключатель LF)

Активен/не активен

  • Индикация ошибки

Красный светодиод «LF»

Неправильное соединение и потеря напряжения питания

  • Контакт (30 В/100 мА), замкнут на землю в случае ошибки
  • pac-Bus, плавающий контакт (30 В/100 мА)

Сертификаты и допуски

 

Взрывозащита ATEX

 

  • Сертификат типовых испытаний EC

DMT 03 ATEX E 010 X

  • Степень защиты

II 3 (1) G Ex nA nC [ia] IIC T4

II (1) D [Ex iaD]

Установка

In Zone 2, Div. 2 и в безопасной области

Остальные допуски

USA (FM) (ожидается)

Canada (CSA) (ожидается)

Shipping (DNV)

Тех. условия по безопасности (CENELEC)

 

  • Макс. напряжение Uo

27 В

  • Макс. ток Io

88 мА

  • Макс. мощность Po

576 мВт

  • Макс. подключаемая емкость Co для IIC/IIB

90 nF/705 пФ

  • Макс. подключаемая индуктивность Lo для IIC/IIB

2.3 mH/14 мГн

  • Внутренняя емкость Ci и индуктивность Li

Пренебрежимо малы

  • Напряжение пробоя Um

253 В

  • С подключенными источниками тока:

 

  • Макс. выходное напряжение Uo

4.1 В

  • Макс. подключаемое напряжение Ui

30 В

  • Макс. подключаемый ток Ii

100 мА

  • Внутренняя емкость Ci и индуктивность Li

Пренебрежимо малы

  • • За более подробной информации и  значениями см. сертификаты..

 

 

 


Чертеж

Скачать Заказные данные 
Изолирующий источник питания SITRANS I100 с HART

SITRANS I100 изолированный источник питания с HART, размеры в мм (дюймах)

 


Схема подключения

Скачать Заказные данные 
Изолирующий источник питания SITRANS I100 с HART

SITRANS I100 изолированный источник питания с HART, схема внешних соединений

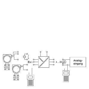
I100 изолированный источник питания с HART, внешняя конфигурация

 


Заказные данные

Скачать Заказные данные 

Цена на сайте указана розничная в ЕВРО без учета НДС.Для уточнения цены и размера предоставляемой скидки - звоните или присылайте заявки

Заказной номерPGОписание продуктаЦена
7NG4124-0AA00810SITRANS I100 ISOLATING POWER SUPPLY HART, RAIL MOUNTING FOR 2/3-WIRE TRANSMITTER AND MA-SOURCES INTRINSICALLY SAFE INPUT 0/4-20MA; POWERSUPPLY: DC 24V 172.78

 


Аксессуары

Скачать Заказные данные 

Цена на сайте указана розничная в ЕВРО без учета НДС.Для уточнения цены и размера предоставляемой скидки - звоните или присылайте заявки

Заказной номерPGОписание продуктаЦена
7NG4998-1AA810SITRANS I BASIC SET PAC-BUS WITH 5 SINGLE ELEMENTS AND TERMINAL SET (BEGIN AND END) 46.96
7NG4998-1AB810SITRANS I EXTENSION SET PAC-BUS WITH 5 SINGLE ELEMENTS 40.39