0

Разделы

Скачать Заказные данные 
ENG: Instrument brackets

The instrument brackets are needed to mount the following units:

  • Pressure gauges with threaded connection at the bottom
  • Shut-off valves to DIN 16270, DIN 16271 and DIN 16272 (7MF9401­‑7.. and 7MF9401‑8..)

 


Чертеж

Скачать Заказные данные 
ENG: Instrument brackets

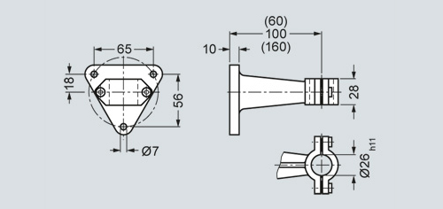
M56340-A0046/-A0047 instrument bracket form H, for wall mounting, dimensions in mm

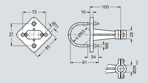
M56340-A0053/-A0079 instrument bracket form A, wall or pipe mounting, dimensions in mm

 


Заказные данные

Скачать Заказные данные 

Цена на сайте указана розничная в ЕВРО без учета НДС.Для уточнения цены и размера предоставляемой скидки - звоните или присылайте заявки

Заказной номерPGОписание продуктаЦена
M56340-A0046807Монтажный уголок тип H по DIN 16281, материал алюминий, вылет 60 мм. 12.30
M56340-A0047807Монтажный уголок тип H по DIN 16281, материал алюминий, вылет 100 мм. 13.57
M56340-A0053807Монтажный уголок тип А по DIN 16281, материал чугун, вылет 100 мм. 39.33
M56340-A0079807Монтажный уголок тип А по DIN 16281, материал чугун, вылет 100 мм, с креплением на трубу. 53.53