0

Разделы

ENG: Factory-mounting of valve manifolds on SITRANS P transmitters
Преобразователи давления SITRANS P
  • P300 для измерения относительного и абсолютного давления,
  • DS III для измерения относительного и абсолютного давления
  • DS III для измерения дифференциального давления

могут поставляться в сборе со следующими вентильными блоками:

7MF9011-4EA и 7MF9011-4FA вентильные блоки для преобразователей давления относительного и абсолютного давления

7MF9411-5BA и 7MF9411-5CA вентильные блоки для преобразователей дифференциального и абсолютного давления

 


Дизайн

ENG: Factory-mounting of valve manifolds on SITRANS P transmitters

В стандартной комплектации вентильные блоки 7MF9011-4EA комплектуются прокладками из ПТФЭ. Прокладки из мягкого железа, нержавеющей стали и медные, также доступны для герметизации, если необходимо.

Вентильные блоки 7MF9011-4FA герметизируются лентой PTFE между трансмиттером и блоком.

Вентильные блоки 7MF9411-5BA и 7MF9411-5CA герметизируются кольцами PTFE между трансмиттером и блоком.

Once installed, the complete unit is checked under pressure (compressed air 6 bar g (87 psi g) for leaks and is certified leak-proof with a factory certificate to EN 10204 - 2.2.

All valve manifolds should preferably be secured with the respective mounting brackets. The transmitters are mounted on the valve manifold and not on the unit itself.

If you order a mounting bracket when choosing the option "Factory mounting of valve manifolds", you will receive a mounting bracket for the valve manifold instead of a bracket for mounting the transmitter.

If you order an acceptance test certificate 3.1 to EN10204 when choosing the option "Factory mounting of valve manifolds", a separate certificate is provided for the transmitters and the valve manifolds respectively.

 


Конфигурация

ENG: Factory-mounting of valve manifolds on SITRANS P transmitters
 

7MF9011-4FA valve manifold on relative and absolute pressure transmitters

Add -Z to the Order No. of the transmitter and add order codes

 

SITRANS P DSIII 7MF403.-...1.-..., 7MF423.-...1.-...and

SITRANS P300 7MF802.-...1.-...

With process connectionfemale thread ½-14 NPTin-sealed with PTFE sealing tape

Delivery incl. high-pressure test certified by factory certificate to EN10204-2.2

T03

Further designs:

 

Delivery includes mounting brackets and mounting clips made of stainless steel (instead of the mounting bracket supplied with the transmitter)

A02

Supplied acceptance test certificate to EN 10204- 3.1 for transmitters and mounted valve manifold

C12

7MF9011-4EA valve manifold on relative and absolute pressure transmitters

Add -Z to the Order No. of the transmitter and add order codes

 

SITRANS P DSIII 7MF403.-...0.-..., 7MF423.-...0.-... and

SITRANS P300 7MF802.-...0.-...

T02

with process connectioncollar G1/2 A to EN837-1with gasket made of PTFE between valve manifold and transmitter

 

Alternative sealing material:

 
  • Soft iron

A70

  • Stainless steel, Mat. No. 14571

A71

  • Copper

A72

Delivery incl. high-pressure test certified by factory certificate to EN10204-2.2

 

Further designs:

 

Delivery includes mounting brackets and mounting clips made of stainless steel (instead of the mounting bracket supplied with the transmitter)

A02

Supplied acceptance test certificate to EN 10204- 3.1 for transmitters and mounted valve manifold

C12

7MF9411-5BA valve manifold on absolute and differential pressure transmitters

Add -Z to the Order No. of the transmitter and add order codes

 

SITRANS P DSIII 7MF433.-…, 7MF443.-… and 7MF453.-… 1)

 

mounted with gaskets made of PTFE and screws made of

 
  • chromized steel

U01

  • made of stainless steel

U02

Delivery incl. high-pressure test certified by factory certificate to EN10204-2.2

 

Further designs:

 

Delivery includes mounting bracket and mounting clips made of

 
  • Steel

A01

  • Stainless steel

A02

(instead of the mounting bracket supplied with the transmitter)

 

Supplied acceptance test certificate to EN10204-3.1 for transmitters and mounted valve manifold

C12

7MF9411-5CA valve manifold on differential pressure transmitters

Add -Z to the Order No. of the transmitter and add order codes

 

SITRANS P DSIII 7MF443.-... and 7MF453.-…1 1)

 

mounted with gaskets made of PTFE and screws made of

 
  • chromized steel

U03

  • Stainless steel

U04

Delivery incl. high-pressure test certified by factory certificate to EN10204-2.2

 

Further designs:

 

Delivery includes mounting bracket and mounting clips made of

 
  • Steel

A01

  • Stainless steel

A02

(instead of the mounting bracket supplied with the transmitter)

 

Supplied acceptance test certificate to EN10204-3.1 for transmitters and mounted valve manifold

C12

1) For 7MF453.-... transmitters, you require a 7/10-20 UNF connection thread in the process flange

 


Чертеж

ENG: Factory-mounting of valve manifolds on SITRANS P transmitters
Valve manifolds mounted on SITRANS P DS III

Manifold 7MF9011-4EA with mounted relative pressure and absolute pressure transmitters

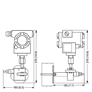
Manifold 7MF9011-4EA with mounted relative pressure and absolute pressure transmitters, dimensions in mm (inch)

Manifold 7MF9011-4FA with mounted relative pressure and absolute pressure transmitters

Manifold 7MF9011-4FA with mounted relative pressure and absolute pressure transmitters, dimensions in mm (inch)

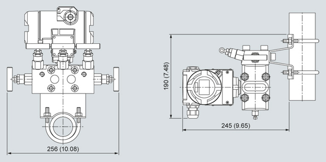
Manifold 7MF9411-5BA with mounted differential pressure transmitter

Manifold 7MF9411-5BA with mounted differential pressure transmitter, dimensions in mm (inch)

Manifold 7MF9411-5CA with mounted differential pressure transmitter

Manifold 7MF9411-5CA with mounted differential pressure transmitter, dimensions in mm (inch)

Valve manifolds mounted on SITRANS P300

Manifold 7MF9011-4EA with mounted relative pressure and absolute pressure transmitters

Manifold 7MF9011-4EA with mounted relative pressure and absolute pressure transmitters, dimensions in mm (inch)

Manifold 7MF9011-4FA with mounted relative pressure and absolute pressure transmitters

Manifold 7MF9011-4FA with mounted relative pressure and absolute pressure transmitters, dimensions in mm (inch)