0

Разделы

Ex-интерфейс, тип Pi - Accessories

Ex-интерфейс, тип  Pi - Accessories

Взрывозащищенный интерфейс типа SIWAREX Pi может использоваться с весоизмерительными модулями SIWAREX U, CS, FTA, FTC, M и P. Он содержит 6 защитных барьеров и имеет допуск FM для приборов класса I гр.1. Взрывозащищенный интерфейс монтируется вне взрывоопасной зоны.

Эксплуатация в странах Европейского Союза не допускается.

Функции

Принцип действия

Защитные барьеры ограничивают ток и напряжения в линиях питания, кабелях датчиков и линиях передачи сигналов измерительных ячеек, установленных на взрывоопасном участке.

Функциональный план

Технические данные

Взрывозащищенный интерфейс, тип SIWAREX Pi

электрические цепи без собственной защиты

Точность взвешивания при использовании:

 
  • SIWAREX U

0,05 % (3000 d)

  • SIWAREX M

0,01 % (6000 d)

  • SIWAREX P

0,10 %

Питание весоизмерительных ячеек

 

Номинальное напряжение Un1

Постоянный ток 10 В

Допустимое напряжение на корпусе

250 В переменного тока

Внутреннее сопротивление измерительных ячеек

≥ 87 Ω

(общее)

< 4010 Ω

Кабель датчика

 

Номинальное напряжение Un2

Постоянный ток 10 В

Допустимое напряжение на корпусе

250 В переменного тока

Линия передачи измеренных значений

 

Номинальное напряжение Un3

10 ... 40 мВ постоянного тока

Допустимое напряжение на корпусе

250 В переменного тока

электрические цепи с собственной защитой

Питание весоизмерительных ячеек

 

Напряжение холостого хода U01

Напряжениепротив PAL

≤ 13,2 В постоянного тока

≤ 6,6 В постоянного тока

Ток короткого замыкания IK1

≤ 122 мA

Кабель датчика

 

Напряжение холостого хода U02

Напряжение против PAL

≤ 14,4 В постоянного тока

≤ 7,2 В постоянного тока

Ток короткого замыкания IK2

≤ 25 мA

Линия передачи измеренных значений

 

Напряжение холостого хода U03

Напряжение против PAL

≤ 12,6 В постоянного тока

≤ 6,3 В постоянного тока

Ток короткого замыкания IK3

≤ 72 мA

Общая потребляемая мощность

(при совместном включении электрических цепей)

 

Напряжение холостого хода U0

≤ 14,4 В постоянного тока

Ток короткого замыкания IK

≤ 219 мA

Мощность PO

≤ 1,93 Вт

для газов группы II C

 

предельно допустимая внешняя емкость Ca3

210 нанофарад

предельно допустимая внешняя индуктивность La

0,3 мГн

для газов группы II B

 

предельно допустимая внешняя емкость Ca3

890 нанофарад

предельно допустимая внешняя индуктивность La

1 мГн

Общие характеристики

Габариты корпуса

см. габаритный чертеж

Вес

2 200 г

Сертификаты UL/CSA

да

Доп. температура окружающей среды

 
  • в работе

-10 ... +70 °C

  • в работе в качестве калибруемых торговых весов

-10 ... +40 °C

  • при транспортировке и хранении

-40 ... +85 °C

Доп. относительная влажность воздуха

≤ 95 %

Степень защиты

IP54

Тип защиты от возгорания

Собственная защита "i"

FM класс I группа 1


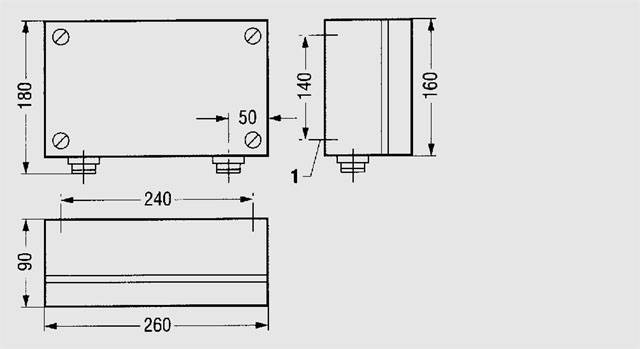
Чертеж

1 отверстие с крепёжным винтом ∅ 7 мм

Электрические соединительные элементы: 2 резьбовых соединения Pg и клеммы
Материал корпуса: алюминий, литой под давлением

Взрывозащищенный интерфейс, тип SIWAREX Pi, габариты

Заказные данные

Заказной №ОписаниеВес (кг)ДоставкаМин. зак. (шт)
7MH4710-5AASIWAREX P ВЗВЕШ.ИЗМЕРИТ.СИТЕМ. ПРОМЕЖУТ. БОКС ДЛЯ INTRINSICALLY-SAFE СОЕДИН.С НАГРУЗОЧНЫМИ ЯЧЕЙКАМИ2.85по запросу (D)1

Аксессуары

Заказной №ОписаниеВес (кг)ДоставкаМин. зак. (шт)
7MH4702-8AFКАБЕЛЬ ДЛЯ SIWAREX P LI2Y 2X0,75ST + 2X (2X0,34ST) -CY, СИНИЙOVERING, APPROX. 10.8 MM OUTER DIAMETER, AMBIENT TEMPERATURE -20 TO +70 CEL.OVERING, APPROX. 10.8 MM OUTER DIAMETER, AMBIENT TEMPERATURE -20 TO +70 CEL.0.166 - 8 недель (C)1
7MH4702-8AGКАБЕЛЬ ДЛЯ SIWAREX U, M, P,А LI2Y 2X0,75ST + 2 (2X0,34ST) CY, ОРАНЖЕВЫЙER DIAMETER AMBIENT TEMPERATURE -20 TO +70 CEL.ER DIAMETER AMBIENT TEMPERATURE -20 TO +70 CEL.0.166 - 8 недель (C)1
C71000-T5974-C29SIWAREX INSTRUCTION РУКОВОДСТВО FOR CONNECT. OF SIWAREX P TO INTERMED. BOX (EX- I INTERFACE)0.1по запросу (X)1