0

Разделы

Электропневматические преобразователи


grey line

EP-8000

Электропневматические преобразователи

 

Электропневматические преобразователи ЕР-8000 преобразуют сигнал по напряжению или по току от электронного контроллера в выходной пневматический сигнал по давлению. Увеличение или уменьшение входного сигнала ведёт, соответственно, к увеличению или уменьшению выходного сигнала по давлению от ЕР-8000.


Преобразователь предназначен для подачи пропорционального пневматического управляющего сигнала, соответствующего электронному управляющему сигналу. Все приборы оснащены трубками для подвода воздуха внешним диаметром 5/32 или 1/4 дюйма.


Последовательность работы пневматических клапанов или приводов заслонок определяется с помощью позиционеров приводов Johnson Controls V-9502 (клапан) или D-9502 (заслонка). Выпускаются преобразователи 4 моделей, которые разделяются на 2 основные группы: выходные устройства малого объёма (без реле) и выходные устройства большого объёма (с реле).



EP-8000


• Компактность и простота конструкции
• Выбор типа входного сигнала 0-10 VDC или 4-20 мА
• Прибор для тестовых испытаний
• Заводская настройка, полностью регулируемые
  нулевая точка и амплитуда изменения выходного сигнала
• Высокая точность и небольшой гистерезис



plan

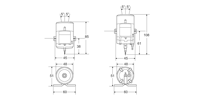
Размеры в мм