0

Разделы

Скачать Аксессуары 
Эластомерные опоры

Самоцентрующаяся эластомерная опора для весоизмерительной ячейки SIWAREX WL230 BB-S SA это идеальный элемент для встройки ячеек в весы без монтажных наборов. Она депмфирует вибрацию и удары.

 


Дизайн

Скачать Аксессуары 
Эластомерные опоры

Эластомерная опора это резино-металлическая композиция из неопрена и нерж. стали. Она гарантируют хорошие эластичные перемещения (то есть высокую степень демпфирования) несмотря на маленькие размеры.

Если перемещение больше чем на 4 мм в горизонтальном направлении, меры для того, чтобы ограничить поперечное движение (например, остановки) должны быть обеспечены конструкцией монтажного набора

В комбинации с опорной плитой и интегрированной защитой от перегрузки, обеспечивается что весоизмерительная ячейка не будет повреждена статической перегрузкой с вертикальными силами до 5 kN.

Весоизмерительная ячейка и опорная плита не включены в объем поставки эластомерной опоры.

 


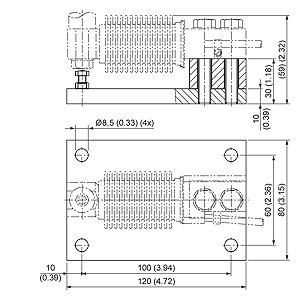
Чертеж

Скачать Аксессуары 
Эластомерные опоры

Эластомерная опора для вес. ячейки SIWAREX WL230 BB-S SA, 10 кг ...  200 кг, размеры в мм

 


Заказные данные

Скачать Аксессуары 

Цена на сайте указана розничная в ЕВРО без учета НДС.Для уточнения цены и размера предоставляемой скидки - звоните или присылайте заявки

Заказной номерPGОписание продуктаЦена
7MH4133-2KE11817SIWAREX R УЗЕЛ ВСТРОЙКИ ЭЛАСТОМЕРА ДЛЯ НАГРУЗОЧНЫХ ЯЧЕЕК СЕРИИ BB - РАСЧЕТНАЯ НАГРУЗКА 10 KG,20 KG,50 KG - СДЕЛАНО ИЗ ГАЛЬВАНИЗИРОВАННОЙ СТАЛИ 83.74
7MH4133-3DE11817SIWAREX R УЗЕЛ ВСТРОЙКИ ЭЛАСТОМЕРА ДЛЯ НАГРУЗОЧНЫХ ЯЧЕЕК СЕРИИ BB - РАСЧЕТНАЯ НАГРУЗКА 100 KG/200 KG - СДЕЛАНО ИЗ НЕРЖАВЕЮЩЕЙ СТАЛИ 85.86