0

Разделы

Скачать Аксессуары 
Эластомерная опора с базовой платой с защитой от перегрузок

Самоцентрирующаяся эластомерная опора для весоизмерительных ячеек серии BB - это идеальный элемент распределения нагрузки для весов без соединений. Она служит для гашения вибрации и ударов.

 


Дизайн

Скачать Аксессуары 
Эластомерная опора с базовой платой с защитой от перегрузок
Base plate design

В комбинации с плитой основания и интегрированной защитой гарантирует отсутствие повреждений весоизмерительной ячейки при статической перегрузке вертикальной силой до 5 кН.

The load cells can be installed on the base plate and aligned even before final installation of the scales. This ensures that the permissible spring excursion of the load cell is precisely set, up to contact with the overload protection.

Elastomer bearing design

Эластомерные опоры - это резинометаллические соединения, из неопрена и нержавеющей стали, обеспечивающие большой пружинящий ход и, таким образом, высокую степень затухания даже при малых размерах.

Если несущая конструкция отклоняется по горизонтали более, чем на 4 мм, необходимо ограничить боковой ход несущей конструкции (например, с помощью упоров).

В комбинации с плитой основания и интегрированной защитой гарантирует отсутствие повреждений весоизмерительной ячейки при статической перегрузке вертикальной силой до 5 кН.

Весоизмерительная ячейка и плита основания не входит в комплект поставки эластомерной опоры.

 

 

 


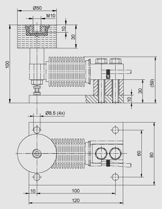
Чертеж

Скачать Аксессуары 
Эластомерная опора с базовой платой с защитой от перегрузок

Эластомерная опора для весоизмерительных ячеек SIWAREX WL230 BB-S SA, 10 ... 200 кг, размеры в мм

 


Заказные данные

Скачать Аксессуары 

Цена на сайте указана розничная в ЕВРО без учета НДС.Для уточнения цены и размера предоставляемой скидки - звоните или присылайте заявки

Заказной номерPGОписание продуктаЦена
7MH4133-3DG11817SIWAREX R ПЛАСТИНА ОСНОВАНИЯ С ЗАЩИТОЙ ОТ ПЕРЕГРУЗКИ ДЛЯ СЕРИИ BB НАГРУЗОЧНЫХ ЯЧЕЕК ВКЛЮЧАЕТ: - ПЛАСТИНА ОСНОВАНИЯ - ПОЛОСЫ С ВИНТАМИ БЕЗОПАСНОСТИ И ШАЙБАМИ - ВИНТ С КОНТРГАЙКОЙ 175.96