0

Разделы

Конфигурируемые контроллеры Metasys®, совместимые с LonWorks®

grey line

DX-9121

Свободнопрограммируемые контроллеры N2E

 


Свободнопрограммируемый контроллер DX-9121 LonWorks® — идеальное решение для построения систем управления центральными кондиционерами, чиллерами, ИТП, а также освещением и прочим инженерным оборудованием объекта. 

Контроллер обладает широкими возможностями конфигурирования аппаратной и программной составляющей, гибкостью для адаптации к требованиям различных задач управления и возможностью увеличения количества точек ввода/вывода при использовании модулей расширения. Контроллер обеспечивает взаимодействие с оператором посредством встроенных светодиодного дисплея и клавиатуры или с отдельного дисплейного модуля DT-9100.

 

Дисплейный модуль DT-9100, оснащённый текстовым/графическим ЖК экраном и клавиатурой, обеспечивает стандартное или настраиваемое представление данных в соответствии с требованиями приложения и заказчика. Контроллер DX-9121 и дисплейный модуль DT-9100 могут монтироваться внутри электрического шкафа или на его дверце, а дисплейный модуль DT-9100 может быть также смонтирован непосредственно на панели контроллера, на стене или может использоваться как переносное устройство.

 

Дополнительно каждый контроллер может обмениваться данными с другими контроллерами DX-9121, подключенными к шине N2E. В случае, если шина N2E интегрирована в систему Metasys®, параметры и контрольная информация становятся доступны во всей сети всем диспетчерским рабочим станциям Metasys®.



DX-9100


• Обмен данными по шине LonWorks® (Metasys N2E)
• Возможность динамического доступа к данным из NCM и сети системы Metasys
• Полный набор управляющих алгоритмов в программных модулях
• Графические средства конфигурирования
• Автономное управление системами HVAC и другим оборудованием
• Часы реального времени и работа по расписанию
• Сохранение статистических данных
• Шина расширения для увеличения количества точек входов/выходов
• Модули расширения с различными комбинациями аналоговых
  и дискретных входов/выходов
• Модели с интегрированным дисплеем и панелью управления
• Текстовый и графический дисплейный модуль (DT-9100)
• Модули расширения с возможностью ручного управления
 

plan
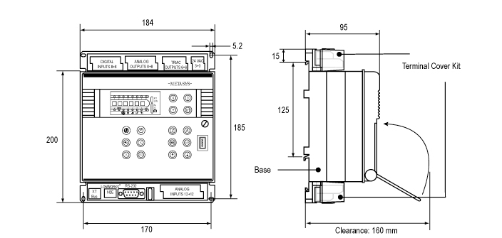
Размеры в мм