
|
2-х, 3-х и 5-ти шпиндельные вентильные блоки используются для блокировки импульсных линий и для проверки нулевой точки измерительного преобразователя давления. 2-х и 5-ти шпиндельный вентильный блок доп. обеспечивает сборос давления со стороны измерительного преобразователя и контроль характеристики измерительного преобр. давления. Эти вентильные блоки предназначены для установки в защитные ящики. С монтажным уголком они могут использоваться и для монтажа на стену, опору или трубы. Измерительные преобразователи давления серии DS при использовании этих вентильных блоков могут обслуживаться и считываться с фронтальной стороны. |
Область применения [PDF] |
Область примененияВентильные блоки DN 5 предназначены для жидкостей и пара и для установки в защитные ящики. При необходимости имеется соответствующая версия для кислорода. |
ДизайнВсе версии вентильных блоков имеют подключение к процессу ½-14 NPT. Соединение для измерительного преобразователя давления выполнено как фланцевое соединение по EN 61518, форма А. B. 2-х и 5-ти шпиндельный вентильный блок дополнительно имеет вентиляционное и контрольное соединение ¼-18 NPT. Вентили блока имеют наружнюю ходовую резьбу. Используемые материалы: | Детали | Материал | мат. No. | | Корпус | X 2 CrNiMo 17 13 2 | 1.4404/316L | | Конус | X 6 CrNiMoTi 17 12 2 | 1.4571/316Ti | | Шпиндели | X 2 CrNiMo 18 10 | 1.4404/316L | | Колпаки | X 5 CrNiMo 18 10 | 1.4401/316 | | Прокладки | PTFE | - | |
ФункцииФункции всех вентильных блоков: - блокировка импульсных линий
- контроль нулевой точки измерительного преобразователя давления
Доп. функции 2-х или 5-ти шпиндельных вентильных блоков через вентиляционное и контрольное соединение: - сброс давления со стороны измерительного преобразователя
- контроль характеристики измерительного преобразователя давления
|
ДополнительноНабор принадлежностей для 2-х, 3-х и 5-ти шпиндельного вентильного блока (соединение вентильный блок- измерительный преобразователь давления для 2-х шпиндельного вентильного блока DN 5 с фланцевым соединением - F12: 2 винта M10x50 по DIN EN 24 014, 2 шайбы, 1 O-кольцо (FPM90)
- F15: 2 винта M10x50 по DIN EN 24 014, 2 шайбы, 1 плоское уплотнительное кольцо
- F32: 2 винта 7/16-20 UNF x 2 дюйма по ASME B 18.2.1, 1 O-кольцо (FPM90)
- F35: 2 винта 7/16-20 UNF x 2 дюйма по ASME B 18.2.1, 1 плоское уплотнительное кольцо
для 3-х шпиндельного и 5-ти шпиндельного вентильного блока DN 5 - F14: 4 винта M10x50 по DIN EN 24 014, 4 шайбы, 2 O-кольца (FPM90)
- F16: 4 винта M10x50 по DIN EN 24 014, 4 шайбы, 2 плоских уплотнительных кольца
- F34: 4 винта 7/16-20 UNF x 2 дюйма по ASME B 18.2.1, 2 O-кольца (FPM90)
- F36: 4 винта 7/16-20 UNF x 2 дюйма по ASME B 18.2.1, 2 плоские уплотнительные кольца
Шайбы Ø 10,5 по DIN 125 Плоские уплотнительные кольца из PTFE, макс. доп. 420 бар, 80 °C О-кольцо по DIN 3771, 20 x 2,65 – S – FPM90; макс. доп. 420 бар, 120 °C Монтажный уголок для монтажа на стенку или для крепежа на монтажную опору с крепежными винтами для установки на вентильный блок - M14: для 2-х шпиндельного вентильного блока DN 5
- M17: для 3-х шпиндельного вентильного блока DN 5
- M18: для 5-ти шпиндельного вентильного блока DN 5
Монтажный хомут (2 шт.) - M16: для крепежа монтажного уголка M14, M17 и M18 на трубу
Вентильный блок 100 бар, подходит для кислорода - S12: для 2-х шпиндельного вентильного блока
- S13: для 3-х шпиндельного вентильного блока
- S14: для 5-ти шпиндельного вентильного блока
|
Характеристика Доп. рабочее давление в зависимости от доп. рабочей температуры |
Характеристика [PDF] |
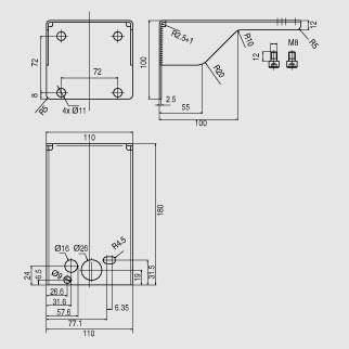
Чертеж 2-х шпиндельный вентильный блок DN 5 с поворотной муфтой, размеры в мм 2-х шпиндельный вентильный блок DN 5, размеры в мм 3-х шпиндельный вентильный блок DN 5, размеры в мм 5-ти шпиндельный вентильный блок DN 5, размеры в мм Монтажный уголок (7MF9006-6LA)/(M14) для 2-х шпиндельного вентильного блока, размеры в мм Монтажный уголок (7MF9006-6NA)/(M17) для 3-х шпиндельного вентильного блока, размеры в мм Монтажный уголок (7MF9006-6PA)/(M18) для 5-ти шпиндельного вентильного блока, размеры в мм |
Схема подключения 2-х шпиндельный вентильный блок DN 5 (с поворотной муфтой G1/2 или фланцевым соединением), схема 3-х шпиндельный вентильный блок DN 5, схема 5-ти шпиндельный вентильный блок DN 5, схема |
Заказные данные | Заказной № | Описание | Вес (кг) | Доставка | Мин. зак. (шт) | | 7MF9412-1B. | ВЕНТИЛЬНЫЙ БЛОК ДЛЯ МОНТАЖА В ЗАЩИТНЫЙ БОКС ; МАТЕРИАЛ: ИЗ НЕРЖ.СТАЛИ СТАЛЬ 1.4404; MAX. ДАВЛЕНИЕ 420 BAR ПРИ 120 ГРАДУСОВ ДЛЯ ЖИДКОСТЕЙ И ГАЗОВ , ДЛЯ ФЛАНЦЕВОГО СОЕДИНЕНИЯ ДАТЧИКА ДВУХШПИНДЕЛЬНЫЙ ВЕНТИЛЬНЫЙ БЛОК С ПОВОРОТНЫМ СОЕДИНЕНИЕМ G1/2EQUIPEQUIPMENT DIREKTIVE F. GAS 1/LIQUIDS 1 ART. 3.3 SEP | 2.2 | 6 - 8 недель (C) | 1 | | 7MF9412-1C. | ВЕНТИЛЬНЫЙ БЛОК ДЛЯ МОНТАЖА В ЗАЩИТНЫЙ БОКС ; МАТЕРИАЛ: ИЗ НЕРЖ.СТАЛИ СТАЛЬ 1.4404; MAX. ДАВЛЕНИЕ 420 BAR ПРИ 120 ГРАДУСОВ ДЛЯ ЖИДКОСТЕЙ И ГАЗОВ , ДЛЯ ФЛАНЦЕВОГО СОЕДИНЕНИЯ ДАТЧИКА ДВУХШПИНДЕЛЬНЫЙ ВЕНТИЛЬНЫЙ БЛОК С ФЛАНЦЕВЫМ СОЕДИНЕНИЕМPMENT DIREKTPMENT DIREKTIVE F. GAS 1/LIQUIDS 1 ART. 3.3 SEP | 2.4 | 6 - 8 недель (C) | 1 | | 7MF9412-1D. | ВЕНТИЛЬНЫЙ БЛОК ДЛЯ МОНТАЖА В ЗАЩИТНЫЙ БОКС ; МАТЕРИАЛ: ИЗ НЕРЖ.СТАЛИ СТАЛЬ 1.4404; MAX. ДАВЛЕНИЕ 420 BAR ПРИ 120 ГРАДУСОВ ДЛЯ ЖИДКОСТЕЙ И ГАЗОВ , ДЛЯ ФЛАНЦЕВОГО СОЕДИНЕНИЯ ДАТЧИКА ТРЕХШПИНДЕЛЬНЫЙ ВЕНТИЛЬНЫЙ БЛОКS 1/LIQUIDS 1 ART. 3.3 SEPS 1/LIQUIDS 1 ART. 3.3 SEP | 3.1 | 6 - 8 недель (C) | 1 | | 7MF9412-1E. | ВЕНТИЛЬНЫЙ БЛОК ДЛЯ МОНТАЖА В ЗАЩИТНЫЙ БОКС ; МАТЕРИАЛ: ИЗ НЕРЖ.СТАЛИ СТАЛЬ 1.4404; MAX. ДАВЛЕНИЕ 420 BAR ПРИ 120 DEG C ДЛЯ ЖИДКОСТЕЙ И ГАЗОВ , ДЛЯ ФЛАНЦЕВОГО СОЕДИНЕНИЯ ДАТЧИКА ПЯТИНПИНДЕЛЬНЫЙ ВЕНТИЛЬНЫЙ БЛОКAS 1/LIQUIDS 1 ART. 3.3 SEPAS 1/LIQUIDS 1 ART. 3.3 SEP | 4.1 | 6 - 8 недель (C) | 1 | |
Заказные данные [PDF] |
Аксессуары | Заказной № | Описание | Вес (кг) | Доставка | Мин. зак. (шт) | | 7MF9006-6KA | БУГЕЛИ 2 ШТУКИ ДЛЯ КРПЕЖА 7MF9006-6LA И -6MA (M14 И M15) К ТРУБЕ | 0.15 | 6 - 8 недель (C) | 1 | | 7MF9006-6LA | МОНТАЖНЫЙ НАБОРДЛЯ ВЕНТИЛЬНОГО БЛОКА 7MF9412-1B. И -1C. ИЗ СТАЛИ , СТАЛЬ 14301 ДЛЯ НАСТЕННОГО МОНТАЖА ИЛИ ДЛЯ МОНТАЖА НА СТОЙКУ (РАСТР 72 MM) | 1.25 | 6 - 8 недель (C) | 1 | | 7MF9006-6NA | МОНТАЖНЫЙ НАБОР ДЛЯ ВЕНТИЛЬНОГО БЛОКА. 7MF9412-1D*+7MF9413-1D* ИЗ СТАЛИ , СТАЛЬ 14301 ДЛЯ НАСТЕННОГО МОНТАЖА ИЛИ ДЛЯ МОНТАЖА НА СТОЙКУ (РАСТР 72 MM) | 1.25 | 6 - 8 недель (C) | 1 | | 7MF9006-6PA | МОНТАЖНЫЙ НАБОР ДЛЯ VALVE MANIF. 7MF9412-1E*+7MF9413-1E* ИЗ СТАЛИ , СТАЛЬ 14301 ДЛЯ НАСТЕННОГО МОНТАЖА ИЛИ ДЛЯ МОНТАЖА НА СТОЙКУ (РАСТР 72 MM) | 1.25 | 6 - 8 недель (C) | 1 | | 7MF9412-6AA | ДОПОЛНИТЕЛЬНЫЙ НАБОР 4 ВИНТА M10X50, DIN EN 24014 2 O-ПРОКЛАДКИ(FPM 90) | 0.1 | 6 - 8 недель (C) | 1 | | 7MF9412-6BA | 2 ВИНТА M10X50,DIN EN 24014 1 ПРОКЛАДКА | 0.1 | 6 - 8 недель (C) | 1 | | 7MF9412-6CA | 2 ВИНТА , 7/16-20 UNF X 2 INCH ANSI B 18.2.1 1 O-RING (FPM90) | 0.1 | 6 - 8 недель (C) | 1 | | 7MF9412-6DA | 2 ВИНТА , 7/16-20 UNF X 2 INCH ANSI B 18.2.1 1 ПРОКЛАДКА | 0.1 | 6 - 8 недель (C) | 1 | | 7MF9412-6EA | 4 ВИНТА M10X50, DIN EN 24014 2 O-ПРОКЛАДКИ(FPM90) | 0.2 | 6 - 8 недель (C) | 1 | | 7MF9412-6FA | 4 ВИНТА M10X50, DIN EN 24014 2 ПРОКЛАДКИ | 0.2 | 6 - 8 недель (C) | 1 | | 7MF9412-6GA | 4 ВИНТА ,7/16-20 UNF X 2 INCH ANSI B 18.2.1 2 O-ПРОКЛАДКИ(FPM90) | 0.2 | 6 - 8 недель (C) | 1 | | 7MF9412-6HA | 4 ВИНТА ,7/16-20 UNF X 2 INCH ANSI B 18.2.1 2 ПРОКЛАДКИ | 0.2 | 6 - 8 недель (C) | 1 | |
|