0

Разделы

Скачать Характеристика Скачать Заказные данные 
Для встраивания в защитный шкаф

2-х, 3-х и 5-ти шпиндельные вентильные блоки используются для блокировки импульсных линий и для проверки нулевой точки измерительного преобразователя давления.

2-х и 5-ти шпиндельный вентильный блок доп. обеспечивает сборос давления со стороны измерительного преобразователя и контроль характеристики измерительного преобр. давления.

Эти вентильные блоки предназначены для установки в защитные ящики. С монтажным уголком они могут использоваться и для монтажа на стену, опору или трубы.

Измерительные преобразователи давления серии DS при использовании этих вентильных блоков могут обслуживаться и считываться с фронтальной стороны.

 


Область применения

Скачать Характеристика Скачать Заказные данные 
Для встраивания в защитный шкаф

Вентильные блоки DN 5 предназначены для жидкостей и пара и для установки в защитные ящики.

При необходимости имеется соответствующая версия для кислорода.

 


Дизайн

Скачать Характеристика Скачать Заказные данные 
Для встраивания в защитный шкаф

Все версии вентильных блоков имеют подключение к процессу ½-14 NPT.

Соединение для измерительного преобразователя давления выполнено как фланцевое соединение по EN 61518, форма А.

B. 2-х и 5-ти шпиндельный вентильный блок дополнительно имеет вентиляционное и контрольное соединение ¼-18 NPT.

Вентили блока имеют наружнюю ходовую резьбу.

Используемые материалы:

Детали

Материал

мат. No.

Корпус

X 2 CrNiMo 17 13 2

1.4404/316L

Конус

X 6 CrNiMoTi 17 12 2

1.4571/316Ti

Шпиндели

X 2 CrNiMo 18 10

1.4404/316L

Колпаки

X 5 CrNiMo 18 10

1.4401/316

Прокладки

PTFE

-

 

 


Функции

Скачать Характеристика Скачать Заказные данные 
Для встраивания в защитный шкаф

Функции всех вентильных блоков:

  • блокировка импульсных линий
  • контроль нулевой точки измерительного преобразователя давления

Доп. функции 2-х или 5-ти шпиндельных вентильных блоков через вентиляционное и контрольное соединение:

  • сброс давления со стороны измерительного преобразователя
  • контроль характеристики измерительного преобразователя давления

 


Дополнительно

Скачать Характеристика Скачать Заказные данные 
Для встраивания в защитный шкаф
Набор принадлежностей для 2-х, 3-х и 5-ти шпиндельного вентильного блока (соединение вентильный блок- измерительный преобразователь давления

для 2-х шпиндельного вентильного блока DN 5 с фланцевым соединением 

  • F12: 2 винта M10x50 по DIN EN 24 014, 2 шайбы, 1 O-кольцо (FPM90)
  • F15: 2 винта M10x50 по DIN EN 24 014, 2 шайбы, 1 плоское уплотнительное кольцо
  • F32: 2 винта 7/16-20 UNF x 2 дюйма по ASME B 18.2.1, 1 O-кольцо (FPM90)
  • F35: 2 винта 7/16-20 UNF x 2 дюйма по ASME B 18.2.1, 1 плоское уплотнительное кольцо

для 3-х шпиндельного и 5-ти шпиндельного вентильного блока DN 5 

  • F14: 4 винта M10x50 по DIN EN 24 014, 4 шайбы, 2 O-кольца (FPM90)
  • F16: 4 винта M10x50 по DIN EN 24 014, 4 шайбы, 2 плоских уплотнительных кольца
  • F34: 4 винта 7/16-20 UNF x 2 дюйма по ASME B 18.2.1, 2 O-кольца (FPM90)
  • F36: 4 винта 7/16-20 UNF x 2 дюйма по ASME B 18.2.1, 2 плоские уплотнительные кольца

Шайбы Ø 10,5 по DIN 125

Плоские уплотнительные кольца из PTFE, макс. доп. 420 бар, 80 °C

О-кольцо по DIN 3771, 20 x 2,65 – S – FPM90; макс. доп. 420 бар, 120 °C

Монтажный уголок для монтажа на стенку или для крепежа на монтажную опору

с крепежными винтами для установки на вентильный блок

  • M14: для 2-х шпиндельного вентильного блока DN 5
  • M17: для 3-х шпиндельного вентильного блока DN 5
  • M18: для 5-ти шпиндельного вентильного блока DN 5
Монтажный хомут (2 шт.)
  • M16: для крепежа монтажного уголка M14, M17 и M18 на трубу
Вентильный блок 100 бар, подходит для кислорода
  • S12: для 2-х шпиндельного вентильного блока
  • S13: для 3-х шпиндельного вентильного блока
  • S14: для 5-ти шпиндельного вентильного блока

 


Характеристика

Скачать Характеристика Скачать Заказные данные 
Для встраивания в защитный шкаф

Доп. рабочее давление в зависимости от доп. рабочей температуры

 


Чертеж

Скачать Характеристика Скачать Заказные данные 
Для встраивания в защитный шкаф

2-х шпиндельный вентильный блок DN 5 с поворотной муфтой, размеры в мм

2-х шпиндельный вентильный блок DN 5, размеры в мм

3-х шпиндельный вентильный блок DN 5, размеры в мм

5-ти шпиндельный вентильный блок DN 5, размеры в мм

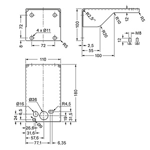
Монтажный уголок (7MF9006-6LA)/(M14) для 2-х шпиндельного вентильного блока, размеры в мм

Монтажный уголок (7MF9006-6NA)/(M17) для 3-х шпиндельного вентильного блока, размеры в мм

Монтажный уголок (7MF9006-6PA)/(M18) для 5-ти шпиндельного вентильного блока, размеры в мм

 


Схема подключения

Скачать Характеристика Скачать Заказные данные 
Для встраивания в защитный шкаф

2-х шпиндельный вентильный блок DN 5 (с поворотной муфтой G1/2 или фланцевым соединением), схема

3-х шпиндельный вентильный блок DN 5, схема

5-ти шпиндельный вентильный блок DN 5, схема

 


Заказные данные

Скачать Характеристика Скачать Заказные данные 

Цена на сайте указана розничная в ЕВРО без учета НДС.Для уточнения цены и размера предоставляемой скидки - звоните или присылайте заявки

Заказной номерPGОписание продуктаЦена
7MF9412-1B.8077MF9412-1B - 2-х вентильный блок для монтажа в защитный бокс, материал нерж. сталь 1.4404, макс. раб. давление 420 бар, подключение к процессу - внутренняя резьба 1/2-14 NPT, подключение к преобразователю давления накидная гайка G1/2,EQUIPMENT DIREKTIVE F. GAS 1/LIQUIDS 1 ART. 3.3 SEP 239.56
7MF9412-1C.8077MF9412-1C - 2-х вентильный блок для монтажа в защитный бокс, материал нерж. сталь 1.4404, макс. раб. давление 420 бар, подключение к процессу - внутренняя резьба 1/2-14 NPT, подключение к преобразователю давления фланцевое,PMENT DIREKTIVE F. GAS 1/LIQUIDS 1 ART. 3.3 SEP 230.02
7MF9412-1D.8077MF9412-1D - 3-х вентильный блок для монтажа в защитный бокс, материал нерж. сталь 1.4404, макс. раб. давление 420 бар, подключение к процессу - внутренняя резьба 1/2-14 NPT, подключение к преобразователю давления фланцевое,S 1/LIQUIDS 1 ART. 3.3 SEP 294.68
7MF9412-1E.8077MF9412-1E - 5-ти вентильный блок для монтажа в защитный бокс, материал нерж. сталь 1.4404, макс. раб. давление 420 бар, подключение к процессу - внутренняя резьба 1/2-14 NPT, подключение к преобразователю давления фланцевое,AS 1/LIQUIDS 1 ART. 3.3 SEP 444.14

 


Аксессуары

Скачать Характеристика Скачать Заказные данные 

Цена на сайте указана розничная в ЕВРО без учета НДС.Для уточнения цены и размера предоставляемой скидки - звоните или присылайте заявки

Заказной номерPGОписание продуктаЦена
7MF9000-8AB807Сертификат производителя по EN 10204-2.2 для вентильных блоков. 60.10
7MF9000-8AD807Сертификат приёмки материала согласно EN 10204-3.1 для внтильных блоков. 118.72
7MF9006-6KA807Крепёжный хомут, 2 шт., для крепежа монтажных кронштейнов 7MF9006-6LA и -6MA (M14 и M15) на трубу. 11.24
7MF9006-6LA807Монтажный кронштейн для вентильного блока 7MF9412-1B. или -1C., материал нерж. сталь, для монтажа на плоскую поверхность, межцентровое расстояние 72 мм. 58.94
7MF9006-6NA807Монтажный кронштейн для вентильного блока 7MF9412-1D*, материал нерж. сталь, для монтажа на плоскую поверхность, межцентровое расстояние 72 мм. 58.94
7MF9006-6PA807Монтажный кронштейн для вентильного блока 7MF9412-1E*, материал нерж. сталь, для монтажа на плоскую поверхность, межцентровое расстояние 72 мм. 66.57
7MF9412-6AA807Крепёжный набор: 2 болта M10*50, 2 шайбы, 1 упл. кольцо (материал FPM 90). 2.33
7MF9412-6BA807Крепёжный набор: 2 болта M10*50, 2 шайбы, 1 упл. кольцо (материал PTFE). 2.33
7MF9412-6CA807Крепёжный набор: 2 болта 7/16-20 UNF длиной 2 дюйма, 2 шайбы, 1 упл. кольцо (материал FPM 90) 7.84
7MF9412-6DA807Крепёжный набор: 2 болта 7/16-20 UNF длиной 2 дюйма, 2 шайбы, 1 упл. кольцо (материал PTFE) 7.84
7MF9412-6EA807Крепёжный набор: 4 болта M10*50, 4 шайбы, 2 упл. кольца (материал FPM 90). 5.72
7MF9412-6FA807Крепёжный набор: 4 болта M10*50, 4 шайбы, 2 упл. кольца (материал PTFE). 5.72
7MF9412-6GA807Крепёжный набор: 4 болта 7/16-20 UNF длиной 2 дюйма, 4 шайбы, 2 упл. кольца (материал FPM 90) 14.63
7MF9412-6HA807Крепёжный набор: 4 болта 7/16-20 UNF длиной 2 дюйма, 4 шайбы, 2 упл. кольца (материал PTFE) 14.63