0

Разделы

Для уровня - Серия DS III (HART, PROFIBUS PA, Foundation Fieldbus)

Для уровня - Серия DS III (HART, PROFIBUS PA, Foundation Fieldbus)

Технические данные

SITRANS P,  серия DS III для уровня

 

HART

PROFIBUS PA или Foundation Fieldbus

Вход

 

Измеряемая величина

уровень

Интервал измерения (бесконечно регулируемые) или ном. интервал измерения и макс. доп. рабочее давление

(бесконечно регулируемые) или ном. интервал измерения и макс. доп. рабочее давление

Интервал измерения

Макс. рабочее давление

Ном. интервал измерения

Макс. рабочее давление

 

25 ... 250 mbar g
(0.36 ... 3.63 psi g)

см. "Навесной фланец"

250 mbar g
(3.63 psi g)

см. "Навесной фланец"

 

25 ... 600 mbar g
(0.36 ... 8.7 psi g)

см. "Навесной фланец"

600 mbar g
(8.7 psi g)

см. "Навесной фланец"

 

53 ... 1600 mbar g
(0.77 ... 23.2 psi g)

см. "Навесной фланец"

1600 mbar g
(23.2 psi g)

см. "Навесной фланец"

 

160 ... 5000 mbar g
(2.32 ... 72.5 psi g)

см. "Навесной фланец"

5000 mbar g
(72.5 psi g)

см. "Навесной фланец"

Нижняя граница измерения

 

 

  • изм. ячейка с силиконовым маслом

-100% от макс. интервала измерений или 30 мбар абс. в зависимости от монтажного фланца

Верхняя граница измерения

100% макс. интервала измерения

100% макс. ном. интервал. измерения

Выход

 

Выходной сигнал

4 ... 20 mA

Цифровой сигнал PROFIBUS PA или Foundation Fieldbus

  • Нижняя граница (бесконечно регулируемые)

3.55 mA, factory preset to 3.84 mA

-

  • Верхняя граница (бесконечно регулируемые)

23 mA, factory preset to 20.5 mA or optionally set to 22.0 mA

-

Загрузка

 

  • без коммуникации HART 

R B ≤ (UH - 10.5 V)/0,023 A в Ω,
UH : Питание в V

-

  • с коммуникатором HART

R B = 230 ... 500 Ω (SIMATIC PDM) или

R B = 230 ... 1100  Ω (коммуникация  HART)

-

Физика шины

-

IEC 61158-2

With polarity reversal protection

-

Yes

Точность измерения

 

Референц-условия

Растущая характеристика Начало измерения 0 бар Разд. мембрана нерж. сталь Навесной фланец без тубуса Наполнитель - сил. масло Комнатная температура (25 °C) r: отношение интервалов измер. (r = макс. интервал измерения / установлен. интервал измерения)

Погрешность измерения (при установке граничной точки, вкл. гистерезис и повторяемость)

 

  • Линейная характеристика

 

≤ 0,075%

  • r ≤ 10

≤ 0,15%

 

  • 10 < r ≤ 30

≤ 0,3%

 

  • 30 < r ≤ 100

≤ (0.0075 · r + 0.075) %

 

Долговременный дрейф (температурные изменения ±30 °C (±54 °F))

≤ (0.25 · r)% every 5 years
static pressure max. 70 bar g (1015 psi g)

≤ (0.25% every 5 years
static pressure max. 70 bar g (1015 psi g)

Воздействие внешней температуры

 

 

  • при -10 … +60 °C (14 … 140 °F)

 

 

  • 250-mbar (3.63 psi) изм. ячейка

≤ (0.5 · r + 0.2)%
(0.4 вместо 0.2 при 10 < r ≤ 30)

≤ 0,7%

  • 600-mbar (8.7 psi) изм. ячейка

≤ (0.3 · r + 0.2)%
(0.4 вместо 0.2 при 10 < r ≤ 30)

≤ 0,5%

  • 1600 и 5000 mbar (23.2 и 72.5 psi) изм. ячейка

≤ (0.25 · r + 0.2) % (0.4 вместо 0.2 при 10 < r ≤ 30)

≤ 0,45%

  • при -40 ... -10 °C и +60 ... +85 °C
    (-40 ... +14 °F и 140 ... 185 °F)

 

 

  • 250-mbar (3.63 psi) изм. ячейка

≤ (0.25 · r +0.15) %/10 K
двойные значения при 10 < r ≤ 30

≤ 0.4%/10 K

  • 600-mbar (8.7 psi) изм. ячейка

≤ (0.15 · r +0.15) %/10 K
двойные значения при 10 < r ≤ 30

≤ 0.3%/10 K

  • 1600 и 5000 mbar (23.2 и 72.5 psi) изм. ячейка

≤ (0.12 · r +0.15) %/10 K
двойные значения при 10 < r ≤ 30

≤ 0.27%/10 K

Влияние статического давления

 

  • на начало интервала измерений

 

 

  • Изм. ячейка на 250 мбар

≤ (0.3 · r)% на номинальное давление

≤ 0.3% на номинальное давление

  • Изм. ячейка на 600 мбар

≤ (0.15 · r)% на номинальное давление

≤ 0.15% на номинальное давление

  • Изм. ячейки на 1600 и 5000 мбар

≤ (0.1 · r)% на номинальное давление

≤ 0.1% на номинальное давление

  • на интервал измерений

≤ (0.1 · r)% на номинальное давление

≤ 0.1% на номинальное давление

Разрешение измеряемого значения

-

3 · 10-5 от номинального диапазона измерений

Условия использования

 

Класс защиты (по EN 60529)

IP65

Температура изм. вещ-ва

Указание: учитывать соответствие макс. доп. рабочей макс. доп. рабочему давлению соответствующего фланцевого соединения!

  • изм. ячейка с силиконовым маслом

-40 ... +100 °C (-40 ... +212 °F)

  • плюсовая сторона

pabs ≥ 1bar: -40 ... +175 °C (-40 ... +347 °F)

pabs ≥ 1bar: -40 ... +80 °C (-40 ... +176 °F)

  • минусовая сторона 

-40 ... +100 °C (-40 ... +212 °F)

-20 ... +60 °C (-4 ... +140 °F) в комбинации с пылевзрывозащитой

Внешние условия

 

  • Температура окружающей среды

 

  • Цифровые датчики

-30 ... +85 °C (-22 ... +185 °F)

  • температура хранения

-50 ... +85 °C (-58 ... +185 °F)

  • Климатичесский класс

 

  • Конденсация 

Допускается

  • Электромагнитная совместимость

 

  • Излучения

по EN 50081-1

  • Устойчивость

по EN 61236 и NAMUR NE 21

Конструктивные особенности

 

Вес (без опций)

 

  • по EN (измерительный преобразователь давления с навесным фланцем, без тубуса)

≈ 11 ... 13 kg (≈ 24.2 ... 28.7 lb)

  • по ASME (измерительный преобразователь давления с навесным фланцем, без тубуса)

≈ 11 ... 18 kg (≈ 24.2 ... 39.7 lb)

Материал частей, соприк. с изм. в- вом

 

Плюсовая сторона

 

  • Разд. мембрана на навесном фланце

нерж.сталь, 1.4404/316L, Monel, 2.4360, Hastelloy B2, 2.4617, Hastelloy C276, 2.4819, Hastelloy C4, 2.4610, tantal, PTFE, ECTFE

Наполн. изм. ячеек

Силиконовое масло

Подключение к процессу

 

плюсовая сторона

фланец по EN и ASME

минусовая сторона 

внутренняя резьба ¼-18 NPT и фланцевое соединение по DIN 19213 с крепежной резьбой M10 или 7/16-20 UNF по EN 61518

Питание U H

 

Питание из шины

Напряжение на клеммах изм. преобразователя

10.5 ... 45 V DC
10.5 ... 30 V DC в искроб. режиме

-

Отдельное напряжение питания 24 V

-

не требуется

Напряжение шины

 

  • не Ex

-

9 ...32 V

  • в искробезопасном режиме

-

9 ...24 V

Потребляемый ток

 

  • Главный ток (макс.)

-

12.5 mA

  • Startup current ≤ basic current

-

да

  • макс. ток при ошибке

-

15.5 mA

Fault disconnection electronics (FDE) available

-

да

Сертификаты и допуски

 

 

Подразделение согласно руководтству по приборам давления (DGRL 97/23/EC)

Для газов флюидной группы 1 и жидкостей флюидной группы 1; отвечает требованиям согласно статье 3 раздел 3 (хорошая инженерная практика)

Взрывозащита

 

  • Искробезопасность "i"

PTB 99 ATEX 2122

  • Обозначение 

Ex II 1/2 G EEx ia/ib IIB/IIC T6

  • Доп. внешняя температура

-40 ... +85 °C (-40 ... +185 °F) класс температуры T4;
-40 ... +70 °C (-40 ... +158 °F) класс температуры T5;
-40 ... +60 °C (-40 ... +140 °F) класс температуры T6

  • Подключение 

К освидетельствованным контурам тока с макс. значениями:
Ui = 30 V, Ii = 100 mA,
Pi = 750 mW; Ri = 300 Ω

прибор питания FISCO:
Uo = 17.5 V, Io = 380 mA, Po = 5.32 W

линейный барьер:
Uo = 24 V, Io = 250 mA, Po = 1.2 W

  • Эфф. внутренняя индуктивность/емкость

L i = 0.4 mH, Ci = 6 nF

L i = 7 μH, Ci = 1.1 nF

  • Взрывонепроницаемый корпус "d"

PTB 99 ATEX 1160

  • Обозначение

Ex II 1/2 G EEx d IIC T4/T6

  • Доп. внешняя температура

-40 ... +85 °C (-40 ... +185 °F) класс температуры T4;
-40 ... +60 °C (-40 ... +140 °F) класс температуры T6

  • Подключение

К контурам тока с рабочими значениями: UH = 10.5 ... 45 V DC

К контурам тока с рабочими значениями: UH = 9 ... 32 V DC

  • Пылевзрывозащита для зоны 20

PTB 01 ATEX 2055

  • Обозначение

Ex II 1 D IP65 T 120 °C
Ex II 1/2 D IP65 T 120 °C

  • Доп. внешняя температура

-40 ... +85 °C (-40 ... +185 °F)

  • Макс. температура поверхности 

120 °C (248 °F)

  • Подключение

К освидетельствованным контурам тока с макс. значениями:
Ui = 30 V, Ii = 100 mA,
Pi = 750 mW, Ri = 300 Ω

прибор питания FISCO:
Uo = 17.5 V, Io = 380 mA, Po = 5.32 W

линейный барьер:
Uo = 24 V, Io = 250 mA, Po = 1.2 W

  • Эфф. внутренняя индуктивность/емкость

L i = 0.4 mH, Ci = 6 nF

L i = 7 μH, Ci = 1.1 nF

  • Пылевзрывозащита для зоны 21/22

PTB 01 ATEX 2055

  • Обозначение

Ex II 2 D IP65 T 120 °C

  • Подключение

К контурам тока с рабочими значениями: UH = 10.5 ... 45 V DC;         Pmax = 1.2 W

К контурам тока с рабочими значениями: UH = 9 ... 32 V DC;               Pmax = 1.2 W

  • Тип взрывозащиты "n" (зона 2)

TÜV 01 ATEX 1696 X

планируется

  • Обозначение

Ex II 3 G EEx nA L IIC T4/T5/T6

-

  • Взрывозащита по FM

Certificate of Compliance 3008490

  • Обозначение (XP/DIP) или (IS); (NI)

CL I, DIV 1, GP ABCD T4...T6; CL II, DIV 1, GP EFG; CL III; CL I, ZN 0/1 AEx ia IIC T4...T6; CL I, DIV 2, GP ABCD T4...T6; CL II, DIV 2, GP FG; CL III

  • Взрывозащита по CSA

Certificate of Compliance 1153651

  • Обозначение (XP/DIP) или (IS)

CL I, DIV 1, GP ABCD T4...T6; CL II, DIV 1, GP EFG; CL III; Ex ia IIC T4...T6; CL I, DIV 2, GP ABCD T4...T6; CL II, DIV 2, GP FG; CL III


 

Коммуникация HART

 

Коммуникация HART

230 до 1100 Ω;

Протокол

HART Version 5.x

ПО для компьютера

SIMATIC PDM


 

Коммуникация PROFIBUS PA

 

Одновременная коммуникация с
ведущим класса 2 (макс.)

4

Установка адреса возможна с
помощью

Конфигурационного прибора или
локального управления
(стандартная настройка адреса
126)

Циклическое использование данных

 

  • Выходной байт

5 (одно измеряемое значение) или
10 (два измеряемых значения)

  • Входной байт

0, 1, или 2 (режим работы
регистра и функция сброса по
причине измерения)

Внутренняя предварительная
обработка

 

Профиль устройства

PROFIBUS PA профиль для
устройства управления
процессом 3.0, Класс B

Функциональные блоки (Function
Blocks)

2

  • Аналоговый вход (Analog input)

 

  • Адаптация к задаваемым
    пользователем переменным
    процесса

да, линейно возрастающая или
убывающая характеристика

  • Электрическое демпфирование
    T63, регулируемое

0 to 100 c

  • Функция симуляции

вход/выход

  • Режим сбоя

параметрируется (последнее
достоверное значение,
заменяющее значение,
некорректное значение)

  • Мониторинг пределов

Один верхний и один нижний
предупредительный предел и
один аварийный предел

  • Регистр (Сумматор)

Может быть сброшен и
установлен, направление счета
выбирается, функция симуляции
выхода регистра

  • Режим сбоя

параметрируется (суммирование
с последним достоверным
значением, непрерывное
суммирование, суммирование с
некорректным значением)

  • Мониторинг пределов

Один верхний и один нижний
предупредительный предел и
один аварийный предел

  • Физический блок

1

Блоки преобразователя (Transducer
Blocks)

2

  • Блок преобразователя давления
    (Pressure Transducer Block)

 

  • калибровка с помощью подачи
    двух давлений

да

  • Мониторинг пределов сенсора

да

  • Ввод характеристики контейнера

макс. 30 узлов

  • Характеристика с квадратным
    корнем для измерения расхода

да

  • Постепенное понижение объема
    и точка извлечения квадратного
    корня

параметрируется

  • Функция симуляции для
    измеряемого значения давления
    и температуры сенсора

константа, или через
параметрируемую пилообразную
функцию


 

Коммуникация Foundation Fieldbus

 

Функциональные блоки (Function
Blocks)

3 функциональных блока
аналогового входа, 1
функциональный блок ПИД

  • Аналоговый вход(Analog input)

 

  • Адаптация к задаваемым
    пользователем переменным
    процесса

да, линейно возрастающая или
убывающая характеристика

  • Электрическое демпфирование
    T63, регулируемое

0 to 100 c

  • Функция симуляции

вход/выход (может быть
заблокирован внутри прибора с
помощью перемычки)

  • Режим сбоя

параметрируется (последнее
достоверное значение,
заменяющее значение,
некорректное значение)

  • Мониторинг пределов

Один верхний и один нижний
предупредительный предел и
один аварийный предел

  • Характеристика с квадратным
    корнем для измерения расхода

да

  • ПИД

Стандартный функциональный
блок FF

  • Физический блок

1 блок ресурсов

Блоки преобразователя (Transducer
Blocks)

1 блок преобразователя давления
с калибровкой, 1 блок
преобразователя ЖК-дисплея

  • Блок преобразователя давления
    (Pressure Transducer Block)

 

  • калибровка с помощью подачи
    двух давлений

да

  • Мониторинг пределов сенсора

да

  • Функции симуляции:
    Измеряемое значение давления,
    температура сенсора и
    температура электроники

константа, или через
параметрируемую пилообразную
функцию


 

Навесной фланец

 

Диаметр

Ном. давление

  • по EN 1092-1

 

  • DN 80

PN 40

  • DN 100

PN 16, PN 40

  • по ASME B16.5

 

  • 3 дюйма

Class 150, class 300

  • 4 дюйма

Class 150, class 300


 

 

Чертеж

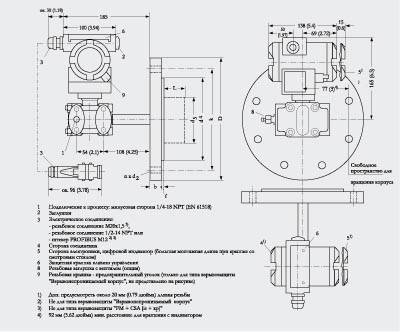
Измерительный преобразователь давления SITRANS P, серия DS III HART для уровня, включая навесной фланец, размеры в мм (дюймах)

Соединение по EN 1092-1

Диаметр

Ном. давление

b

D

d

d2

d4

d5

dM

f

k

n

L

 

 

мм

мм

мм

мм

мм

мм

мм

мм

мм

мм

мм

DN 80

PN 40

24

200

90

18

138

76

72 1)

2

160

8

0, 50, 100, 150 или

DN 100

PN 40

20

220

115

18

158

94

89

2

180

8

 

PN 40

24

235

115

22

162

94

89

2

190

8


Соединение по ASME B16.5

Диаметр

Ном. давление

b

D

d2

d4

d5

dM

f

k

n

L

 

lb/sq.in.

дюйм

дюйм

дюйм

дюйм

дюйм

дюйм

дюйм

дюйм

 

дюйм

 

 

(мм)

(мм)

(мм)

(мм)

(мм)

(мм)

(мм)

(мм)

 

(мм)

3 дюйма

150

0.94
(23.8)

7.5
(190.5)

0.75
(19.0)

5
(127)

3
(76)

2.81 1)
(72)

0.06
(1.6)

6
(152.4)

4

0, 2, 3.94, 5.94 или 7.87
(0, 50, 100, 150 или 200)

 

300

1.12
(28.6)

8.25
(209.5)

0.87
(22.2)

5
(127)

3
(76)

2.81 1)
(72)

0.06
(1.6)

6.69
(168.3)

8

4 дюйма

150

0.94
(23.8)

9
(228.5)

0.75
(19.0)

6.19
(157.2)

3.69
(94)

3.5
(89)

0.06
(1.6)

7.5
(190.5)

8

 

300

1.25
(31.7)

10
(254)

0.87
(22.2)

6.19
(157.2)

3.69
(94)

3.5
(89)

0.06
(1.6)

7.88
(200)

8


d: диаметр уплотнения по DIN 2690

dM: эффективный диаметр мембраны

1) 89 mm = 3½ дюйма для длины тубуса L = 0.

 

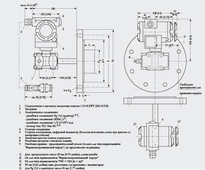
Измерительный преобразователь давления SITRANS P, серия DS III PA и FF для уровня, включая навесной фланец, размеры в мм (дюймах)

Соединение по EN 1092-1

Диаметр

Ном. давление

b

D

d

d2

d4

d5

dM

f

k

n

L

 

 

мм

мм

мм

мм

мм

мм

мм

мм

мм

мм

мм

DN 80

PN 40

24

200

90

18

138

76

72 1)

2

160

8

0, 50, 100, 150 или 200

DN 100

PN 40

20

220

115

18

158

94

89

2

180

8

 

PN 40

24

235

115

22

162

94

89

2

190

8


Соединение по ASME B16.5

Диаметр

Ном. давление

b

D

d2

d4

d5

dM

f

k

n

L

 

lb/sq.in.

дюйм

дюйм

дюйм

дюйм

дюйм

дюйм

дюйм

дюйм

 

дюйм

 

 

(мм)

(мм)

(мм)

(мм)

(мм)

(мм)

(мм)

(мм)

 

(мм)

3 дюйма

150

0.94
(23.8)

7.5
(190.5)

0.75
(19.0)

5
(127)

3
(76)

2.81 1)
(72)

0.06
(1.6)

6
(152.4)

4

0, 2, 3.94, 5.94 или 7.87
(0, 50, 100, 150 или 200)

 

300

1.12
(28.6)

8.25
(209.5)

0.87
(22.2)

5
(127)

3
(76)

2.81 1)
(72)

0.06
(1.6)

6.69
(168.3)

8

4 дюйма

150

0.94
(23.8)

9
(228.5)

0.75
(19.0)

6.19
(157.2)

3.69
(94)

3.5
(89)

0.06
(1.6)

7.5
(190.5)

8

 

300

1.25
(31.7)

10
(254)

0.87
(22.2)

6.19
(157.2)

3.69
(94)

3.5
(89)

0.06
(1.6)

7.88
(200)

8


d: диаметр уплотнения по DIN 2690

dM: эффективный диаметр мембраны

1) 89 mm = 3½ дюйма для длины тубуса L = 0.

 

Заказные данные

Заказной №ОписаниеВес (кг)ДоставкаМин. зак. (шт)
7MF4633-.....-....SITRANS P DS III ДАТЧИК УРОВНЯ (ГИДРОСТАТИЧЕСКИЙ)4.5по запросу (D)1
7MF4634-.....-....ДАТЧИК ДАВЛЕНИЯ ДЛЯ ИЗМЕРЕНИЯ УРОВНЯ SITRANS P DS III PA4.5по запросу (X)1
7MF4635-.....-....SITRANS P DS III , FIELDBUS FOUNDATION, TRANSMITTER FOR LEVEL 4.5по запросу (D)1
7MF4912-.....МОНТАЖНЫЙ ФЛАНЕЦ, ТИП 7MF491276 - 8 недель (C)1

Заказные данные [PDF]

Загрузить PDF-файл.

Для просмотра информации в формате PDF необходимо установить Adobe Acrobat Reader.
Adobe Acrobat Reader

Аксессуары

Заказной №ОписаниеВес (кг)ДоставкаМин. зак. (шт)
7MF4996-.....-....MEASURING CELL FOR SITRANS P FOR LEVEL, FOR DS III AND DS III PA SERIES2.76 - 8 недель (C)1
7MF4997-1BBКРЫШКА БЕЗ ОКНА,С О-КОЛЬЦОМ ДЛЯ 7MF4*1*-... И 7MF4*32-...0.36 - 8 недель (C)1
7MF4997-1BCКРЫШКА С ПРОКЛАДКОЙ БЕЗ ОКНА ДЛЯ 7MF4*32- ИЗ НЕРЖ.СТАЛИ0.36 - 8 недель (C)1
7MF4997-1BEКРЫШКА С ОКНОМ,С О-КОЛЬЦОМ ДЛЯ 7MF4*1*-... И 7MF4*32-...0.33 - 5 недель (A)1
7MF4997-1BFКРЫШКА С ПРОКЛАДКОЙ И ОКНОМ ДЛЯ 7MF4*32- ИЗ НЕРЖ.СТАЛИ0.36 - 8 недель (C)1
7MF4997-1BRЦИФРОВОЙ ИНДИКАТОР ДЛЯ ДАТЧИКОВ СЕРИИ MS0.36 - 8 недель (C)1
7MF4997-1CAШИЛЬДИК ЧИСТЫЙ (1 НАБОР = 5 ШТУК)0.16 - 8 недель (C)1
7MF4997-1CBШИЛЬДИК ДЛЯ ОПЦИЙ Y01 ИЛИ Y02, Y15 И Y16 (1 ШТУКА)0.16 - 8 недель (C)1
7MF4997-1CDВИНТЫ ДЛЯ ШИЛЬДИКА 7MF4*1*-... И 7MF4*32-... (50 ШТУК)0.16 - 8 недель (C)1
7MF4997-1DAHART-МОДЕМ С ИНТЕРФЕСОМ RS232 ДЛЯ ПОДКЛЮЧЕНИЯ ИЗМЕРИТЕЛЬНЫХ ДАТЧИКОВ С HART-ПРОТОКОЛОМ К КОМПЬЮТЕРУ0.13 - 5 недель (A)1
7MF4997-1DB HART-МОДЕМ С USB-ИНТЕРФЕСОМ ДЛЯ ПОДКЛЮЧЕНИЯ ИЗМЕРИТЕЛЬНЫХ ДАТЧИКОВ С HART-ПРОТОКОЛОМ К КОМПЬЮТЕРУ 0.13 - 5 недель (A)1
7MF4997-1DKЭЛЕКТРОНИКА DS III0.14 - 6 недель (B)1
7MF4997-1DLМОДУЛЬ ЭЛЕКТРОНИКИ ДЛЯ ДАТЧИКА SITRANS P СЕРИИ DS III PA0.14 - 6 недель (B)1
7MF4997-1DMМОДУЛЬ ЭЛЕКТРОНИКИ ДЛЯ ДАТЧИКА SITRANS P СЕРИИ DS III FIELDBUS FOUNDATION0.14 - 6 недель (B)1
7MF4997-1DNПЛАТА СОЕДИНЕНИЙ DS III0.14 - 6 недель (B)1
7MF4997-1DPПЛАТА СОЕДИНЕНИЙ SITRANS P ERIE DS III PA0.14 - 6 недель (B)1
A5E00047090РУКОВОДСТВО GERMAN FOR SITRANS P, DS III SERIES.0.1253 - 5 недель (A)1
A5E00047092РУКОВОДСТВО ENGLISH FOR SITRANS P, DS III SERIES0.1253 - 5 недель (A)1
A5E00047093РУКОВОДСТВО (LEPORELLO) FOR SITRANS P, DS III SERIES IN GERMAN AND ENGLISH0.0866 - 8 недель (C)1
A5E00053218РУКОВОДСТВО FRENCH FOR SITRANS P, DS III SERIES0.1253 - 5 недель (A)1
A5E00053219РУКОВОДСТВО ITALIAN FOR SITRANS P, DS III SERIES0.1253 - 5 недель (A)1
A5E00053220РУКОВОДСТВО SPANISH FOR SITRANS P, DS III SERIES0.1253 - 5 недель (A)1
A5E00053274КОРОТКИЕ ИНСТРУКЦИИ SITRANS P, DS III PA SERIES GERMAN/ENGLISH0.1186 - 8 недель (C)1
A5E00053275РУКОВОДСТВО GERMAN FOR SITRANS P, DS III PA SERIES.0.1253 - 5 недель (A)1
A5E00053276РУКОВОДСТВО ENGLISH FOR SITRANS P, DS III PA SERIES0.3153 - 5 недель (A)1
A5E00053277РУКОВОДСТВО FRENCH FOR SITRANS P, DS III PA SERIES0.1253 - 5 недель (A)1
A5E00053278РУКОВОДСТВО SPANISH SITRANS P, DS III PA SERIES0.1253 - 5 недель (A)1
A5E00053279РУКОВОДСТВО ITALIAN FOR SITRANS P, DS III PA SERIES0.1253 - 5 недель (A)1
A5E00090345CD -ДИСК С ДОКУМЕНТАЦИЕЙ ДЛЯ SITRANS P, DS III0.056 - 8 недель (C)1

Аксессуары [PDF]

Загрузить PDF-файл.

Для просмотра информации в формате PDF необходимо установить Adobe Acrobat Reader.
Adobe Acrobat Reader