0

Разделы

Для относительного давления - Серия DS III (HART, PROFIBUS PA, Foundation Fieldbus)

Для относительного давления - Серия DS III (HART, PROFIBUS PA, Foundation Fieldbus)

Технические данные

Измерительный преобразователь давления SITRANS P, серия DS III РА для избыточного давления

 

HART

PROFIBUS PA или Foundation Fieldbus

Вход 

 

Измеряемая величина

Избыточное давление

Интервал измерения или ном. диапазон измерения и макс. доп. рабочее давление

Интервал измерения

макс. доп. рабочее давление

ном. диапазон измерения

макс. доп. рабочее давление

 

0.01 ... 1 bar g
(0.145 ... 14.5 psi g)

6 bar g
(87 psi g)

1 bar g
(14.5 psi g)

6 bar g
(87 psi g)

 

0.04 ... 4 bar g
(0.58 ... 58 psi g)

10 bar g
(145 psi g)

4 bar g
(58 psi g)

10 bar g
(145 psi g)

 

0.16 ... 16 bar g
(2.23 ... 232 psi g)

32 bar g
(464 psi g)

16 bar g
(232 psi g)

32 bar g
(464 psi g)

 

0.6 ... 63 bar g
(9.14 ... 914 psi g)

100 bar g
(1450 psi g)

63 bar g
(914 psi g)

100 bar g
(1450 psi g)

 

1.6 ... 160 bar g
(23.2 ... 2320 psi g)

250 bar g
(3626 psi g)

160 bar g
(2320 psi g)

250 bar g
(3626 psi g)

 

4.0 ... 400 bar g
(58 ... 5802 psi g)

600 bar g
(8700 psi g)

400 bar g
(5802 psi g)

600 bar g
(8700 psi g)

Нижняя граница измерения

 

 

  • Изм. ячейка с наполнителем из силиконового масла

30 mbar a (0.435 psi a)

Верхняя граница измерения

100 % от ном. диапазона измерения (при измерении кислорода и инертной жидкости макс. 160 бар)

Выход 

 

 

Выходной сигнал

4 ... 20 mA

Цифровой PROFIBUS PA или Foundation Fieldbus сигнал

  • Нижний предел

3.55 mA, factory preset to 3.84 mA

-

  • Верхний предел

23 mA, factory preset to 20.5 mA or optionally set to 22.0 mA

-

Загрузка

 

  • без коммуникатора HART

R B ≤ (UH - 10.5 V)/0.023 A в Ω,
UH : Питание в V

-

  • с коммуникатором HART 

R B = 230 ... 500 Ω (SIMATIC PDM) или
RB = 230 ... 1100 Ω (коммуникатор HART)

-

Физика шины

-

IEC 61158-2

Защита от перемены полярности

-

есть

Точность измерения 

 

эталонные условия

нарастающая характеристика, начало измерения 0 бар, разд. мембрана из нерж. стали, наполнитель из силиконового масла, комнатная температура (25 °C)r: отношение интервалов измер. (r = макс. интервал измерения / установлен. интервал измерения)

Погрешность измерения ( вкл. гистерезис и повторяемость)

 

  • линейная характеристика

 

≤ 0,075%

  • r ≤ 10

≤ (0.0029 · r + 0.071) %

 

  • 10 < r ≤ 30

≤ (0.0045 · r + 0.071) %

 

  • 30 < r ≤ 100

≤ (0.005 · r + 0.05) %

 

Долговременный дрейф (температурный диапазон ±30 °C (±54 °F))

≤ (0.25 · r)% каждые 5 лет

≤ 0.25% каждые 5 лет

Воздействие внешней температуры

 

  • при -10 … +60 °C (14 … 140 °F)

≤ (0.08 · r + 0.1) %

≤ 0,3%

  • при -40 ... -10 °C и +60 ... +85 °C
    (-40 ... +14 °F и 140 ... 185 °F)

≤ (0.1 · r + 0.15)%/10 K

≤ 0.25%/10 K

Measured Value Resolution

-

3 · 10-5 of nominal measuring range

Условия использования

 

Класс защиты (по EN 60529)

IP65

Темература изм. вещества

 

  • изм. ячейка с силиконовым маслом

-40 ... +100 °C (-40 ... +212 °F)

  • изм. ячейка с инертной жидкостью 

-20 ... +100 °C (-4 ... +212 °F)

  • в комбинации с пылевзрывозащитой

-20 ... +60 °C (-4 ... +140 °F)

Внешние условия

 

  • Температура окружающей среды

 

  • Цифровые индикаторы

-30 ... +85 °C (-22 ... +185 °F)

  • Температура хранения

-50 ... +85 °C (-58 ... +185 °F)

  • Климатический класс

 

  • Конденсация 

допускается

  • Электромагнитная совместимость

 

  • Излучения

по EN 50081-1

  • Устойчивость

по EN 61236 и NAMUR NE 21

Конструктивные особенности 

 

Вес (без опций)

≈ 1.5 kg (≈ 3.3 lb)

Материал частей, соприк. с изм. в-вом

 

  • соед. цапфы

нерж. сталь, 1.4404/316L или Hastelloy C4, 2.4610

  • Овальный фланец

нерж. сталь, 1.4404/316L

  • разд. мембрана

нерж. сталь, 1.4404/316L или Hastelloy C276, 2.4819

Наполн. изм. ячеек

Силиконовое масло или инертная наполнительная жидкость (при измерении кислорода макс. давление 160 бар)

Подключение к процессу

Соед. цапфы G½B по DIN EN 837-1; внутренняя резьба ½ -14 NPT или овальный фланец (PN 160 по DIN 19 213 с крепежной резьбой M10 или 7/16-20 UNF по EN 61518

Питание  U H

 

Питание из шины

Напряжение на клеммах изм. преобразователя

10.5 ... 45 V DC
10.5 ... 30 V DC в искроб. режиме

-

Отдельное напряжение питания 24 V

-

не требуется

напряжение шины

 

  • не Ex

-

9 ...32 V

  • в искробезопасном режиме

-

9 ...24 V

Потребляемый ток

 

  • главный ток (мекс.)

-

12.5 mA

  • Стартовый ток ≤ базового тока

-

да

  • Макс. ток сбоя в случае сбоя

-

15.5 mA

Электроника отключения при сбое (FDE)

-

да

Сертификаты и допуски

 

 

Подразделение согласно руководтству по приборам давления (DGRL 97/23/EС)

Для газов флюидной группы 1 и жидкостей флюидной группы 1; отвечает требованиям согласно статье 3 раздел 3 (хорошая инженерная практика)

Взрывозащита

 

  • Искробезопасность "i"

PTB 99 ATEX 2122

  • Обозначение 

Ex II 1/2 G EEx ia/ib IIB/IIC T6

  • доп. внешняя температура

-40 ... +85 °C (-40 ... +185 °F) класс температуры T4;
-40 ... +70 °C (-40 ... +158 °F) класс температуры T5;
-40 ... +60 °C (-40 ... +140 °F) класс температуры T6

  • Подключение 

К освидетельствованным контурам тока с макс. значениями:
Ui = 30 V, Ii = 100 mA,
Pi = 750 mW; Ri = 300 Ω

прибор питания FISCO:
Uo = 17.5 V, Io = 380 mA, Po = 5.32 W

линейный барьер:
Uo = 24 V, Io = 250 mA, Po = 1.2 W

  • Эфф. внутренняя индуктивность/емкость

L i = 0.4 mH, Ci = 6 nF

L i = 7 μH, Ci = 1.1 nF

  • Взравонепроницаемый корпус "d"

PTB 99 ATEX 1160

  • Обозначение

Ex II 1/2 G EEx d IIC T4/T6

  • доп. внешняя температура

-40 ... +85 °C (-40 ... +185 °F) класс температуры T4;
-40 ... +60 °C (-40 ... +140 °F) класс температуры T6

  • Подключение

К контурам тока с рабочими значениями: UH = 10.5 ... 45 V DC

К контурам тока с рабочими значениями: UH = 9 ... 32 V DC

  • Пылевзрывозащита для зоны 20

PTB 01 ATEX 2055

  • Обозначение

Ex II 1 D IP65 T 120 °C
Ex II 1/2 D IP65 T 120 °C

  • доп. внешняя температура

-40 ... +85 °C (-40 ... +185 °F)

  • макс. температура поверхности

120 °C (248 °F)

  • Подключение

К освидетельствованным контурам тока с макс. значениями:
Ui = 30 V, Ii = 100 mA,
Pi = 750 mW, Ri = 300 Ω

прибор питания FISCO:
Uo = 17.5 V, Io = 380 mA, Po = 5.32 W

линейный барьер:
Uo = 24 V, Io = 250 mA, Po = 1.2 W

  • Эфф. внутренняя индуктивность/емкость

L i = 0.4 mH, Ci = 6 nF

L i = 7 μH, Ci = 1.1 nF

  • Пылевзрывозащита для зоны 21/22

PTB 01 ATEX 2055

  • Обозначение

Ex II 2 D IP65 T 120 °C

  • Подключение

К контурам тока с рабочими значениями: UH = 10.5 ... 45 V DC; Pmax = 1.2 W

К контурам тока с рабочими значениями: UH = 9 ... 32 V DC; Pmax = 1.2 W

  • Тип взрывозащиты "n" (зона 2)

TÜV 01 ATEX 1696 X

планируется

  • Обозначение

Ex II 3 G EEx nA L IIC T4/T5/T6

-

  • Взрывозащита по FM

Certificate of Compliance 3008490

  • Обозначение (XP/DIP) или (IS); (NI)

CL I, DIV 1, GP ABCD T4...T6; CL II, DIV 1, GP EFG; CL III; CL I, ZN 0/1 AEx ia IIC T4...T6; CL I, DIV 2, GP ABCD T4...T6; CL II, DIV 2, GP FG; CL III

  • Взрывозащита по CSA

Certificate of Compliance 1153651

  • Обозначение (XP/DIP) или (IS)

CL I, DIV 1, GP ABCD T4...T6; CL II, DIV 1, GP EFG; CL III; Ex ia IIC T4...T6; CL I, DIV 2, GP ABCD T4...T6; CL II, DIV 2, GP FG; CL III


 

 

Коммуникация HART

 

Коммуникация HART

230 до 1100 Ω;

Протокол

HART версия 5.x

ПО для компьютера

SIMATIC PDM


 

Коммуникация PROFIBUS PA

 

Одновременная коммуникация с ведущим класса 2 (макс.)

4

Установка адреса возможна с помощью

Конфигурационного прибора или локального управления
(стандартная настройка адреса 126)

Циклическое использование данных

 

  • Выходной байт

5 (одно измеряемое значение) или
10 (два измеряемых значения)

  • Входной байт

0, 1, или 2 (режим работы регистра и функция сброса по
причине измерения)

Внутренняя предварительная обработка

 

Профиль устройства

PROFIBUS PA профиль для
устройства управления
процессом 3.0, Класс B

Функциональные блоки (Function
Blocks)

2

  • Аналоговый вход (Analog input)

 

  • Адаптация к задаваемым
    пользователем переменным
    процесса

да, линейно возрастающая или
убывающая характеристика

  • Электрическое демпфирование
    T63, регулируемое

0 to 100 s

  • Функция симуляции

вход/выход

  • Режим сбоя

параметрируется (последнее
достоверное значение,
заменяющее значение,
некорректное значение)

  • Мониторинг пределов

Один верхний и один нижний
предупредительный предел и
один аварийный предел

  • Регистр (Сумматор)

Может быть сброшен и
установлен, направление счета
выбирается, функция симуляции
выхода регистра

  • Режим сбоя

параметрируется (суммирование
с последним достоверным
значением, непрерывное
суммирование, суммирование с
некорректным значением)

  • Мониторинг пределов

Один верхний и один нижний
предупредительный предел и
один аварийный предел

  • Физический блок

1

Блоки преобразователя (Transducer
Blocks)

2

  • Блок преобразователя давления
    (Pressure Transducer Block)

 

  • калибровка с помощью подачи
    двух давлений

да

  • Мониторинг пределов сенсора

да

  • Ввод характеристики контейнера

макс. 30 узлов

  • Характеристика с квадратным
    корнем для измерения расхода

да

  • Постепенное понижение объема
    и точка извлечения квадратного
    корня

макс. 30 узлов

  • Функция симуляции для
    измеряемого значения давления
    и температуры сенсора

константа, или через
параметрируемую пилообразную
функцию


 

Коммуникация Foundation Fieldbus

 

Функциональные блоки (Function
Blocks)

3 функциональных блока
аналогового входа, 1
функциональный блок ПИД

  • Аналоговый вход(Analog input)

 

  • Адаптация к задаваемым
    пользователем переменным
    процесса

да, линейно возрастающая или
убывающая характеристика

  • Электрическое демпфирование
    T63, регулируемое

0 ... 100 с

  • Функция симуляции

вход/выход (может быть
заблокирован внутри прибора с
помощью перемычки)

  • Режим сбоя

параметрируется (последнее
достоверное значение,
заменяющее значение,
некорректное значение)

  • Мониторинг пределов

Один верхний и один нижний
предупредительный предел и
один аварийный предел

  • Характеристика с квадратным
    корнем для измерения расхода

Yes

  • ПИД

Стандартный функциональный
блок FF

  • Физический блок

1 блок ресурсов

Блоки преобразователя (Transducer
Blocks)

1 блок преобразователя давления
с калибровкой, 1 блок
преобразователя ЖК-дисплея

  • Блок преобразователя давления
    (Pressure Transducer Block)

 

  • калибровка с помощью подачи
    двух давлений

Да

  • Мониторинг пределов сенсора

Да

  • Функции симуляции:
    Измеряемое значение давления,
    температура сенсора и
    температура электроники

константа, или через
параметрируемую пилообразную
функцию


 

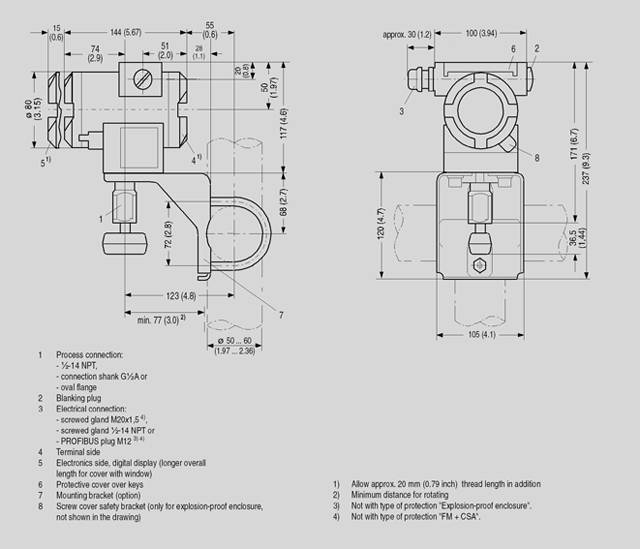
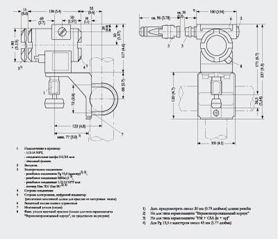
Чертеж

Измерительный преобразователь давления SITRANS P, серия DS III HART для избыточного давления, размеры в мм (дюймах)

Измерительный преобразователь давления SITRANS P, серия DS III PA и FF для ибыточного давления, размеры в мм (дюймах)

Заказные данные

Заказной №ОписаниеВес (кг)ДоставкаМин. зак. (шт)
7MF4033-.....-....SITRANS P ДАТЧИК ОТНОСИТЕЛЬНОГО ДАВЛЕНИЯ СЕРИИ DS III2по запросу (D)1
7MF4034-.....-....SITRANS P DS III PA ПРЕОБРАЗОВАТЕЛЬ ДАВЛЕНИЯ2по запросу (D)1
7MF4035-.....-....SITRANS P DS III , FIELDBUS FOUNDATION TRANSMITTER FOR PRESSURE 2по запросу (D)1

Заказные данные [PDF]

Загрузить PDF-файл.

Для просмотра информации в формате PDF необходимо установить Adobe Acrobat Reader.
Adobe Acrobat Reader

Аксессуары

Заказной №ОписаниеВес (кг)ДоставкаМин. зак. (шт)
7MF4990-.....-....ИЗМЕРИТЕЛЬНАЯ ЯЧЕЙКА ДЛЯ SITRANS P ДЛЯ ДАВЛЕНИЯ0.45по запросу (D)1
7MF4997-1ABНАБОР ДЛЯ КРЕПЕЖА ИЗ СТАЛИ ДЛЯ ДАТЧИКОВ ДАВЛЕНИЯ 7MF401*-.....-1*C* 7MF4032-.....-1*C* И ТЕРМОПРЕОБРАЗОВАТЕЛЯ 7NG313*-**C**0.56 - 8 недель (C)1
7MF4997-1ACНАБОР ДЛЯ КРЕПЕЖА ИЗ СТАЛИ ДЛЯ ДАТЧИКОВ ДАВЛЕНИЯ СЕРИЙ MK II, MS И DS (7MF4010/4013/4032-.....-1.A. -1.B. И -1.D.) И ДЛЯ ДАТЧИКОВ АБСОЛЮТНОГО ДАВЛЕНИЯ (7MF4232-.....-1.A., -1.B. И -1.D.) И ТЕРМОПРЕОБРАЗОВАТЕЛЕЙ 7NG313*-**B**TER 7NG313.-..B..TER 7NG313.-..B..0.56 - 8 недель (C)1
7MF4997-1AHНАБОР ДЛЯ КРЕПЕЖА ИЗ НЕРЖ.СТАЛИ ДЛЯ ДАТЧИКОВ ДАВЛЕНИЯ 7MF401*-.....-1*C* 7MF4032-.....-1*C* И ТЕРМОПРЕОБРАЗОВАТЕЛЕЙ 7NG313*-**C**0.54 - 6 недель (B)1
7MF4997-1AJНАБОР ДЛЯ КРЕПЕЖА ИЗ НЕРЖ.СТАЛИ ДЛЯ ДАТЧИКОВ ДАВЛЕНИЯ СЕРИЙ MK II,MS И DS (7MF4010/4013/4032-.....-1.A. -1.B. И -1.D.) И ДАТЧИКОВ АБСОЛЮТНОГО ДАВЛЕНИЯ СЕРИИ DS (7MF4232-.....-1.A., -1.B. И -1.D.) И ТЕРМОПРЕОБРАЗОВАТЕЛЕЙ 7NG313*-**B**TURE TRANSMITTER 7NG3TURE TRANSMITTER 7NG313.-..B..0.53 - 5 недель (A)1
7MF4997-1BBКРЫШКА БЕЗ ОКНА,С О-КОЛЬЦОМ ДЛЯ 7MF4*1*-... И 7MF4*32-...0.36 - 8 недель (C)1
7MF4997-1BCКРЫШКА С ПРОКЛАДКОЙ БЕЗ ОКНА ДЛЯ 7MF4*32- ИЗ НЕРЖ.СТАЛИ0.36 - 8 недель (C)1
7MF4997-1BEКРЫШКА С ОКНОМ,С О-КОЛЬЦОМ ДЛЯ 7MF4*1*-... И 7MF4*32-...0.33 - 5 недель (A)1
7MF4997-1BFКРЫШКА С ПРОКЛАДКОЙ И ОКНОМ ДЛЯ 7MF4*32- ИЗ НЕРЖ.СТАЛИ0.36 - 8 недель (C)1
7MF4997-1BRЦИФРОВОЙ ИНДИКАТОР ДЛЯ ДАТЧИКОВ СЕРИИ MS0.36 - 8 недель (C)1
7MF4997-1CAШИЛЬДИК ЧИСТЫЙ (1 НАБОР = 5 ШТУК)0.16 - 8 недель (C)1
7MF4997-1CBШИЛЬДИК ДЛЯ ОПЦИЙ Y01 ИЛИ Y02, Y15 И Y16 (1 ШТУКА)0.16 - 8 недель (C)1
7MF4997-1CDВИНТЫ ДЛЯ ШИЛЬДИКА 7MF4*1*-... И 7MF4*32-... (50 ШТУК)0.16 - 8 недель (C)1
7MF4997-1DAHART-МОДЕМ С ИНТЕРФЕСОМ RS232 ДЛЯ ПОДКЛЮЧЕНИЯ ИЗМЕРИТЕЛЬНЫХ ДАТЧИКОВ С HART-ПРОТОКОЛОМ К КОМПЬЮТЕРУ0.13 - 5 недель (A)1
7MF4997-1DB HART-МОДЕМ С USB-ИНТЕРФЕСОМ ДЛЯ ПОДКЛЮЧЕНИЯ ИЗМЕРИТЕЛЬНЫХ ДАТЧИКОВ С HART-ПРОТОКОЛОМ К КОМПЬЮТЕРУ 0.13 - 5 недель (A)1
7MF4997-1DKЭЛЕКТРОНИКА DS III0.14 - 6 недель (B)1
7MF4997-1DLМОДУЛЬ ЭЛЕКТРОНИКИ ДЛЯ ДАТЧИКА SITRANS P СЕРИИ DS III PA0.14 - 6 недель (B)1
7MF4997-1DMМОДУЛЬ ЭЛЕКТРОНИКИ ДЛЯ ДАТЧИКА SITRANS P СЕРИИ DS III FIELDBUS FOUNDATION0.14 - 6 недель (B)1
7MF4997-1DNПЛАТА СОЕДИНЕНИЙ DS III0.14 - 6 недель (B)1
7MF4997-1DPПЛАТА СОЕДИНЕНИЙ SITRANS P ERIE DS III PA0.14 - 6 недель (B)1
A5E00047090РУКОВОДСТВО GERMAN FOR SITRANS P, DS III SERIES.0.1253 - 5 недель (A)1
A5E00047092РУКОВОДСТВО ENGLISH FOR SITRANS P, DS III SERIES0.1253 - 5 недель (A)1
A5E00047093РУКОВОДСТВО (LEPORELLO) FOR SITRANS P, DS III SERIES IN GERMAN AND ENGLISH0.0866 - 8 недель (C)1
A5E00053218РУКОВОДСТВО FRENCH FOR SITRANS P, DS III SERIES0.1253 - 5 недель (A)1
A5E00053219РУКОВОДСТВО ITALIAN FOR SITRANS P, DS III SERIES0.1253 - 5 недель (A)1
A5E00053220РУКОВОДСТВО SPANISH FOR SITRANS P, DS III SERIES0.1253 - 5 недель (A)1
A5E00053274КОРОТКИЕ ИНСТРУКЦИИ SITRANS P, DS III PA SERIES GERMAN/ENGLISH0.1186 - 8 недель (C)1
A5E00053275РУКОВОДСТВО GERMAN FOR SITRANS P, DS III PA SERIES.0.1253 - 5 недель (A)1
A5E00053276РУКОВОДСТВО ENGLISH FOR SITRANS P, DS III PA SERIES0.3153 - 5 недель (A)1
A5E00053277РУКОВОДСТВО FRENCH FOR SITRANS P, DS III PA SERIES0.1253 - 5 недель (A)1
A5E00053278РУКОВОДСТВО SPANISH SITRANS P, DS III PA SERIES0.1253 - 5 недель (A)1
A5E00053279РУКОВОДСТВО ITALIAN FOR SITRANS P, DS III PA SERIES0.1253 - 5 недель (A)1
A5E00090345CD -ДИСК С ДОКУМЕНТАЦИЕЙ ДЛЯ SITRANS P, DS III0.056 - 8 недель (C)1

Аксессуары [PDF]

Загрузить PDF-файл.

Для просмотра информации в формате PDF необходимо установить Adobe Acrobat Reader.
Adobe Acrobat Reader