
Зажимные мембранные уплотнения полностью интегрированы в технологическую линию. Они наиболее подходят для текучих и высоковязких жидкостей. Вынесенное мембранное уплотнение состоит из цилиндрической оболочки, в которую вварена тонкостенная труба. Зажим осуществляется непосредственно между двумя фланцами трубопровода. |
ДизайнЗажимные мембранные уплотнения (фланцы) для давления - Зажимное диафрагменное мембранное уплотнение с фланцем по DIN/ANSI для преобразователей SITRANS P (серий MK II, MS и DS III PA)
- Присоединение по DIN 2501 или ANSI B16.5
- Присоединение к преобразователю напрямую или через гибкую капиллярную трубку (длина макс. 10 м)
- Материалы, соприкасающиеся с измеряемой средой): см. технические данные
- Материалы капиллярной трубки, защитной крышки, основного корпуса мембраны и измерительной ячейки: нерж. сталь, No. 1.4404/316L
- Наполнительная жидкость: силиконовое масло, высокотемпературное масло, галокарбоновое масло, растительное масло, глицерин/вода (не для использования в диапазоне низкого давления)
|
ФункцииДавление передается от мембран к наполнительной жидкости и затем через капиллярную трубку к измерительной ячейке преобразователя. Наполнительная жидкость находится во внутренней полости диафрагмы, капилярной трубке и измерительной ячейке. Замечание: при работе с давлением ниже нижней границы диапазона, а также во время запуска в эксплуатацию, рекомендуется использовать стойкое к ваккууму уплотнение диафрагмы (см. заказ) |
Технические данные | Трубчатый разделитель давления для зафланцовки | | Диаметр | Ном. давление | | | PN 6 ... PN 100 | | | | | | | | | | | Class 150 ... class 2500 | | | | | | | | | | Подключение к процессу | фланец по EN 1092‑1 или ASME B 16.5 | | Поверхность уплотнения | по EN 1092‑1, форма B1 или по ASME B16.5 RF 125 ... 250 A или RFSF | | Материалы | | | | нерж. сталь 316L | | | нерж. сталь 316L | - Части, соприкасающиеся с измеряемым веществом
| нерж. сталь 316L | | | | | | | | | - PFA (для разрешения по запросу)
| | | Monel 400, mat. No. 2.4360 | | | Hastelloy C276, mat. No. 2.4819 | | | Hastelloy C4, mat. No. 2.4610 | | | Tantalum | | | нерж. сталь, 1.4571/316Ti | | | спиральный шланг из нерж. стали 1.4301/316 | | Капиллярная трубка | | | | макс. 10 м (32.8 ft) | | | 2 мм (0.079 дюйма) | | | 150 мм (5.9 дюйма) | | Наполнительная жидкость | силиконовое масло M5 | | | силиконовое масло M50 | | | высокотемпературное масло | | | фторо-углеродное масло (для измерений O2) | | | растительное масло | | | глицерин/вода (не подходит для использования в области разрежения) | | Доп. внешняя температура | См. измерительный преобразователь давления, см. наполнительную жидкость | | Вес | Approx. 4 kg (8.82 lb) | | Сертификаты и допуски | | | Подразделение согласно руководству по приборам давления (DGRL 97/23/EC) | Для газов флюидной группы 1 и жидкостей флюидной группы; отвечает требованиям согласно статье 3, раздел 1 (приложение 1); относится к категории III, оценка соответствия модуля H через TÜV Nord | |
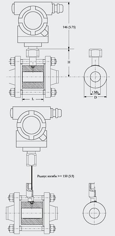
Чертеж Соединение по EN 1092‑1 | DN | PN | D | Mb | L | H | | мм | bar | мм | мм | мм | мм | | 25 | 6 ... 100 | 63 | 28.5 | 60 | 78.5 | | 40 | 6 ... 100 | 85 | 43 | 60 | 89.5 | | 50 | 6 ... 100 | 95 | 54.5 | 60 | 92.5 | | 80 | 6 ... 100 | 130 | 82.5 | 60 | 112 | | 100 | 6 ... 100 | 150 | 107 | 60 | 122 | Соединение по ASME B16.5 | DN | Class | D | Mb | L | H | | (дюйма) | | мм | мм | мм | мм | | | | (дюйма) | (дюйма) | (дюйма) | (дюйма) | | 1 | 150 ... 2500 | 63 | 28.5 | 60 | 78.5 | | | | (2.48) | (1.12) | (2.36) | (3.1) | | 1½ | 150 ... 2500 | 85 | 43 | 60 | 86 | | | | (3.35) | (1.69) | (2.36) | (3.4) | | 2 | 150 ... 2500 | 95 | 54.5 | 60 | 94.5 | | | | (3.74) | (2.15) | (2.36) | (3.72) | | 3 | 150 ... 2500 | 130 | 82.5 | 60 | 112 | | | | (5.12) | (3.25) | (2.36) | (4.4) | | 4 | 150 ... 2500 | 150 | 107 | 60 | 122 | | | | (5.9) | (4.21) | (2.36) | (4.8) | Трубчатый разделитель давления для зафланцовки, пристроен к измерительному преобразователю давления SITRANS P, размеры в мм (дюймах) |
Заказные данные | Заказной № | Описание | Вес (кг) | Доставка | Мин. зак. (шт) | | 7MF4980-.....-.. | ВСТРАИВАЕМАЯ МЕМБРАНА , ТИП 7MF4980 СОЕДИНЕНА С SITRANS P | 4.7 | 6 - 8 недель (C) | 1 | |
Заказные данные [PDF] |
|