0

Разделы

Для дифференциального давления и расхода - Серия DS III (HART, PROFIBUS PA, Foundation Fieldbus)

Для дифференциального давления и расхода - Серия DS III (HART, PROFIBUS PA, Foundation Fieldbus)

Технические данные

Измерительный преобразователь давления SITRANS P, Serie DS III для дифф. давления и расхода

 

HART

PROFIBUS PA или Foundation Fieldbus

Вход

 

Измеряемая величина

дифф. давление и расход

Интервал измерения или
ном. диапазон измерения и макс. доп. рабочее давление

Интервал измерения

макс. рабочее давление

ном. диапазон измерения

макс. рабочее давление

 

1 ... 20 mbar
(0.4015 ... 8.031 в H2O)

32 bar
(464 psi)

20 mbar g
(8.031 в H2O)

32 bar
(464 psi)

 

1 ... 60 mbar
(0.4015 ... 24.09 в H2O)

160 bar
(2320 psi)

60 mbar
(24.09 в H2O)

160 bar
(2320 psi)

 

2.5 ... 250 mbar
(1.004 ... 100.4 в H2O)

 

250 mbar
(100.4 в H2O)

 

 

6 ... 600 mbar
(2.409 ... 240.9 в H2O)

 

600 mbar
(240.9 в H2O)

 

 

16 ... 1600 mbar
(6.424 ... 642.4 в H2O)

 

1600 mbar
(642.4 в H2O)

 

 

50 ... 5000 mbar
(20.08 ... 2008 в H2O)

 

5 bar
(2008 в H2O)

 

 

0.3 ... 30 bar
(4.35 ... 435 psi)

 

30 bar
(435 psi)

 

 

2.5 ... 250 mbar
(1.004 ... 100.4 в H2O)

420 bar
(6091 psi)

250 mbar
(100.4 в H2O)

420 bar
(6091 psi)

 

6 ... 600 mbar
(2.409 ... 240.9 в H2O)

 

600 mbar
(240.9 в H2O)

 

 

16 ... 1600 mbar
(6.424 ... 642.4 в H2O)

 

1600 mbar
(642.4 в H2O)

 

 

50 ... 5000 mbar
(20.08 ... 2008 в H2O)

 

5 bar
(2008 в H2O)

 

 

0.3 ... 30 bar
(4.35 ... 435 psi)

 

30 bar
(435 psi)

 

Нижняя граница измерения

 

 

  • Изм. ячейка с наполнителем из силиконового масла

-100 % ном. диапазона измерения (-33 % при ном. диапазоне измерения 30 бар) или 30 мбар абс.

Верхняя граница измерения

100 % ном. диапазона измерения (при измерении кислорода и инертной жидкости макс. 160 бар)

Выход

 

Выходной сигнал

4 ... 20 mA

Цифровой сигнал PROFIBUS PA или Foundation Fieldbus

  • нижний предел (бесконечно регулируемые)

3.55 mA, заводская настройка 3.84 mA

-

  • верхний предел (бесконечно регулируемые)

23 mA, заводская настройка 20.5 mA или опциональная настройка 22.0 mA

-

Загрузка

 

  • без коммуникации HART

R B ≤ (UH - 10.5 V)/0.023 A в Ω,
UH : Питание в V

-

  • с коммуникацией HART 

R B = 230 ... 500 Ω (SIMATIC PDM) или
RB = 230 ... 1100 Ω (Коммуникатор HART)

-

Физика шины

-

IEC 61158-2

Защита от переполюсовки

-

да

Точность измерения 

 

Эталонные условия

нарастающая характеристика, начало измерения 0 бар, разд. мембрана из нерж. стали, наполнитель из силиконового масла, комнатная температура (25 °C)

Погрешность измерения ( вкл. гистерезис и повторяемость)

 

  • Линейная характеристика

 

≤ 0,075%

  • r ≤ 10

≤ (0.0029 · r + 0.071)%

 

  • 10 < r ≤ 30

≤ (0.0045 · r + 0.071) %

 

  • 30 < r ≤ 100

≤ (0.005 · r + 0.05) %

 

  • корневая характеристика, расход >50%

 

≤ 0,1%

  • r ≤ 10

≤ 0,1%

 

  • 10 < r ≤ 30

≤ 0,2%

 

  • корневая характеристика, расход 25 ... 50%)

 

≤ 0,2

  • r ≤ 10

≤ 0,2%

 

  • 10 < r ≤ 30

≤ 0,4%

 

Долговременный дрейф (температурные изменения ±30 °C (±54 °F))

≤ (0.25 · r)% каждые 5 лет
static pressure max. 70 bar g (1015 psi g)

≤ (0.25% каждые 5 лет
static pressure max. 70 bar g (1015 psi g)

  • 20 mbar (0.29 psi)-measuring cell

≤ (0.2 · r) в год

≤ 0.2 в год

Воздействие внешней температуры

 

  • при -10 … +60 °C (14 … 140 °F)

≤ (0.08 · r + 0.1) %

≤ 0,3%

  • при -40 ... -10 °C и +60 ... +85 °C
    (-40 ... +14 °F и 140 ... 185 °F)

≤ (0.1 · r + 0.15)%/10 K
(двойное значение при 20-мбар - ном. диапазон измерения )

≤ 0.25%/10 K

Influence of static pressure

 

  • on the zero point

≤ (0.15 · r)% per 100 bar (1450 psi)

≤ 0.15% je 100 bar (1450 psi)

    • 20 mbar (0.29 psi)-measuring cell

≤ (0.15 · r)% per 32 bar (464 psi)

≤ 0.15% je 32 bar (464 psi)

  • on the span

≤ 0.2% je 100 bar (1450 psi)

    • 20 mbar (0.29 psi)-measuring cell

≤ 0.2% je 32 bar (464 psi)

Разрешение измеряемого значения

-

3 • 10-5 от номинального диапазона измерений

Условия использования

 

Класс защиты (по EN 60529)

IP65

Температура изм. вещ-ва

 

  • изм. ячейка с наполнителем из силиконового масла

-40 ... +100 °C (-40 ... +212 °F)

  • Изм. ячейка с инертной жидкостью

-20 ... +100 °C (-4 ... +212 °F)

  • в комбинации с пылевзрывозащитой

-20 ... +60 °C (-4 ... +140 °F)

Внешние условия

 

  • Температура окружающей среды

 

  • Цифровой датчик

-30 ... +85 °C (-22 ... +185 °F)

  • Температура хранения

-50 ... +85 °C (-58 ... +185 °F)

  • Климатичесский класс

 

  • Конденсация

Допускается

  • Электромагнитная совместимость

 

  • Излучения

по EN 50081-1

  • Устойчивость

по EN 61236 и NAMUR NE 21

Конструктивные особенности

 

Вес (без опций)

≈ 4.5 кг (≈ 9.9 lb)

Материал частей, соприк. с изм. в-вом

 

  • Разд. мембрана

нерж. сталь, 1.4404/316L или Hastelloy C276, 2.4819, Monel, 2.4360, tantal или золото

Наполн. изм. ячеек

силиконовое масло или инертная наполнительная жидкость (при измерении кислорода макс. давление 160 бар)

Подключение к процессу

внутренняя резьба ¼-18 NPT и фланцевое соединение по DIN 19213 с крепежной резьбой M10 или 7/16-20 UNF по EN 61518

Питание  U H

 

Питание от шины

Напряжение на клеммах изм. преобразователя

10.5 ... 45 V DC
10.5 ... 30 V DC в искроб. режиме

-

Отдельное напряжение питания 24 V

-

не требуется

Напряжение шины

 

  • не Ex

-

9 ...32 V

  • в искробезопасном режиме

-

9 ...24 V

Потребляемый ток

 

  • главный ток (макс.)

-

12.5 mA

  • Начальный ток ≤ базового тока

-

да

  • Макс. ток сбоя в случае сбоя

-

15.5 mA

Электроника отключения при сбое (FDE)

-

да

Сертификаты и допуски

 

 

Подразделение согласно руководтству по приборам давления (DGRL 97/23/EC)

 

PN 32/160 (MWP 464/2320 psi)

Для газов флюидной группы 1 и жидкостей флюидной группы 1; отвечает требованиям согласно статье 3 раздел 3 (хорошая инженерная практика)

PN 420 (MWP 6092 psi)

Для газов флюидной группы 1 и жидкостей флюидной группы 1; отвечает основным требованиям безопасности согласно статье 3, раздел 1 (приложение 1); относится к категории III, оценка соответствия модуля H через TUV Nord

Взрывозащита

 

  • Искробезопасность "i"

PTB 99 ATEX 2122

  • Обозначение

Ex II 1/2 G EEx ia/ib IIB/IIC T6

  • Доп. внешняя температура 

-40 ... +85 °C (-40 ... +185 °F) класс температуры T4;
-40 ... +70 °C (-40 ... +158 °F) класс температуры T5;
-40 ... +60 °C (-40 ... +140 °F) класс температуры T6

  • Подключение 

К освидетельствованным контурам тока с макс. значениями:
Ui = 30 V, Ii = 100 mA,
Pi = 750 mW; Ri = 300 Ω

прибор питания FISCO:
Uo = 17.5 V, Io = 380 mA, Po = 5.32 W

линейный барьер:
Uo = 24 V, Io = 250 mA, Po = 1.2 W

  • Эфф. внутренняя индуктивность/емкость

L i = 0.4 mH, Ci = 6 nF

L i = 7 μH, Ci = 1.1 nF

  • Взрывонепроницаемый корпус "d"

PTB 99 ATEX 1160

  • Обозначение

Ex II 1/2 G EEx d IIC T4/T6

  • Доп. внешняя температура 

-40 ... +85 °C (-40 ... +185 °F) класс температуры T4;
-40 ... +60 °C (-40 ... +140 °F) класс температуры T6

  • Подключение

К контурам тока с рабочими значениями: UH = 10.5 ... 45 V DC

К контурам тока с рабочими значениями: UH = 9 ... 32 V DC

  • Пылевзрывозащита для зоны 20

PTB 01 ATEX 2055

  • Обозначение

Ex II 1 D IP65 T 120 °C
Ex II 1/2 D IP65 T 120 °C

  • Доп. внешняя температура 

-40 ... +85 °C (-40 ... +185 °F)

  • макс. температура поверхности

120 °C (248 °F)

  • Подключение

К освидетельствованным контурам тока с макс. значениями:
Ui = 30 V, Ii = 100 mA,
Pi = 750 mW, Ri = 300 Ω

прибор питания FISCO:
Uo = 17.5 V, Io = 380 mA, Po = 5.32 W

линейный барьер:
Uo = 24 V, Io = 250 mA, Po = 1.2 W

  • Эфф. внутренняя индуктивность/емкость

L i = 0.4 mH, Ci = 6 nF

L i = 7 μH, Ci = 1.1 nF

  • Пылевзрывозащита для зоны 21/22

PTB 01 ATEX 2055

  • Обозначение

Ex II 2 D IP65 T 120 °C

  • Подключение

К контурам тока с рабочими значениями: UH = 10.5 ... 45 V DC;         Pmax = 1.2 W

К контурам тока с рабочими значениями: UH = 9 ... 32 V DC;               Pmax = 1.2 W

  • Тип взрывозащиты "n" (зона 2)

TÜV 01 ATEX 1696 X

планируется

  • Обозначение

Ex II 3 G EEx nA L IIC T4/T5/T6

-

  • Взрывозащита по FM

Сертификат соответствия 3008490

  • Обозначение (XP/DIP) или (IS); (NI)

CL I, DIV 1, GP ABCD T4...T6; CL II, DIV 1, GP EFG; CL III; CL I, ZN 0/1 AEx ia IIC T4...T6; CL I, DIV 2, GP ABCD T4...T6; CL II, DIV 2, GP FG; CL III

  • Взрывозащита по CSA

Сертификат соответствия 1153651

  • Обозначение (XP/DIP) или (IS)

CL I, DIV 1, GP ABCD T4...T6; CL II, DIV 1, GP EFG; CL III; Ex ia IIC T4...T6; CL I, DIV 2, GP ABCD T4...T6; CL II, DIV 2, GP FG; CL III


 

Коммуникация HART

 

Коммуникация HART

230 до 1100 Ω;

Протокол

HART Version 5.x

ПО для компьютера

SIMATIC PDM


 

Коммуникация PROFIBUS PA

 

Одновременная коммуникация с
ведущим класса 2 (макс.)

4

Установка адреса возможна с
помощью

Конфигурационного прибора или
локального управления
(стандартная настройка адреса
126)

Циклическое использование данных

 

  • Выходной байт

5 (одно измеряемое значение) или
10 (два измеряемых значения)

  • Входной байт

0, 1, или 2 (режим работы
регистра и функция сброса по
причине измерения)

Внутренняя предварительная
обработка

 

Профиль устройства

PROFIBUS PA профиль для
устройства управления
процессом 3.0, Класс B

Функциональные блоки (Function
Blocks)

2

  • Аналоговый вход (Analog input)

 

  • Адаптация к задаваемым
    пользователем переменным
    процесса

да, линейно возрастающая или
убывающая характеристика

  • Электрическое демпфирование
    T63, регулируемое

0 to 100 c

  • Функция симуляции

вход/выход

  • Режим сбоя

параметрируется (последнее
достоверное значение,
заменяющее значение,
некорректное значение)

  • Мониторинг пределов

Один верхний и один нижний
предупредительный предел и
один аварийный предел

  • Регистр (Сумматор)

Может быть сброшен и
установлен, направление счета
выбирается, функция симуляции
выхода регистра

  • Режим сбоя

параметрируется (суммирование
с последним достоверным
значением, непрерывное
суммирование, суммирование с
некорректным значением)

  • Мониторинг пределов

Один верхний и один нижний
предупредительный предел и
один аварийный предел

  • Физический блок

1

Блоки преобразователя
Blocks)

2

  • Блок преобразователя давления
    (Pressure Transducer Block)

 

  • калибровка с помощью подачи
    двух давлений

Да

  • Мониторинг пределов сенсора

Да

  • Ввод характеристики контейнера

макс. 30 узлов

  • Характеристика с квадратным
    корнем для измерения расхода

Да

  • Постепенное понижение объема
    и точка извлечения квадратного
    корня

параметрируется

  • Функция симуляции для
    измеряемого значения давления
    и температуры сенсора

константа, или через
параметрируемую пилообразную
функцию


 

Коммуникация Foundation Fieldbus

 

Функциональные блоки (Function
Blocks)

3 функциональных блока
аналогового входа, 1
функциональный блок ПИД

  • Аналоговый вход(Analog input)

 

  • Адаптация к задаваемым
    пользователем переменным
    процесса

да, линейно возрастающая или
убывающая характеристика

  • Электрическое демпфирование
    T63, регулируемое

0 to 100 с

  • Функция симуляции

вход/выход (может быть
заблокирован внутри прибора с
помощью перемычки)

  • Режим сбоя

параметрируется (последнее
достоверное значение,
заменяющее значение,
некорректное значение)

  • Мониторинг пределов

Один верхний и один нижний
предупредительный предел и
один аварийный предел

  • Характеристика с квадратным
    корнем для измерения расхода

да

  • ПИД

Стандартный функциональный
блок FF

  • Физический блок

1 блок ресурсов

Блоки преобразователя (Transducer
Blocks)

1 блок преобразователя давления
с калибровкой, 1 блок
преобразователя ЖК-дисплея

  • Блок преобразователя давления
    (Pressure Transducer Block)

 

  • калибровка с помощью подачи
    двух давлений

Да

  • Мониторинг пределов сенсора

Да

  • Функции симуляции:
    Измеряемое значение давления,
    температура сенсора и
    температура электроники

константа, или через
параметрируемую пилообразную
функцию


 

Чертеж

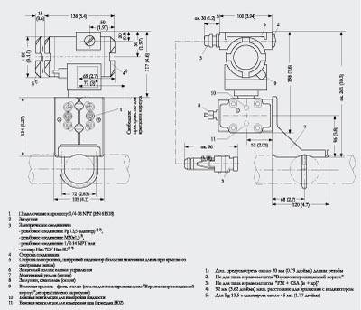
Измерительный преобразователь давления SITRANS P, серия DS III HART для дифф. давления и расхода, размеры в мм (дюймах)

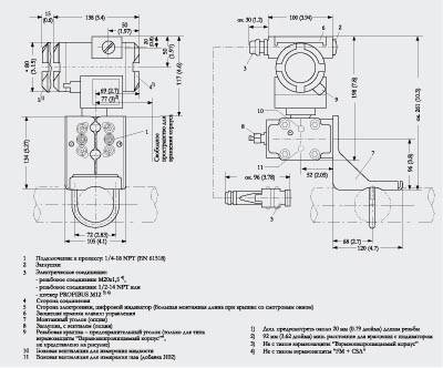
Измерительный преобразователь давления SITRANS P, серия DS III PA и FF для дифф. давления и расхода, размеры в мм (дюймах)

Измерительный преобразователь давления SITRANS P, серия DS III HART для дифф. давления и расхода с колпачками для вертикальных импульсных линий, размеры в мм (дюймах)

Измерительный преобразователь давления SITRANS P, серия DS III PA и FF для дифф. давления и расхода с колпачками для вертикальных импульсных линий, размеры в мм (дюймах)

Измерительный преобразователь давления SITRANS P, серия DS III для дифф. давления и расхода с колпачками для вертикальных импульсных линий

Измерительный преобразователь давления SITRANS P, серия DS III FF для дифф. давления и расхода с цифровым индикатором рядом с клавишами управления, размеры в мм (дюймах)

Измерительный преобразователь давления SITRANS P, серия DS III для дифф. давления и расхода с цифровым индикатором рядом с клавишами управления

Заказные данные

Заказной №ОписаниеВес (кг)ДоставкаМин. зак. (шт)
7MF4433-.....-....SITRANS P DS III ДАТЧИК ДИФФЕРЕНЦИАЛЬНОГО ДАВЛЕНИЯ И РАСХОДА PN 32/1604.5по запросу (D)1
7MF4434-.....-....ДАТЧИК ДЛЯ ИЗМЕРЕНИЯ ДИФФ. ДАВЛЕНИЯ И РАСХОДА SITRANS P DS III PA PN32/1604.5по запросу (D)1
7MF4435-.....-....SITRANS P DS III , FIELDBUS FOUNDATION, TRANSMITTER FOR DIFFERENTIAL PRESSURE AND FLOW PN 32/160 4.5по запросу (D)1
7MF4533-.....-....SITRANS P DS III, ДАТЧИК ДИФФЕРЕНЦИАЛЬНОГО ДАВЛЕНИЯ И РАСХОДА PN 4204.5по запросу (D)1
7MF4534-.....-....ДАТЧИК ДИФФ. ДАВЛЕНИЯ И РАСХОДА PN 420, СООТВЕТСТВУЕТ PED F GAS1/LIQUIDS1 CAT. III MODULE H4.5по запросу (D)1
7MF4535-.....-....SITRANS P DS III , FIELDBUS FOUNDATION, TRANSMITTER FOR DIFFERENCIAL PRESSURE AND FLOW PN 420 4.5по запросу (D)1

Заказные данные [PDF]

Загрузить PDF-файл.

Для просмотра информации в формате PDF необходимо установить Adobe Acrobat Reader.
Adobe Acrobat Reader

Аксессуары

Заказной №ОписаниеВес (кг)ДоставкаМин. зак. (шт)
7MF4994-.....-....ИЗМЕРИТЕЛЬНАЯ ЯЧЕЙКА ДЛЯ SITRANS P ДЛЯ ДИФФЕРЕНЦИАЛЬНОГО ДАВЛЕНИЯ И PN32/1602.7по запросу (D)1
7MF4995-.....-....MEASURING CELL FOR SITRANS P FOR DIFFERENTIAL PRESSURE AND PN 420, FOR DS III AND DS III PA SERIES 2.7по запросу (D)1
7MF4997-1AEКРЕПЕЖНЫЙ УГОЛОК (ОПЦИЯ A01) С ПРИНАДЛЕЖНОСТЯМИ ДЛЯ ДАТЧИКА ДИФФЕРЕНЦИАЛЬНОГО И АБСОЛЮТНОГО ДАВЛЕНИЯ 7MF45..-... С РЕЗЬБОЙ M120.56 - 8 недель (C)1
7MF4997-1AFКРЕПЕЖНЫЙ УГОЛОК ( ОПЦИЯ A01) С ПРИНАДЛЕЖНОСТЯМИ ДЛЯ ДАТЧИКОВ АБСОЛЮТНОГО И ДИФДАВЛЕНИЯ 7MF43..-..., 7MF44..-... И 7MF45..-... С РЕЗЬБОЙ 7/16-20 UNF0.56 - 8 недель (C)1
7MF4997-1ALСТАЛЬНОЙ КРЕПЕЖНЫЙ УГОЛОК (ОПЦИЯ A02) С ПРИНАДЛЕЖНОСТЯМИ ДЛЯ ДАТЧИКА ДИФДАВЛЕНИЯ 7MF45..-... С РЕЗЬБОЙ M120.56 - 8 недель (C)1
7MF4997-1AMСТАЛЬНОЙ КРЕПЕЖНЫЙ УГОЛОК С ПРИНАДЛЕЖНОСТЯМИ ДЛЯ ДАТЧИКОВ АБСОЛЮТНОГО И ДИФДАВЛЕНИЯ 7MF43..-..., 7MF44..-... И 7MF45..-... С РЕЗЬБОЙ 7/16-20 UNF0.56 - 8 недель (C)1
7MF4997-1BBКРЫШКА БЕЗ ОКНА,С О-КОЛЬЦОМ ДЛЯ 7MF4*1*-... И 7MF4*32-...0.36 - 8 недель (C)1
7MF4997-1BCКРЫШКА С ПРОКЛАДКОЙ БЕЗ ОКНА ДЛЯ 7MF4*32- ИЗ НЕРЖ.СТАЛИ0.36 - 8 недель (C)1
7MF4997-1BEКРЫШКА С ОКНОМ,С О-КОЛЬЦОМ ДЛЯ 7MF4*1*-... И 7MF4*32-...0.33 - 5 недель (A)1
7MF4997-1BFКРЫШКА С ПРОКЛАДКОЙ И ОКНОМ ДЛЯ 7MF4*32- ИЗ НЕРЖ.СТАЛИ0.36 - 8 недель (C)1
7MF4997-1BRЦИФРОВОЙ ИНДИКАТОР ДЛЯ ДАТЧИКОВ СЕРИИ MS0.36 - 8 недель (C)1
7MF4997-1CAШИЛЬДИК ЧИСТЫЙ (1 НАБОР = 5 ШТУК)0.16 - 8 недель (C)1
7MF4997-1DAHART-МОДЕМ С ИНТЕРФЕСОМ RS232 ДЛЯ ПОДКЛЮЧЕНИЯ ИЗМЕРИТЕЛЬНЫХ ДАТЧИКОВ С HART-ПРОТОКОЛОМ К КОМПЬЮТЕРУ0.13 - 5 недель (A)1
7MF4997-1DB HART-МОДЕМ С USB-ИНТЕРФЕСОМ ДЛЯ ПОДКЛЮЧЕНИЯ ИЗМЕРИТЕЛЬНЫХ ДАТЧИКОВ С HART-ПРОТОКОЛОМ К КОМПЬЮТЕРУ 0.13 - 5 недель (A)1
7MF4997-1DKЭЛЕКТРОНИКА DS III0.14 - 6 недель (B)1
7MF4997-1DLМОДУЛЬ ЭЛЕКТРОНИКИ ДЛЯ ДАТЧИКА SITRANS P СЕРИИ DS III PA0.14 - 6 недель (B)1
7MF4997-1DMМОДУЛЬ ЭЛЕКТРОНИКИ ДЛЯ ДАТЧИКА SITRANS P СЕРИИ DS III FIELDBUS FOUNDATION0.14 - 6 недель (B)1
7MF4997-1DNПЛАТА СОЕДИНЕНИЙ DS III0.14 - 6 недель (B)1
7MF4997-1DPПЛАТА СОЕДИНЕНИЙ SITRANS P ERIE DS III PA0.14 - 6 недель (B)1
A5E00047090РУКОВОДСТВО GERMAN FOR SITRANS P, DS III SERIES.0.1253 - 5 недель (A)1
A5E00047092РУКОВОДСТВО ENGLISH FOR SITRANS P, DS III SERIES0.1253 - 5 недель (A)1
A5E00047093РУКОВОДСТВО (LEPORELLO) FOR SITRANS P, DS III SERIES IN GERMAN AND ENGLISH0.0866 - 8 недель (C)1
A5E00053218РУКОВОДСТВО FRENCH FOR SITRANS P, DS III SERIES0.1253 - 5 недель (A)1
A5E00053219РУКОВОДСТВО ITALIAN FOR SITRANS P, DS III SERIES0.1253 - 5 недель (A)1
A5E00053220РУКОВОДСТВО SPANISH FOR SITRANS P, DS III SERIES0.1253 - 5 недель (A)1
A5E00053274КОРОТКИЕ ИНСТРУКЦИИ SITRANS P, DS III PA SERIES GERMAN/ENGLISH0.1186 - 8 недель (C)1
A5E00053275РУКОВОДСТВО GERMAN FOR SITRANS P, DS III PA SERIES.0.1253 - 5 недель (A)1
A5E00053276РУКОВОДСТВО ENGLISH FOR SITRANS P, DS III PA SERIES0.3153 - 5 недель (A)1
A5E00053277РУКОВОДСТВО FRENCH FOR SITRANS P, DS III PA SERIES0.1253 - 5 недель (A)1
A5E00053278РУКОВОДСТВО SPANISH SITRANS P, DS III PA SERIES0.1253 - 5 недель (A)1
A5E00053279РУКОВОДСТВО ITALIAN FOR SITRANS P, DS III PA SERIES0.1253 - 5 недель (A)1
A5E00090345CD -ДИСК С ДОКУМЕНТАЦИЕЙ ДЛЯ SITRANS P, DS III0.056 - 8 недель (C)1

Аксессуары [PDF]

Загрузить PDF-файл.

Для просмотра информации в формате PDF необходимо установить Adobe Acrobat Reader.
Adobe Acrobat Reader