0

Разделы

Дистанционные выключатели 5TT4 1 - Электромеханические коммутационные аппараты

Дистанционные выключатели 5TT4 1 - Электромеханические коммутационные аппараты

 

дистанционные выключатели

дистанционные выключатели для
управления жалюзи и последовательного включения групп

 

5TT4 10
5TT4 11
5TT4 12

5TT4 13
5TT4 14

Возможность ручного управления

индикатор коммутационного
положения

устройство защиты от
длительного замыкания контакта


 

Особенности

Область применения

Дистанционные выключатели применяются для управления системами освещения из нескольких точек посредством кнопочных
выключателей. Тем самым исключается необходимость применения затратной перекрестной схемы с перекидными контактами. При каждом импульсе положение контактов дистанционного выключателя изменяется с ОТКЛ на ВКЛ и так далее. При
исчезновении напряжения механические контакты выключателя сохраняют последнее коммутационное положение.

Нарушение в работе кнопочных выключателей

Кнопочные выключатели могут заедать и при этом подавать длительное напряжение на дистанционный выключатель, который не будет больше реагировать на управляющий импульс другого кнопочного выключателя. Все дистанционные выключатели
защищены от такого нарушения в работе.

Функции центрального ВКЛ/ОТКЛ

Исполнения с функциями центрального или группового ВКЛ/ОТКЛ позволяют осуществлять централизованное управление
всеми подключенными дистанционными выключателями, которое может также реализовываться при помощи выключателя с часовым механизмом. Независимо от текущего коммутационного состояния все дистанционные выключатели переводятся в одинаковое коммутационное состояние ВКЛ или ОТКЛ.

Функции

Дистанционные выключатели применяются для управления системами освещения из нескольких точек посредством кнопочных
выключателей. Тем самым исключается необходимость применения затратной перекрестной схемы с перекидными контактами. При каждом импульсе положение контактов дистанционного выключателя изменяется с ОТКЛ на ВКЛ и так далее. При
исчезновении напряжения механические контакты выключателя.

Нарушение в работе кнопочных выключателей

Кнопочные выключатели могут заедать и при этом подавать длительное напряжение на дистанционный выключатель, который
не будет больше реагировать на управляющий импульс другого кнопочного выключателя. Все дистанционные выключатели
защищены от такого нарушения в работе.

Функции центрального ВКЛ/ОТКЛ

Исполнения с функциями центрального или группового ВКЛ/ОТКЛ позволяют осуществлять централизованное управление всеми подключенными дистанционными выключателями, которое может также реализовываться при помощи выключателя с часовым механизмом. Независимо от текущего коммутационного состояния все дистанционные выключатели переводятся в одинаковое коммутационное состояние ВКЛ или ОТКЛ.

Параллельное соединение дистанционных выключателей

Управление несколькими дистанционными выключателями одним кнопочным выключателем или контактом невозможно. Это привело бы к неопределенности в положении контактов, так как отсутствует возможность синхронизации..

Технические данные

Дополнительную информацию Вы можете получить, нажав кнопку с этим символом.

Технические данные [PDF]

Загрузить PDF-файл.

Для просмотра информации в формате PDF необходимо установить Adobe Acrobat Reader.
Adobe Acrobat Reader

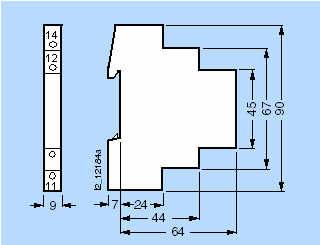
Чертеж

5TT4 1 Дистанционные выключатели

5TT4 101-0, 5TT4 101-1, 5TT4 101-2, 5TT4 101-3, 5TT4 101-4 (изображение слева)
5TT4 102-0, 5TT4 102-1, 5TT4 102-2, 5TT4 102-3, 5TT4 102-4 (2ое слева)
5TT4 103-0, 5TT4 103-2 (3ье слева)
5TT4 104-0, 5TT4 104-2 (4ое слева)
5TT4 105-0, 5TT4 105-1, 5TT4 105-2, 5TT4 105-3, 5TT4 105-4 (справа)

 

5TT4 12 Дистанционные выключатели с центральным управлением ВКЛ/ОТКЛ

5TT4 122-0 (слева), 5TT4 125-0 (в центре), 5TT4 123-0 (справа)

 

5TT4 142 Дистанционные выключатели для упр. жалюзи и 5TT4 132-0 электронные дистанционные выключатели для последовательного включения групп 5TT4 142-0
5TT4 142-2
5TT4 142-3
5TT4 132-0

 

5TT4 90 Дополнительные контакты

5TT4 900
5TT4 901

Чертеж [PDF]

Загрузить PDF-файл.

Для просмотра информации в формате PDF необходимо установить Adobe Acrobat Reader.
Adobe Acrobat Reader

Схема подключения [PDF]

Загрузить PDF-файл.

Для просмотра информации в формате PDF необходимо установить Adobe Acrobat Reader.
Adobe Acrobat Reader

Схема подключения

5TT4 101-.

 

5TT4 102-.

 

5TT4 103-.

 

5TT4 104-.

 

5TT4 105-.

 

5TT4 122-0

 

5TT4 123-0

 

5TT4 125-0

 

5TT4 142-.
5TT4 132-0

 

5TT4 90

 

Пример принципиальной схемы: 5TT4 101-0

Однофазная схема освещения, оперативное напряжение AC 230 В, например, для офисных зданий

 

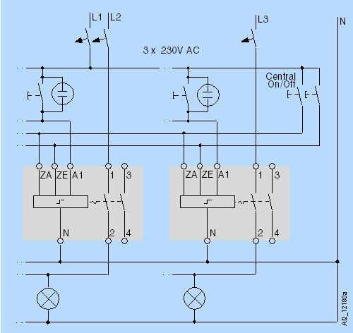
Пример принципиальной схемы 5TT4 122-0 с центральным
управлением ВКЛ/ОТКЛ: 

С центрального пульта включаются или отключаются все дистанционные выключатели, например, в начале и по окончании
рабочего дня. При желании для этого можно воспользоваться таймером с управляющим импульсом длительностью 1 с. После
центрального включения и отключения дистанционные выключатели по месту могут снова произвольно включаться и отключаться. Зажимы ZA, ZE и A1 могут подключаться к разным фазам.

 

Пример принципиальной схемы: 5TT4 101-4

Однофазовая схема освещения с безопасным экстранизким напряжением 8 В AC, с выключателем и газосветной лампой 

 

Пример переключения: 5TT4 122-0 с таймером Вкл/Выкл (ON/OFF)

Принтеры и копировальные аппараты включаются специальным кнопочным переключателем в начале рабочего дня.По окончании рабочего дня, например с 18 00 до 22 00, каждый час передается импульс длинной в одну секунду, который отключает розетки. Эта мера помогает предотвратить ситуацию когда принтеры и копировальные аппараты "забывают" выключить. Если устройство снова включают после 18 00, программа ежечасного выключения тоже приводится в действие.

Дальнейшая информация

Заказные данные

Заказной №ОписаниеВес (кг)ДоставкаМин. зак. (шт)
5TT4101-0ДИСТАНЦИОННЫЙ ВЫКЛЮЧАТЕЛЬ 1 НО 16А 230/230В0.1263 - 5 недель (P)1
5TT4101-1ДИСТАНЦИОННЫЙ ВЫКЛЮЧАТЕЛЬ 1 НО 16А 230/115В0.124 - 6 недель (B)1
5TT4101-2ДИСТАНЦИОННЫЙ ВЫКЛЮЧАТЕЛЬ 1 НО 16А 230/24В0.1213 - 5 недель (P)1
5TT4101-3ДИСТАНЦИОННЫЙ ВЫКЛЮЧАТЕЛЬ 1 НО 16А 230/12В0.1184 - 6 недель (B)1
5TT4101-4ДИСТАНЦИОННЫЙ ВЫКЛЮЧАТЕЛЬ 1 НО 16А 230/8В0.1244 - 6 недель (B)1
5TT4102-0ДИСТАНЦИОННЫЙ ВЫКЛЮЧАТЕЛЬ 2 НО 16А 230/230В0.1323 - 5 недель (P)1
5TT4102-1ДИСТАНЦИОННЫЙ ВЫКЛЮЧАТЕЛЬ 2 НО 16А 230/115В0.1324 - 6 недель (B)1
5TT4102-2ДИСТАНЦИОННЫЙ ВЫКЛЮЧАТЕЛЬ 2 НО 16А 230/24В0.1323 - 5 недель (P)1
5TT4102-3ДИСТАНЦИОННЫЙ ВЫКЛЮЧАТЕЛЬ 2 НО 16А 230/12В0.134 - 6 недель (B)1
5TT4102-4ДИСТАНЦИОННЫЙ ВЫКЛЮЧАТЕЛЬ 2 НО 16А 230/8В0.1364 - 6 недель (B)1
5TT4103-0ДИСТАНЦИОННЫЙ ВЫКЛЮЧАТЕЛЬ 3 НО 16А 230/230В0.23 - 5 недель (P)1
5TT4103-2ДИСТАНЦИОННЫЙ ВЫКЛЮЧАТЕЛЬ 3 НО 16А 230/24В0.1953 - 5 недель (P)1
5TT4104-0ДИСТАНЦИОННЫЙ ВЫКЛЮЧАТЕЛЬ 4 НО 16А 230/230В0.2113 - 5 недель (P)1
5TT4104-2ДИСТАНЦИОННЫЙ ВЫКЛЮЧАТЕЛЬ 4 НО 16А 230/24В0.2063 - 5 недель (P)1
5TT4105-0ДИСТАНЦИОННЫЙ ВЫКЛЮЧАТЕЛЬ 1 НО + 1 НЗ 16А 230/230В0.1373 - 5 недель (P)1
5TT4105-1ДИСТАНЦИОННЫЙ ВЫКЛЮЧАТЕЛЬ 1 НО + 1 НЗ 16А 230/115В0.1314 - 6 недель (B)1
5TT4105-2ДИСТАНЦИОННЫЙ ВЫКЛЮЧАТЕЛЬ 1 НО + 1 НЗ 16А 230/24В0.1323 - 5 недель (P)1
5TT4105-3ДИСТАНЦИОННЫЙ ВЫКЛЮЧАТЕЛЬ 1 НО + 1 НЗ 16А 230/12В0.1294 - 6 недель (B)1
5TT4105-4ДИСТАНЦИОННЫЙ ВЫКЛЮЧАТЕЛЬ 1 НО + 1 НЗ 16А 230/8В0.1354 - 6 недель (B)1
5TT4115-1REMOTE SWITCH WITH 1 NO AND 1 NC CONTACT FOR AC 230, 400V 16A CONTROL DC 110V0.1313 - 5 недель (P)1
5TT4115-2REMOTE SWITCH WITH 1 NO AND 1 NC CONTACT FOR AC 230, 400V 16A CONTROL DC 24V0.1313 - 5 недель (P)1
5TT4115-3REMOTE SWITCH WITH 1 NO AND 1 NC CONTACT FOR AC 230, 400V 16A CONTROL DC 12V0.1313 - 5 недель (P)1
5TT4122-0ДИСТАНЦИОННЫЙ ВЫКЛЮЧАТЕЛЬ 2 НО С ЦЕНТР.ФУНКЦИИ ОТКЛ. 16А 230/230В0.1813 - 5 недель (P)1
5TT4123-0ДИСТАНЦИОННЫЙ ВЫКЛЮЧАТЕЛЬ 3 НО С ЦЕНТР.ФУНКЦИИ ОТКЛ. 16А 230/230В0.1943 - 5 недель (P)1
5TT4125-0ДИСТАНЦИОННЫЙ ВЫКЛЮЧАТЕЛЬ 1 НО + 1 НЗ С ЦЕНТР.ФУНКЦИИ ОТКЛ. 16А 230/230В0.1823 - 5 недель (P)1
5TT4132-0ДИСТАНЦИОННЫЙ ВЫКЛЮЧАТЕЛЬ 2 НО С ПОСЛЕДОВ.ВКЛЮЧЕНИЕМ 16А 230/230В0.133 - 5 недель (P)1
5TT4142-0ДИСТАНЦИОННЫЙ ВЫКЛЮЧАТЕЛЬ 2 НО С ВКЛ.ЖАЛЮЗИ 16А 230/230В0.1383 - 5 недель (P)1
5TT4142-2ДИСТАНЦИОННЫЙ ВЫКЛЮЧАТЕЛЬ 2 НО С ВКЛ.ЖАЛЮЗИ 16А 230/24В0.1324 - 6 недель (B)1
5TT4142-3ДИСТАНЦИОННЫЙ ВЫКЛЮЧАТЕЛЬ 2 НО С ВКЛ.ЖАЛЮЗИ 16А 230/12В0.134 - 6 недель (B)1
5TT4900ДОПОЛНИТ.ВЫКЛЮЧАТЕЛЬ 1 НО + 1 НЗ 230V ДЛЯ 5TT41, 5TT420.0323 - 5 недель (P)1
5TT4901ДОПОЛНИТ.ВЫКЛЮЧАТЕЛЬ 1 НО + 1 НЗ 60V ДЛЯ 5TT41, 5TT420.0543 - 5 недель (P)1
5TT4920ENXX0.063 - 5 недель (P)1