0

Разделы

DC-UPS 6 А - Блоки бесперебойного питания DC-UPS

DC-UPS 6 А - Блоки бесперебойного питания DC-UPS

  • Компактный корпус шириной 50 мм.
  • Простой монтаж на профильную шину DIN.
  • Немедленное подключение буферной батареи в случае снижения напряжения на входе DC UPS ниже заданного DIP переключателями значения. Обеспечение непрерывности питания нагрузки.
  • Высокая надежность, обеспечиваемая мониторингом готовности DC UPS к работе, подключения модуля батареи, старения батареи (сообщение “Battery replacement nessesary” – необходима замена батареи), заряда батареи (сообщение “Battery charge > 85%” – заряд батареи более 85%). 
  • Поддержка автоматического рестарта промышленных компьютеров путем выбора варианта отклика на отключение. 
  • Опциональные варианты исполнений с встроенным последовательным или USB интерфейсом. 
  • Наличие свободно распространяемого через Internet программного обеспечения, работающего под управлением операционных систем Windows NT 4.0/ 2000/ XP.
    http://www.siemens.de/sitop

 

Функции

Приведенные ниже диаграммы изменения входных и выходных напряжений блоков DC UPS, а также сигналов реле и встроенных интерфейсов иллюстрируют работу блоков бесперебойного питания в различных условиях. На всех диаграммах используются следующие обозначения:

Uвх: входное напряжение на зажимах Х1.1-Х1.2;

Uвых: выходное напряжение на зажимах Х1.3-Х1.4 и Х1.5-Х1.6;

Ok: сигнал нормального уровня Uвх или превышения этим напряжением заданного уровня напряжения включения батареи;

Bat: сигнал включения в работу буферной батареи (батарея подключена к выходу блока DC UPS, питание нагрузки осуществляется от буферной батареи);

Дистанц.: сигнал запуска удаленного таймера при появлении сигнала низкого уровня на контакте 7 9-полюсного соединителя последовательного интерфейса (в нормальном состоянии на этом контакте присутствует сигнал высокого уровня);

t1: входное напряжение Uвх отсутствует или падает ниже порогового напряжения включения буферной батареи;

t2: начало отсчета времени буферизации, заданного DIP переключателями, при запуске удаленного таймера (низкий уровень сигнала);

t3: входное напряжение Uвх превышает пороговое напряжение включения буферной батареи;

t4: окончание отсчета времени буферизации (выход отключается и/или отключается буферная батарея;

t5: через 5 с после отключения выход включается вновь;

tp: время буферизации, установленное DIP переключателями (переключатели 2…7 в нижнем ряду).

Длительный перебой в питании при использовании DC UPS без встроенного последовательного или USB интерфейса  (рис. 1)

Восстановление питания только по истечении времени буферизации tp (t3 после t4 на рис.1):

При исчезновении напряжения на входе блока DC UPS (время t1) питание нагрузки немедленно переводится на модуль батареи. Выходное напряжение блока Uвых не прерывается. Переключающий контакт “ok/Bat” переходит в положение “Bat”. С момента времени t1 автоматически начинается отсчет времени буферизации tp, заданного с помощью DIP переключателей блока. Заданная настройка “прерывание Uвых” в данном случае на работу блока DC UPS не влияет, поскольку восстановление входного напряжения Uвх происходит в момент времени t3 после истечения времени буферизации (момент t4).

Кратковременный перебой в питании при использовании DC UPS без встроенного последовательного или USB интерфейса  (рис. 2)

Восстановление питания до истечения времени буферизации tp (t3 перед t4 на рис.2)

При исчезновении напряжения на входе блока DC UPS (время t1) питание нагрузки немедленно переводится на модуль батареи. Выходное напряжение блока Uвых не прерывается. Переключающий контакт “ok/Bat” переходит в положение “Bat”. С момента времени t1 автоматически начинается отсчет времени буферизации tp, заданного с помощью DIP переключателей блока.

Если настройка “прерывание Uвых” включена, то после отсчета заданного времени буферизации tp выходное напряжение Uвых автоматически прерывается на 5 с (интервал времени t4-t5).

Буферная батарея к этому моменту уже отключена, поскольку входное напряжение блока DC UPS восстановилось в момент времени t3.

Если настройка “прерывание Uвых” отключена, то после отсчета выдержки времени tp выходное напряжение не прерывается, поскольку входное напряжение блока DC UPC восстановилось в момент времени t3. 

 Рис. 1 "Длительное нарушение электроснабжения"

 

 Рис. 2 "Кратковременное нарушение электроснабжения"

 

Длительный перебой в питании при использовании DC UPS с встроенным последовательным или USB интерфейсом (рис. 3) 

Восстановление питания только по истечении времени буферизации tp (t3 после t4 на рис.3):

При исчезновении напряжения на входе блока DC UPS (время t1) питание нагрузки немедленно переводится на модуль батареи. Выходное напряжение блока Uвых не прерывается. Переключащий контакт “ok/Bat” переходит в положение “Bat”. С момента определяемого пользователем времени t2 по сигналу запуска удаленного таймера (низкий уровень сигнала на контакте 7 9-полюсного соединителя последовательного интерфейса) начинается отсчет времени буферизации tp, заданного с помощью DIP переключателей блока. Заданная настройка “прерывание Uвых” в данном случае на работу блока DC UPS не влияет, поскольку восстановление входного напряжения Uвх происходит в момент времени t3 после истечения времени буферизации (момент t4).

Замечание:

Без низкого уровня сигнала дистанционного запуска и наличии установки максимального значения времени выходное напряжение не прерывается, поскольку отсчет времени буферизации не запускается. Исчезновение выходного напряжения в этом случае может быть вызвано только полным разрядом и отключением буферной батареи при отсутствии входного напряжения блока DC UPS.

Кратковременный перебой в питании при использовании DC UPS с встроенным последовательным или USB интерфейсом(рис. 4)

Восстановление питания до истечения времени буферизации tp (t3 перед t4 на рис.2)

При исчезновении напряжения на входе блока DC UPS (время t1) питание нагрузки немедленно переводится на модуль батареи. Выходное напряжение блока Uвых не прерывается. Переключающий контакт “ok/Bat” переходит в положение “Bat”. С момента определяемого пользователем времени t2 по сигналу запуска удаленного таймера (низкий уровень сигнала на контакте 7 9-полюсного соединителя последовательного интерфейса) начинается отсчет времени буферизации tp, заданного с помощью DIP переключателей блока.

Если настройка “прерывание Uвых” включена, то после отсчета заданного времени буферизации tp выходное напряжение Uвых автоматически прерывается на 5 с (интервал времени t4-t5).

Буферная батарея к этому моменту уже отключена, поскольку входное напряжение блока DC UPS восстановилось в момент времени t3.

Прерывание выходного напряжения Uвых на 5 с обеспечивает возможность выполнения операций автоматического рестарта промышленных компьютеров даже в случае восстановления напряжения питающей сети или входного напряжения блока DC UPS во время отключения компьютеров.

Замечание:

Без низкого уровня сигнала дистанционного запуска и наличии установки максимального значения времени выходное напряжение не прерывается, поскольку отсчет времени буферизации не запускается.

Рис. 3 "Длительное нарушение электроснабжения"

 

Рис. 4 "Кратковременное нарушение электроснабжения"

Интеграция

Технические данные

Модуль DC UPS 6

 

Заказной номер :

6EP1 931-2DC21
6EP1 931-2DC31 (с последовательным портом)
6EP1 931-2DC41 (с USB портом)

Вход L+/M питания

Регулируемое постоянное напряжение

Номинальное напряжение Uвх ном 2)

24 В DC

Диапазон напряжений

22 В DC дo 29 В DC

Порог включения для батареи

22,5 В пост. тока ± 0,1 В (заводская настройка), настраивается в диапазоне от 22 до 25,5 В пост. тока (шагами по 0,5 В)

Номинальный ток Iвх ном

6 A + примерно 0.6 A при разряженной батарее

Буферизация выходной мощности

Регулируемая

Буферизация выходной мощности

В зависимости от используемой батареи :

  • с модулем батареи 3.2 Ah (6EP1935-6MD11) при +25°C: примерно 10 мин. 
    при 6 A; 20 мин. при 4 A; 45 мин. при 2 A
  • с модулем батареи 7 Ah (6EP1935-6MD11) при +25°C: примерно 30 мин. 
    при 6 A; 45 мин. при 4 A; 150 мин. при 2 A

Вкл./Выкл. управляющая цепь

Внешний нормально открытый контакт (нагрузка max. 15 В DC / maкс. 10 мA). С открытой управляющей цепью, батарея изолирована с выхода L+ и т.о. батарея отключена.

Время работы батареи

Настраивается с помощью DIP-переключателя на максимальное время буферизации вплоть до принудительного выключения через  защиту от полного разряда (примерно при 19 В) или на предел времени от5 до 635 с (шагами по 10 с)

Выход L+/M питания

 

Номинальное напряжение Uвых. ном.

24 В DC (блок питания SITOP)

Диапазон напряжений

входное напряжение меньше примерно 0.5 В DC

Выходной ток

от 0 дo 6 A

Динамический ток U / I перегрузки

Электронное выключение выхода при превышении Iout rated на  величину от 5 до 40 % примерно через 80 мс с попытками автоматического перезапуска (с интервалами около 20 мс между попытками перезапуска)

Динамический ток U/I короткого замыкания работы

Электронное ограничение тока до величины от 1,5 до 3  Iout rated в течение примерно 20 мс, затем электронное выключение выхода с попытками автоматического перезапуска (с интервалами около 20 мс между попытками перезапуска)

Выход L+/M для батарей

 

Номинальное напряжение Uвх ном

24 В DC (с модуля батарей)

Диапазон напряжений

от 27 дo 19 В DC (27 В без нагрузки; 24 В при 50% номинальной нагрузке на батарею; 22 В при 100 % номинальной нагрузке на батарею; Автоматическое выключение, если напряжение батареи опускается ниже примерно 19 В)

Выходной ток

от 0 дo 6 A (постоянное допустимое значение)

Дин. U / I перегрузки батареи

Электронное выключение выхода при превышении Iout rated на  величину от 5 до 40 % примерно через 80 мс с попытками автоматического перезапуска (с интервалами около 20 мс между попытками перезапуска)

Дин. U / I короткого замыкания батареи

Электронное ограничение тока до величины от 1,5 до 3  Iout rated в течение примерно 20 мс, затем электронное выключение выхода с попытками автоматического перезапуска (с интервалами около 20 мс между попытками перезапуска)

Выход +Бат/-Бат для питания

Зарядная характеристика CVCC (сначала ток постоянной величины, затем напряжение постоянной величины)

Конечное напряжение заряда

27.0 В DC± 0.1 V (заводская установка), Регулируемый диапазон от 26.3 до 29.3 ВDC (шагами по 0.1 В)

Ток заряда

Примерно 0.4 A (заводская установка),
настраиваемый 0.2 A или 0.4 A (зарядка выполняется с замкнутой или разомкнутой  цепью включения/выключения)

Эффективность, потери энергии

 

при Uвых.ном , Iвых.ном примерно

95 %/ 7 Вт

Для батареи примерно

94.5 %/ 8 Вт

Защита и контроль

 

Защита от переполюсовки

От перепутывания полярности во входном напряжении и батареях

Защита от перегрузки

Электронное выключение выхода при превышении Iout rated на величину от 5 до 40 % от Iout rated примерно через 80 мс с попытками автоматического перезапуска (с интервалами около 20 мс между попытками перезапуска)

Защита от короткого замыкания

Электронное ограничение тока до величины примерно от 1,5 до 3 Iout rated в течение примерно 20 мс, затем электронное выключение выхода с попытками автоматического перезапуска (с интервалами около 20 мс между попытками перезапуска).
Встроенный, недоступный предохранитель на 16 A

Защита от переразряда

Автоматическое выключение, если напряжение батареи опускается ниже примерно 19 В

Контроль
"Обрыв в цепи батареи"

Аварийный сигнал, если цепь батареи не замкнута, или она размыкается во время работы (циклический контроль приблизительно каждые 20 с)

Контроль
"Необходима замена батареи"

Аварийный сигнал мигает с частотой примерно 1/4 Гц (около 2 с сигнал, около 2 с нет сигнала, около 2 с сигнал и т.д.).
Контроль каждые 4 часа, если не произошла операция буферизации или выключение.

Контроль
"Состояние заряда батарей > 85%"

Сигнал для индикации того, что батареи заряжены, по крайней мере, до 85% номинальной емкости.

Индикация и сигнализация 3)

 

Нормальное состояние

Зеленый светодиод (o.k. [все в порядке]) и перекидной сигнальный контакт
"24 V DC o.k. / Bat" в положении "24 V DC o.k."4)

Работа от батарей (питание нагрузки, только от батареи или совместно с источником питания при перегрузках)

Желтый светодиод (Bat [батарея]) и перекидной сигнальный контакт "24 V DC o.k. / Bat" в положении "Bat" (= выключенное положение)

Аварийный сигнал (буферизация не готова, или предварительное предупреждение, начиная с напряжения батареи < 20,4 В)

Красный светодиод (alarm [аварийный сигнал]) и перекидной сигнальный контакт в положении "Alarm" (= выключенное положение).

Причинами недостаточной готовности к буферизации во время нормальной работы могут быть: выключенное состояние или обрыв цепи управления включением/ выключением, батарейный модуль не подключен, перепутывание полярности или неисправность батареи (напряжение батареи < 18,5 В) или обрыв между батареей и модулем бесперебойного питания. Сканирование и, тем самым, обновление сигнала каждые 20 с.

Аварийный сигнал, мигающий с частотой около 1/4 Гц, сообщает, что необходима замена батареи.

Причинами недостаточной готовности во время буферизации могут быть: напряжение батареи упало ниже 20,4 В пост. тока
(= предварительное предупреждение перед отключением через защиту от полного разряда), а также отключение батареи из-за перегрузки, короткого замыкания, защиты от полного разряда или истечения времени буферизации. После этого красный светодиод выключается.

"Необходима замена батареи"

Красный светодиод (аварийный сигнал) мигает с частотой 0.25 Гц и перекидной сигнальный контакт (аварийный сигнал) переключается с частотой около 0.25 Гц

"Состояние заряда батарей > 85%"

Второй зеленый светодиод (Bat > 85%) и перекидной нормально открытый контакт замкнут (выключенное положение = разомкнут)

Необязательный интерфейс и программное обеспечение

 

Последовательный порт

Только у 6EP1 931-2DC31
Вывод всех сигналов и прием сигнала "Запуск удаленного таймера". Техническое устройство: PC-enabled. 8N1 отсылка/получение, 9600 Бит/с, 8 Бит пакеты, 1 Бит стоповый , нет паритетного бита.
Необходимое подключение к ПК. 1 : 1 подключение через  9-контактный SUB-D расширительный кабель (разъём plug/разъём socket)

Порт USB

Только у 6EP1 931-2DC41
Вывод всех сигналов и прием сигнала "Запуск удаленного таймера". Техническое устройство: спецификация 2.0 с полной скоростью, т.е. 2 Мбита/с. Питание +5 В от источника бесперебойного питания DC UPS ("самопитающийся").
Необходимое подключение к ПК: имеющийся в продаже 4-жильный экранированный кабель, 90 Ом, мaкс. 3 м, разъём USB серии "B" к DC UPS

Программное обеспечение

Инструментальное программное средство (работает под WinNT 4.0, Win 2000 и WinXP) для считывания и обработки сигналов доступно для загрузки из Интернета по адресу

 http://www.siemens.com/sitop

Этот сайт также предоставляет дополнительную информацию об этом интерфейсе.

Сигналы управления

 

Сигнал управления включением/выключением

Буферизация завершается, или батарея отсоединяется от выхода путем разрыва цепи управления (или с помощью DIP-переключателей на блоке). Все остальные функции сохраняются.

"Запуск удаленного таймера" через порт USB

Запускает буферизацию сети в течение установленного времени

Безопасность

 

Изоляция первичная/вторичная

Отсутствует

Класс защиты (EN 60950)

Класс III (внешняя цепь и блок питания: требуется безопасное напряжение (SELV) в соответствии с EN 60950)

Электромагнитная совместимость

 

Излучаемые помехи

Подавление радиопомех в соответствии с EN 55022, кривая предельных значений B

Помехоустойчивость

Помехоустойчивость в соответствии с EN 61000-6-2

Условия окружающей среды

 

Диапазон температуры окружающего воздуха

от 0 дo + 60 °C при естественной конвекции

Диапазон температур транспортировки и хранения

от - 40 дo + 70°C

Степень защиты (EN 60529; VDE 0470 T1)

IP20

Влажность

Условия использования в соответствии с EN 60721, климатический класс 3K3 (относительная влажность воздуха от 5 до 85% и абсолютная влажность воздуха от 1 г/м³ до 25 г/м³; без конденсации)

Допуски к эксплуатации

 

CE

CE-сертификат соответствия согласно 98/336 EEC и 73 / 23 EEC

UL/CSA

UL 508 / CSA C22.2 (скоро будет доступен)

Механические характеристики

 

входы/выходы: вход L+, M

2 винтовых клеммы для проводов от 1 до 4 мм² / от 17 до 11 AWG (по американскому стандарту на диаметр проводов)

входы/выходы: выход L+, M

2 винтовых клеммы для проводов от 1 до 4 мм² / от 17 до 11 AWG

входы/выходы: + Batt, - Batt

2 винтовых клеммы для проводов от 1 до 4 мм² / от 17 до 11 AWG

входы/выходы: управляющая цепь и сигналы

10 винтовых клеммы для проводов от 0.5 до 2.5 мм² / от 20 до 13 AWG

Размеры (Ш x В x Г)

50 мм x 125 мм x примерно 125 мм

Необходимые зазоры

50мм над блоком и 50 мм под блоком

Масса

примерно 0.4 кг (с последовательным или с USB портом: примерно 0.45 кг)

Сборка

Защелкивается на стандартной шине DIN EN 50022-35 x 15/7.5


   

2) Все блоки питания SITOP на 24 В пост. тока допустимы без ограничения

3) Допустимые значения для контактов: 60 В пост. тока / 1 A или 30 В перем. тока / 1 A

4) "24 V CD o.k." означает: Напряжение блока питания больше порога подключения батареи, установленного на модуле DC UPS 6.

 

 

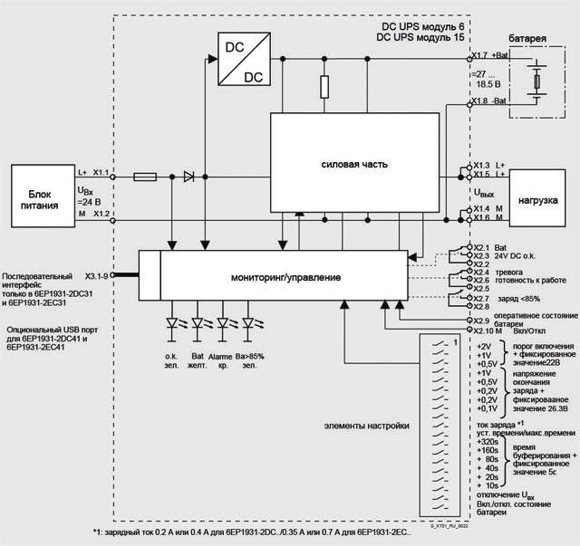
Чертеж

Заказные данные

Заказной №ОписаниеВес (кг)ДоставкаМин. зак. (шт)
6EP1931-2DC21SITOP POWER DC-UPS-МОДУЛЬ 24В/6А, БЕЗ ИНТЕРФЕЙСОВ; ВХОДНОЕ НАПРЯЖЕНИЕ =24В/6,85А; ВЫХОД =24В/6А0.43 - 5 недель (P)1
6EP1931-2DC31SITOP POWER DC-UPS-МОДУЛЬ 24В/6А, С ПОСЛЕДОВАТЕЛЬНЫМ ИНТЕРФЕЙСОМ; ВХОДНОЕ НАПРЯЖЕНИЕ =24В/6,85А; ВЫХОД =24В/6А0.453 - 5 недель (P)1
6EP1931-2DC42SITOP DC UPS, МОДУЛЬ ИБП 24В/6A С ПОРТОМ USB БЕЗ НАПРЯЖЕНИЯ, ВХОД: =24В/6.85A, ВЫХОД: =24В/6A0.453 - 5 недель (P)1