0

Разделы

Скачать Заказные данные 
ENG: Connection parts

Connection parts are available in the following versions:

  • Threaded flange pair G½ with stainless steel gasket
  • Nipple G½ form V to DIN 19 207
  • Union nut G½ made of C 35 to DIN 16 284
  • Gasket B½ (grooved) to DIN 19 207

All connection parts are also available grease-free for oxygen.

 


Чертеж

Скачать Заказные данные 
ENG: Connection parts

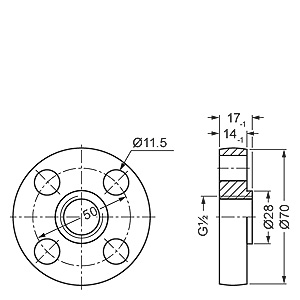
7MF9007-4CA/-4DA threaded flange, dimensions in mm

Nipple G½ (7MF9007-4KA/-4LA), dimensions in mm

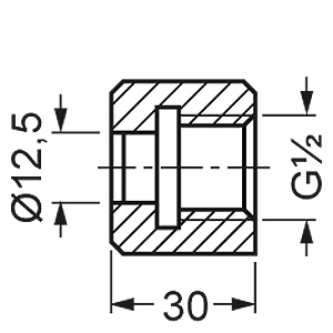
Union nut G½ (7MF9007-4MA/-4N), dimensions in mm

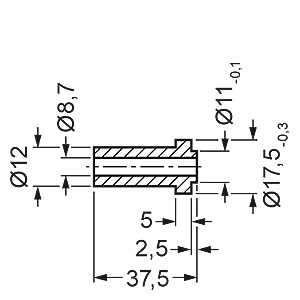
7MF9007-6BA/-6CA gasket, dimensions in mm

 


Заказные данные

Скачать Заказные данные 

Цена на сайте указана розничная в ЕВРО без учета НДС.Для уточнения цены и размера предоставляемой скидки - звоните или присылайте заявки

Заказной номерPGОписание продуктаЦена
7MF9007-4CA807Фланец с внутренней резьбой G1/2, прокладка из нерж. стали, кол-во - 2 шт. 60.10
7MF9007-4DA807Фланец с внутренней резьбой G1/2, прокладка из нерж. стали, исполнение для применения с кислородом, кол-во - 2 шт. 74.20
7MF9007-4KA807Ниппель G1/2, материал сталь 1.5415. 10.18
7MF9007-4LA807Ниппель G1/2, материал нерж. сталь 1.4517, исполнение для применения с кислородом. 19.61
7MF9007-4MA807Накидная гайка G1/2, материал сталь 1.1181. 4.45
7MF9007-4NA807Накидная гайка G1/2, материал нерж. сталь 1.4517, исполнение для применения с кислородом. 15.69
7MF9007-6BA807Рифлёное уплотнительное кольцо G1/2, материал нерж. сталь 1.4571. 3.39
7MF9007-6CA807Рифлёное уплотнительное кольцо G1/2, материал нерж. сталь 1.4571, исполнение для применения с кислородом. 12.30