0

Разделы

Cерия Z для избыточного давления - Серия Z (относительное и абсолютное давление)

Cерия Z для избыточного давления - Серия Z (относительное и абсолютное давление)

Измерительный преобразователь давления SITRANS P, серия для относительного давления (7MF1562-...)

Измерительный преобразователь избыточного давления SITRANS P, серия Z (7MF1562-...) измеряет относительное давление агрессивных и не агрессивных газов, жидкостей и пара

Особенности

  • Высокая точность измерения
  • Прочный корпус из нерж . стали 
  • для агрессивных и не агрессивных измеряемых вееств
  • для измерения давления жидкостей, газов и пара
  • Измерительная ячейка с температурной компенсацией
  • Компактная конструкция

Область применения

Измерительные преобразователи серии Z для давления (7MF1562-...) используются в первую очередь в следующих отраслях промышленности:

  • Энергетика
  • Машиностроение
  • Кораблестроение
  • Водоснабжение и т.д.

Примером использования является измерение давления маслосодержащего сжатого воздуха в компрессорах или компрессорных станциях.

Дизайн

Основными компонентами измерительного преобразователя давления являются:

  • Корпус из латуни  с кремниевой измерительной ячейкой и платой электроники
  • Подключение к процессу
  • Электрическое подключение

Кремниевая измерительная ячейка оборудована тонкопленочным тензорезистором (тонкопленочный DMS), который расположен на керамической мембране. Керамическая мембрана может использоваться и для агрессивных веществ.

Подключение к процессу по DIN EN 837-1 изготовлено из латуни и имеет наружную резьбу G1/2A или внутреннюю резьбу G1/8A.

Электрическое подключение осуществляется через штекерные разъемы по DIN 43 650 с вводом кабеля Pg 9.

Функции

Измерительные преобразователи cерии Z для давления измеряют относительное давление агрессивных и не агрессивных газов, жидкостей и пара.

Измерительная ячейка имеет температурную компенсацию.

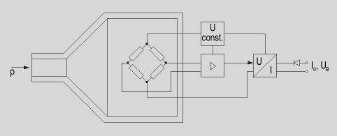
Измерительный преобразователь избыточного давления SITRANS P, серия Z (7MF1562-...), рабочая схема

Измерительная ячейка имеет тонкопленочный резистор, на который через керамическую мембрану передается рабочее давление р.

Выходное напряжение измерительных ячеек подается на усилитель и преобразуется в выходной ток 4 ... 20 мА. Выходной ток линейно пропорционален входному давлению.

Технические данные

SITRANS P измерительный преобразователь, серия Z для избыточного давления 

Принцип работы

 

Принцип измерения

тонкопленочный резистивный мост

Вход

 

Измеряемая величина

Избыточное давление

Диапазон измерения

0  ... 16 бар  или

0  ... 25 бар

Выход

 

Выходной сигнал тока

4 ... 20 мA

Точность измерения

 

Погрешность измерения (при 25 °C), отклонение характеристик, гистерезис и повторяемость включены)

0,5 % от кон. знач. - типично

Время регулировки T99

< 0.1 сек

 Долговременный дрейф

 

  • начало измерения

0,3 % от кон. знач./год – типично

  • интервал измерения

0,3 % от кон. знач./год – типично

Воздействие внешней температуры

 

  • начало измерения

0,3 %/10 K от кон. знач. - тип.

  • интервал измерения

0,3 %/10 K от кон. знач. - тип.

Условия использования

 

Свойство измерения вещества

 

  • Температура изм. вещества

-30 ... +120 °C (-22 ... +248 °F)

Коструктивные особенности

 

Вес

≈ 0.2 кг (≈ 0.44 lb)

Материал частей, соприк. с изм. в-вом

 

  • Изм. ячейка

Al2O3 – 96 %

  • Подключение к процессу 

Латунь, мат No. 2.0402

  • Уплотнительное кольцо

Viton

Подключение к процессу

Наружная резьба G½A
Внутренняя резьба G1/8A

Питание

 

Напряжение на клеммах изм. преобразователя

 

  • выходной сигнал

10 ... 36 В DC

Сертификаты и допуски

 

Подразделение согласно руководству по приборам давления (DGRL 97/23/EG)

Для газов флюидной группы 1 и жидкостей флюидной группы 1; отвечает требованиям согласно статье 3 раздел 3 (хорошая инженерная практика)


 

Чертеж

Измерительный преобразователь избыточного давления SITRANS P, серия Z (7MF1562-...), размеры в мм (дюймах)

Схема подключения

Измерительный преобразователь избыточного давления SITRANS P, серия Z (7MF1562-...), схема соединения

Заказные данные

Заказной №ОписаниеВес (кг)ДоставкаМин. зак. (шт)
7MF1562-.....ДАТЧИК ДАВЛЕНИЯ P62 , ДВУХПРОВОДНЫЙ НАПРЯЖЕНИЕ ПИТАНИЯ DC 10..40V, ТЕМПЕРАТУРА СРЕДЫ -30 ПО +100 ГРАДУСОВ КЛАСС ТОЧНОСТИ 0.5 , ЭЛЕКТРИЧЕСКОЕ СОЕДИНЕНИЕ СОГЛАСНО DIN 43650 ! МИНИМАЛЬНОЕ КОЛЧЕСТВО ЗАКАЗ НА КАЮДЫЙ ДИАПАЗОН: 50 ПРИБОРОВ !CES ! PRESSURE EQUIPCES ! PRESSURE EQUIPMENT DIREKTIVE F. GAS 1/LIQUIDS 1 ART. 3.3 SEP0.3по запросу (D)1

Заказные данные [PDF]

Загрузить PDF-файл.

Для просмотра информации в формате PDF необходимо установить Adobe Acrobat Reader.
Adobe Acrobat Reader