
Модули обработки 3RG78 47 представляют собой гибкое семейство интерфейсных модулей световых барьеров и решеток. Модульную конструкцию семейства продуктов можно использовать до 4 категории согласно IEC/EN61496-1,-2. Модуль обработки расширяет функциональное scope световых барьеров и решеток с start-up and restart inhibiting и contactor control, а также в зависимости от типа устройства циклическое управление и muting. Семейство продуктов предлагает расширенный диапазон дополнительных функций, таких как раннее предупреждение об отказе релейных контактов, диагностику с использованием ПК, а также различные аварийные выходы для системы управления верхнего уровня |
Технические данные | Outputs | Relay outputs | | OSSD safety outputs | 2 safety-related NO contacts | | Operational voltage/current switched | 60 V DC , 250 V AC, max. 6 A | - Only with extended versions
| 1 safety-related NC contact, 60 V DC, 250 V AC, max. 6 A, minimum switched current 20 mA | | OSSD external fusing | 6 A T | | OSSD response time of processing unit (without light curtain) | | - With light curtain, type 4, with semiconductor output
| 22 ms | - With light curtain, type 2
| 64 ms | | | 64 ms | | OSSD reactivation time | 100 ms | | OSSD suitable spark quenching | Required | | through coils of the successor relays | | Standard processing units | Type | 3RG78 47-4BA | | Safety category to EN 954-1 | up to 4 (depending on the category of the upstream protective device) | | Supply voltage | 24 V AC/DC , ±20% | | Power consumption | 1.5 W (supplied via AODP) | | Safety switching outputs (OSSD) | 2 relay outputs (NC contact) | | Signaling output | Relay output (NC contact) | | Continuous current per current path, max. | 3 A | | Response time | 10 ms | | Reactivation time | 20 ms | | Current consumption (inputs B1 and B3) | 32 mA each | | Permissible input resistance | 50 Ω | | Permissible ambient temperature | | | | 0 °C ... +50 °C | | | -25 °C ... +70 °C | | Protection class | II | | Type of protection | IP20 | | Connection method | Screw terminals | | Dimensions (W x H x D) | 17.5 mm x 99 mm x 113.6 mm | | Assembly | on 35 mm mounting rail | | Type | 3RG78 47-4BB | | Safety category to EN 954-1 | Category 4 | | STOP category according to EN 60204-1 (11/ 98) | STOP category 0 | | Supply voltage | 24 V AC/DC, -15% ... +10% | | Residual ripple (with DC) | 2.4 Vss | | Frequency (AC) | 50 ... 60 Hz | | Power consumption | 2.1 W (AC)/1.7 W (DC) | | External fusing of supply circuit | 1 A slow-action | | Output contacts | 2 NO, 1 NC AgSnO2, gold-flashed | | Switching capacity according to EN 60947-5-1 | | | | 6 A | - DC-13, 24 V (360 switching cycles/h)
| 6 A | - DC-13: 24 V (3600 switching cycles/h)
| 3 A | | Max. continuous current per current path | 6 A | | Contact fusing per current path | 6.3 A quick-action or 4 A slow-action | | Max. summation current of all current paths | 12 A | | Mechanical service life | 10 106 switching cycles | | Switching frequency | 3600 switching cycles/h | | ON delay | | | | 70 ms | | | 230 ms | | Returning time, response time | 20 ms | | Minimum ON period S34, S35 | 80 ms | | Electronic fuse protection | | | | 2 sec | | | 2 sec | | Control voltage/current at S11, S22, S31 | 24 V DC/20 mA | | Permissible power input resistance | < 70 Ω | | Emitted interference | EN 50081-1, -2 | | Noise immunity | EN 50082-2 | | Air gaps and creepage distances according to DIN VDE 0110 (04.97) | 4 kV | | Operating temperature | 25 °C ... +55 °C | | Type of protection | | | | IP40 | | | IP20 | | Connection cross-sections | | | | 2 x 0.14 ... 0.75 mm2 | - Finely stranded with end sleeve
| 2 x 0.25 ... 0.5 mm2 | - Finely stranded with twin end sleeve
| 2 x 1.5 mm2 | | | 1 x 0.14 to 2.5 mm2 | - Finely stranded with end sleeve
| 2 x 0.25 to 2.5 mm2 | Intelligent processing units | Type | 3RG78 47 | | Protection according to EN, IEC 61496-1 | Type 4 | | Safety category to EN 954-1 | Category 4 | | STOP category according to EN 60204-1 (11/ 98) | STOP category 0 | | Supply voltage | 24 V DC ± 20%, external power pack with safe isolation and compensation of 20 ms voltage dip is required | | Current consumption | Approximately 200 mA without external load | | External fusing (power supply) | 2.5 A mT | | Connectable safety sensors (extended versions) | 1 light curtain, type 4, or up to 2 light curtains, type 2 (all according to IEC 61496) Up to 2 light curtains, type 4, or up to 4 light curtains, type 2 (all according to IEC 61496) | | Test outputs T1 and T2, test interval | 200 ms | | Available functions | | | | Startup/restart inhibit, contractor control, diagnostics | - Versions with cycle control
| Protective, single-cycle and two-cycle operation | - Versions with muting function
| Sequential muting, parallel muting, parallel double muting (only 3RG78 47-4.G) | | Control inputs | | | | Reset of positive-action contacts of downstream contactors | - Start/restart inhibit (reset)
| Floating NO (switch or key switch) | | Connection | | - Non-testable muting sensors
| Signal level in damped state: active high, +24 V | | | Active high, +24 V, plus test pulses T1 or T2 | | Outputs | | - Muting displays for lamps 24 V, max. 5 W
| pnp switching outputs, muting function on, active high, +24 V, max. 200 mA | - Signaling outputs (depending on version)
| Light curtain free/interrupted; switching status relay/transistor output; restart inhibit locked/unlocked; muting function status; muting error; warning defective muting lamp, internal error, etc. | | Operating temperature | 0 ... +55 °C | | Type of protection | IP20; must be built into control cabinet or housing with degree of protection of minimum IP54 | | Installation | Mounting on 35-mm mounting rail | | Connection method | Pluggable, coded screw terminals up to 2.5 mm2 | |
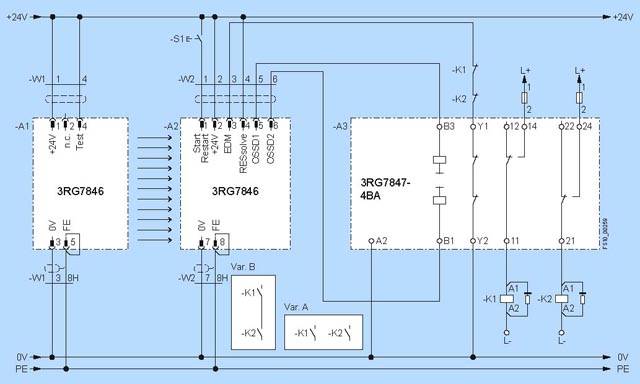
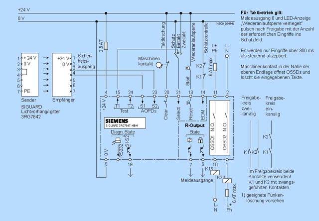
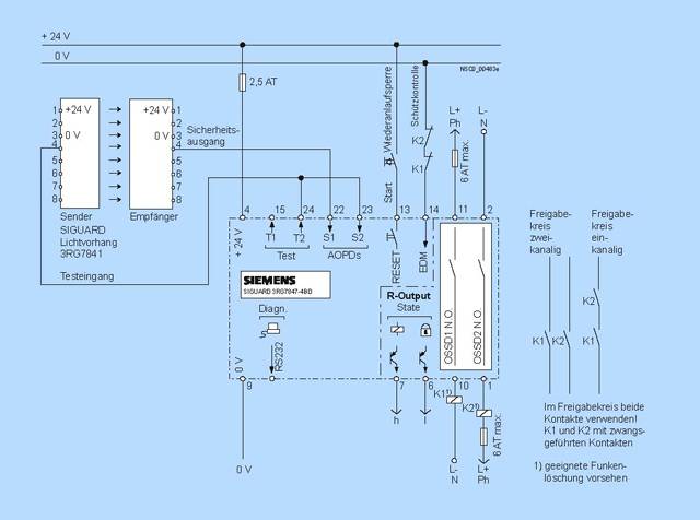
Схема подключенияStandard processing unit 3RG78 47-4BA Standard processing units 3RG78 47-4BB Standard processing unit 3RG78 47-4BD Processing units with integrated muting function 3RG78 47-4BF / 3RG78 47-5BF Processing unit with cycle control 3RG78 47-4BH |