0

Разделы

Безопасное реле тормоза

С безопасным реле тормоза управление тормозом осуществляется согласно EN 954-1 категория безопасности 3 и IEC 61508 SIL2.

 

 

 


Интеграция

Безопасное реле тормоза

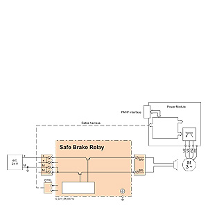
Безопасное реле тормоза имеет следующие соединения и интерфейсы:

  • 1 двухканальный выходной транзисторный каскад для управления катушкой тормоза двигателя
  • 1 соединение для специального кабеля с разъемом (CTRL) к силовому модулю блочного формата
  • 1 разъем для питания DC 24 В

Безопасное реле тормоза может быть смонтировано под силовым модулем на пластину для экрана.

В объём поставки безопасного реле тормоза входят 2 специальных кабеля с разъемом для подключения к розетке CTRL силового модуля PM340

Катушка DC 24 В тормоза двигателя подключатся напрямую к безопасному реле тормоза. Внешние ограничители перенапряжения не нужны.

Пример подключения безопасного реле тормоза

 


Технические данные

Безопасное реле тормоза
 

Безопасное реле тормоза

Напряжение питания

20.4 … 28.8 V DC 

рекомендованное ном. значение напряжения питания DC 26 В (для компенсации падения напряжения в кабеле к катушке

DC 24 В тормоза двигателя

Потребляемый ток тормозом двигателя, макс.

2 A

Потребляемый ток при DC 24 В, макс.

0.005 A + потребление тока тормозом двигателя

Сечение вывода, макс

2.5 мм2

Степень защиты

IP20

Размеры

 

  • ширина

68 мм

  • высота

63 мм

  • глубина

33 мм

Вес, около

0.17 кг