0

Разделы

Активные интерфейсные модули

Активный интерфейсный модуль применяются в сочетании с активным модулем питания и необходим для его правильного функционирования. Активный интерфейсный модуль содержит высокочастотный дроссель ALM, фильтр Clean Power Filter с базовой помехозащитой согласно категории C3 по EN 61800‑3 для излучаемых радиопомех.

Clean Power Filter значительно снижает уровень высших гармоник, передаваемых в сеть. Привод потребляет из сети практически синусоидальный ток, не содержащий гармоник.

Активный интерфейсный модуль в сочетании с активным модулем питания может также работать в сетях с изолированной нейтралью (IT).

 


Дизайн

Активные интерфейсные модули

В объем поставки активного интерфейсного модуля входят:

  • Коннектор X21 для контроля температуры и контроля вентилятора
  • Коннектор X24 для подключения питания 24 В для встроенного вентилятора
  • Кабель DRIVE-CLiQ (0.31 м для Активного интерфейсного модуля 55 кВт или 0.41 м для Активного интерфейсного модуля 80 кВт и 120 кВт)
  • 1 набор предупреждающих наклеек на разных языках

 


Интеграция

Активные интерфейсные модули

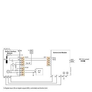
Пример подключения Активного интерфейсного модуля

Активный интерфейсный модуль требует напряжение питания 24 В DC для работы встроенного вентилятора.Вентилятор вращается при подключении 24 В DC питания и, при необходимости (срок службы, шум), может быть выключен через Блок управления через вход "Выключение вентилятора". Выключать вентилятор разрешено только когда питание системы не работает, иначе Активный интерфейсный модуль перегреется.

Термостатический выключатель, установленный в Активном интерфейсном модуле, считывается с подключенного Активного модуля питания.

Силовые кабели между Активным интерфейсным модулем и Активным модулем питания должны быть достаточно экранированы для подавления внешних помех. Экран может быть подключен через набор подключения экрана (опция) к Активному интерфейсному Модулу или Активному модулю питания.

В зависимости от положения Активного интерфейсного модуля в системе приводов, могут потребоваться дополнительные кабели DRIVE-CLiQ. Если Активный интерфейсный модуль установлен с левой стороны Блока управления и Активного модуля питания, то никакие дополнительные кабели DRIVE-CLiQ не требуются. Если Активный интерфейсный модуль помещен между Блоком управления и Активным модулем питания, то кабели DRIVE-CLiQ, подводимые от Активного модуля питания, можно использовать для настройки топологии линии, т.е. подключение последовательно на одной линии DRIVE-CLiQ всех Моторных модулей и Активного модуля питания. Если Активный модуль питания подключен по отдельной линии DRIVE-CLiQ, то кабель DRIVE-CLiQ отмеченный (1) должен быть заказан. Кабель DRIVE-CLiQ, используемый для подключения (2), включен при поставке в комплектацию Активного модуля питания. Для подключения DRIVE-CLiQ в различных конфигурациях, смотрите раздел "Система связи".

Отдельный Активный модуль питания

Активный интерфейсный модуль, встроенный в цепочку приводов

 


Технические данные

Активные интерфейсные модули

Сетевое напрядение 380 ... 480 В 3 AC

Активный интерфейсный модуль (Активный интерфейсный модуль)

Встроенное воздушное охлаждение

6SL3100-0BE25-5AB0

6SL3100-0BE28-0AB0

6SL3100-0BE31-2AB0

Номинальный ток

A

85

132

200

Требования по току

24 В DC электропитание электроники, макс.

A

0.6

1.2

1.2

Внутреннее сопротивление

цифрового входа "выключения вентилятора" (X21/Pin 4)

Ω 

1440 ±10 %

1440 ±10 %

1440 ±10 %

Потери энергии

Вт

450

575

800

Требования воздушного охлаждения

м3/с (ft3/с)

0.075 (2.6)

0.15 (5.3)

0.15 (5.3)

Уровень звукового давления LpA (1 м)

Дб

66

68

68

Подключение сети/нагрузки

L1, L2, L3/U2, V2, W2

 

Винт M8

Винт M8

Винт M8

  • Поперечное сечение проводника

мм2

2.5 … 95 или 2 × 35

2.5 … 120 или 2 × 50

2.5 … 120 или 2 × 50

Термостатический выключатель

(NC контакт)

       
  • Способности переключения
 

250 В AC/1.6 A60 В DC/0.75 A

250 В AC/1.6 A60 В DC/0.75 A

250 В AC/1.6 A60 В DC/0.75 A

PE соединение

 

Винт M6

Винт M8

Винт M8

Степень защиты

 

IP20

IP20

IP20

Размеры

       
  • Ширина

мм (in)

200 (7.87)

300 (11.81)

300 (11.81)

  • Высота

мм (in)

380 (14.96)

380 (14.96)

380 (14.96)

  • Глубина

мм (in)

270 (10.63)

270 (10.63)

270 (10.63)

Вес, прибл.

кг (lb)

21 (46.3)

29 (64)

36 (79.3)

Апробации

 

cURus в подготовке

cURus в подготовке

cURus в подготовке

Подходящий для Активного модуля питания в книжном формате

Тип

6SL3130-7TE25-5AA36SL3131-7TE25-5AA36SL3136-7TE25-5AA3

6SL3130-7TE28-0AA36SL3131-7TE28-0AA36SL3136-7TE28-0AA3

6SL3130-7TE31-2AA36SL3131-7TE31-2AA36SL3136-7TE31-2AA3

  • Номинальная мощность Активного модуля питания

кВт

55

80

120

 


Характеристика

Активные интерфейсные модули

См. Активные модули питания книжного формата.

 


Заказные данные

Цена на сайте указана розничная в ЕВРО без учета НДС.Для уточнения цены и размера предоставляемой скидки - звоните или присылайте заявки

Заказной номерPGОписание продуктаЦена

 


Аксессуары

Цена на сайте указана розничная в ЕВРО без учета НДС.Для уточнения цены и размера предоставляемой скидки - звоните или присылайте заявки

Заказной номерPGОписание продуктаЦена
6SL3060-4AA10-0AA0753SINAMICS КАБЕЛЬ DRIVE-CLIQ IP20/IP20 ДЛИНА: 0.95 M 24.34
6SL3060-4AK00-0AA0753SINAMICS КАБЕЛЬ DRIVE-CLIQ IP20/IP20 ДЛИНА: 0,31 М 19.42
6SL3060-4AP00-0AA0753SINAMICS КАБЕЛЬ DRIVE-CLIQ IP20/IP20 ДЛИНА: 0.41 M 21.86
6SL3060-4AU00-0AA0753SINAMICS КАБЕЛЬ DRIVE-CLIQ IP20/IP20 ДЛИНА: 0.60 M 21.86