0

Разделы

1-полюсное включение, 3-полюсное включение - Штекерные разъединители-предохранители 3NJ4

1-полюсное включение, 3-полюсное включение - Штекерные разъединители-предохранители 3NJ4

Чертеж

3NJ41 03, 160 A, 3- полюсные, способные к коммутации

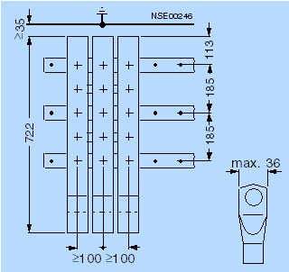
Для шин со 100 мм расстоянием от центра - к центру

 

3NJ41 .3–3, 250 до 630 A, 3- полюсные, способные к коммутации

 

Монтаж узкопрофильных разъединителей с предохранителями на шины  с расстоянием от центра - к центру 100 мм

 

Монтаж узкопрофильных разъединителей с предохранителями на шины  с расстоянием от центра - к центру 185 мм. Минимальное расстояние между токопроводящими частями аппаратов: 100 мм

 

Заказные данные

Заказной №ОписаниеВес (кг)ДоставкаМин. зак. (шт)
3NJ4103-3BF02РАЗЪЕДИНИТЕЛЬ-ПРЕДОХРАНИТЕЛЬ 3-ПОЛЮСА КОММУТИРУЕМЫЙ, ТИПОРАЗМЕР 00 I=160 A, U=690 V ВИНТ.КОНТАКТЫ M 8 НОВЫЙ ДИЗАЙН1.43 - 5 недель (P)1
3NJ4103-3BR02FUSE LOAD ISOLATING UNIT 3-ПОЛЮСА SWITCHABLE, ТИПОРАЗМЕР 00 I=160 A, U=690 V BOX TERMINAL ДО 70 SQMM NEW DESIGN1.4793 - 5 недель (A)1
3NJ4123-3BF01УЗКОПРОФИЛЬНЫЙ РАЗЪЕДИНИТЕЛЬ-ПРЕДОХРАНИТЕЛЬ 3 ПОЛЮСА ОТКЛЮЧАЕМЫЙ, ТИПОРАЗМЕР 1 I=250A, U=690V ВИНТОВАЯ КЛЕММА M 10 НОВЫЙ ДИЗАЙН5.4813 - 5 недель (P)1
3NJ4123-3BJ01ЛИНЕЙНЫЙ РАЗЪЕДИНИТЕЛЬ-ПРЕДОХРАНИТЕЛЬ 3 ПОЛЮСА КОММУТИРУЕМЫЙ, ТИПОРАЗМЕР 1 I=250A, U=690V КЛЕММА ШПИЛЬКА M 10 НОВЫЙ КОНСТРУКТИВ5.5123 - 5 недель (A)1
3NJ4123-3BT01УЗКОПРОФИЛЬНЫЙ РАЗЪЕДИНИТЕЛЬ-ПРЕДОХРАНИТЕЛЬ 3 ПОЛЮСА ОТКЛЮЧАЕМЫЙ, ТИПОРАЗМЕР 1 I=250A, U=690V V-ОБРАЗНАЯ КЛЕММА НОВЫЙ ДИЗАЙН5.9083 - 5 недель (A)1
3NJ4133-3BF01УЗКОПРОФИЛЬНЫЙ РАЗЪЕДИНИТЕЛЬ-ПРЕДОХРАНИТЕЛЬ 3 ПОЛЮСА ОТКЛЮЧАЕМЫЙ, ТИПОРАЗМЕР 2 I=400A, U=690V ВИНТОВАЯ КЛЕММА M 12 НОВЫЙ ДИЗАЙН5.543 - 5 недель (P)1
3NJ4133-3BJ01ЛИНЕЙНЫЙ РАЗЪЕДИНИТЕЛЬ-ПРЕДОХРАНИТЕЛЬ 3 ПОЛЮСА КОММУТИРУЕМЫЙ, ТИПОРАЗМЕР 2 I=400A, U=690V КЛЕММА ШПИЛЬКА M 12 НОВЫЙ КОНСТРУКТИВ5.583 - 5 недель (A)1
3NJ4133-3BT01УЗКОПРОФИЛЬНЫЙ РАЗЪЕДИНИТЕЛЬ-ПРЕДОХРАНИТЕЛЬ 3 ПОЛЮСА ОТКЛЮЧАЕМЫЙ, ТИПОРАЗМЕР 2 I=400A, U=690V V-ОБРАЗНАЯ КЛЕММА НОВЫЙ ДИЗАЙН5.8993 - 5 недель (A)1
3NJ4143-3BF01УЗКОПРОФИЛЬНЫЙ РАЗЪЕДИНИТЕЛЬ-ПРЕДОХРАНИТЕЛЬ 3 ПОЛЮСА ОТКЛЮЧАЕМЫЙ, ТИПОРАЗМЕР 3 I=630A, U=690V ВИНТОВАЯ КЛЕММА M 12 НОВЫЙ ДИЗАЙН6.4263 - 5 недель (P)1
3NJ4143-3BJ01ЛИНЕЙНЫЙ РАЗЪЕДИНИТЕЛЬ-ПРЕДОХРАНИТЕЛЬ 3 ПОЛЮСА КОММУТИРУЕМЫЙ, ТИПОРАЗМЕР 3 I=630A, U=690V КЛЕММА ШПИЛЬКА M 12 НОВЫЙ КОНСТРУКТИВ6.3213 - 5 недель (A)1
3NJ4143-3BT01УЗКОПРОФИЛЬНЫЙ РАЗЪЕДИНИТЕЛЬ-ПРЕДОХРАНИТЕЛЬ 3 ПОЛЮСА ОТКЛЮЧАЕМЫЙ, ТИПОРАЗМЕР 3 I=630A, U=690V V-ОБРАЗНАЯ КЛЕММА НОВЫЙ ДИЗАЙН6.6753 - 5 недель (A)1
3NJ4153-5BD01УЗКОПРОФИЛЬНЫЙ РАЗЪЕДИНИТЕЛЬ-ПРЕДОХРАНИТЕЛЬ I=1000A, U=690V 3 ПОЛЮСА ОТКЛЮЧАЕМЫЙ 3 ПОЛ. ОТКЛЮЧАЕМЫЙ НОВЫЙ ДИЗАЙН11.03по запросу (D)1
3NJ4183-3BF01УЗКОПРОФИЛЬНЫЙ РАЗЪЕДИНИТЕЛЬ-ПРЕДОХРАНИТЕЛЬ, I=910A, U=690V ДЛЯ СПЕЦИАЛЬНЫХ ПРЕДОХРАНИТЕЛЕЙ ДЛЯ ЗАЩИТЫ ТРАНСФОРМАТОРА, ТИПОРАЗМЕР NH3 3-ПОЛ. ОТКЛЮЧАЕМЫЙ НОВЫЙ ДИЗАЙН12.943по запросу (D)1