0
ETI    SIEMENS    ABB    WIKA    IFM    ELKO EP    HYUNDAI    VEGA    KSR KUEBLER    Johnson Controls    Siemens IA/DT (CA01)    Bosch Rexroth    Alfa Laval    SICK    Others  

WTL16P-34161120A00

Код: 1218945
Связатся с нами: 067 285 7770

В корзину

Показать всё Скрыть всё

  • Характеристики
    Принцип датчика/ обнаруженияДатчик с отражением от объекта, Технология LineSpot, Подавление заднего фона
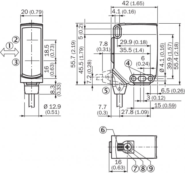
    Размеры (Ш x В x Г)20 mm x 55,7 mm x 42 mm
    Форма корпуса (выход света)Прямоугольный
    Дистанция работы, макс.10 mm ... 500 mm 1)
    Вид излученияВидимый красный свет
    Источник светаСветодиод PinPoint 2)
    Размеры светового пятна (расстояние)3 mm x 30 mm (200 mm)
    Длина волны635 nm
    Настройка

    BluePilot: поворотно-нажимной элемент с индикацией расстояния срабатывания

    IO-Link

    Конфигурация контакта 2Внешний вход, обучение, дискретный сигнал
    Специальные случаи примененияОбнаружение перфорированных объектов
    Особые свойстваЛинейное световое пятно
    • 1) Белый объект — объект с коэффициентом диффузного отражения 90 % (на основе стандарта белого, DIN 5033).
    • 2) Средний срок службы: 100 000 ч при TU = +25 °C.
  • Механика/электроника
    Напряжение питания10 V DC ... 30 V DC 1)
    Остаточная пульсация≤ 5 Vss
    Потребление тока

    ≤ 30 mA 2)

    < 50 mA 3)

    Переключающий выход

    PUSH/PULL

    PNP

    NPN

    Функция выходного сигналаКомплементарный, Контакт 2: нормально закрытый NPN (активация при наличии отраженного света), нормально открытый PNP (активация при отсутствии отраженного света), Контакт 4: нормально открытый NPN (активация при отсутствии отраженного света), нормально закрытый PNP (активация при наличии отраженного света), интерфейс IO-Link
    Тип переключенияСВЕТЛО/ТЕМНО
    Сигнальное напряжение PNP HIGH/LOWОк. UV — 2,5 В/0 В
    Сигнальное напряжение NPN HIGH/LOWОк. Uv/ < 2,5 В
    Выходной ток Iмакс.≤ 100 mA
    Оценка≤ 500 µs 4)
    Частота переключения1.000 Hz 5)
    Тип подключенияКабель с разъемом M12, 4-конт., 270 mm 6)
    Материал кабеляPVC
    Схемы защиты

    A 7)

    B 8)

    C 9)

    D 10)

    Класс защитыIII
    Вес70 g
    IO-Link
    Материал корпусаПластик, VISTAL®
    Материал, оптикаПластик, PMMA
    Тип защиты

    IP66

    IP67

    Диапазон температур при работе–40 °C ... +60 °C
    Диапазон температур при хранении–40 °C ... +75 °C
    № файла ULNRKH.E181493 & NRKH7.E181493
    • 1) Предельные значения.
    • 2) 16 В пост. тока ... 30 В пост. тока, без нагрузки.
    • 3) 10 В пост. тока ... 16 В пост. тока, без нагрузки.
    • 4) Продолжительность сигнала при омической нагрузке в режиме переключения. Возможны другие значения в режиме COM2.
    • 5) При соотношении «светло/темно» 1:1, в режиме переключения. Возможны другие значения в режиме IO-Link.
    • 6) Запрещается деформировать кабель ниже 0 °C.
    • 7) А = подключения UV с защитой от переполюсовки.
    • 8) B = входы и выходы с защитой от инверсии полярности.
    • 9) C = подавление импульсных помех.
    • 10) D = выходы с защитой от короткого замыкания.
  • Классификации
    ECl@ss 5.027270904
    ECl@ss 5.1.427270904
    ECl@ss 6.027270904
    ECl@ss 6.227270904
    ECl@ss 7.027270904
    ECl@ss 8.027270904
    ECl@ss 8.127270904
    ECl@ss 9.027270904
    ETIM 5.0EC002719
    ETIM 6.0EC002719
    UNSPSC 16.090139121528
  • Smart Task
    Обозначение интеллектуальной задачиБазовая логика
    Логическая функция

    Прямой

    И

    ИЛИ

    Окно

    Гистерезис

    Функция таймера

    Деактивирован

    Задержка включения

    Задержка выключения

    Замедление включения и выключения

    Импульс (One Shot)

    ИнверторДа
    Частота переключения

    SIO Direct: 1000 Hz 1)

    SIO Logic: 800 Hz 2)

    IOL: 650 Hz 3)

    Время отклика

    SIO Direct: 500 µs 1)

    SIO Logic: 600 µs 2)

    IOL: 750 µs 3)

    Точность воспроизведения

    SIO Direct: 150 µs 1)

    SIO Logic: 300 µs 2)

    IOL: 400 µs 3)

    Дискретный сигнал QL1Переключающий выход
    Дискретный сигнал QL2Переключающий выход
    • 1) SIO Direct: работа датчика в стандартном режиме I/O без коммуникации IO-Link и без применения логических и временных параметров датчика (настройка «прямой»/«неактивный»).
    • 2) SIO Logic: работа датчика в стандартном режиме I/O без коммуникации IO-Link. Применение логических и временных параметров датчика, дополнительные функции автоматизации.
    • 3) IOL: работа датчика с полной коммуникацией IO-Link и применением логических, временных параметров и параметров функций автоматизации.
  • Интерфейс связи
    Интерфейс связиIO-Link V1.1
    Коммуникационный интерфейс, детальное описаниеCOM2 (38,4 kBaud)
    Время цикла2,3 ms
    Длина технологических данных16 Bit
    Структура технологических данных

    Бит 0 = дискретный сигнал QL1

    Бит 1 = дискретный сигнал QL2

    Бит 2 ... 15 = пустой

    VendorID26
    DeviceID HEX0x800168
    DeviceID DEZ8388968
Показать всё Скрыть всё

Технические чертежи

Схема соединений cd-390 Характеристика WTL16P-xxxxx1xx Размер светового пятна WTL16P-xxxxx1xx Диаграмма расстояний срабатывания WTL16P-xxxxx1xx Габаритный чертеж WTB16, WTL16, кабель Вид: Галерея Список Показать всё Скрыть всё
Показать всё Скрыть всё