0
ETI    SIEMENS    ABB    WIKA    IFM    ELKO EP    HYUNDAI    VEGA    KSR KUEBLER    Johnson Controls    Siemens IA/DT (CA01)    Bosch Rexroth    Alfa Laval    SICK    Others  

WTF12G-3P2432

Код: 1065719
Связатся с нами: 067 285 7770

В корзину

Показать всё Скрыть всё

  • Характеристики
    Принцип датчика/ обнаруженияДатчик с отражением от объекта, Подавление переднего фона
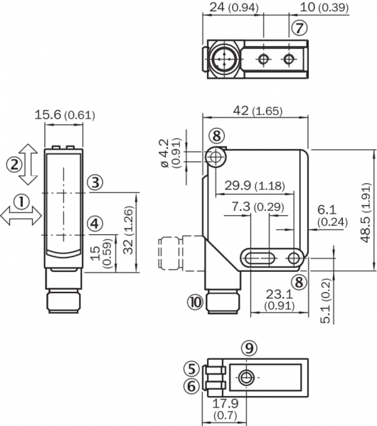
    Размеры (Ш x В x Г)15,6 mm x 48,5 mm x 42 mm
    Форма корпуса (выход света)Прямоугольный
    Дистанция работы, макс.150 mm ... 700 mm 1)
    Расстояние срабатывания0 mm ... 400 mm 2)
    Вид излученияВидимый красный свет
    Источник светаСветодиод PinPoint 3)
    Размеры светового пятна (расстояние)Ø 8 mm (300 mm)
    Длина волны660 nm
    НастройкаКнопка настройки
    Специальные случаи примененияОбнаружение прозрачных объектов, Обнаружение объектов с неровной и блестящей поверхностью
    • 1) Область настройки фона, для фона с коэффициентом диффузного отражения 90 % (на основе нержавеющей стали, подвергнутой обработке стеклянной дробью, согласно стандарту белого, DIN 5033).
    • 2) Область распознавания прозрачных объектов.
    • 3) Средний срок службы: 100 000 ч при TU = +25 °C.
  • Механика/электроника
    Напряжение питания10 V DC ... 30 V DC 1)
    Остаточная пульсация≤ 5 Vss 2)
    Потребление тока≤ 55 mA 3)
    Переключающий выходPNP
    Функция выходного сигналаКомплементарный
    Тип переключенияСВЕТЛО/ТЕМНО
    Сигнальное напряжение PNP HIGH/LOW> Uv - 2,5 V / ca. 0 V
    Выходной ток Iмакс.100 mA
    Оценка2 ms 4)
    Частота переключения250 Hz 5)
    Тип подключенияРазъем M12, 4-конт.
    Схемы защиты

    A 6)

    C 7)

    D 8)

    Класс защитыII
    Вес120 g
    Материал корпусаМеталл
    Тип защиты

    IP66

    IP67

    Специальное исполнениеОбнаружение прозрачных объектов
    Диапазон температур при работе–40 °C ... +60 °C
    Диапазон температур при хранении–40 °C ... +75 °C
    № файла ULNRKH.E181493 & NRKH7.E181493
    • 1) Предельные значения при работе в защищенной от короткого замыкания сети макс. 8 А.
    • 2) Не допускается превышение или занижение допуска Uv.
    • 3) Без нагрузки.
    • 4) Продолжительность сигнала при омической нагрузке.
    • 5) При соотношении светло/темно 1:1.
    • 6) А = подключения UV с защитой от переполюсовки.
    • 7) C = подавление импульсных помех.
    • 8) D = выходы с защитой от короткого замыкания.
  • Классификации
    ECl@ss 5.027270904
    ECl@ss 5.1.427270904
    ECl@ss 6.027270904
    ECl@ss 6.227270904
    ECl@ss 7.027270904
    ECl@ss 8.027270904
    ECl@ss 8.127270904
    ECl@ss 9.027270904
    ETIM 5.0EC002719
    ETIM 6.0EC002719
    UNSPSC 16.090139121528
Показать всё Скрыть всё

Технические чертежи

Опции настройки схема соединений Характеристика Габаритный чертеж Вид: Галерея Список Показать всё Скрыть всё
Показать всё Скрыть всё