0
ETI    SIEMENS    ABB    WIKA    IFM    ELKO EP    HYUNDAI    VEGA    KSR KUEBLER    Johnson Controls    Siemens IA/DT (CA01)    Bosch Rexroth    Alfa Laval    SICK    Others  

WTD20E-W1114

Код: 1064779
Связатся с нами: 067 285 7770

В корзину

Показать всё Скрыть всё

  • Характеристики
    Принцип датчика/ обнаруженияДатчик с отражением от объекта
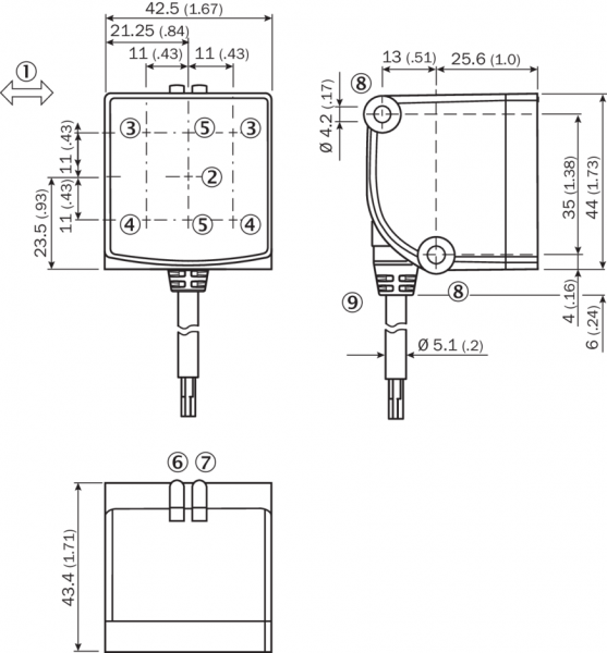
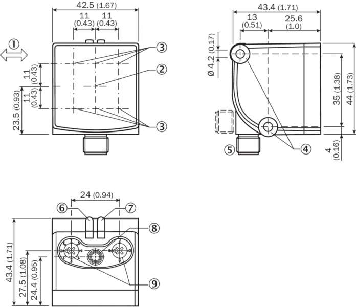
    Размеры (Ш x В x Г)42 mm x 42 mm x 45 mm
    Форма корпуса (выход света)Прямоугольный
    Дистанция работы, макс.30 mm ... 35 mm 1)
    Расстояние срабатывания30 mm ... 40 mm
    Вид излученияВидимый красный свет
    Источник светаСветодиод PinPoint 2)
    Размеры светового пятна (расстояние)Ø 1 mm (30 mm) 3)
    Длина волны635 nm
    НастройкаОтсутствует
    Специальные случаи примененияОбнаружение объектов при отсутcвии зазоров между ними
    Подавление заднего фона≥ 80 mm
    Основной признак объектаСкругленные кромки, Круглые и призматические кромки
    • 1) Макс. расстояние срабатывания относительно передней кромки объекта. При этом передняя кромка объекта должна находиться в пределах рабочей зоны.
    • 2) Средний срок службы: 100 000 ч при TU = +25 °C.
    • 3) 4 шт.
  • Механика/электроника
    Напряжение питания10 V DC ... 30 V DC 1)
    Остаточная пульсация≤ 5 Vss 2)
    Потребление тока≤ 70 mA 3)
    Переключающий выходNPN
    Выходной ток Iмакс.≤ 100 mA 4)
    Тип подключенияКабель, 4-жильный, 2 m 5)
    Материал кабеляPVC
    Сечение провода0,14 mm²
    Схемы защиты

    A 6)

    B 7)

    C 8)

    Класс защитыIII
    Вес130 g
    Материал корпусаПластик, Novodur
    Тип защитыIP67
    Диапазон температур при работе–40 °C ... +55 °C
    Диапазон температур при хранении–40 °C ... +75 °C
    Производительность, макс.≤ 54 000 шт./ч
    Скорость объекта, макс.≤ 1,2 m/s
    Радиус контура объекта5 mm ... 20 mm
    Точность переключения≤ 2 радиуса
    Точность воспроизведенияtyp. < 1 mm
    Задержка при включении Q1 и Q2≤ 60 ms
    Задержка при выключении Q1≤ 60 ms
    Ширина объекта, мин.≥ 30 mm
    Высота объекта, мин.≥ 50 mm
    • 1) Предельные значения, с защитой от переполюсовки. Эксплуатация в защищенных от короткого замыкания сетях с силой тока не более 8 A.
    • 2) Не допускается превышение или занижение допуска Uv.
    • 3) При 24 В.
    • 4) 2 переключающих выхода с Imax = 100 мА на каждом.
    • 5) Запрещается деформировать кабель ниже 0 °C.
    • 6) А = подключения UV с защитой от переполюсовки.
    • 7) B = входы и выходы с защитой от инверсии полярности.
    • 8) C = подавление импульсных помех.
  • Классификации
    ECl@ss 5.027270904
    ECl@ss 5.1.427270904
    ECl@ss 6.027270904
    ECl@ss 6.227270904
    ECl@ss 7.027270904
    ECl@ss 8.027270904
    ECl@ss 8.127270904
    ECl@ss 9.027270904
    ETIM 5.0EC002719
    ETIM 6.0EC002719
    UNSPSC 16.090139121528
Показать всё Скрыть всё

Технические чертежи

Схема соединений cd-242 Габаритный чертеж WTD20E-V/W11xx, кабель Габаритный чертеж характеристика, круглые и призматические кромки, скорость объекта характеристика, производительность характеристика, скругленные кромки, скорость объекта характеристика, производительность подробное описание расстояний срабатывания Вид: Галерея Список Показать всё Скрыть всё
Показать всё Скрыть всё