0
ETI    SIEMENS    ABB    WIKA    IFM    ELKO EP    HYUNDAI    VEGA    KSR KUEBLER    Johnson Controls    Siemens IA/DT (CA01)    Bosch Rexroth    Alfa Laval    SICK    Others  

WTB4-3P3261

Код: 1028098
Связатся с нами: 067 285 7770

В корзину

Показать всё Скрыть всё

  • Характеристики
    Принцип датчика/ обнаруженияДатчик с отражением от объекта, Подавление заднего фона
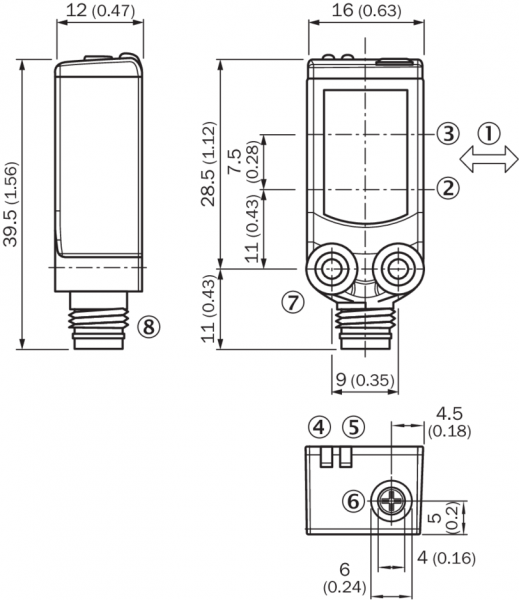
    Размеры (Ш x В x Г)16 mm x 39,5 mm x 12 mm
    Форма корпуса (выход света)Прямоугольный
    Дистанция работы, макс.4 mm ... 150 mm 1)
    Расстояние срабатывания15 mm ... 150 mm 1)
    Вид излученияВидимый красный свет
    Источник светаСветодиод PinPoint 2)
    Размеры светового пятна (расстояние)Ø 7 mm (50 mm)
    Длина волны650 nm
    НастройкаПотенциометр, 5 оборотов
    Специальные случаи примененияОбнаружение объектов маленького размера
    • 1) Белый объект — объект с коэффициентом диффузного отражения 90 % (на основе стандарта белого, DIN 5033).
    • 2) Средний срок службы: 100 000 ч при TU = +25 °C.
  • Механика/электроника
    Напряжение питания10 V DC ... 30 V DC 1)
    Остаточная пульсация< 5 Vss 2)
    Потребление тока≤ 20 mA 3)
    Переключающий выходPNP
    Функция выходного сигналаКомплементарный
    Тип переключенияСВЕТЛО/ТЕМНО
    Выходной ток Iмакс.≤ 100 mA
    Оценка< 0,5 ms 4)
    Частота переключения1.000 Hz 5)
    Тип подключенияКабель с разъемом M8, 4-конт., 100 mm 6)
    Материал кабеляPVC
    Сечение провода0,14 mm²
    Диаметр проводаØ 3,4 mm
    Схемы защиты

    A 7)

    C 8)

    D 9)

    Класс защитыIII
    Вес30 g
    Материал корпусаПластик, ABS
    Материал, оптикаПластик, PMMA
    Тип защиты

    IP67

    IP66

    Диапазон температур при работе–40 °C ... +60 °C
    Диапазон температур при хранении–40 °C ... +75 °C
    № файла ULNRKH.E181493 & NRKH7.E181493
    • 1) Предельные значения.
    • 2) Не допускается превышение или занижение допуска Uv.
    • 3) Без нагрузки.
    • 4) Продолжительность сигнала при омической нагрузке.
    • 5) При соотношении светло/темно 1:1.
    • 6) Запрещается деформировать кабель ниже 0 °C.
    • 7) А = подключения UV с защитой от переполюсовки.
    • 8) C = подавление импульсных помех.
    • 9) D = выходы с защитой от короткого замыкания.
  • Классификации
    ECl@ss 5.027270904
    ECl@ss 5.1.427270904
    ECl@ss 6.027270904
    ECl@ss 6.227270904
    ECl@ss 7.027270904
    ECl@ss 8.027270904
    ECl@ss 8.127270904
    ECl@ss 9.027270904
    ETIM 5.0EC002719
    ETIM 6.0EC002719
    UNSPSC 16.090139121528
Показать всё Скрыть всё

Технические чертежи

Схема соединений cd-083 Диаграмма расстояний срабатывания WTB4-3 Габаритный чертеж WTx4-3, потенциометр Характеристика WTB4-3 Вид: Галерея Список Показать всё Скрыть всё
Показать всё Скрыть всё