0
ETI    SIEMENS    ABB    WIKA    IFM    ELKO EP    HYUNDAI    VEGA    KSR KUEBLER    Johnson Controls    Siemens IA/DT (CA01)    Bosch Rexroth    Alfa Laval    SICK    Others  

WTB12C-3P2432A00

Код: 1067771
Связатся с нами: 067 285 7770

В корзину

Показать всё Скрыть всё

  • Характеристики
    Принцип датчика/ обнаруженияДатчик с отражением от объекта, Подавление заднего фона
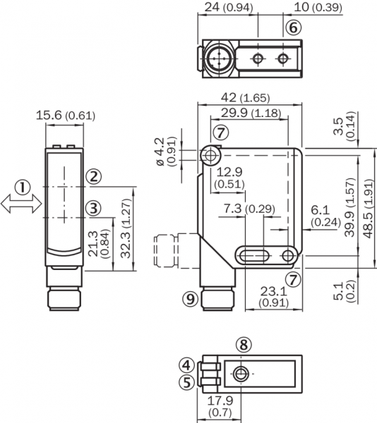
    Размеры (Ш x В x Г)15,6 mm x 48,5 mm x 42 mm
    Форма корпуса (выход света)Прямоугольный
    Дистанция работы, макс.20 mm ... 350 mm 1)
    Расстояние срабатывания20 mm ... 350 mm 1)
    Вид излученияВидимый красный свет
    Источник светаСветодиод PinPoint 2)
    Размеры светового пятна (расстояние)Ø 6 mm (200 mm)
    Длина волны640 nm
    Настройка

    IO-Link

    Кнопка настройки

    Конфигурация контакта 2Внешний вход, вход для обучения, вход передатчик выкл., выход детекции, логический выход
    • 1) Белый объект — объект с коэффициентом диффузного отражения 90 % (на основе стандарта белого, DIN 5033).
    • 2) Средний срок службы 50 000 ч при TU = +25 °C.
  • Полевая шина, промышленная шина
    Встраиваемая полевая шинаIO-Link V1.1
    ModeCOM2 (38,4 kBaud)
    Время цикла2,3 ms
    Длина технологических данных16 Bit
    Структура технологических данныхБит 0 = дискретный сигнал QL1, бит 1 = дискретный сигнал QL2, бит 2 ... 15 = пустой
  • Механика/электроника
    Напряжение питания10 V DC ... 30 V DC 1)
    Остаточная пульсация≤ 5 Vss 2)
    Потребление тока≤ 45 mA 3)
    Переключающий выходPNP
    Тип переключенияСВЕТЛО/ТЕМНО
    Сигнальное напряжение PNP HIGH/LOW> Uv - 2,5 V / ca. 0 V
    Выходной ток Iмакс.≤ 100 mA
    Оценка Q/на контакте 2200 µs ... 300 µs 4) 5)
    Частота переключения1.500 Hz
    Частота переключения Q/на контакте 2≤ 1.500 Hz 6)
    Тип подключенияРазъем M12, 4-конт.
    Схемы защиты

    A 7)

    B 8)

    C 9)

    D 10)

    Класс защитыIII
    Вес120 g
    IO-Link
    Скорость передачиCOM2
    Материал корпусаМеталл, Цинк, литье под давлением
    Материал, оптикаПластик, PMMA
    Тип защиты

    IP66

    IP67

    Диапазон температур при работе–40 °C ... +60 °C
    Диапазон температур при хранении–40 °C ... +75 °C
    № файла ULNRKH.E181493 & NRKH7.E181493
    Стабильность повторяемости Q/на контакте 2:100 µs 5)
    • 1) Предельные значения при работе в защищенной от короткого замыкания сети макс. 8 А.
    • 2) Не допускается превышение или занижение допуска Uv.
    • 3) Без нагрузки.
    • 4) Продолжительность сигнала при омической нагрузке.
    • 5) Действительно для Qна конт. 2, если настроено через программное обеспечение.
    • 6) При соотношении «светло/темно» 1:1, действительно для Qна конт. 2, если настроено через программное обеспечение.
    • 7) А = подключения UV с защитой от переполюсовки.
    • 8) B = входы и выходы с защитой от инверсии полярности.
    • 9) C = подавление импульсных помех.
    • 10) D = выходы с защитой от короткого замыкания.
  • Классификации
    ECl@ss 5.027270904
    ECl@ss 5.1.427270904
    ECl@ss 6.027270904
    ECl@ss 6.227270904
    ECl@ss 7.027270904
    ECl@ss 8.027270904
    ECl@ss 8.127270904
    ECl@ss 9.027270904
    ETIM 5.0EC002719
    ETIM 6.0EC002719
    UNSPSC 16.090139121528
  • Smart Task
    Обозначение интеллектуальной задачиБазовая логика
    Логическая функция

    Прямой

    И

    ИЛИ

    ОКНО

    Гистерезис

    Функция таймера

    Деактивирован

    Задержка включения

    Задержка выключения

    Замедление включения и выключения

    Импульс (One Shot)

    ИнверторДа
    Частота переключения

    SIO Direct: 1500 Hz 1)

    SIO Logic: 600 Hz 2)

    IOL: 450 Hz 3)

    Время отклика

    SIO Direct: 200 µs ... 300 µs 1)

    SIO Logic: 650 µs ... 750 µs 2)

    IOL: 650 µs ... 1000 µs 3)

    Точность воспроизведения

    SIO Direct: 100 µs 1)

    SIO Logic: 100 µs 2)

    IOL: 300 µs 3)

    Дискретный сигнал QL1Переключающий выход
    Дискретный сигнал QL2Переключающий выход
    • 1) SIO Direct: работа датчика в стандартном режиме I/O без коммуникации IO-Link и без применения логических и временных параметров датчика (настройка «прямой»/«неактивный»).
    • 2) SIO Logic: работа датчика в стандартном режиме I/O без коммуникации IO-Link. Применение логических и временных параметров датчика, дополнительные функции автоматизации.
    • 3) IOL: работа датчика с полной коммуникацией IO-Link и применением логических, временных параметров и параметров функций автоматизации.
  • Интерфейс связи
    Интерфейс связиIO-Link V1.1
    Коммуникационный интерфейс, детальное описаниеCOM2 (38,4 kBaud)
    Время цикла2,3 ms
    Длина технологических данных16 Bit
    Структура технологических данных

    Бит 0 = дискретный сигнал QL1

    Бит 1 = дискретный сигнал QL2

    Бит 2 ... 15 = пустой

Показать всё Скрыть всё

Технические чертежи

Опции настройки Габаритный чертеж WTB12-3, IO-Link Схема соединений cd-367 Характеристика WTB12-3, красный свет, 350 мм Диаграмма расстояний срабатывания WTB12-3, красный свет, 350 мм Вид: Галерея Список Показать всё Скрыть всё
Показать всё Скрыть всё