0
ETI    SIEMENS    ABB    WIKA    IFM    ELKO EP    HYUNDAI    VEGA    KSR KUEBLER    Johnson Controls    Siemens IA/DT (CA01)    Bosch Rexroth    Alfa Laval    SICK    Others  

WTB12-3P2461S58

Код: 1047850
Связатся с нами: 067 285 7770

В корзину

Показать всё Скрыть всё

  • Характеристики
    Принцип датчика/ обнаруженияДатчик с отражением от объекта, Подавление заднего фона
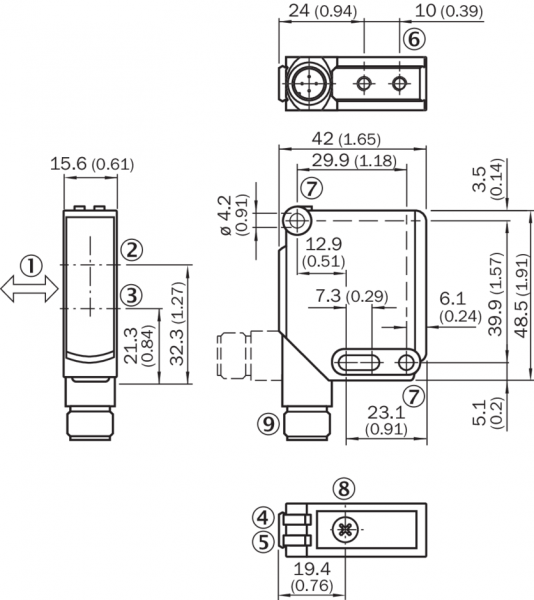
    Размеры (Ш x В x Г)15,6 mm x 48,5 mm x 42 mm
    Форма корпуса (выход света)Прямоугольный
    Дистанция работы, макс.30 mm ... 500 mm 1)
    Расстояние срабатывания50 mm ... 500 mm
    Вид излученияВидимый красный свет
    Источник светаСветодиод PinPoint 2)
    Размеры светового пятна (расстояние)50 mm x 5 mm (150 mm)
    НастройкаПотенциометр, 5 оборотов
    Специальные случаи примененияОбнаружение перфорированных объектов, Обнаружение объектов с допусками на положение, Обнаружение объектов, завернутых в пленку, Обнаружение объектов с неровной и блестящей поверхностью
    • 1) Белый объект — объект с коэффициентом диффузного отражения 90 % (на основе стандарта белого, DIN 5033).
    • 2) Средний срок службы: 100 000 ч при TU = +25 °C.
  • Механика/электроника
    Напряжение питания10 V DC ... 30 V DC 1)
    Остаточная пульсация≤ 5 Vss 2)
    Потребление тока≤ 40 mA 3)
    Переключающий выходPNP
    Функция выходного сигналаКомплементарный
    Тип переключенияСВЕТЛО/ТЕМНО
    Сигнальное напряжение PNP HIGH/LOW> Uv - 2,5 V / ca. 0 V
    Выходной ток Iмакс.100 mA
    Оценка≤ 700 µs 4)
    Частота переключения± 750 Hz 5)
    Тип подключенияРазъем M12, 4-конт.
    Схемы защиты

    A 6)

    C 7)

    D 8)

    Класс защитыIII
    Вес120 g
    Специальный продукт
    Материал корпусаМеталл
    Тип защиты

    IP66

    IP67

    IP69K

    Специальное исполнениеЛинейное световое пятно
    Диапазон температур при работе–40 °C ... +60 °C
    Диапазон температур при хранении–40 °C ... +75 °C
    № файла ULNRKH.E181493 & NRKH7.E181493
    • 1) Предельные значения при работе в защищенной от короткого замыкания сети макс. 8 А.
    • 2) Не допускается превышение или занижение допуска Uv.
    • 3) Без нагрузки.
    • 4) Продолжительность сигнала при омической нагрузке.
    • 5) При соотношении светло/темно 1:1.
    • 6) А = подключения UV с защитой от переполюсовки.
    • 7) C = подавление импульсных помех.
    • 8) D = выходы с защитой от короткого замыкания.
  • Классификации
    ECl@ss 5.027270904
    ECl@ss 5.1.427270904
    ECl@ss 6.027270904
    ECl@ss 6.227270904
    ECl@ss 7.027270904
    ECl@ss 8.027270904
    ECl@ss 8.127270904
    ECl@ss 9.027270904
    ETIM 5.0EC002719
    ETIM 6.0EC002719
    UNSPSC 16.090139121528
Показать всё Скрыть всё

Технические чертежи

Схема соединений cd-083 Габаритный чертеж WTB12-3, потенциометр Размер светового пятна WTB12-3, линейное световое пятно Характеристика Вид: Галерея Список Показать всё Скрыть всё
Показать всё Скрыть всё