0
ETI    SIEMENS    ABB    WIKA    IFM    ELKO EP    HYUNDAI    VEGA    KSR KUEBLER    Johnson Controls    Siemens IA/DT (CA01)    Bosch Rexroth    Alfa Laval    SICK    Others  

WTB12-3N2411

Код: 1041427
Связатся с нами: 067 285 7770

В корзину

Показать всё Скрыть всё

  • Характеристики
    Принцип датчика/ обнаруженияДатчик с отражением от объекта, Подавление заднего фона
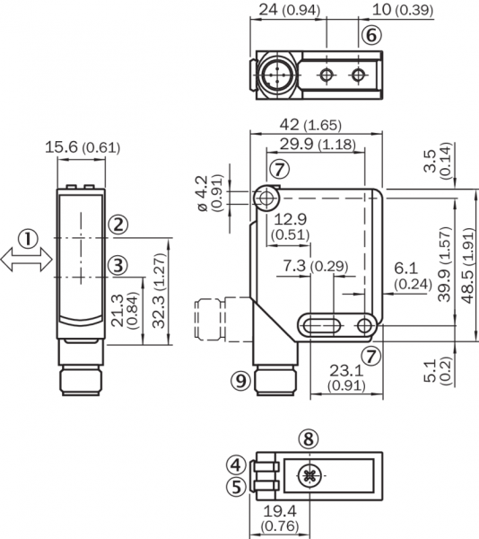
    Размеры (Ш x В x Г)15,6 mm x 48,5 mm x 42 mm
    Форма корпуса (выход света)Прямоугольный
    Дистанция работы, макс.20 mm ... 600 mm 1)
    Расстояние срабатывания20 mm ... 600 mm
    Вид излученияИнфракрасный свет
    Источник светаСветодиод 2)
    Размеры светового пятна (расстояние)15 mm x 15 mm (200 mm)
    Длина волны850 nm
    НастройкаПотенциометр, 5 оборотов
    • 1) Белый объект — объект с коэффициентом диффузного отражения 90 % (на основе стандарта белого, DIN 5033).
    • 2) Средний срок службы: 100 000 ч при TU = +25 °C.
  • Механика/электроника
    Напряжение питания10 V DC ... 30 V DC 1)
    Остаточная пульсация≤ 5 Vss 2)
    Потребление тока≤ 55 mA 3)
    Переключающий выходNPN
    Функция выходного сигналаКомплементарный
    Тип переключенияСВЕТЛО/ТЕМНО
    Сигнальное напряжение NPN HIGH/LOWОк. Uv/ < 2,5 В
    Выходной ток Iмакс.100 mA
    Оценка≤ 330 µs 4)
    Частота переключения1.500 Hz 5)
    Тип подключенияРазъем M12, 4-конт.
    Схемы защиты

    A 6)

    C 7)

    D 8)

    Класс защитыIII
    Вес120 g
    Материал корпусаМеталл
    Тип защиты

    IP66

    IP67

    IP69K

    Диапазон температур при работе–40 °C ... +60 °C
    Диапазон температур при хранении–40 °C ... +75 °C
    № файла ULNRKH.E181493 & NRKH7.E181493
    • 1) Предельные значения при работе в защищенной от короткого замыкания сети макс. 8 А.
    • 2) Не допускается превышение или занижение допуска Uv.
    • 3) Без нагрузки.
    • 4) Продолжительность сигнала при омической нагрузке.
    • 5) При соотношении светло/темно 1:1.
    • 6) А = подключения UV с защитой от переполюсовки.
    • 7) C = подавление импульсных помех.
    • 8) D = выходы с защитой от короткого замыкания.
  • Классификации
    ECl@ss 5.027270904
    ECl@ss 5.1.427270904
    ECl@ss 6.027270904
    ECl@ss 6.227270904
    ECl@ss 7.027270904
    ECl@ss 8.027270904
    ECl@ss 8.127270904
    ECl@ss 9.027270904
    ETIM 5.0EC002719
    ETIM 6.0EC002719
    UNSPSC 16.090139121528
Показать всё Скрыть всё

Технические чертежи

Опции настройки WTB12-3, WTF12-3, потенциометр Схема соединений cd-083 Габаритный чертеж WTB12-3, потенциометр Характеристика WTB12-3, инфракрасный свет Диаграмма расстояний срабатывания WTB12-3, инфракрасный свет Вид: Галерея Список Показать всё Скрыть всё
Показать всё Скрыть всё