0
ETI    SIEMENS    ABB    WIKA    IFM    ELKO EP    HYUNDAI    VEGA    KSR KUEBLER    Johnson Controls    Siemens IA/DT (CA01)    Bosch Rexroth    Alfa Laval    SICK    Others  

WLL180T-M634S11

Код: 6050776
Связатся с нами: 067 285 7770

В корзину

Показать всё Скрыть всё

  • Характеристики
    Тип устройстваБазовый блок 1)
    Принцип датчика/ обнаруженияОптоволоконный фотоэлектрический датчик
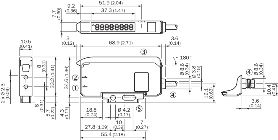
    Размеры (Ш x В x Г)10,5 mm x 34,6 mm x 71,9 mm
    Форма корпуса (выход света)Прямоугольный
    Дистанция работы, макс.0 m ... 20 m, Система на пересечение луча 2) 3)
    Расстояние срабатывания

    0 mm ... 1.400 mm, Система отражения от объекта 4) 5)

    0 m ... 18 m, Система на пересечение луча 2) 3)

    Фокус 6)
    Вид излученияВидимый красный свет
    Источник светаСветодиод 7)
    Угол излученияОк. 65° 6)
    Длина волны650 nm
    Настройка

    Управление через меню

    Кнопка настройки

    Тип времени

    Без задержки времени

    Задержка выключения

    Задержка включения

    Замедление включения и выключения

    Односигнальное

    Время задержкиПрограммируемый, 0 ms, 9.999 ms
    ИндикацияДисплей
    ДисплейСветодиодный индикатор состояния/двойной 4-разрядный цифровой дисплей, Заданное значение (зеленый индикатор) и фактическое значение (красный индикатор) отображаются одновременно, индикация параметров
    Особые свойства

    Предварительная настройка параметров

    Антиинтерференция

    • 1) Подключение до 15 блоков расширения.
    • 2) Расстояние срабатывания при времени отклика 8 мс. Редукция при уменьшении времени отклика (см. табл. LL3/WLL180T).
    • 3) LL3-TX01.
    • 4) Белый объект — объект с коэффициентом диффузного отражения 90 % (на основе стандарта белого, DIN 5033) Расстояние срабатывания при времени отклика 8 мс. Редукция при уменьшении времени отклика (см. табл. LL3/WLL180T).
    • 5) Оптоволоконный кабель LL3-DK06.
    • 6) См. данные оптоволоконного кабеля LL3.
    • 7) Средний срок службы: 100 000 ч при TU = +25 °C.
  • Механика/электроника
    Напряжение питания12 V DC ... 24 V DC 1)
    Остаточная пульсация≤ 10 % 2)
    Потребление тока≤ 50 mA 3)
    Переключающий выходPNP
    Количество переключающих выходов2
    Тип переключенияСВЕТЛО/ТЕМНО
    Тип переключения по выборуВыбирается вручную
    Выходной ток Iмакс.≤ 100 mA
    Оценка≤ 16 µs, ≤ 70 µs, ≤ 250 µs, ≤ 2.000 µs, ≤ 8.000 µs 4)
    Частота переключения

    ± 31,2 kHz

    ± 7,1 kHz

    ± 2 kHz

    ± 250 Hz

    ± 62,5 Hz

    Вход-
    Тип подключенияРазъем M8, 4-конт.
    Схемы защиты

    A 5)

    B 6)

    C 7)

    D 8)

    Класс защитыIII
    Вес20 g
    Специальный продукт
    Материал корпусаПластик, ABS/PC
    Тип защитыIP50 9)
    Комплект поставкиКрепежный уголок BEF-WLL180
    Диапазон температур при работе–25 °C ... +55 °C
    Диапазон температур при хранении–40 °C ... +70 °C
    № файла ULNRKH2.E300503 & NRKH8.E300503
    • 1) +- 10%.
    • 2) Не допускается превышение или занижение допуска Uv.
    • 3) Без нагрузки.
    • 4) По выбору.
    • 5) А = подключения UV с защитой от переполюсовки.
    • 6) B = входы и выходы с защитой от инверсии полярности.
    • 7) C = подавление импульсных помех.
    • 8) D = выходы с защитой от короткого замыкания.
    • 9) При правильно подключенных оптоволоконных кабелях LL3 и закрытом защитном кожухе.
  • Классификации
    ECl@ss 5.027270905
    ECl@ss 5.1.427270905
    ECl@ss 6.027270905
    ECl@ss 6.227270905
    ECl@ss 7.027270905
    ECl@ss 8.027270905
    ECl@ss 8.127270905
    ECl@ss 9.027270905
    ETIM 5.0EC002651
    ETIM 6.0EC002651
    UNSPSC 16.090139121528
Показать всё Скрыть всё

Технические чертежи

Опции настройки WLL180T Схема соединений cd-213 Габаритный чертеж Версия шины Вид: Галерея Список Показать всё Скрыть всё
Показать всё Скрыть всё