(044) 466 87 70, (067) 386 78 58, (094) 954 25 46
info@avigan.com.ua
English
About us
Вход
Регистрация
Корзина
ב"ה
0
Menu
Главная
О КОМПАНИИ
Обзоры Применений
КАТАЛОГ
ETI
SIEMENS
ABB
WIKA
IFM
ELKO EP
HYUNDAI
VEGA
KSR KUEBLER
Johnson Controls
Siemens IA/DT (CA01)
Bosch Rexroth
Alfa Laval
SICK
Others
КОНТАКТЫ
НОВОСТИ
ОТЗЫВЫ
Семейство WLG
Главная
»
SICK
»
Автоматизированные световые завесы
»
Переключающие автоматизированные световые завесы
»
Семейство WLG
ETI
SIEMENS
ABB
WIKA
IFM
ELKO EP
HYUNDAI
VEGA
KSR KUEBLER
Johnson Controls
Siemens IA/DT (CA01)
Bosch Rexroth
Alfa Laval
SICK
Others
WLG12-P537
Код: 1015798
Связатся с нами: 067 285 7770
Поделиться
Facebook
Twitter
Google Plus
В корзину
Описание
Показать всё
Скрыть всё
Характеристики
Технология
Отражательная световая завеса
Минимальный размер детектируемого объекта (MDO)
Параллельные лучи, 6...12,5 мм
Расстояние между лучами
12,5 mm
Количество лучей
8
Высота контроля
87,5 mm
Разрешение (регулируется)
6...12,5 мм 1)
1) В зависимости от дальности сканирования.
Производительность
Максимальная дальность сканирования
1,5 m
Минимальная дальность сканирования
≥ 100 mm
Дистанция работы
1,5 m
Оценка
Параллельные лучи, 0,6 ms 1)
1) С омической нагрузкой.
Интерфейсы
Переключающий выход
2 x PNP 1)
Тип подключения
Разъем M12, 5-конт.
1) Q / Ǭ.
Механика/электроника
Длина волны
650 nm
Напряжение питания UV
Пост. ток 18 V ... 30 V 1)
Потребляемый ток передатчика
80 mA
Остаточная пульсация
< 5 Vss
Выходной ток Iмакс.
≤ 100 mA
Выходная нагрузка емкостная
100 nF
Выходная нагрузка индуктивная
1 H
Время инициализации
0,6 s
Размеры (Ш x В x Г)
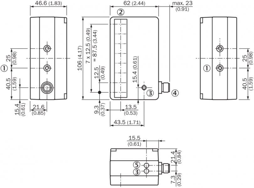
62 mm x 106 mm x 46,6 mm
Материал корпуса
Пластик
Индикация
LED
Тип защиты
IP67
Схемы защиты
Uв-подключения с защитой от переполюсовки, Выход Q с защитой от короткого замыкания, Подавление импульсных помех
Вес
230 g
Лицевая панель
PMMA
Выходной режим
Q «ТЕМНО» 2)
Калибровочный ввод
PNP
1) Типовые значения.
2) Q = активно, если прерван, как минимум, один луч, /Q = активно, если все лучи свободны.
Данные окружающей среды
Класс защиты
II
ЭМС
EN 60947-5-2
Диапазон температур при работе
–25 °C +55 °C
Диапазон температур при хранении
–20 °C +70 °C
Виброустойчивость
5 g, 10 Hz ... 55 Hz (IEC 68-2-6)
Устойчивость к сотрясениям
10 g / DIN EN 60068-2-29 / 16 ms
Классификации
ECl@ss 5.0
27270910
ECl@ss 5.1.4
27270910
ECl@ss 6.0
27270910
ECl@ss 6.2
27270910
ECl@ss 7.0
27270910
ECl@ss 8.0
27270910
ECl@ss 8.1
27270910
ECl@ss 9.0
27270910
ETIM 5.0
EC002549
ETIM 6.0
EC002549
UNSPSC 16.0901
39121528
Показать всё
Скрыть всё
Технические чертежи
Габаритный чертеж
тип и схема подключения
Вид:
Галерея
Список
Показать всё
Скрыть всё
Показать всё
Скрыть всё