0
ETI    SIEMENS    ABB    WIKA    IFM    ELKO EP    HYUNDAI    VEGA    KSR KUEBLER    Johnson Controls    Siemens IA/DT (CA01)    Bosch Rexroth    Alfa Laval    SICK    Others  

WL9LGC-3P2452A00

Код: 1080952
Связатся с нами: 067 285 7770

В корзину

Показать всё Скрыть всё

  • Характеристики
    Принцип датчика/ обнаруженияДатчик с отражением от рефлектора, Автоколлимация
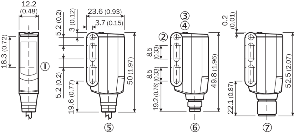
    Размеры (Ш x В x Г)12,2 mm x 52,2 mm x 23,6 mm
    Форма корпуса (выход света)Прямоугольный
    Схема расположения отверстийM3
    Дистанция работы, макс.0 m ... 3,5 m 1)
    Расстояние срабатывания0 m ... 2,2 m 1)
    Вид излученияВидимый красный свет
    Источник светаЛазер 2)
    Размеры светового пятна (расстояние)Ø 0,4 mm (60 mm)
    Длина волны650 nm
    Класс лазера1 (IEC 60825-1 / CDRH 21 CFR 1040.10 & 1040.11)
    Настройка

    IO-Link

    Кнопка настройки

    Конфигурация контакта 2Внешний вход, вход для обучения, вход передатчик выкл., выход детекции, логический выход, Выход сигнала тревоги для индикации эксплуатационной безопасности
    ДиагностикаЭксплуатационная надёжность, качество обучения
    AutoAdapt
    Специальные случаи примененияОбнаружение объектов маленького размера, Обнаружение прозрачных объектов
    • 1) Отражающая плёнка REF-AC1000.
    • 2) Средний срок службы 50 000 ч при TU = +25 °C.
  • Механика/электроника
    Напряжение питания10 V DC ... 30 V DC 1)
    Остаточная пульсация< 5 Vss 2)
    Потребление тока≤ 30 mA 3)
    Переключающий выходPNP 4)
    Функция выходного сигналаКомплементарный
    Тип переключенияСВЕТЛО/ТЕМНО 4)
    Выходной ток Iмакс.≤ 100 mA
    Оценка≤ 0,5 ms 5)
    Оценка Q/на контакте 2300 µs ... 450 µs 5) 6)
    Частота переключения1.000 Hz 7)
    Частота переключения Q/на контакте 2≤ 1.000 Hz 8)
    Тип подключенияРазъем M12, 4-конт.
    Схемы защиты

    A 9)

    B 10)

    C 11)

    Класс защитыIII
    Вес13 g
    Поляризационный фильтр
    IO-Link
    Материал корпусаПластик, VISTAL®
    Материал, оптикаПластик, PMMA
    Тип защиты

    IP66

    IP67

    IP69K

    Специальное исполнениеОбнаружение прозрачных объектов
    Диапазон температур при работе–10 °C ... +50 °C
    Диапазон рабочих температур, расширенный–30 °C ... +55 °C 12) 13)
    Диапазон температур при хранении–30 °C ... +70 °C
    № файла ULNRKH.E181493
    Стабильность повторяемости Q/на контакте 2:150 µs 6)
    • 1) Предельные значения при работе в защищенной от короткого замыкания сети макс. 8 А.
    • 2) Не допускается превышение или занижение допуска Uv.
    • 3) Без нагрузки.
    • 4) Q = «СВЕТЛО».
    • 5) Продолжительность сигнала при омической нагрузке.
    • 6) Действительно для Qна конт. 2, если настроено через программное обеспечение.
    • 7) При соотношении светло/темно 1:1.
    • 8) При соотношении «светло/темно» 1:1, действительно для Qна конт. 2, если настроено через программное обеспечение.
    • 9) А = подключения UV с защитой от переполюсовки.
    • 10) B = входы и выходы с защитой от инверсии полярности.
    • 11) C = подавление импульсных помех.
    • 12) Начиная с Tu = 50 °C допустимы макс. напряжение питания Vmax = 24 В и макс. выходной ток Imax = 50 мA.
    • 13) Работа при температуре ниже Tu = –10 °C возможна, если датчик уже включен при Tu > –10 °C, после этого охлаждается и не отсоединяется от питающего напряжения. Включение ниже Tu = –10 °C недопустимо.
  • Классификации
    ECl@ss 5.027270902
    ECl@ss 5.1.427270902
    ECl@ss 6.027270902
    ECl@ss 6.227270902
    ECl@ss 7.027270902
    ECl@ss 8.027270902
    ECl@ss 8.127270902
    ECl@ss 9.027270902
    ETIM 5.0EC002717
    ETIM 6.0EC002717
    UNSPSC 16.090139121528
  • Smart Task
    Обозначение интеллектуальной задачиБазовая логика
    Логическая функция

    Прямой

    И

    ИЛИ

    ОКНО

    Гистерезис

    Функция таймера

    Деактивирован

    Задержка включения

    Задержка выключения

    Замедление включения и выключения

    Импульс (One Shot)

    ИнверторДа
    Частота переключения

    SIO Direct: 1000 Hz 1)

    SIO Logic: 1000 Hz 2)

    IOL: 900 Hz 3)

    Время отклика

    SIO Direct: 300 µs ... 450 µs 1)

    SIO Logic: 500 µs ... 600 µs 2)

    IOL: 500 µs ... 900 µs 3)

    Точность воспроизведения

    SIO Direct: 150 µs 1)

    SIO Logic: 150 µs 2)

    IOL: 400 µs 3)

    Дискретный сигнал QL1Переключающий выход
    Дискретный сигнал QL2Переключающий выход
    • 1) SIO Direct: работа датчика в стандартном режиме I/O без коммуникации IO-Link и без применения логических и временных параметров датчика (настройка «прямой»/«неактивный»).
    • 2) SIO Logic: работа датчика в стандартном режиме I/O без коммуникации IO-Link. Применение логических и временных параметров датчика, дополнительные функции автоматизации.
    • 3) IOL: работа датчика с полной коммуникацией IO-Link и применением логических, временных параметров и параметров функций автоматизации.
  • Интерфейс связи
    Интерфейс связиIO-Link V1.1
    Коммуникационный интерфейс, детальное описаниеCOM2 (38,4 kBaud)
    Время цикла2,3 ms
    Длина технологических данных16 Bit
    Структура технологических данных

    Бит 0 = дискретный сигнал QL1

    Бит 1 = дискретный сигнал QL2

    Бит 2 ... 15 = пустой

Показать всё Скрыть всё

Технические чертежи

Опции настройки Кнопка Teach-in для простого обучения Схема соединений cd-367 Габаритный чертеж WL9L-3 Характеристика Размер светового пятна Размер светового пятна (детальный вид) Диаграмма расстояний срабатывания Вид: Галерея Список Показать всё Скрыть всё
Показать всё Скрыть всё