0
ETI    SIEMENS    ABB    WIKA    IFM    ELKO EP    HYUNDAI    VEGA    KSR KUEBLER    Johnson Controls    Siemens IA/DT (CA01)    Bosch Rexroth    Alfa Laval    SICK    Others  

WL9LG-3P2432

Код: 1058235
Связатся с нами: 067 285 7770

В корзину

Показать всё Скрыть всё

  • Характеристики
    Принцип датчика/ обнаруженияДатчик с отражением от рефлектора, Автоколлимация
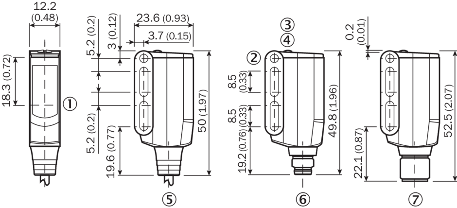
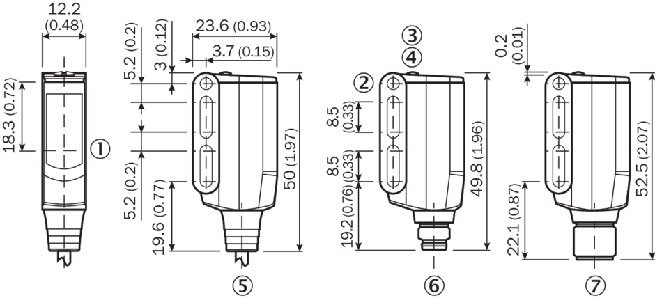
    Размеры (Ш x В x Г)12,2 mm x 52,2 mm x 23,6 mm
    Форма корпуса (выход света)Прямоугольный
    Схема расположения отверстийM3
    Дистанция работы, макс.0 m ... 4,5 m 1)
    Расстояние срабатывания0 m ... 2 m 1)
    Вид излученияВидимый красный свет
    Источник светаЛазер 2)
    Размеры светового пятна (расстояние)Ø 1 mm (500 mm)
    Длина волны650 nm
    Класс лазера1 (IEC 60825-1 / CDRH 21 CFR 1040.10 & 1040.11)
    НастройкаКнопка настройки
    AutoAdapt
    Специальные случаи примененияОбнаружение объектов маленького размера, Обнаружение прозрачных объектов
    • 1) Отражающая плёнка REF-AC1000.
    • 2) Средний срок службы 50 000 ч при TU = +25 °C.
  • Механика/электроника
    Напряжение питания10 V DC ... 30 V DC 1)
    Остаточная пульсация< 5 Vss 2)
    Потребление тока≤ 30 mA 3)
    Переключающий выходPNP 4)
    Функция выходного сигналаКомплементарный
    Тип переключенияСВЕТЛО/ТЕМНО 4)
    Выходной ток Iмакс.≤ 100 mA
    Оценка≤ 0,5 ms 5)
    Частота переключения1.000 Hz 6)
    Тип подключенияРазъем M12, 4-конт.
    Схемы защиты

    A 7)

    B 8)

    C 9)

    Класс защитыIII
    Вес13 g
    Поляризационный фильтр
    Материал корпусаПластик, VISTAL®
    Материал, оптикаПластик, PMMA
    Тип защиты

    IP66

    IP67

    IP69K

    Специальное исполнениеОбнаружение прозрачных объектов
    Диапазон температур при работе–10 °C ... +50 °C
    Диапазон рабочих температур, расширенный–30 °C ... +55 °C 10) 11)
    Диапазон температур при хранении–30 °C ... +70 °C
    № файла ULNRKH.E181493
    • 1) Предельные значения при работе в защищенной от короткого замыкания сети макс. 8 А.
    • 2) Не допускается превышение или занижение допуска Uv.
    • 3) Без нагрузки.
    • 4) Q = «СВЕТЛО».
    • 5) Продолжительность сигнала при омической нагрузке.
    • 6) При соотношении светло/темно 1:1.
    • 7) А = подключения UV с защитой от переполюсовки.
    • 8) B = входы и выходы с защитой от инверсии полярности.
    • 9) C = подавление импульсных помех.
    • 10) Начиная с Tu = 50 °C допустимы макс. напряжение питания Vmax = 24 В и макс. выходной ток Imax = 50 мA.
    • 11) Работа при температуре ниже Tu = –10 °C возможна, если датчик уже включен при Tu > –10 °C, после этого охлаждается и не отсоединяется от питающего напряжения. Включение ниже Tu = –10 °C недопустимо.
  • Классификации
    ECl@ss 5.027270902
    ECl@ss 5.1.427270902
    ECl@ss 6.027270902
    ECl@ss 6.227270902
    ECl@ss 7.027270902
    ECl@ss 8.027270902
    ECl@ss 8.127270902
    ECl@ss 9.027270902
    ETIM 5.0EC002717
    ETIM 6.0EC002717
    UNSPSC 16.090139121528
Показать всё Скрыть всё

Технические чертежи

Опции настройки Кнопка Teach-in для простого обучения Схема соединений cd-083 Характеристика Размер светового пятна (детальный вид) Диаграмма расстояний срабатывания Габаритный чертеж WL9L-3 Размер светового пятна Общий вид Вид: Галерея Список Показать всё Скрыть всё
Показать всё Скрыть всё