0
ETI    SIEMENS    ABB    WIKA    IFM    ELKO EP    HYUNDAI    VEGA    KSR KUEBLER    Johnson Controls    Siemens IA/DT (CA01)    Bosch Rexroth    Alfa Laval    SICK    Others  

WL12G-3P2582P01

Код: 1053549
Связатся с нами: 067 285 7770

В корзину

Показать всё Скрыть всё

  • Характеристики
    Принцип датчика/ обнаруженияДатчик с отражением от рефлектора, Автоколлимация
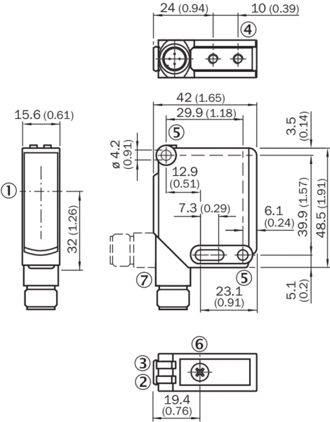
    Размеры (Ш x В x Г)15,5 mm x 48,5 mm x 42 mm
    Форма корпуса (выход света)Прямоугольный
    Дистанция работы, макс.0 m ... 4 m 1)
    Вид излученияИнфракрасный свет
    Источник светаСветодиод 2)
    Размеры светового пятна (расстояние)Ø 100 mm (3 m)
    Длина волны660 nm
    НастройкаКнопка настройки 3)
    AutoAdapt
    Специальные случаи примененияОбнаружение прозрачных объектов
    • 1) Отражатель PL80A.
    • 2) Средний срок службы: 100 000 ч при TU = +25 °C.
    • 3) Режим III, демпфирование 10 %.
  • Механика/электроника
    Напряжение питания10 V DC ... 30 V DC 1)
    Остаточная пульсация≤ 5 Vss 2)
    Потребление тока≤ 40 mA 3)
    Переключающий выходPNP, с задержкой времени выключения сигнала 50 мс
    Тип переключенияСВЕТЛО
    Сигнальное напряжение PNP HIGH/LOWОк. UV — 2,5 В/0 В
    Выходной ток Iмакс.100 mA
    Оценка≤ 333 µs 4)
    Частота переключения1.500 Hz 5)
    Тип подключенияРазъем M12, 5-конт.
    Схемы защиты

    A 6)

    B 7)

    C 8)

    D 9)

    Класс защитыIII
    Вес120 g
    Специальный продукт
    Материал корпусаМеталл, Цинк, литье под давлением
    Материал, оптикаПластик, PMMA
    Тип защиты

    IP66

    IP67

    Комплект поставкиОтражатель P250F
    Специальное исполнениеОбнаружение прозрачных объектов
    Режим работыРежим III, демпфирование 10 %, Режим III, демпфирование 18 %
    Диапазон температур при работе–40 °C ... +60 °C
    Диапазон температур при хранении–40 °C ... +75 °C
    № файла ULNRKH.E181493 & NRKH7.E181493
    • 1) Предельные значения при работе в защищенной от короткого замыкания сети макс. 8 А.
    • 2) Не допускается превышение или занижение допуска Uv.
    • 3) Без нагрузки.
    • 4) Продолжительность сигнала при омической нагрузке.
    • 5) При соотношении светло/темно 1:1.
    • 6) А = подключения UV с защитой от переполюсовки.
    • 7) B = входы и выходы с защитой от инверсии полярности.
    • 8) C = подавление импульсных помех.
    • 9) D = выходы с защитой от короткого замыкания.
  • Классификации
    ECl@ss 5.027270902
    ECl@ss 5.1.427270902
    ECl@ss 6.027270902
    ECl@ss 6.227270902
    ECl@ss 7.027270902
    ECl@ss 8.027270902
    ECl@ss 8.127270902
    ECl@ss 9.027270902
    ETIM 5.0EC002717
    ETIM 6.0EC002717
    UNSPSC 16.090139121528
Показать всё Скрыть всё

Технические чертежи

Опции настройки WL11-2, Teach-in Схема соединений cd-149 Функции Габаритный чертеж WL12-3, WSE12-3 Диаграмма расстояний срабатывания WL12G-3 Вид: Галерея Список Показать всё Скрыть всё
Показать всё Скрыть всё