Показать всё Скрыть всё
- Характеристики
| Источник света | Видимый свет (λ = 650 нм) |
| Класс лазера | 2 |
| Средняя наработка на отказ | 80.000 h |
| MTTR | < 10 min |
| Области применения | Ритейл и складирование |
| Область применения | Indoor |
| Вращение объекта | ± 45° |
| Вид транспортного оборудования | Ленточные конвейеры |
| Количество основных компонентов | 7 |
- Производительность
| Скорость транспортировки | ≤ 2 m/s |
| Максимальный размер объекта | 2.000 mm x 1.000 mm x 1.000 mm |
| Минимальный размер объекта | 200 mm x 100 mm x 100 mm |
| Минимальный промежуток между объектами | 1.200 mm, По спецификации заказчика |
| Точность распознавания объекта | ± 5 mm x ± 5 mm x ± 5 mm (Д x Ш x В, до 1 м/с) ± 10 mm x ± 5 mm x ± 5 mm (Д x Ш x В, до 2 м/с) |
- Интерфейсы
| Ethernet | ✔ (2) | | Скорость передачи данных | 10 Mbit/s ... 100 Mbit/s | | Протокол | FTP, TCP/IP, Server/Client |
|
| Последовательный | ✔ (2) | | Скорость передачи данных | 300 bit/s ... 57.600 bit/s |
|
| PROFIBUS DP | ✔ | | Скорость передачи данных | 12 MBaud | | Протокол | PROFIBUS DP |
|
| Переключающий вход, оптически изолированный, с защитой от перемены полярности | ✔ (13) |
|
| Переключающий выход PNP, плюс 24 В, 30 мА | ✔ |
|
| Переключающий выход, с нулевым потенциалом | ✔ (2) |
|
| Данные вывода | XML ASCII Пользовательский протокол |
| Интерфейс настройки | Ethernet: SOPAS Engineering Tool |
- Механика/электроника
| Размеры, система (Д x Ш x В) | По спецификации заказчика |
| Тип защиты | IP54 (EN60529) |
| Напряжение питания | 100 V AC≤ 264 V |
| Сетевая частота | 50 Hz ... 60 Hz |
| Энкодеры | Разрешение 0,2 мм |
| Потребляемая мощность | 150 W, 480 W |
| Материал корпуса | Нержавеющая сталь, алюминий, пластмасса |
- Данные окружающей среды
| Рабочий диапазон температур | 0 °C ... +40 °C |
| Диапазон температур при хранении | –20 °C ... +70 °C |
| Допустимая относительная влажность воздуха | 90 %, без образования конденсата |
| Нечувствительность ко внешним источникам света | 2.000 lx |
| Диффузное отражение | 15 % ... max. 200 %, (на базе Kodak White Paper и лазера красного света), не блестящий объект (например, клейкая лента) Дальнейшая информация содержится в руководстве по эксплуатации LMS400 в главах 3.6.1 и 3.6.2 |
- Общие указания
| Комплект поставки | 1 x MSC800 1 x VMC800 1 x DFV60 4 x VMD Соединительный кабель, кронштейны, рамы (с учетом требований заказчика) |
- Классификации
| ECl@ss 5.0 | 27281001 |
| ECl@ss 5.1.4 | 27280190 |
| ECl@ss 6.0 | 27280190 |
| ECl@ss 6.2 | 27280190 |
| ECl@ss 7.0 | 27280190 |
| ECl@ss 8.0 | 27280190 |
| ECl@ss 8.1 | 27280190 |
| ECl@ss 9.0 | 27280190 |
| UNSPSC 16.0901 | 43211701 |
Показать всё Скрыть всё Технические чертежи
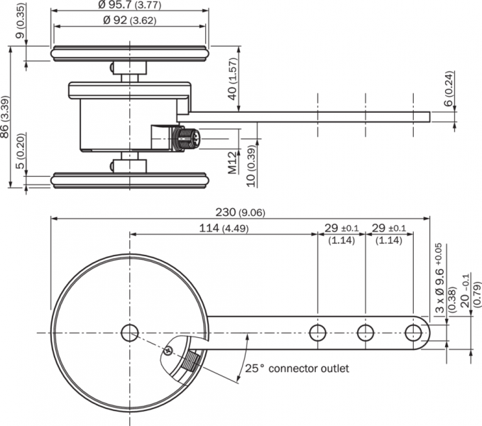
DFV60
Габаритный чертеж VMC800
Габаритный чертеж Монтажное крепление VMD500
Габаритный чертеж
Вид: Галерея Список Показать всё Скрыть всё Показать всё Скрыть всё