0
ETI    SIEMENS    ABB    WIKA    IFM    ELKO EP    HYUNDAI    VEGA    KSR KUEBLER    Johnson Controls    Siemens IA/DT (CA01)    Bosch Rexroth    Alfa Laval    SICK    Others  

VML Prime

Код: VMLPrime
Связатся с нами: 067 285 7770

В корзину

Показать всё Скрыть всё

  • Характеристики
    Источник светаИнфракрасный, Светодиод
    Средняя наработка на отказ> 80.000 h
    MTTR< 10 min
    Области применения

    Поступление товара

    Отпуск товара

    Определение размеров объекта

    Область примененияIndoor
    Категория продукцииСистема измерения объема
  • Производительность
    Скорость транспортировки0,2 m/s ... 2 m/s, более высокая скорость транспортировки по запросу
    Максимальный размер объекта2.600 mm x 1.000 mm x 1.000 mm
    Минимальный размер объекта50 mm x 50 mm x 10 mm
    Минимальный промежуток между объектами200 mm
    Точность распознавания объекта

    ± 5 mm x ± 5 mm x ± 2,5 mm ((Д x Ш x В) до 1 м/с)

    ± 5 mm x ± 5 mm x ± 5 mm ((Д x Ш x В) до 2 м/с)

    Более высокая скорость транспортировки по запросу

  • Интерфейсы
    Последовательный✔ (2)
    Скорость передачи данных300 bit/s ... 57.600 bit/s
    Ethernet✔ (2)
    Скорость передачи данных10 MBit/s / 100 MBit/s
    ПротоколFTP, TCP/IP, Server/Client
    PROFIBUS DP
    Скорость передачи данных12 MBaud
    ПротоколPROFIBUS DP
    Переключающий вход, оптически изолированный, с защитой от перемены полярности✔ (13)
    Переключающий выход PNP, плюс 24 В, 30 мА
    Переключающий выход, с нулевым потенциалом✔ (2)
    Данные вывода

    XML

    ASCII

    Пользовательский протокол

    Интерфейс настройкиEthernet: SOPAS Engineering Tool
  • Механика/электроника
    Размеры, система (Д x Ш x В)По спецификации заказчика
    Тип защиты

    MLG-2 Pro: IP65 (EN 60529)

    DFV60: IP65 (EN 60529)

    Распределительный шкаф: IP54 (EN 60529)

    Напряжение питания230 V AC 100 V AC ... 264 V AC
    Сетевая частота50 Hz ... 60 Hz
    Потребляемая мощность100 W, в обычном режиме работы
    Материал переднего окнаПластик
    Материал корпуса

    Нержавеющая сталь

    Алюминий

    Пластик

  • Данные окружающей среды
    Рабочий диапазон температур0 °C ... +40 °C 1)
    Диапазон температур при хранении–20 °C ... +70 °C
    Допустимая относительная влажность воздуха90 %, без образования конденсата
    Нечувствительность ко внешним источникам светаПостоянный свет, прямой и отраженный, 2.000 lx
    • 1) Расширенный температурный диапазон по запросу.
  • Общие указания
    Комплект поставки

    1 x MSC800

    1 x DFV60

    2 x MLG-2 Pro

    Соединительный кабель, кронштейны, рамы (с учетом требований заказчика)

    Применение

    Ритейл и складирование

    Курьерская и почтовая службы

Показать всё Скрыть всё

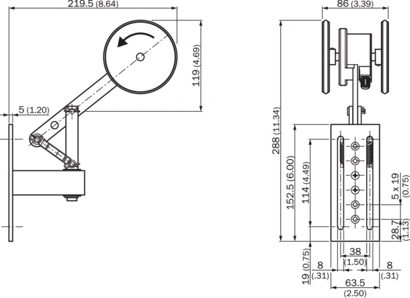
Технические чертежи

Габаритный чертеж Габаритный чертеж Высокоавтоматизированная световая завеса MLG-2 Pro без корпуса Габаритный чертеж Контроллер MSC800 Габаритный чертеж Вид: Галерея Список Показать всё Скрыть всё
Показать всё Скрыть всё