0
ETI    SIEMENS    ABB    WIKA    IFM    ELKO EP    HYUNDAI    VEGA    KSR KUEBLER    Johnson Controls    Siemens IA/DT (CA01)    Bosch Rexroth    Alfa Laval    SICK    Others  

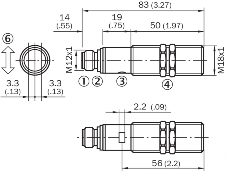
VL18-4N3140V

Код: 6035496
Связатся с нами: 067 285 7770

В корзину

Показать всё Скрыть всё

  • Характеристики
    Принцип датчика/ обнаруженияДатчик с отражением от рефлектора, Двойная линза
    Форма корпуса (выход света)Цилиндрический, прямой
    Длина корпуса83 mm
    Диаметр резьбы (корпус)M18 x 1
    Оптическая осьОсевая
    Дистанция работы, макс.0,1 m ... 5 m 1)
    Расстояние срабатывания0,1 m ... 4,5 m 1)
    Вид излученияВидимый красный свет
    Источник светаСветодиод 2)
    Размеры светового пятна (расстояние)Ø 200 mm (4,5 m)
    Угол излучения2,5°
    Длина волны660 nm
    НастройкаОтсутствует
    Специальные случаи примененияГигиеничные зоны и зоны с высокой влажностью
    • 1) Отражатель PL80A.
    • 2) Средний срок службы: 100 000 ч при TU = +25 °C.
  • Механика/электроника
    Напряжение питания10 V DC ... 30 V DC 1)
    Остаточная пульсация≤ 10 % 2)
    Потребление тока≤ 35 mA 3)
    Переключающий выходNPN
    Тип переключенияСВЕТЛО/ТЕМНО
    Тип переключения по выборуПо выбору, через кабель управления L/D
    Сигнальное напряжение NPN HIGH/LOWОк. UV/ < 2,0 В
    Выходной ток Iмакс.≤ 100 mA
    Оценка≤ 1 ms 4)
    Частота переключения± 500 Hz 5)
    Тип подключенияРазъем M12, 4-конт. 6)
    Схемы защиты

    A 7)

    B

    C 8)

    D

    Класс защитыIII
    Вес120 g
    Поляризационный фильтр
    Материал корпусаНержавеющая сталь, Нержавеющая сталь V4A (1.4404, 316L)
    Материал, оптикаПластик, Plan, PPS (Grilamid)
    Тип защитыIP67, IP68, IP69K 9)
    Диапазон температур при работе–25 °C ... +80 °C
    Диапазон температур при хранении–40 °C ... +80 °C
    № файла ULFDA, UL № NRKH.E181493 & cUL № NRKH7.E181493
    • 1) Предельные значения.
    • 2) Не допускается превышение или занижение допуска Uv.
    • 3) Без нагрузки при UV 30 В пост. тока.
    • 4) Продолжительность сигнала при омической нагрузке.
    • 5) При соотношении светло/темно 1:1.
    • 6) С позолоченными контактами, PPS с сертификатом FDA.
    • 7) А = подключения UV с защитой от переполюсовки.
    • 8) D = выходы с защитой от короткого замыкания.
    • 9) При правильно установленной розетке кабеля с классом защиты IP69K.
  • Классификации
    ECl@ss 5.027270902
    ECl@ss 5.1.427270902
    ECl@ss 6.027270902
    ECl@ss 6.227270902
    ECl@ss 7.027270902
    ECl@ss 8.027270902
    ECl@ss 8.127270902
    ECl@ss 9.027270902
    ETIM 5.0EC002717
    ETIM 6.0EC002717
    UNSPSC 16.090139121528
Показать всё Скрыть всё

Технические чертежи

Схема соединений cd-087 Характеристика VL18V Диаграмма расстояний срабатывания VL18V Габаритный чертеж VL18V, VSE18V Вид: Галерея Список Показать всё Скрыть всё
Показать всё Скрыть всё