Показать всё Скрыть всё
- Производительность
| Количество штрихов на один оборот | 1.024 |
| Базовый сигнал, количество | 1 |
| Базовый сигнал, положение | 90° электрические, логические соединения с A и B |
| Допуски | ± 0,3° |
| Отклонение измерительных шагов | ± 0,2° |
| Максимальное время инициализации | ≤ 40 ms |
- Электрические данные
| Диапазон напряжения питания | 10 V ... 32 V |
| Рабочий ток | 40 mA 1) |
| Максимальная частота выходного сигнала | ≤ 300 kHz |
| Максимальный ток нагрузки | ≤ 30 mA |
- Механические данные
| Исполнение вала | Глухой полый вал |
| Диаметр вала | 12 mm |
| Материал, вал | Металл |
| Тип фланца / статорная муфта | Стандарт |
| Размеры | См. размерный чертеж |
| Вес | 0,2 kg |
| Момент инерции ротора | 40 gcm² |
| Рабочая частота вращения | 6.000 min⁻¹ 1) |
| Угловое ускорение | ≤ 500.000 rad/s² |
| Рабочий крутящий момент | 0,6 Ncm (+20 °C) |
| Пусковой момент | 0,8 Ncm (+20 °C) |
| Допустимое перемещение вала радиальное, статическое/динамическое | ± 0,3 mm / ± 0,1 mm |
| Допустимое перемещение вала осевое, статическое/динамическое | ± 0,5 mm / ± 0,2 mm |
| Срок службы шарикоподшипников | 3,0 x 10^9 оборотов |
| Тип подключения | Кабель, 8-жильный, радиальная, 0,5 m 2) |
- Данные окружающей среды
| Диапазон рабочей температуры | –30 °C ... +100 °C |
| Диапазон температуры хранения | –40 °C ... +100 °C, без упаковки |
| Относительная влажность воздуха/образование конденсата | 90 %, Образование конденсата на оптических сканирующих элементах не допускается |
| Ударопрочность | 70 g, 6 ms (согласно EN 60068-2-27) |
| Диапазон частоты вибростойкости | 30 g, 10 Hz ... 2.000 Hz (согласно EN 60068-2-6) |
| ЭМС | По EN 61000-6-2 и EN 61000-6-4 |
| Тип защиты | IP65, со стороны вала (согласно IEC 60529) IP67, кабельный отвод со стороны корпуса (согласно IEC 60529) |
- Классификации
| ECl@ss 5.0 | 27270501 |
| ECl@ss 5.1.4 | 27270501 |
| ECl@ss 6.0 | 27270590 |
| ECl@ss 6.2 | 27270590 |
| ECl@ss 7.0 | 27270501 |
| ECl@ss 8.0 | 27270501 |
| ECl@ss 8.1 | 27270501 |
| ECl@ss 9.0 | 27270501 |
| ETIM 5.0 | EC001486 |
| ETIM 6.0 | EC001486 |
| UNSPSC 16.0901 | 41112113 |
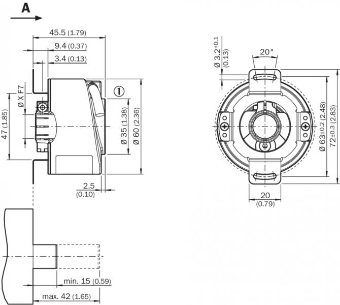
Показать всё Скрыть всё Технические чертежи
Габаритный чертеж Глухой полый вал, кабельный ввод
Вид: Галерея Список Показать всё Скрыть всё Показать всё Скрыть всё