0
ETI    SIEMENS    ABB    WIKA    IFM    ELKO EP    HYUNDAI    VEGA    KSR KUEBLER    Johnson Controls    Siemens IA/DT (CA01)    Bosch Rexroth    Alfa Laval    SICK    Others  

V30W-0101000

Код: 1041542
Связатся с нами: 067 285 7770

В корзину

Показать всё Скрыть всё

  • Характеристики
    Разрешение20 mm, 24 mm, 30 mm
    Диапазон защитного поля
    Разрешение 20 мм1,41 m
    Разрешение 24 мм1,7 m
    Разрешение 30 мм2,12 m
    Размер защитного поля
    Разрешение 20 мм1 m x 1 m
    Разрешение 24 мм1,2 m x 1,2 m
    Разрешение 30 мм1,5 m x 1,5 m
    Оценка20 ms
  • Параметры техники безопасности
    ТипТип 3 (IEC 61496)
    Класс надежности

    SIL2 (IEC 61508)

    SILCL2 (EN 62061)

    КатегорияКатегория 3 (EN ISO 13849)
    Уровень производительностиPL d (EN ISO 13849)
    PFHd (средняя вероятность опасного отказа в час)5,6 x 10-9 (EN ISO 13849)
    TM (заданная продолжительность работы)20 лет (EN ISO 13849)
    Безопасное состояние в случае возникновения ошибкиКак минимум, один выход OSSD находится в состоянии AUS (ВЫКЛ.).
  • Функции
    ФункцииСостояние при поставке
    Блокировка повторного запускаДеактивирован
    Контроль внешних устройств (EDM)Деактивирован
    Каскадное подключение
    Teach/Sync
  • Интерфейсы
    Вид подключенияРазъем М12, 8-конт.
    Допустимая длина кабеля≤ 7,5 m
    Индикатор состоянияLEDs
    Диагностический индикаторLEDs
    Полевая шина, промышленная шина
    Интеграция через контроллер безопасности Flexi SoftCANopen, DeviceNet™, EtherCAT®, EtherNet/IP™, Modbus TCP, PROFIBUS DP, PROFINET 1)
    • 1) Дополнительная информация о Flexi Soft приведена в каталоге продукции sens:Control — безопасные решения для систем управления или по адресу www.sick.de/FlexiSoft.
  • Электрические данные
    Класс защитыIII (EN 50178)
    Напряжение питания UV24 V DC (19,2 V DC ... 28,8 V DC)
    Потребление тока

    ≤ 165 mA 1)

    ≤ 690 mA 2)

    Предохранительные выходы (безопасное подключение питания OSSD)
    Тип выхода2 полупроводника с PNP-переходом, устойчивость к короткому замыканию, контроль перекрестного замыкания
    Напряжение переключения HIGHUV – 2,7 V DC ... UV
    Напряжение переключения LOW≤ 3,5 V DC
    Ток переключения6 mA ... 250 mA
    • 1) При 24 ВDC без выходной нагрузки.
    • 2) С максимальной нагрузкой на выходе.
  • Механические данные
    Размеры (Ш x В x Г)93,9 mm x 50 mm x 93,9 mm
    Материал корпусаАлюминиевое литье
    Вес355 g
  • Данные окружающей среды
    Тип защитыIP54 (EN 60529)
    Диапазон рабочих температур0 °C ... +50 °C
    Температура хранения–25 °C ... +70 °C
    Влажность воздуха15 % ... 95 %, без образования конденсата
    Виброустойчивость5 g, 10 Hz ... 55 Hz (EN 60068-2-6)
    Ударопрочность10 g, 16 ms (EN 60068-2-27)
  • Прочие данные
    Длина волны850 nm
  • Классификации
    ECl@ss 5.027272790
    ECl@ss 5.1.427272790
    ECl@ss 6.027272790
    ECl@ss 6.227272790
    ECl@ss 7.027272790
    ECl@ss 8.027272790
    ECl@ss 8.127272790
    ECl@ss 9.027272790
    ETIM 5.0EC001511
    ETIM 6.0EC001511
    UNSPSC 16.090139121528
Показать всё Скрыть всё

Технические чертежи

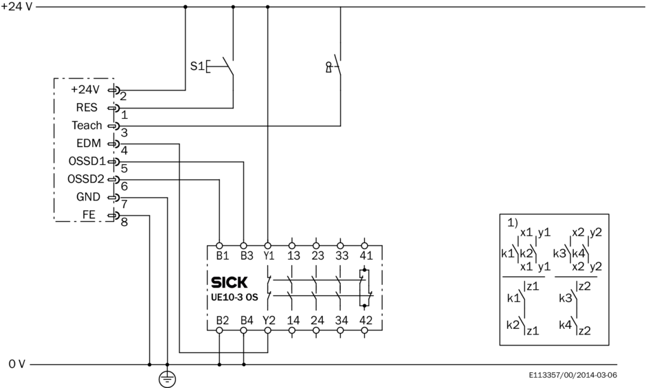
Габаритный чертеж Пример схемы подключения Надежная система камер с защитным реле UE10-3OS Пример схемы подключения Надежная система камер с контроллером безопасности Flexi Classic Вид: Галерея Список Показать всё Скрыть всё
Показать всё Скрыть всё