0
ETI    SIEMENS    ABB    WIKA    IFM    ELKO EP    HYUNDAI    VEGA    KSR KUEBLER    Johnson Controls    Siemens IA/DT (CA01)    Bosch Rexroth    Alfa Laval    SICK    Others  

UM30-214118

Код: 6036924
Связатся с нами: 067 285 7770

В корзину

Показать всё Скрыть всё

  • Производительность
    Дистанция измерения, предельная дистанция измерения350 mm ... 3.400 mm, 5.000 mm
    Объект измеренияЕстественные объекты
    Разрешение≥ 0,18 mm
    Точность воспроизведения± 0,15 % 1)
    Точность± 1 % 1) 2)
    Температурная компенсация
    Оценка180 ms
    Частота переключения4 Hz
    Время вывода43 ms
    Ультразвуковая частота (типичная)120 kHz
    Зона действия (типичная)См. диаграммы
    Доп. функцияРежимы работы на выбор: расстояние до объекта (DtO) / окно (Wnd) / объект между датчиком и фоном (ObSB), обучаемый дискретный выход, конфигурируемый дискретный вход, инвертируемый дискретный выход, настраиваемая задержка включения дискретного входа, обучаемый аналоговый выход, конфигурируемый аналоговый выход, инвертируемый аналоговый выход, автоматическое переключение между выходом по току и напряжению, температурная компенсация, синхронизация до 10 датчиков, мультиплексер: отсутствие взаимной интерференции датчиков количеством до 10, настраиваемые фильтры: измеряемые величины, сила фильтра, регулируемая чувствительность, подавление переднего фона и зона действия, отключение дисплея, сброс на заводские настройки 3)
    • 1) В отношении последнего результата измерения.
    • 2) Температурная компенсация может быть отключена, без компенсации: 0,17 % / K.
    • 3) Функции могут различаться в зависимости от варианта датчика.
  • Интерфейсы
    Аналоговый выход1 x 0 V ... 10 V (≥ 100 kΩ) 1)
    Аналоговый выход1 x 4 mA ... 20 mA (≤ 500 Ω) 1) 2) 3)
    Разрешение аналогового выхода12 bit
    Переключающий выход1 x PNP (200 mA) 4)
    Многофункциональный вход (MF)1 x MF
    Гистерезис50 mm
    • 1) Автоматическое переключение между токовым выходом и выходом по напряжению в зависимости от нагрузки.
    • 2) При 4 мА ... 20 мА и UВ ≤ 20 В макс. нагрузка ≤ 100 Ω.
    • 3) Схема последующего сглаживания аналогового сигнала может в зависимости от ситуации увеличить время отклика до 200 %.
    • 4) PNP: HIGH = UВ - (< 2 В) / LOW = 0 В.
  • Механика/электроника
    Напряжение питания UVПост. ток 9 V ... 30 V 1) 2)
    Потребляемая мощность≤ 2,4 W 3)
    Время инициализации< 300 ms
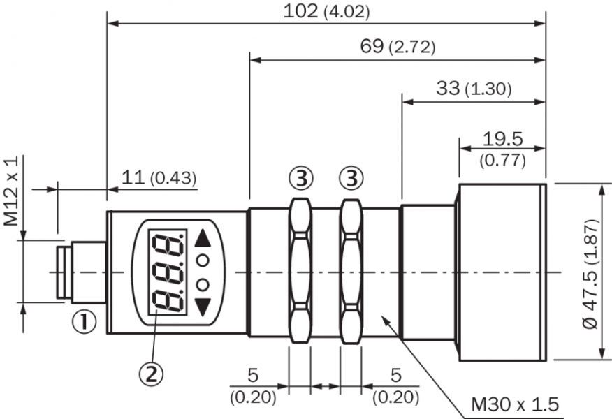
    Тип корпусаЦилиндрический
    Материал корпуса

    Никелированная латунь, PBT

    Дисплей: TPU

    УЗ-преобразователь: пенополиуретан, эпоксидная смола и стеклянные элементы

    Тип подключенияРазъем, M12, 5-контактный
    ИндикацияLED-дисплей, 2 x LED
    Вес210 g
    Выходной коннектор передатчикаПрямой
    Тип защитыIP67
    Класс защитыIII
    • 1) Предельные значения, с защитой от неправильной полярности. Эксплуатация в сетях с защитой от короткого замыкания: макс. 8 А, класс 2.
    • 2) 15 В ... 30 В при использовании аналогового выхода напряжения.
    • 3) Без нагрузки.
  • Данные окружающей среды
    Рабочий диапазон температур–25 °C ... +70 °C
    Диапазон температур при хранении–40 °C ... +85 °C
  • Классификации
    ECl@ss 5.027270804
    ECl@ss 5.1.427270804
    ECl@ss 6.027270804
    ECl@ss 6.227270804
    ECl@ss 7.027270804
    ECl@ss 8.027270804
    ECl@ss 8.127270804
    ECl@ss 9.027270804
    ETIM 5.0EC001846
    ETIM 6.0EC001846
    UNSPSC 16.090141111960
Показать всё Скрыть всё

Технические чертежи

Габаритный чертеж UM30-214 Схема соединений UM30-21x118 штекер M12, 5-конт. Варианты настройки Зона распознавания UM30-214, UC30-214 Тип подключения Вид: Галерея Список Показать всё Скрыть всё
Показать всё Скрыть всё