0
ETI    SIEMENS    ABB    WIKA    IFM    ELKO EP    HYUNDAI    VEGA    KSR KUEBLER    Johnson Controls    Siemens IA/DT (CA01)    Bosch Rexroth    Alfa Laval    SICK    Others  

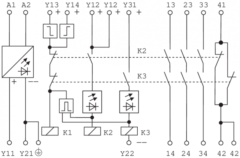
UE43-3MF2A3

Код: 6024901
Связатся с нами: 067 285 7770

В корзину

Показать всё Скрыть всё

  • Параметры техники безопасности
    Класс надежности

    SIL3 (IEC 61508)

    SILCL3 (EN 62061)

    КатегорияКатегория 4 (EN ISO 13849)
    Уровень производительностиPL e (EN ISO 13849)
    Значение B10d

    1 x 106 циклов срабатывания (AC-15, 230 V, I = 0,5 A )

    3,5 x 105 циклов срабатывания (DC-13, 24 V, I = 2 A )

    1,2 x 106 циклов срабатывания (DC-13, 24 V, I = 0,5 A)

    PFHd (средняя вероятность опасного отказа в час)3,0 x 10-8 (EN ISO 13849)
    TM (заданная продолжительность работы)20 лет (EN ISO 13849)
    Категория останова0 (EN 60204-1)
  • Интерфейсы
    Тип подключенияФиксированные винтовые зажимы
    Количество токопроводящих линий разблокировки (нормально открытый)3, важный для безопасности
  • Электрические данные - Эксплуатационные параметры
    Напряжение питанияA1, A2
    Выходная токопроводящая линия > 25 В перем. тока/60 В пост. токаPELV
    Выходная токопроводящая линия ≤ 25 В перем. тока/60 В пост. токаPELV или SELV
    Напряжение питания UVA1, A2
    230 V AC (195,5 V AC ... 253 V AC)
    Потребляемая мощность (≤ 3,2 VA (AC))
    Категория перенапряженияII
    Расчетное напряжение на изоляции Ui300 V AC
    Максимально допустимое импульсное напряжение Uimp4 kV
    Испытательное напряжение2 kV (50 Hz) (EN 60439-1)
  • Электрические данные - Управляющее напряжение: Y11, Y21
    Управляющее напряжение24 V DC
    Ток короткого замыкания≤ 1 A
    Защита от короткого замыканияТрансформатор с защитой от короткого замыкания
    Гальваническая развязка✔ (между A1, A2 и Y11, Y21, PE)
  • Электрические данные - Входные контуры: Y12 , Y31, Y22
    Входной ток
    ≤ 15 mA
    Время сброса
    Вручную150 ms
    Автоматически800 ms
    Контроль синхронизации≤ 500 ms≤ 500 ms
    Сопротивление провода≤ 70 Ω
  • Электрические данные - Выходные токопроводящие линии: 13/14, 23/24, 33/34, 41/42
    Время задержки возврата реле50 ms (≤ 50 ms) 1)
    Количество токопроводящих линий разблокировки (нормально открытый)3, важный для безопасности
    Количество сигнальных токопроводящих линий (нормально закрытый)1, не относится к безопасности
    Тип контактаС принудительным управлением
    Материал контактовСеребряный сплав, тонкое золочение
    Напряжение переключения
    Токопроводящая линия разблокировки

    10 V AC ... 230 V AC

    10 V DC ... 300 V DC

    Сигнальная токопроводящая линия10 V AC, 10 V DC ... 230 V AC, 300 V DC
    Допустимая токовая нагрузка на устройство переключения выходного сигнала
    Токопроводящая линия разблокировки10 mA ... 6 A
    Сигнальная токопроводящая линия10 mA ... 6 A
    Суммарный ток≤ 18 A
    Категория потребленияAC-15/DC-13 (EN 60947-5-1)
    Расчетный рабочий ток (расчетное рабочее напряжение)

    6 A (230 V AC) 3600 циклов срабатывания/ч

    4 A (24 V DC) 360 циклов срабатывания/ч

    3 A (24 V DC) 3600 циклов срабатывания/ч

    Частота переключения≤ 3600/ч
    Срок службы механических компонентов (контакты реле)1 x 107 циклов срабатывания
    Срок службы электрических компонентов (контакты реле)2 x 106 циклов срабатывания
    • 1) K1/K2.
  • Механические данные
    Размеры (Ш x В x Г)45 mm x 120,5 mm x 75 mm
    Вес0,36 kg
  • Классификации
    ECl@ss 5.027371990
    ECl@ss 5.1.427371990
    ECl@ss 6.027371819
    ECl@ss 6.227371819
    ECl@ss 7.027371819
    ECl@ss 8.027371819
    ECl@ss 8.127371819
    ECl@ss 9.027371819
    ETIM 5.0EC001449
    ETIM 6.0EC001449
    UNSPSC 16.090141113704
Показать всё Скрыть всё

Технические чертежи

Схема соединений Вид: Галерея Список Показать всё Скрыть всё
Показать всё Скрыть всё