0
ETI    SIEMENS    ABB    WIKA    IFM    ELKO EP    HYUNDAI    VEGA    KSR KUEBLER    Johnson Controls    Siemens IA/DT (CA01)    Bosch Rexroth    Alfa Laval    SICK    Others  

UE410-2RO4

Код: 6032677
Связатся с нами: 067 285 7770

В корзину

Показать всё Скрыть всё

  • Характеристики
    МодульРелейный модуль
    Тип конфигурацииЧерез соединительную проводку
  • Параметры техники безопасности
    Класс надежности

    SIL3 (IEC 61508)

    SILCL3 (EN 62061)

    КатегорияКатегория 4 (EN ISO 13849)
    Уровень производительностиPL e (EN ISO 13849)
  • Интерфейсы
    Выходы2 цепи разблокировки
    Количество управляющих входов1 (B1)
    Количество токопроводящих линий разблокировки2 (13/14, 23/24)
    Количество сигнальных токопроводящих линий1 (Y14)
    Количество цепей обратной связи1 (Y1/Y2)
    Тип подключенияВставные пружинные зажимы
    Элементы индикацииLEDs
  • Электрические данные
    Класс защитыIII (EN 61140)
    Напряжение питанияЧерез FLEXBUS+
    Потребляемая мощность≤ 1,6 W
    Внутр. потребляемая мощность≤ 1,6 W 1)
    Категория перенапряженияII (EN 61131-2)
    Управляющие входы
    ЗажимыB1
    Входное напряжение18 V DC ... 30 V DC
    Цепи разблокировки
    Зажимы13/14, 23/24
    Тип выходаБеспотенциальные контакты НО, с принудительным управлением
    Напряжение переключения5 V AC/DC ... 253 V AC/DC
    Допустимая токовая нагрузка на устройство переключения выходного сигнала10 mA ... 6 A
    Сигнальные цепи
    ЗажимыY14
    Тип выходаКонтакт НО на внутренние 24 В постоянного тока, с принудительным управлением
    Выходное напряжение16 V DC ... 30 V DC
    Выходной ток≤ 75 mA
    Цепи обратной связи
    ЗажимыY1/Y2
    Тип выходаБеспотенциальные контакты НЗ, с принудительным управлением
    Напряжение переключения5 V AC/DC ... 253 V AC/DC
    Допустимая токовая нагрузка на устройство переключения выходного сигнала10 mA ... 6 A
    • 1) Через FLEXBUS+.
  • Механические данные
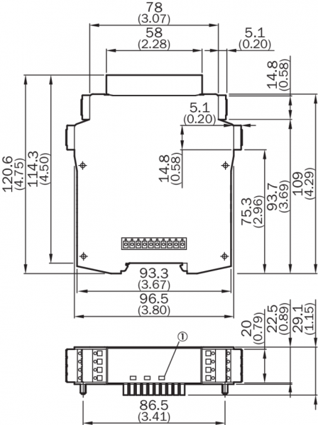
    Размеры (Ш x В x Г)22,5 mm x 96,5 mm x 120,8 mm
    Вес160 g (± 5 %)
  • Данные окружающей среды
    Тип защиты
    КорпусIP40 (EN 60529)
    ЗажимыIP20 (EN 60529)
    Диапазон рабочих температур–25 °C ... +55 °C
    Температура хранения–25 °C ... +70 °C
    Влажность воздуха15 % ... 95 %, без образования конденсата
    Климатические условия поEN 61131-2 (температура окружающей среды 55 °C, относительная влажность воздуха 95 %)
    Электромагнитная совместимость (ЭМС)Класс A (EN 61000-6-2, EN 55011)
    Виброустойчивость5 g RMS, 5 Hz ... 500 Hz (EN 60068-2-64)
  • Классификации
    ECl@ss 5.027242290
    ECl@ss 5.1.427249090
    ECl@ss 6.027249090
    ECl@ss 6.227249090
    ECl@ss 7.027249090
    ECl@ss 8.027249090
    ECl@ss 8.127249090
    ECl@ss 9.027249090
    ETIM 5.0EC002632
    ETIM 6.0EC002632
    UNSPSC 16.090132151705
  • Данные окружающей среды
    Диапазон рабочих температур–25 °C ... +55 °C
    Температура хранения–25 °C ... +70 °C
Показать всё Скрыть всё

Технические чертежи

Габаритный чертеж UE410-2RO4, UE410-4RO4 Вид: Галерея Список Показать всё Скрыть всё
Показать всё Скрыть всё