0
ETI    SIEMENS    ABB    WIKA    IFM    ELKO EP    HYUNDAI    VEGA    KSR KUEBLER    Johnson Controls    Siemens IA/DT (CA01)    Bosch Rexroth    Alfa Laval    SICK    Others  

UC4-11341

Код: 6034667
Связатся с нами: 067 285 7770

В корзину

Показать всё Скрыть всё

  • Производительность
    Дистанция измерения, предельная дистанция измерения13 mm ... 100 mm, 150 mm 1)
    Объект измеренияЕстественные объекты
    Разрешение≥ 0,1 mm
    Точность воспроизведения± 0,15 % 2)
    Точность0,17 % / K 2)
    Оценка24 ms
    Частота переключения30 Hz
    Время вывода8 ms
    Ультразвуковая частота (типичная)380 kHz
    Зона действия (типичная)См. диаграммы
    Доп. функцияРежимы работы на выбор: расстояние до объекта (DtO) / окно (Wnd) / объект между датчиком и фоном (ObSB), обучаемый переключающий выход, инвертируемый, обучаемый аналоговый выход, инвертируемый, температурная компенсация, блокировка пользовательского интерфейса 3)
    • 1) Обучение от 21 мм.
    • 2) В отношении последнего результата измерения.
    • 3) Функции могут различаться в зависимости от варианта датчика.
  • Интерфейсы
    Переключающий выход1 x PNP (200 mA) 1)
    Гистерезис2 mm
    • 1) PNP: HIGH = UВ - (< 2 В) / LOW = 0 В.
  • Механика/электроника
    Напряжение питания UVПост. ток 15 V ... 30 V 1)
    Потребляемая мощность≤ 0,75 W 2)
    Время инициализации< 300 ms
    Тип корпусаПрямоугольный
    Материал корпуса

    АБС-пластик

    УЗ-преобразователь: пенополиуретан, эпоксидная смола и стеклянные элементы

    Тип подключенияРазъем, M8, 3-контактный
    Индикация2 x LED
    Вес10 g
    Выходной коннектор передатчикаПрямой
    Тип защитыIP67
    Класс защитыIII
    • 1) Предельные значения, с защитой от переполюсовки. Эксплуатация в защищенных от короткого замыкания сетях с силой тока не более 8 A.
    • 2) Без нагрузки.
  • Данные окружающей среды
    Рабочий диапазон температур–25 °C ... +70 °C 1)
    Диапазон температур при хранении–40 °C ... +85 °C
    • 1) При рабочих температурах > 50 °C датчик UC4 следует монтировать с полным прилеганием всей задней поверхности.
  • Классификации
    ECl@ss 5.027270804
    ECl@ss 5.1.427270804
    ECl@ss 6.027270804
    ECl@ss 6.227270804
    ECl@ss 7.027270804
    ECl@ss 8.027270804
    ECl@ss 8.127270804
    ECl@ss 9.027270804
    ETIM 5.0EC001846
    ETIM 6.0EC001846
    UNSPSC 16.090141111960
Показать всё Скрыть всё

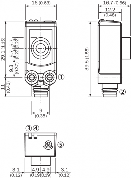
Технические чертежи

Габаритный чертеж Тип подключения Разъем M8, 3-конт. Схема соединений Варианты настройки Зона распознавания UC4-11 Вид: Галерея Список Показать всё Скрыть всё
Показать всё Скрыть всё