0
ETI    SIEMENS    ABB    WIKA    IFM    ELKO EP    HYUNDAI    VEGA    KSR KUEBLER    Johnson Controls    Siemens IA/DT (CA01)    Bosch Rexroth    Alfa Laval    SICK    Others  

UC30-215162

Код: 6054715
Связатся с нами: 067 285 7770

В корзину

Показать всё Скрыть всё

  • Производительность
    Дистанция измерения, предельная дистанция измерения600 mm ... 6.000 mm, 8.000 mm
    Объект измеренияЕстественные объекты
    Разрешение≥ 0,18 mm
    Точность воспроизведения± 0,15 % 1)
    Точность± 1 % 1) 2)
    Температурная компенсация
    Оценка240 ms
    Частота переключения3 Hz
    Время вывода60 ms
    Ультразвуковая частота (типичная)80 kHz
    Зона действия (типичная)См. диаграммы
    Доп. функцияРежимы работы на выбор: расстояние до объекта (DtO) / окно (Wnd) / объект между датчиком и фоном (ObSB), обучаемый дискретный выход, конфигурируемый дискретный вход, инвертируемый дискретный выход, настраиваемая задержка включения дискретного входа, температурная компенсация, синхронизация до 10 датчиков, мультиплексер: отсутствие взаимной интерференции датчиков количеством до 10, настраиваемые фильтры: измеряемые величины, сила фильтра, регулируемая чувствительность, подавление переднего фона и зона действия, сброс на заводские настройки 3)
    • 1) В отношении последнего результата измерения.
    • 2) Температурная компенсация может быть отключена, без компенсации: 0,17 % / K.
    • 3) Функции могут различаться в зависимости от варианта датчика.
  • Интерфейсы
    Переключающий выход2 x PNP (200 mA) 1)
    Многофункциональный вход (MF)1 x MF
    Гистерезис100 mm
    • 1) PNP: HIGH = UВ - (< 2 В) / LOW = 0 В.
  • Механика/электроника
    Напряжение питания UVПост. ток 9 V ... 30 V 1)
    Потребляемая мощность≤ 1,2 W 2)
    Время инициализации< 450 ms
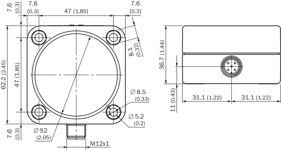
    Тип корпусаПрямоугольный
    Материал корпуса

    PBT

    PET

    УЗ-преобразователь: пенополиуретан, эпоксидная смола и стеклянные элементы

    Тип подключенияРазъем, M12, 5-контактный
    Индикация2 x LED
    Вес240 g
    Выходной коннектор передатчикаПрямой
    Тип защитыIP67
    Класс защитыIII
    • 1) Предельные значения, с защитой от неправильной полярности. Эксплуатация в сетях с защитой от короткого замыкания: макс. 8 А, класс 2.
    • 2) Без нагрузки.
  • Данные окружающей среды
    Рабочий диапазон температур–25 °C ... +70 °C
    Диапазон температур при хранении–40 °C ... +85 °C
  • Классификации
    ECl@ss 5.027270804
    ECl@ss 5.1.427270804
    ECl@ss 6.027270804
    ECl@ss 6.227270804
    ECl@ss 7.027270804
    ECl@ss 8.027270804
    ECl@ss 8.127270804
    ECl@ss 9.027270804
    ETIM 5.0EC001846
    ETIM 6.0EC001846
    UNSPSC 16.090141111960
Показать всё Скрыть всё

Технические чертежи

Габаритный чертеж UC30-215 Тип подключения Схема соединений Варианты настройки Зона распознавания UM30-215, UC30-215 Вид: Галерея Список Показать всё Скрыть всё
Показать всё Скрыть всё