0
ETI    SIEMENS    ABB    WIKA    IFM    ELKO EP    HYUNDAI    VEGA    KSR KUEBLER    Johnson Controls    Siemens IA/DT (CA01)    Bosch Rexroth    Alfa Laval    SICK    Others  

TSP-1MAM10405MZ

Код: 6042963
Связатся с нами: 067 285 7770

В корзину

Показать всё Скрыть всё

  • Характеристики
    Диапазон измерения–30 °C +130 °C
    Выходной сигналPt1000, 2-жильный
  • Производительность
    Точность измерительного элементаКласс B согласно IEC 60751
    Оценка

    Время отклика t50: ≤ 2,5 с 1)

    Время отклика t90: ≤ 6 с 1)

    • 1) В зависимости от конфигурации датчика, согласно IEC 60751.
  • Механика/электроника
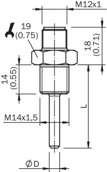
    Технические подключенияРезьба M14 x 1,5
    Длина щупа / диаметр измерительного щупа40 mm / 5 mm
    Материалы, соприкасающиеся со средойНержавеющая сталь 1.4305
    Материал корпусаНержавеющая сталь 1.4305
    Измерительный ток0,1 mA ... 0,3 mA
    ЭлектробезопасностьКласс защиты: III
    Сертификат RoHS
    ВесОк. 30 г (в зависимости от исполнения)
  • Данные окружающей среды
    Температура окружающей среды–40 °C ... +100 °C 1)
    Температура хранения и транспортировки–40 °C ... +85 °C
    Ударопрочность согласно IEC 60751500 g
    Виброустойчивость согласно IEC 607513 g
    • 1) Из-за малой монтажной длины температура штекера может достигать недопустимо высоких значений. Этот фактор следует учитывать при оборудовании точки измерения и выборе соответствующего соединительного кабеля.
  • Классификации
    ECl@ss 5.027200208
    ECl@ss 5.1.427200208
    ECl@ss 6.027200208
    ECl@ss 6.227200208
    ECl@ss 7.027200208
    ECl@ss 8.027200208
    ECl@ss 8.127200208
    ECl@ss 9.027200208
    ETIM 5.0EC001446
    ETIM 6.0EC001446
    UNSPSC 16.090141112211
Показать всё Скрыть всё

Технические чертежи

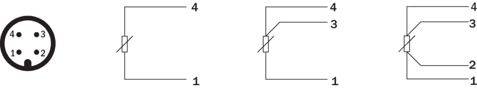
Габаритный чертеж Тип подключения Круглый штекерный соединитель M12 x 1, выходной сигнал Pt100/Pt1000 Вид: Галерея Список Показать всё Скрыть всё
Показать всё Скрыть всё